Czujniki optyczne (2). Sensory podczerwieni

Czujniki optyczne (2). Sensory podczerwieni

Współczesne czujniki optyczne są w stanie niebywale dobrze "widzieć" to, czego w żaden sposób nie moglibyśmy zobaczyć ludzkim okiem. Zakres zastosowań komercyjnie dostępnych elementów rozciąga się od twardego promieniowania jonizującego aż po daleką podczerwień, a najczulsze detektory z powodzeniem radzą sobie ze zliczaniem pojedynczych fotonów. Mimo tak szerokiego zakresu detekcji, szczególnie dużo komponentów optoelektronicznych pracuje w paśmie promieniowania podczerwonego. W tej części naszego cyklu przyjrzymy się wybranym grupom tych elementów.

Zanim jednak przejdziemy do opisu konkretnych grup specjalistycznych elementów, musimy nieco przybliżyć zastosowany podział materiału. Uważni Czytelnicy zwrócą wszak uwagę, że większość czujników opisanych w poprzedniej części cyklu także wykorzystywała oświetlacze w postaci struktur LED lub laserów VCSEL, pracujących w paśmie IR. Za wyborem tej właśnie części spektrum fal elektromagnetycznych przemawia szereg czynników - z jednej strony jest ono całkowicie niewidoczne dla człowieka (a zatem sprawdza się w zastosowaniach wymagających dyskretnej pracy), z drugiej - znacznie bezpieczniejsze od nadfioletu przy porównywalnej mocy. Diody LED IR mają ponadto najniższe napięcie przewodzenia spośród wszystkich rodzajów tego typu elementów (co drastycznie obniża pobór mocy sensorów aktywnych), a dodatkowo świetnie radzą sobie z impulsami prądowymi wielokrotnie przekraczającymi typową wartość prądu przewodzenia. Produkcja diod bliskiej podczerwieni i kompatybilnych z nimi fotoelementów (fotodiod oraz fototranzystorów) jest także tania i doskonale dopracowana pod względem technologicznym, a możliwość łatwej integracji części światłoczułej ze strukturą półprzewodnikową front-endu pozwala na tworzenie subminiaturowych czujników zbliżeniowych.

Wspomniane powyżej zalety determinują szeroki wachlarz zastosowań elementów IR w różnego rodzaju czujnikach, które - przynajmniej teoretycznie - mogłyby także bazować na diodach i laserach półprzewodnikowych, pracujących np. w paśmie światła czerwonego. Nie można jednak zapominać, że właśnie w paśmie podczerwieni odbywa się szereg niezwykle ważnych zjawisk fizycznych - dość wspomnieć chociażby o promieniowaniu termicznym, umiejętnie wykorzystywanym do bezdotykowego pomiaru temperatury punktowej lub jej rozkładu na większej powierzchni (termowizja). Z tego też względu istnieje wiele zastosowań, w których podczerwieni po prostu nie da się zastąpić jakimkolwiek innym promieniowaniem - w artykule zajmiemy się przede wszystkim takimi właśnie obszarami aplikacyjnymi. Zanim przejdziemy do omówienia pirometrów, sensorów PIR czy też specjalistycznych fotodetektorów średniej i dalekiej podczerwieni, poświęcimy nieco uwagi pewnej szczególnej grupie podzespołów, które należą do najpopularniejszych elementów IR w urządzeniach codziennego użytku.

Odbiorniki i moduły nadawczo-odbiorcze do systemów zdalnego sterowania

Systemy zdalnego sterowania (RC - Remote Control) oparte na podczerwieni stosowane są z powodzeniem od kilkudziesięciu lat i to zarówno w sprzęcie RTV, jak i projektorach multimedialnych, systemach HVAC czy też niewielkich zabawkach. W przypadku komunikacji jednokierunkowej z powodzeniem wystarczające okazują się proste odbiorniki, wyposażone we wbudowaną fotodiodę PIN z obwodami automatycznej regulacji wzmocnienia (AGC) oraz filtrem pasmowoprzepustowym (o stosunkowo wąskiej charakterystyce częstotliwościowej) i demodulatorem (rysunek 1).

Rysunek 1. Schemat blokowy odbiornika podczerwieni z serii TSOP121/123/125/141/143/145 (https://t.ly/qCIE)

Szczególnie szeroką ofertę tego typu podzespołów wdrożyła firma Vishay - przykładowo, odbiorniki z serii TSOP (fotografia 1) są dostępne w wersjach czułych na częstotliwość modulacji równą 30 kHz, 33 kHz, 36 kHz, 38 kHz, 40 kHz oraz 56 kHz, a dodatkowo występują w trzech grupach (AGC1, AGC3 oraz AGC5) - poszczególne z nich różnią się poziomem tłumienia zakłóceń.

Fotografia 1. Odbiornik podczerwieni z serii TSOP121/123/125/141/143/145 (https://t.ly/qCIE)

Jakby tego było mało, producent oferuje każdy z odbiorników w dwóch wersjach, różniących się rozkładem wyprowadzeń, czyli potocznie rzecz ujmując - pinologią (rysunek 2).

Rysunek 2. Dwie wersje rozkładu wyprowadzeń czujników z serii TSOP121/123/125/141/143/145 (https://t.ly/qCIE)

W poprzednim odcinku naszego cyklu omówiliśmy różnice w sposobie pracy wyjścia odbiorników IR przeznaczonych do systemów RC oraz czujników zbliżeniowych. Zwróciliśmy wtedy uwagę na fakt, iż te pierwsze generują sygnał będący zdigitalizowaną obwiednią odebranej paczki impulsów, zaś odbiorniki do sensorów zbliżeniowych wytwarzają impuls o długości zależnej od intensywności przebiegu z fotodiody. W tym miejscu warto dodać, że istnieje jeszcze trzecia grupa podzespołów, które - pomimo iż należą do tej samej kategorii co odbiorniki IR RC - zachowują się jeszcze inaczej. Mowa o elementach przeznaczonych do repeaterów sygnału podczerwieni - przykładem może być tutaj czujnik TSMP91100.

Fotografia 2. Układ TSMP91100 (https://t.ly/yq4Z)

Choć ma on postać identyczną, jak konwencjonalne odbiorniki z popularnych serii TSOP (oraz TFMS, którą zapewne pamiętają jeszcze nieco starsi Czytelnicy - patrz fotografia 2), to jego przebieg wyjściowy jest de facto… powtórzeniem (wzmocnionego i odfiltrowanego) sygnału wejściowego (rysunek 3).

Rysunek 3. Zmodulowany sygnał podczerwieni padający na fotodiodę odbiornika TSMP91100 oraz odpowiadający mu sygnał wyjściowy (https://t.ly/yq4Z)

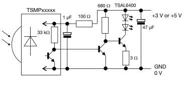
Nic nie stoi zatem na przeszkodzie, by zastosować układy z tej grupy do budowy bardzo prostych wzmacniaczy sygnału pilota RC - przykładowy schemat aplikacyjny, obejmujący (oprócz samego czujnika) jedynie kilka elementów pasywnych oraz nieskomplikowany stopień wyjściowy z dwoma tranzystorami dyskretnymi, można zobaczyć na rysunku 4. Warto dodać, że układy z tej serii pracują w szerokim zakresie częstotliwości modulacji sygnału IR (od 30 do 60 kHz), nie "faworyzują" zatem żadnej z nich, jak ma to miejsce w przypadku odbiorników fabrycznie strojonych na bardzo wąski zakres częstotliwości.

Rysunek 4. Schemat podłączenia odbiornika TSMP91100 w aplikacji prostego repeatera sygnału zdalnego sterowania z pilotów IR (https://t.ly/yq4Z)

W przypadku dwukierunkowych łączy bezprzewodowych dobrym wyjściem jest zastosowanie zintegrowanych transceiverów, szczególnie spopularyzowanych dzięki aplikacjom interfejsu IrDA w telefonach komórkowych, palmtopach czy też czytnikach USB. Pomimo że ten standard komunikacji krótkozasięgowej został skutecznie (żeby nie powiedzieć - brutalnie) wyparty przez Bluetooth, to w ofertach producentów optoelektroniki nadal można znaleźć odpowiednie transceivery, co ciekawe - w znacznie unowocześnionych i zminiaturyzowanych wersjach.

Fotografia 3. Transceiver IR typu TFBS4650 marki Vishay (https://t.ly/fekX)

Przykładem może być ultrakompaktowy moduł TFBS4650 marki Vishay - niewielka obudowa o wymiarach zaledwie 1,6×6,8×2,8 mm (fotografia 3) mieści wszystko, co niezbędne do uruchomienia komunikacji - czułą fotodiodę wraz ze wzmacniaczem i komparatorem, a także trójstanowy bufor wyjściowy oraz driver wbudowanej diody LED IR (rysunek 5).

Rysunek 5. Schemat blokowy transceivera IR typu TFBS4650 (https://t.ly/fekX)

Do aplikacji tego typu układów można zaliczyć m.in. niektóre modele liczników energii elektrycznej, wyposażone w łącze danych bazujące właśnie na podczerwieni.

Fotodiody i detektory kwantowe dla podczerwieni bliskiej i średniej

Rejestracja promieniowania w zakresie bliskiej podczerwieni może być z powodzeniem dokonana za pomocą fotodiody bądź fototranzystora i z takim właśnie podejściem mamy najczęściej do czynienia w praktyce. Co ciekawe, o ile pomiar podczerwieni o większych długościach fali bywa trudniejszy z technologicznego punktu widzenia, to - paradoksalnie - arsenał dostępnych technik jest tutaj znacznie szerszy.

Podczerwień z zakresu NIR (Near InfraRed, tj. obejmującego fale o długości od około 750...800 nm do 1,4...3 μm - zależnie od przyjętej konwencji nazewniczej) może być z powodzeniem wykrywana za pomocą fotodiod InGaAs (rzecz jasna, oprócz popularnych fotodiod krzemowych, pracujących zwykle w dolnej części tego zakresu).

Fotografia 4. Pojedyncze fotodiody InGaAs marki Hamamatsu (https://t.ly/hESB)

Firma Hamamatsu oferuje szeroką gamę wysokiej klasy fotodiod pojedynczych (fotografia 4), macierzy fotodiod w postaci linijki lub czteropolowego sensora pozycyjnego (fotografia 5), a także superczułych fotodiod lawinowych (fotografia 6).

Fotografia 5. Macierze fotodiod InGaAs marki Hamamatsu (https://t.ly/hESB)
Fotografia 6. Fotodiody APD InGaAs, czułe na pasmo podczerwieni (produkty z oferty firmy Hamamatsu). Źródło: https://t.ly/hESB

Przykładowo, fotodiody z serii G12183 (fotografia 7) osiągają pik czułości spektralnej w rejonie 2,3 μm, ale zakres spektralny jest znacznie szerszy i obejmuje długość fali już od 900 nm (przy progu odcięcia rzędu około 0,2 A/W) oraz rozciąga się do 2,6 μm (zależnie od wersji - patrz rysunek 6).

Fotografia 7. Fotodiody z serii G12183 marki Hamamatsu (https://t.ly/rpYt)
Rysunek 6. Charakterystyki spektralne fotodiod z serii G12183 marki Hamamatsu (https://t.ly/rpYt)

Nieco dalej (pod względem widmowym) sięgają możliwości detektorów fotowoltaicznych opartych na arsenku indu (InAs).

Fotografia 8. Fotodiody InAs na pasmo do 3 μm (oferta firmy Hamamatsu). Od lewej: prosta fotodioda, fotodioda z wbudowaną chłodnicą termoelektryczną oraz moduł z obiegiem kriogenicznego czynnika chłodniczego (LN2). Źródło: https://t.ly/MGXXs

Tutaj mamy już do czynienia z przedziałem spektrum do niecałych 4 μm, a dostępne fotoelementy (fotografia 8) mogą pracować albo bez chłodzenia, albo (przy niewiele większych rozmiarach obudowy) z wymuszonym odprowadzaniem ciepła za pomocą wbudowanego ogniwa Peltiera (rysunek 7) bądź nawet… obiegu ciekłego azotu (czyli przy temperaturze rzędu -196°C!).

Rysunek 7. Porównanie wymiarów obudowy prostej fotodiody InAs (po lewej) oraz fotodetektora z wbudowanym, termoelektrycznym modułem chłodzącym (https://t.ly/dqBuh)

Zastosowanie chłodzenia pozwala drastycznie obniżyć poziom szumów i poprawić jakość detekcji słabych sygnałów optycznych, choć należy pamiętać, że powoduje także przesunięcie charakterystyki spektralnej w stronę fal krótszych. W handlu dostępne są także detektory oparte na antymonku indu (InSb), pracujące w paśmie rzędu 5,5 μm oraz fotoelementy InAsSb, których zakres widmowy dochodzi do 11 μm (fotografia 9, rysunek 8).

Fotografia 9. Fotodetektor InAsSb typu P16614-011CN marki Hamamatsu (https://t.ly/MChS)
Rysunek 8. Charakterystyka widmowa wykrywalności znormalizowanej D* dla fotodetektorów P16614-011CN (https://t.ly/MChS)

Do najbardziej zaawansowanych detektorów promieniowania podczerwonego należą moduły wykonane na bazie tzw. supersieci II rodzaju (type II superlattice) oraz kaskadowe detektory kwantowe (QCD - Quantum cascade detectors) - te ostatnie oferują zawrotną szybkość odpowiedzi, umożliwiają bowiem detekcję sygnałów zmodulowanych częstotliwością dochodzącą nawet do 20 GHz (fotografia 10).

Fotografia 10. Kaskadowy detektor kwantowy P16309--01, mogący pracować z podczerwienią w zakresie MIR (pik czułości równy 4,65 μm) i oferujący pasmo dochodzące do 20 GHz (https://t.ly/Z4dI)

Czujniki pirometryczne

Podstawa działania czujników określanych mianem termostosu (thermopile detector) opiera się na szeregowo połączonych, mikroskopijnych termoparach, umieszczonych w układzie tworzącym wydzielony obszar detekcji - czuły na zdalne promieniowanie, odsłonięty dla okna optycznego znajdującego się w obudowie i zawierający "gorące" końce poszczególnych termopar - oraz obszar okalający, możliwie najlepiej odizolowany od pola detekcji i obejmujący zimne końce termoelementów.

Rysunek 9. Schematyczne przedstawienie budowy czujnika pirometrycznego na bazie termostosu, wykonanego w technologii MEMS. Po prawej - rzeczywisty wygląd struktury (https://t.ly/vyw8)

Nowoczesne czujniki tego typu są coraz częściej produkowane w krzemowej technologii MEMS (rysunek 9), umożliwiającej drastyczną redukcję wymiarów całości, a przy okazji także integrację układu elektronicznego, odpowiedzialnego za wzmacnianie i przetwarzanie sygnału z termopar (kompensacja temperatury otoczenia, kalibracja, obsługa przerwań z "watchdoga termicznego" itp.), a wreszcie - komunikację z zewnętrznymi urządzeniami (zwykle za pośrednictwem I²C, choć rzecz jasna nie musi to być regułą) - patrz rysunek 10.

Rysunek 10. Schemat blokowy scalonego pirometru MLX90632 (https://t.ly/vyw8)

Warto dodać, że ultracienka membrana osłaniająca gorące końce termopar (widoczna na środkowej części rysunku 9) ma znikomą pojemność cieplną, podobnie zresztą jak same termopary - to zaś pozwala bardzo szybko (praktycznie w czasie rzeczywistym) reagować na zmiany rejestrowanego promieniowania termicznego.

Wykorzystanie termostosu (szeregowo połączonych termopar) ma zresztą szereg zalet - sygnał podawany na wbudowany front-end czujnika jest już wstępnie wzmocniony (poprzez proste sumowanie napięć generowanych przez poszczególne termopary), co upraszcza konstrukcję układu i poprawia stosunek sygnał-szum. Co również ważne, przestrzenne rozłożenie gorących końców termopar pozwala uzyskać efekt uśredniania promieniowania, padającego na całą powierzchnię aktywną detektora. Warto też dodać, iż omawiany rodzaj detektorów oferuje niezwykle szeroki zakres wykrywanego widma, obejmujący promieniowanie o długości fali od około 1 μm aż do 25 μm - zostawia zatem daleko w tyle wszystkie omówione wcześniej rodzaje detektorów podczerwieni. Mało tego - sama konstrukcja czujnika pirometrycznego na bazie termostosu, w przeciwieństwie do innych typów czujników (np. detektorów fotowoltaicznych), nie wykazuje zależności czułości od długości fali padającego promieniowania (innymi słowy - ma płaską charakterystykę czułości widmowej - patrz rysunek 11).

Rysunek 11. Porównanie charakterystyk spektralnych różnych detektorów podczerwieni wraz z naniesionymi oznaczeniami pasm absorpcji dla najczęściej wykrywanych gazów (https://t.ly/N_i_)

W praktyce okazuje się zatem, że odpowiedź spektralna pirometrów zależy od… charakterystyki szkła osłonowego (a także zastosowanego filtra optycznego). Ta cecha doczekała się zresztą szeregu praktycznych aplikacji - na rynku dostępne są bowiem sensory podwójne, przy czym każdy z obszarów detekcji jest ukryty za oknem wyposażonym w filtr optyczny o innej długości fali (fotografia 11, rysunek 12).

Fotografia 11. "Dwukolorowe" czujniki pirometryczne (termostosowe) z serii T11722 do pomiaru stężeń gazów (https://t.ly/fP4r)
Rysunek 12. Charakterystyki transmitancji filtrów optycznych, stosowanych w dwukanałowych detektorach z serii T11722 (https://t.ly/VaU4b)

Tego typu elementy są stosowane m.in. w urządzeniach do pomiaru stężenia gazów, korzystają bowiem ze specyficznych właściwości ich widm absorpcyjnych - uproszczoną konstrukcję takiego urządzenia przedstawiono schematycznie na rysunku 13. Przykładowo, sensor czuły na fale o długości 3,9 μm wytwarza sygnał odniesienia dla właściwego sygnału pomiarowego o długości 4,26 μm, efektywnie tłumionego przez dwutlenek węgla obecny w badanej mieszaninie.

Rysunek 13. Uproszczony schemat czujnika stężenia gazu (CO2) na bazie technologii NDIR (https://t.ly/twjI)

Znajomość widm emisji oraz absorpcji poszczególnych zjawisk lub obiektów pozwala zresztą na stosowanie czujników termostosowych także w wielu innych aplikacjach. Przykładowo - termiczne detektory płomieni korzystają z faktu, iż ogień wiąże się z emisją fal szczególnie silnych w zakresie piku 4,45 μm (rysunek 14). Spory problem pojawia się natomiast w najpopularniejszym zastosowaniu sensorów pirometrycznych - bezdotykowych pomiarach temperatury.

Rysunek 14. Porównanie widm emisyjnych Słońca i płomieni w zakresie światła widzialnego oraz bliskiej i średniej podczerwieni (https://t.ly/DDlv)

Czujniki temperatury IR - zagadnienia techniczne

Opracowanie stosunkowo niedrogich i kompaktowych czujników pirometrycznych zrewolucjonizowało pomiary temperatury - technologia, która jeszcze nie tak dawno była zarezerwowana tylko do zastosowań profesjonalnych, dziś okazuje się dostępna za zaskakująco niewielkie pieniądze, co więcej - w postaci niezwykle łatwej do wykorzystania w dowolnym urządzeniu elektronicznym. Wspomnieliśmy już wcześniej o automatycznej kompensacji temperaturowej, mającej kluczowe znaczenie dla działania scalonych czujników pirometrycznych (określanych, potocznie, "czujnikami temperatury na podczerwień"), przyjrzyjmy się jednak temu zagadnieniu nieco bliżej.

Różnicowy charakter pomiarów dokonywanych za pomocą termopary wymusza dokładne określenie temperatury zimnych końców (utożsamianej z temperaturą otoczenia czujnika). Z tego też względu zdecydowana większość sensorów pirometrycznych ma już fabrycznie wbudowane termistory (rysunek 15), umożliwiające pomiar warunków panujących wewnątrz obudowy pirometru, a co za tym idzie - określenie bezwzględnej temperatury zdalnie mierzonego obiektu.

Rysunek 15. Rysunek przykładowego czujnika termostosowego (T11361-01 firmy Hamamatsu) oraz układ jego wyprowadzeń. Widoczny wbudowany termistor, podłączony do końcówek o numerach 2 i 4 (obudowa). Źródło: https://t.ly/FUwFq

Okazuje się jednak, że problem istnieje nadal i nawet w przypadku nowoczesnych czujników termostosowych szybka zmiana temperatury w pobliżu czujnika powoduje spore zaburzenie wyników pomiaru. Remedium na tego typu artefakty może być aktywna (elektroniczna) kompensacja temperatury - inżynierowie z firmy Melexis przeprowadzili nawet stosowny eksperyment, który wykazał, że flagowy produkt marki (pirometr cyfrowy MLX90632 - fotografia 12) nieporównanie lepiej radzi sobie z redukcją wpływu temperatury otoczenia na wynik pomiaru (rysunek 16).

Fotografia 12. Cyfrowy czujnik termostosowy typu MLX90632 marki Melexis (https://t.ly/sE2w)

Na przedstawionym wykresie widać wartości pomiaru temperatury stabilnego źródła o rzeczywistej temperaturze powierzchni równej 40°C, uzyskane za pomocą nowoczesnego, "analogowego" czujnika pirometrycznego w obudowie typu TO-5 oraz wspomnianego już MLX90632 - jak widać, zbliżenie do czujników szybko nagrzewającego się obiektu (prędkość zmian temperatury na poziomie 60°C/min) powoduje potężne (tj. o ponad 10°C) przekłamanie sygnału ze "zwykłego" pirometru, a praktycznie nie wpływa na wynik uzyskany za pomocą sensora cyfrowego (odchyłka rzędu 0,25°C).

Rysunek 16. Przebieg eksperymentu, przeprowadzonego przez firmę Melexis w celu porównania podatności sensora MLX90632 oraz klasycznego czujnika termostosowego w obudowie typu TO-5 na artefakty dynamiczne, będące wynikiem szybkozmiennej temperatury otoczenia czujników. Górny wykres: porównanie odpowiedzi obu sensorów, dolny: przebieg temperatury źródła ciepła, zbliżonego do czujników. Źródło: https://t.ly/3k9r

Podatność pirometrów na wahania temperatury otoczenia to niestety niejedyna przypadłość tych niezwykle użytecznych czujników. Znacznie trudniej jest bowiem mierzyć się z problemem wpływu emisyjności powierzchni na wynik pomiaru. Zgodnie z prawem Plancka ciało doskonale czarne emituje promieniowanie o intensywności zależnej nie tylko od temperatury, ale także od rozpatrywanej długości fali (rysunek 17).

Rysunek 17. Ilustracja prawa Plancka - intensywność promieniowania termicznego ciała doskonale czarnego w funkcji długości fali (parametr - temperatura źródła w kelwinach) Źródło: https://t.ly/p8Qp

W praktyce jednak niezwykle rzadko zdarza się, by mierzony obiekt mógł choć w przybliżeniu być potraktowany jako ciało doskonale czarne - w rzeczywistości emisyjność różnych powierzchni jest znacznie niższa. W najprostszych termometrach na podczerwień emisyjność jest ustawiona fabrycznie na wartość domyślną równą 0,95, zaś w modelach nieco bardziej zaawansowanych (fotografia 13) producenci umożliwiają użytkownikowi ręczne ustawienie poziomu emisyjności, co pozwala na wprowadzenie programowej korekty wyniku pomiaru temperatury.

Fotografia 13. Pirometr z funkcją manualnego ustawiania emisyjności badanej powierzchni (https://t.ly/JOE0)

Profesjonalne termometry bezdotykowe mogą korzystać z dwóch czujników o zróżnicowanych pikach czułości widmowej. Takie rozwiązanie (określane mianem ratio pyrometer) opiera się już nie na pomiarze intensywności promieniowania (jako takiej) w danym paśmie, ale na stosunku odczytów wykonanych dla dwóch różnych długości fali - nie jest zatem podatne na rozmaite zakłócenia, w tym parę, dym czy też większe zanieczyszczenia stałe, obecne w przestrzeni pomiędzy mierzoną powierzchnią a optyką czujnika. Dodatkowo, pirometry pracujące w trybie ratio oferują pewien stopień automatycznej kompensacji emisyjności, nieosiągalny dla prostszych termometrów. Na rynku dostępne są kompaktowe moduły oparte na tej technologii (przykład można zobaczyć na fotografii 14).

Fotografia 14. Pirometr typu dual wavelength (https://t.ly/jG0J)
Rysunek 18. Zasada działania pirometrów pracujących w trybie ratiometrycznym. Źródło: https://t.ly/jG0J

Należy dodać, że w ramach pirometrów ratiometrycznych istnieje dalszy podział pod względem sposobu technicznej realizacji pomiaru. Urządzenia typu dual wavelength pyrometer wykorzystują czujniki zbliżone do tych, które opisaliśmy wcześniej przy okazji omawiania tematu sensorów gazowych. Ich wadą jest brak odporności na zaburzenia natury geometrycznej w polu detekcji (np. ruch obiektu lub niekompletne wypełnienie obszaru obrazowania przez mierzony obiekt - patrz rysunek 19).

Rysunek 19. Ilustracja źródeł artefaktów, wpływających na dokładność pomiaru za pomocą pirometrów pracujących w trybie ratiometrycznym (https://t.ly/1R8y)

Czujniki oparte na technologii two-color pozwalają zredukować wpływ tego typu błędów - w tym przypadku promieniowanie przechodzi bowiem przez jedną ze struktur i pada na drugą, umieszczoną pod poprzednią w formie tzw. kanapki (rysunek 20).

Rysunek 20. Schemat budowy struktury czujnika podczerwieni typu two-color (https://t.ly/_xhX)

Jeszcze dalej poszli twórcy pirometrów typu multi-wavelength. W tym przypadku pomiar jest jednocześnie dokonywany w kilku wąskich pasmach podczerwieni, co umożliwia bardzo efektywną redukcję wpływu zmian emisyjności i to - co niezwykle ważne - nawet dla tych materiałów, w których parametr ten nie jest jednakowy, ale zmienia się w zależności od długości fali wykorzystywanej do pomiaru. Innymi słowy, pirometry "wielospektralne" doskonale radzą sobie z tzw. ciałami nieszarymi, np. rozmaitymi metalami kolorowymi. Przykładowo - pirometry z serii MW/MWF marki Williamson (fotografia 15) umożliwiają pomiar temperatur w zakresie od 95°C do 2475°C i oferują powtarzalność lepszą niż 1°C, a przy tym mogą pracować w temperaturach otoczenia od -17°C do +65°C.

Fotografia 15. Profesjonalne pirometry w wersji podstawowej (po lewej) oraz z sondą światłowodową (po prawej) - seria MW/MWF marki Williamson (https://t.ly/XX2V)

Podsumowanie

W artykule zaprezentowaliśmy pierwszą część materiału poświęconego nowoczesnym czujnikom pracującym w paśmie podczerwieni. Warto mieć na uwadze, że - o ile czujniki termostosowe, w swojej podstawowej formie, stanowią niezwykle ważną grupę elementów (szczególnie w aplikacjach profesjonalnych), to stawiane przez nie wymagania dotyczące implementacji układowej (czuły, precyzyjny wzmacniacz niskoszumowy, przetwornik ADC o wysokiej rozdzielczości, itd.) sprawiają, że w wielu przypadkach znacznie wygodniejszym rozwiązaniem okaże się zastosowanie gotowego, scalonego czujnika temperatury. Omówieniem takich właśnie elementów rozpoczniemy trzecią część naszego cyklu, w ramach której opiszemy ponadto detektory piroelektryczne oraz kamery termowizyjne.

inż. Przemysław Musz, EP

Artykuł ukazał się w
Elektronika Praktyczna
kwiecień 2023
Elektronika Praktyczna Plus lipiec - grudzień 2012

Elektronika Praktyczna Plus

Monograficzne wydania specjalne

Elektronik listopad 2025

Elektronik

Magazyn elektroniki profesjonalnej

Raspberry Pi 2015

Raspberry Pi

Wykorzystaj wszystkie możliwości wyjątkowego minikomputera

Świat Radio listopad - grudzień 2025

Świat Radio

Magazyn krótkofalowców i amatorów CB

Automatyka, Podzespoły, Aplikacje listopad - grudzień 2025

Automatyka, Podzespoły, Aplikacje

Technika i rynek systemów automatyki

Elektronika Praktyczna listopad 2025

Elektronika Praktyczna

Międzynarodowy magazyn elektroników konstruktorów

Elektronika dla Wszystkich grudzień 2025

Elektronika dla Wszystkich

Interesująca elektronika dla pasjonatów