Kontroler rezystancyjnego ekranu dotykowego z interfejsem USB

Kontroler rezystancyjnego ekranu dotykowego z interfejsem USB

Układ AR1100 to kompaktowy i uniwersalny kontroler dotykowego ekranu rezystancyjnego. Jest wyposażony w interfejs USB, realizuje funkcjonalność USB Plug and Play i może działać jako USB Mouse i USB Digitizer. Układ automatycznie dostosowuje się do ekranu dotykowego o dowolnej wielkości, od 1,5" nawet do 24".

Kontroler AR1100 obsługuje 4, 5 lub 8-przewodowy analogowy panel rezystancyjny z dowolnego ekranu dotykowego różnych producentów. Dynamicznie dostosowuje się do różnych właściwości elektrycznych ekranu dotykowego, takich jak czułość, rezystancja styku i pojemność i zapewnia optymalną wydajność przy minimalnym czasie wdrożenia.

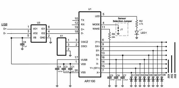
Rysunek 1. Typowa aplikacja układu AR1100

Obsługuje duże wyświetlacze, takie jak w sterownikach przemysłowych, czy terminalach POS, a także mniejsze wyświetlacze podręcznych urządzeń konsumenckich oraz wyroby medyczne.

Rysunek 2. Oprogramowanie do konfiguracji kontrolera AR1100

Kontroler AR1100 jest łatwym w integracji rozwiązaniem o niskich kosztach, z zaletami USB Plug and Play - obsługa myszy USB lub digitizera. Producent dostarcza sterowniki do większości systemów operacyjnych oraz pakiet oprogramowania do konfiguracji, kalibracji i testów.

Rysunek 3. Aplikacja demo do testowania działania kontrolera AR1100

Strona producenta

Strona dystrybutora

Elektronika Praktyczna Plus lipiec - grudzień 2012

Elektronika Praktyczna Plus

Monograficzne wydania specjalne

Elektronik listopad 2025

Elektronik

Magazyn elektroniki profesjonalnej

Raspberry Pi 2015

Raspberry Pi

Wykorzystaj wszystkie możliwości wyjątkowego minikomputera

Świat Radio listopad - grudzień 2025

Świat Radio

Magazyn krótkofalowców i amatorów CB

Automatyka, Podzespoły, Aplikacje listopad - grudzień 2025

Automatyka, Podzespoły, Aplikacje

Technika i rynek systemów automatyki

Elektronika Praktyczna listopad 2025

Elektronika Praktyczna

Międzynarodowy magazyn elektroników konstruktorów

Elektronika dla Wszystkich grudzień 2025

Elektronika dla Wszystkich

Interesująca elektronika dla pasjonatów