Magnetyczny czujnik kąta KMZ60

Magnetyczny czujnik kąta KMZ60

Dokładne, bezkontaktowe i niedrogie rozwiązanie do wykrywania pozycji obrotowej można uzyskać za pomocą magnesu w kształcie krążka przymocowanego do obracającego się obiektu i układu scalonego - specjalizowanego czujnika magnetycznego KMZ60.

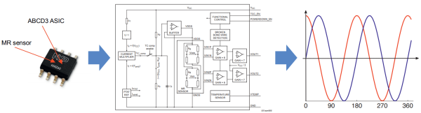
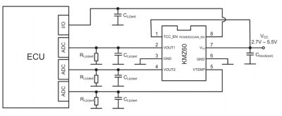
Układ KMZ60 składa się z dwóch mikroczipów w jednej strukturze – magnetycznego czujnika kąta i wzmacniacza. Dostarcza dwa sygnały wyjściowe cosinus i sinus związane z kątem wirującego pola magnetycznego. Zakres napięcia wyjściowego jest proporcjonalny do napięcia zasilania. Zapewnia wysoką precyzję sygnału i konfigurowaną kompensację współczynników temperaturowych. Na rysunku 1 został pokazany schemat blokowy układu oraz przebiegi wyjściowe, rysunek 2 pokazuje podstawową aplikację układu.

Rysunek 1. Schemat blokowy układu KMZ60 oraz przebiegi wyjściowe

Układ doskonale sprawdzi się w takich aplikacjach, jak:

  • komutacja silnika BLDC,
  • elektroniczne wspomaganie kierownicy (EPS),
  • pomiar kąta skrętu,
  • wykrywanie położenia wycieraczek szyby,
  • bezkontaktowy pomiar kąta.
Rysunek 2. Schemat podstawowej aplikacji układu

Dokumentacja układu:
https://bit.ly/3fyqO7k
https://bit.ly/3fado2t

Strona dystrybutora: https://bit.ly/3wkwmJk

Elektronika Praktyczna Plus lipiec - grudzień 2012

Elektronika Praktyczna Plus

Monograficzne wydania specjalne

Elektronik listopad 2025

Elektronik

Magazyn elektroniki profesjonalnej

Raspberry Pi 2015

Raspberry Pi

Wykorzystaj wszystkie możliwości wyjątkowego minikomputera

Świat Radio listopad - grudzień 2025

Świat Radio

Magazyn krótkofalowców i amatorów CB

Automatyka, Podzespoły, Aplikacje listopad - grudzień 2025

Automatyka, Podzespoły, Aplikacje

Technika i rynek systemów automatyki

Elektronika Praktyczna listopad 2025

Elektronika Praktyczna

Międzynarodowy magazyn elektroników konstruktorów

Elektronika dla Wszystkich grudzień 2025

Elektronika dla Wszystkich

Interesująca elektronika dla pasjonatów