Bluetooth 5 System-in-Package

Bluetooth 5 System-in-Package

Moduł RSL10 to kompletne rozwiązanie umożliwiające realizacje komunikacji bezprzewodowej w standardzie Bluetooth 5 o niskim zużyciu energii. Wyposażony jest we wbudowaną antenę, tor radiowy w technologii SoC i wszystkie niezbędne komponenty pasywne w jednej zwartej obudowie więc gwarantuje spełnienie standardów regulacyjnych RF.

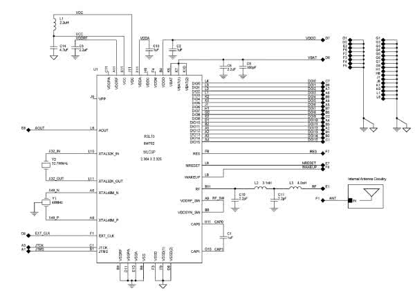
Na rysunku 1 został pokazany typowy schemat aplikacji modułu. Do prawidłowej pracy wymaga tylko kilku elementów biernych. Wydajna architektura dwurdzeniowa jest uzupełniona o pamięć FLASH i RAM, system DMA i pełny zestawem urządzeń peryferyjnych i interfejsów.

Rysunek 1. Typowy schemat aplikacji modułu

Dodatkowo charakteryzuje się wysokowydajną jednostką zarządzania energią. Moduł RSL10 można wprowadzić w tryb głębokiego uśpienia, gdy nie są wymagane żadne czynności. Pobór prądu wynosi wtedy ok 50 nA (przy zasilaniu 1,25 V).

Dokumentacja modułu: https://bit.ly/3cJ6n7k

Strona dystrybutora: https://bit.ly/3sPe7dK

Elektronika Praktyczna Plus lipiec - grudzień 2012

Elektronika Praktyczna Plus

Monograficzne wydania specjalne

Elektronik listopad 2025

Elektronik

Magazyn elektroniki profesjonalnej

Raspberry Pi 2015

Raspberry Pi

Wykorzystaj wszystkie możliwości wyjątkowego minikomputera

Świat Radio listopad - grudzień 2025

Świat Radio

Magazyn krótkofalowców i amatorów CB

Automatyka, Podzespoły, Aplikacje listopad - grudzień 2025

Automatyka, Podzespoły, Aplikacje

Technika i rynek systemów automatyki

Elektronika Praktyczna listopad 2025

Elektronika Praktyczna

Międzynarodowy magazyn elektroników konstruktorów

Elektronika dla Wszystkich grudzień 2025

Elektronika dla Wszystkich

Interesująca elektronika dla pasjonatów