Sterowanie gestami 3D

Sterowanie gestami 3D

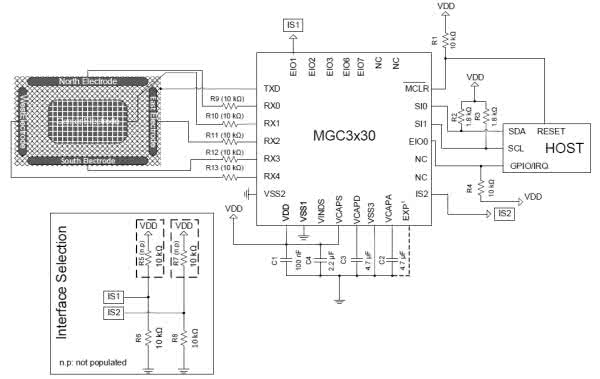
MGC3030 to jednoukładowy kontroler sterowania gestami 3D umożliwiający budowanie interfejsów użytkownika opartych na gestach. Układ wykorzystuje pole elektryczne do trójwymiarowego rozpoznawania gestów bazując na opatentowanej przez Microchip technologii GestIC.

Technologia GestIC umożliwia wprowadzanie poleceń użytkownika przez naturalne ruchy dłoni w wolnej przestrzeni. Gesty to znaczące ruchy dłoni, takie jak obracanie w celu przyciemnienia świateł (koło powietrzne) lub ruchy w celu przejścia do następnego utworu. Układ MGC3030 oferuje najkrótszy cykl rozwoju implementacji gestów.

Rysunek 1. Typowa aplikacja układu MGC3030

Poradniki projektowe, kod referencyjny hosta, przewodnik komunikacji I2C, a także samouczki wideo są dostarczane przez firmę Microchip. Oprócz gestów 3D, MGC3030 oferuje również wykrywanie dotyku (Sensor Touch) i wykrywanie bliskości, przy jednoczesnym niskim poborze mocy.

Strona produktu: http://bit.ly/3pVcau5

Dokumentacja techniczna: https://bit.ly/3r0AdsI

Zestaw rozwojowy: http://bit.ly/3kpYTZb

Elektronika Praktyczna Plus lipiec - grudzień 2012

Elektronika Praktyczna Plus

Monograficzne wydania specjalne

Elektronik listopad 2025

Elektronik

Magazyn elektroniki profesjonalnej

Raspberry Pi 2015

Raspberry Pi

Wykorzystaj wszystkie możliwości wyjątkowego minikomputera

Świat Radio listopad - grudzień 2025

Świat Radio

Magazyn krótkofalowców i amatorów CB

Automatyka, Podzespoły, Aplikacje listopad - grudzień 2025

Automatyka, Podzespoły, Aplikacje

Technika i rynek systemów automatyki

Elektronika Praktyczna listopad 2025

Elektronika Praktyczna

Międzynarodowy magazyn elektroników konstruktorów

Elektronika dla Wszystkich grudzień 2025

Elektronika dla Wszystkich

Interesująca elektronika dla pasjonatów