Praktyczne aplikacje scalonych układów AFE (3). Przegląd układów AFE do akwizycji sygnałów bioelektrycznych

Praktyczne aplikacje scalonych układów AFE (3). Przegląd układów AFE do akwizycji sygnałów bioelektrycznych
Pobierz PDF Download icon

W poprzednim odcinku Poradnika Implementacji opisaliśmy podział funkcjonalny układów AFE oraz zaprezentowaliśmy fizyczne i techniczne podstawy pomiaru sygnałów bioelektrycznych, generowanych przez ludzkie ciało. Tym razem przyjrzymy się konkretnym układom z oferty potentatów rynku półprzewodnikowego, przeznaczonym do zastosowań w stopniach wejściowych elektrokardiografów, elektroencefalografów i innych urządzeń medycznych tego typu.

ECG, czyli krótka historia rozwoju medycznych AFE

Bez zbędnej przesady można stwierdzić, że drogę do rozwoju układów AFE do zastosowań bioelektrycznych utorowały dwie firmy – Texas Instruments i Analog Devices. Przed wprowadzeniem na rynek pierwszego medycznego AFE noty aplikacyjne i projekty referencyjne, jakie można do dziś znaleźć w repozytoriach TI i ADI dotyczące układów wejściowych EKG, opierały się na bardziej dyskretnych rozwiązaniach – dobrym przykładem będzie doskonały artykuł pt. „ECG Front-End Design is Simplified with MicroConverter”, opublikowany w periodyku „Analog Dialogue” nr 37/11 z listopada 2003 roku. Projekt bazował na analogowym mikrokontrolerze ADuC842 i wykorzystywał stopień wejściowy z kultowym wzmacniaczem pomiarowym AD620A.

Dopiero układy ADS129x i ADAS1000, wprowadzone na rynek odpowiednio 11 i 9 lat temu, zapoczątkowały wyścig technologiczny na polu układów przeznaczonych do akwizycji biosygnałów. Co ciekawe, choć firma Analog Devices wprowadziła jeszcze dwa inne front-endy biosygnałowe oraz kilka nowych wersji układu ADAS1000, to w pewien sposób i tak wypadła nieco z obiegu, dając się wyprzedzić (pod względem szerokości oferty układów biosygnałowych) swojemu największemu konkurentowi, czyli marce Texas Instruments.

O tym, jak skomplikowany i wymagający jest obszar układów AFE do zastosowań medycznych, mogły się niejednokrotnie przekonać inne firmy, które próbowały wdrożyć własne rozwiązania – jako przykład można wskazać front-end HM301D, opracowany przez STMicroelectronics. Układ ten, jakkolwiek bardzo ciekawy pod względem technologicznym i funkcjonalnym (3 kanały biosygnałowe, opcja pomiaru bioimpedancji w trybie 2- i 4-przewodowym, wbudowany demodulator IQ i układy detekcji impulsów rozrusznika), został zaprezentowany 1 kwietnia 2014 i (jak na złość – czyżby klątwa primaaprilisowa?) doczekał się zaledwie czterech kolejnych rewizji noty katalogowej, po czym zniknął z rynku szybciej, niż się pojawił. Zyskał status obsolete i od 2015 nie jest już dalej rozwijany w swojej pierwotnej formie.

Także inny niskomocowy front-end EKG, układ LMP90507 produkcji Texas Instruments, nie odniósł sukcesu rynkowego, a o jego istnieniu można dowiedzieć się jedynie dzięki materiałom zaindeksowanym w przepastnych archiwach Internetu. Przykłady konstrukcji, które nie utrzymały się na rynku, można mnożyć, ale zamiast tego zajmiemy się przedstawieniem tych modeli układów, które mają się dobrze i nieprzerwanie służą konstruktorom aparatury medycznej. Na początek przedstawimy rodzinę ADAS1000-x.

ADAS1000 – podstawowa funkcjonalność

Układ ADAS1000 w ciągu 9 lat od swojej rynkowej premiery doczekał się czterech remiksów o oznaczeniach zakończonych przyrostkami -1, -2, -3 i -4 i… funkcjonalności ograniczonej względem pierwotnej wersji (tabela 1). Dokładniej omówimy zatem najbardziej rozwiniętą edycję, na której bazują wszystkie nowsze układy z tej rodziny.

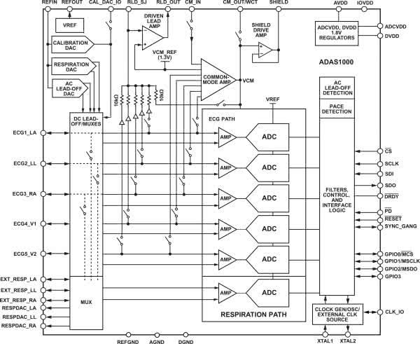
Rysunek 1. Schemat blokowy układu ADAS1000

Na rysunku 1 został pokazany uproszczony schemat funkcjonalny front-endu ADAS1000. Układ zawiera 5 identycznych bloków, złożonych ze wzmacniaczy instrumentalnych typu PGA (o wzmocnieniu regulowanym w dość nietypowej sekwencji 1,4; 2,1; 2,8; 4,2 V/V) oraz 18-bitowych przetworników ADC typu SAR. Warto zaznaczyć, że w rzeczywistości są to 14-bitowe przetworniki o częstotliwości próbkowania 2 MHz, ale nadpróbkowanie umożliwia dojście do 18, a nawet 19 bitów (przy znacznym obniżeniu prędkości akwizycji).

Wejścia wzmacniaczy są połączone ze złożonym multiplekserem, pozwalającym na uzyskanie z pojedynczego układu ADAS1000 lub ADAS1000-1 aż 8 odprowadzeń EKG – oprócz kończynowych w układzie Einthovena I, II i III, multiplekser pozwala też na uzyskanie pomiaru dwóch unipolarnych odprowadzeń przedsercowych. Wszystko to dzięki sprzętowemu wsparciu generowania potencjału zerowego Wilsona (WCT). Należy wiedzieć, że układ ADAS1000 nie obsługuje sprzętowego wyznaczania sygnałów odprowadzeń wzmocnionych Goldbergera (aVR, aVL, aVF). Nie ma jednak problemu z wyliczeniem ich cyfrowo, już na etapie postprocessingu w oprogramowaniu nadrzędnego procesora.

W tabeli 2 zostały pokazane ogólne wzory na wyznaczenie poszczególnych odprowadzeń na podstawie sygnału z elektrod kończynowych (których potencjały oznaczono w tabeli jako LA – lewa k. górna, RA – prawa k. górna, LL – lewa k. dolna) i przedsercowych (V1, V2). Wbudowany rdzeń obliczeniowy pozwala na wykonanie cyfrowej kalkulacji sygnałów kilku podstawowych odprowadzeń, niejako zamiast klasycznego przetwarzania analogowego z użyciem odpowiednich ustawień multipleksera wejściowego i odejmowania bezpośrednio na wzmacniaczu instrumentalnym. Lista trybów pracy układu ADAS1000 jest wprost imponująca, co bez wątpienia czyni go jednym z najlepiej przemyślanych front-endów.

Rozbudowa systemu w trybie master-slave na bazie układów ADAS1000

O ile sam układ ADS1000 (-1) nie umożliwia pomiaru kompletnego, 12-odprowadzeniowego (klinicznego) EKG, to producent przewidział możliwość rozszerzenia systemu poprzez dodanie drugiego układu w konfiguracji master-slave (za pośrednictwem wspólnej szyny SPI). Co więcej, powstała w tym celu nawet specjalna wersja – układ ADAS1000-2 jest okrojoną edycją, zdolną do pracy wyłącznie w trybie podrzędnym (slave) i w połączeniu z dowolną spośród pozostałych wersji ADAS1000(-x) tworzy kompletny układ wejściowy klasycznego elektrokardiografu. ADAS1000-2 nie zawiera zatem części bloków funkcjonalnych, które występują w całym systemie, tylko pojedynczo – np. układu sterowania na prawą nogę (RLD), obwodów pomiaru akcji oddechowej czy też detekcji impulsów implantowalnego rozrusznika.

Funkcje specjalne EKG zaimplementowane w układzie ADAS1000

Układ ADAS1000 zawiera w swojej strukturze szereg bloków peryferyjnych znakomicie upraszczających konstrukcję urządzeń EKG, redukujących jej koszty i ograniczających rozmiary PCB. Jednym z najważniejszych jest wzmacniacz sygnału wspólnego (common-mode amplifier), z którego korzysta nie tylko funkcja wyznaczania sygnałów poszczególnych odprowadzeń (przypominamy, że na sumowaniu sygnałów z elektrod bazuje wyznaczanie centralnego potencjału Wilsona dla odprowadzeń unipolarnych), ale także obwody tzw. aktywnego ekranu (shield drive amp). Układ ten umożliwia „wpuszczenie z powrotem do ekranu” (znajdującego się w przewodzie pacjenta) sygnału wspólnego – jest to efektywna metoda redukcji zakłóceń przenoszonych drogą pojemnościową, co ma duże znaczenie przy sporej długości przewodów stosowanych w klinicznych elektrokardiografach.

Warto zwrócić uwagę, że od strony metodologicznej funkcja ta jest nieco zbliżona do RLD, przy czym driver ekranu aktywnego nie wymaga odwracania sygnału (bufor ekranu jest w rzeczywistości wtórnikiem), a ponadto RLD wykorzystuje bezpośrednie galwaniczne połączenie z ciałem pacjenta, podczas gdy ekran pozostaje rzecz jasna niepołączony z ochranianymi przez niego żyłami przewodu sygnałowego.

Kolejnym niezwykle użytecznym blokiem funkcjonalnym jest 10-bitowy przetwornik kalibracyjny DAC. Oprócz wytwarzania napięcia stałego o zadanym poziomie (w zakresie od 0,3 do 2,7 V) może on także generować przebiegi prostokątne (1 mVpp) i sinusoidalne (1 mV), niezbędne do testowania dynamiki toru analogowego AFE. ADAS1000 oferuje ponadto nieulotne rejestry konfiguracyjne przechowujące stałe do kalibracji wzmocnień PGA.

Detekcja odłączenia elektrod została zaimplementowana w układzie ADAS1000 na dwa sposoby. Tryb stałoprądowy (DC lead-off detection), którego zasadę działania opisaliśmy w poprzedniej części Poradnika Implementacji, wykorzystuje nanoprądowe źródła ustawiane cyfrowo w zakresie od 0 nA (funkcja wyłączona) do 70 nA (z krokiem co 10 nA). Tryb AC może pracować z sygnałami przemiennymi o wartości RMS równej 12,5 nA, 25 nA, 50 nA lub 100 nA.

Obwody detekcji artefaktów impulsowych, wynikających z pracy implantowanych rozruszników serca, działają w oparciu na sprzętowej, 16-bitowej maszynie stanów pracującej z częstotliwością 128 kHz. Dzięki wysokiej częstotliwości próbkowania, front-end może wykrywać impulsy o długości od 100 µs do 2 ms. W strukturze układu znajdują się trzy osobne maszyny, które mogą pracować równocześnie z dowolnie wybranymi spośród następujących odprowadzeń: I, II, III lub aVF. Przebieg typowego, bifazowego impulsu rozrusznika przedstawiono schematycznie na rysunku 2.

Rysunek 2. Kształt typowego impulsu sztucznego rozrusznika serca

Rejestry konfiguracyjne układu ADAS1000 zostały opracowane w sposób niebywale ułatwiający realizację zadań stawianych przed konstruktorami urządzeń biosygnałowych. Warto zwrócić uwagę choćby na implementację filtrów dolnoprzepustowych, które za pomocą zaledwie dwóch bitów rejestru FILTCTL można ustawić na najczęściej spotykane wartości: 40 lub 150 Hz (rejestratory holterowskie, monitorowanie parametrów życiowych), a nawet 250 Hz lub wreszcie 450 Hz (diagnostyka spoczynkowa i zastosowania laboratoryjne).

Blok detektora akcji oddechowej w układzie ADAS1000

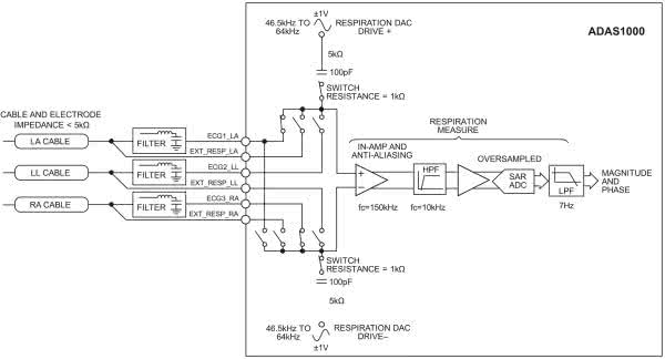
Rozbudowany układ pomiaru akcji oddechowej (rysunek 3) opiera swoje działanie na zmianach impedancji bioelektrycznej klatki piersiowej, wynikających z rytmicznego rozprężania płuc i okolicznych tkanek (ścian klatki piersiowej, opłucnej). Programowalna częstotliwość sygnału testowego (sondującego) może wynosić od 46,5 kHz do 64 kHz, a za jej generowanie odpowiada dedykowany przetwornik DAC. Sygnał, zmodulowany amplitudowo przez zmiany bioimpedancji klp., jest następnie wzmacniany w specjalnym, szybkim wzmacniaczu pomiarowym, filtrowany górnoprzepustowo i demodulowany synchronicznie, a na końcu filtrowany dolnopasmowo przez wbudowane obwody front-endu. Wynikiem działania układu są dane o amplitudzie i fazie sygnału, zapisane w dwóch 24-bitowych rejestrach o nazwach – odpowiednio – RESPMAG i RESPPH.

Rysunek 3. Schemat blokowy obwodów detektora akcji oddechowej zastosowanych w układzie ADAS1000

Konieczność zastosowania sprzężenia zmiennoprądowego oraz rozdzielenia sygnałów EKG i bioimpedancyjnych w domenie częstotliwości wymusza użycie zewnętrznych obwodów RC, co jest zresztą typowe także dla front-endów EKG innych producentów. Jako elektrody testowe mogą być użyte dwie spośród elektrod kończynowych (RA, LA, LL), choć możliwe jest też użycie dedykowanych wejść EXT_RESP_RA, EXT_RESP_LA i/lub EXT_RESP_LL. Sygnały przemienne są generowane w sposób różnicowy, osobno (w przeciwfazie) dla każdej z elektrod wykorzystanych do podłączenia ścieżki sygnałowej układu RESP do ciała pacjenta.

Texas Instruments – najbogatsza oferta biosygnałowych AFE do zastosowań klinicznych

Firma Texas Instruments szturmem wkroczyła na rynek medycznych układów AFE, wprowadzając dwie serie produktów przeznaczonych do aplikacji EKG: ADS119x oraz ADS129x. Różnice pomiędzy poszczególnymi układami to przede wszystkim liczba kanałów pomiarowych (od 1 do 8), rozdzielczość przetworników ADC (16 lub 24 bit) oraz obecność bloku bioimpedancyjnego detektora oddechu. Schemat nazewniczy jest przejrzysty – druga cyfra oznaczenia liczbowego oznacza rozdzielczość ADC (1 – 16 bitów, 2 – 24 bity), czwarta – liczbę kanałów, zaś dodatkowa litera R na końcu nazwy modelu układu wskazuje obecność funkcji monitorowania oddechu.

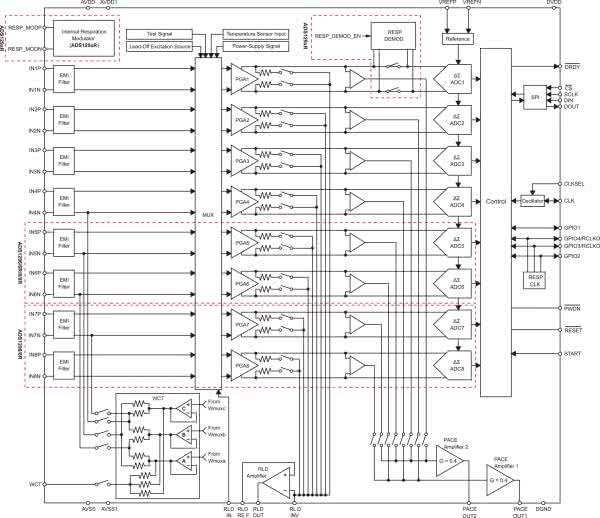
Wyjątkiem, który omówimy w dalszej części artykułu, jest rodzina układów ADS1299(-x), które wyróżniają się na tle wszystkich innych front-endów biosygnałowych doskonałymi parametrami szumowymi, predestynującymi je do zastosowań w elektroencefalografii oraz innych badaniach biomedycznych (i nie tylko), które wymagają wysokiej rozdzielczości i sporego zakresu wzmocnienia. Przekrój portfolio front-endów bioelektrycznych z oferty TI został pokazany w tabeli 3, zaś dla lepszego obrazu omówimy tutaj dokładniej trzy spośród nich: najbardziej rozbudowany front-end EKG, czyli ADS1298R (porównywany najczęściej z konkurencyjnym ADAS1000), a także najprostszy jego odpowiednik (ADS1191) i flagowca – czyli wspomniany już wcześniej układ AFE o oznaczeniu ADS1299.

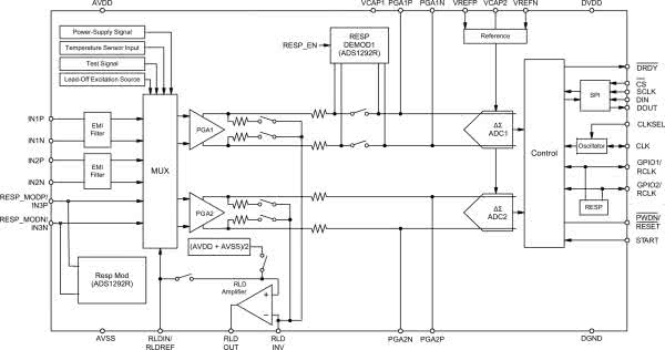
ADS1298R – sztandarowy front-end elektrokardiograficzny TI

Układ ADS1298(R) został wprowadzony na rynek jeszcze w 2010 roku i od tamtej pory cały czas doskonale radzi sobie na rynku jako jeden z najpopularniejszych front-endów biosygnałowych. Uznawany często za bezpośredniego konkurenta ADAS1000, oferuje niemal 2,5-krotnie niższy poziom szumu wejściowego (jedynie 4 µVpp w paśmie 150 Hz w porównaniu do około 10 µV @ 130 Hz w przypadku konkurenta od ADI), więcej kanałów pomiarowych (8 zamiast 5) i niższy pobór mocy (około 4,3...6,2 mW w porównaniu do około 21...31 mW, w obu przypadkach mowa o trybie low-power i zasilaniu domeny analogowej napięciem na poziomie 3...3,3 V, przy włączonym wzmacniaczu RLD i detektorach impulsów rozrusznika). Różnice jakościowe są też widoczne na poziomie wewnętrznego źródła napięcia odniesienia – o ile układ Texas Instruments oferuje nieco gorszą stabilność temperaturową (35 ppm/°C w porównaniu do 10 ppm/°C dla ADI), to jego bazowa tolerancja wynosi 0,2% (przy analogicznym parametrze dla ADAS1000 równym 0,8%).

Rysunek 4. Schemat funkcjonalny rodziny układów ADS1294(R), ADS1296(R) i ADS1298(R)

Zasadnicza funkcjonalność układu ADS1298R, którego schemat funkcjonalny został pokazany na rysunku 4, jest mocno zbliżona do omówionego wcześniej ADAS1000, jednak w żadnym wypadku nie należy traktować obu układów jako funkcjonalnych zamienników. Do różnic należy fakt, że produkt TI nie oferuje wbudowanego drivera aktywnego ekranu, ma za to wewnętrzny czujnik temperatury. Układy ADS129x nie zawierają też sprzętowych rozwiązań wspierających detekcję impulsów rozrusznika; zamiast tego w strukturze front-endów zaimplementowano dedykowane wzmacniacze, pozwalające na podłączenie zewnętrznych układów detekcji, choć producent sugeruje też możliwość wykorzystania wysokich częstotliwości próbkowania (od 8 kSps w górę) i detekcji cyfrowej w oprogramowaniu procesora nadrzędnego. Konstruktorzy z firmy TI zdecydowali się ponadto na użycie przetworników w topologii delta-sigma, zamiast użytych przez ADI układów typu SAR.

Takie rozwiązanie wiąże się jednak z nieuchronnym kompromisem pomiędzy prędkością akwizycji a poziomem szumów i rozdzielczością efektywną – wzrost prędkości próbkowania skutkuje spadkiem jakości sygnału, co w aplikacjach klinicznych może stanowić istotny problem. Przykładowo, o ile przy prędkości próbkowania rzędu 1 kSps (w zupełności wystarczającej w większości zastosowań klinicznych) i wzmocnieniu PGA równym 1 V/V poziom szumu międzyszczytowego wynosi 19 µV, o tyle dla częstotliwości 8 kSps wartość tego parametru rośnie już do 111 µV (prawie 6-krotnie – tabela 4). Ma to duże znacznie dla funkcjonowania elektrokardiografu, zważywszy na fakt, że załamek P – tak istotny w analizie elektrokardiogramów zarówno w zastosowaniach ratunkowych, jak i diagnostycznych – zwykle nie przekracza amplitudy 250 µV. Przykład ten doskonale ilustruje, jak silnie parametry front-endu wpływają na diagnostyczną wartość urządzenia jako całości.

Rysunek 5. Schemat multipleksera pojedynczego kanału w układach z rodziny ADS129x(R)

Skomplikowany multiplekser stosowany w układach z rodziny ADS129x umożliwia zestawianie wszystkich połączeń niezbędnych zarówno do pomiarów poszczególnych odprowadzeń, jak i realizacji wszelkich dodatkowych funkcji (w tym kalibracyjnych) oferowanych przez front-end. Schemat blokowy multipleksera dla pojedynczego kanału (PGA + ADC) został pokazany na rysunku 5. Co ciekawe, firma Texas Instruments zaimplementowała nawet tak zaawansowane funkcje, jak pomiar sygnału RLD (za pomocą dowolnego z kanałów wejściowych). Choć w normalnych warunkach pracy funkcja taka nie jest konieczna, to producent przewidział ją do celów rozwojowych (ale może być wykorzystana także w ramach zaawansowanej autodiagnostyki urządzenia).

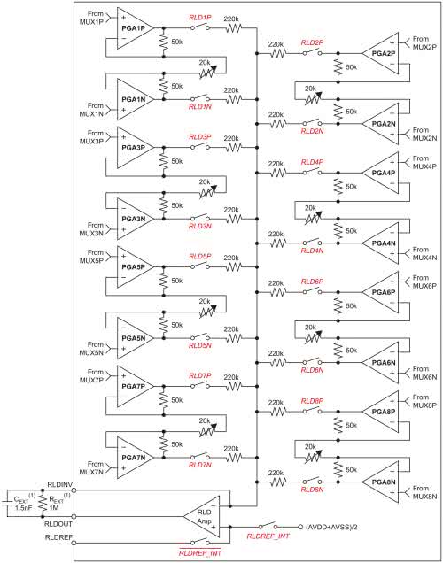
Rysunek 6. Schemat sekcji RLD w układach z rodziny ADS129x(R)

System generowania napięcia wejściowego dla wzmacniacza RLD jest zresztą sam w sobie dość złożony – sekcję przełączników i wzmacniaczy różnicowych, umożliwiających podłączanie sygnałów z poszczególnych kanałów (zarówno z ich wejść odwracających, jak i nieodwracających), pokazano na rysunku 6. Konstruktorzy omawianych układów AFE przewidzieli nawet… możliwość dynamicznego przełączenia sygnału RLD na jedną z elektrod wejściowych w przypadku, gdyby np. właściwy przewód RLD odłączył się od ciała pacjenta – przykładowa konfiguracja tego typu dla wejścia IN8N została pokazana na rysunku 7.

Rysunek 7. Awaryjne przełączenie wyjścia RLD na wejście nr IN8N w układzie ADS1298(R)

Rozbudowany układ multiplekserów zastosowano także do wyznaczania centralnego potencjału Wilsona (WCT). Trzy analogowe selektory 8:1 współpracujące z niezależnymi wtórnikami napięciowymi umożliwiają niemal dowolną konfigurację podłączenia elektrod kończynowych w zakresie od wejścia IN1 do IN4 (łącznie 8 linii, z uwzględnieniem różnicowego charakteru wejść kanałów pomiarowych). Wyjścia wtórników zostały zsumowane pasywnie za pomocą wewnętrznych rezystorów, zaś sygnał WCT jest dostępny na zewnętrznym wyprowadzeniu układu (pin nr 64 w obudowie TQFP lub 3D w obudowie NFBGA).

Warto dodać, że w układach ADS1298(R) przewidziano sprzętowe wsparcie do wyznaczania sygnału odprowadzeń wzmocnionych Goldbergera. Co ciekawe, aby wykonać taką operację w domenie analogowej (nie zaś poprzez obliczenie cyfrowe na podstawie odprowadzeń kończynowych), można z powodzeniem wykorzystać te same wtórniki, które wykorzystywane są do wyznaczenia sygnału WCT – konfigurację taką zaprezentowano na rysunku 8.

Rysunek 8. Analogowe obliczenie odprowadzeń wzmocnionych Goldbergera za pomocą wtórników podsystemu WCT w układzie ADS1298(R)

Układy ADS1191 i ADS1192(R)

Front-endy z rodziny ADS119x można z powodzeniem traktować jako odchudzone odpowiedniki ADS129x o nieco gorszych parametrach metrologicznych. Oprócz niższej rozdzielczości (16 bitów zamiast 24 bity) układy te charakteryzują się także wyższym poziomem szumu (24 µVpp w porównaniu do 4 µVpp dla ADS1298(R) w tych samych warunkach pomiaru, tj. G=6 V/V, BW=150 Hz) – stąd też inny zakres aplikacji, do jakich dedykowane są opisywane układy. W przypadku rodziny ADS119x głównym obszarem zastosowań będą aplikacje fitnessowe/sportowe, a także (pod pewnymi względami) mniej wymagające urządzenia medyczne – monitory holterowskie, event holtery, urządzenia telemedyczne czy defibrylatory AED [1].

Rysunek 9. Schemat funkcjonalny układów z rodziny ADS1191/2(R)

Schemat blokowy układów ADS1191/ADS1192(R) został pokazany na rysunku 9. Pod względem koncepcyjnym front-endy te mocno zbliżają się do serii ADS129x, umożliwiają zresztą połączenia typu daisy-chain (podobnie jak ich większe odpowiedniki) w celu zwiększenia liczby kanałów (wątpliwe jednak pozostaje, czy w przypadku tej serii produktów połączenie takie miałoby jakikolwiek sens, zważywszy na fakt, że dostępne są, również 16-bitowe, wersje ADS1194/6/8).

Wersja ADS1192R umożliwia pomiar akcji oddechowej, co wymaga podłączenia zewnętrznej sieci elementów pasywnych (RC) według schematu pokazanego na rysunku 10. Zmiennoprądowe sprzężenie za pomocą kondensatorów C2/C6 pozwala na podawanie wysokoczęstotliwościowego przebiegu wewnętrznego modulatora za pomocą tej samej pary elektrod, która wykorzystywana jest do akwizycji sygnałów EKG. Co ważne, uruchomienie funkcji RESP uniemożliwia użycie kanału IN1 jako standardowego wejścia EKG.

Rysunek 10. Zewnętrzna sieć elementów pasywnych współpracująca z obwodami detekcji fali oddechowej

Układy AFE przeznaczone do aplikacji EEG/Hi-res ECG

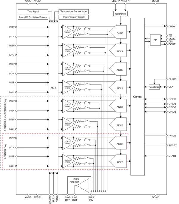
Wspomniana wcześniej rodzina układów AFE przeznaczonych do aplikacji EEG – ADS1299(-x) firmy Texas Instruments, oferuje wielokrotnie lepsze parametry pomiarowe niż najwyższe modele front-endów EKG tego samego producenta. Wyprzedza także wiele innych układów (jeśli nie wszystkie obecne na rynku) znajdujących się w ofertach konkurentów TI. Jak wspomnieliśmy w poprzedniej części cyklu, podstawowa struktura bloków wejściowych jest identyczna w urządzeniach EKG, EEG i aparaturze do akwizycji innych sygnałów elektrofizjologicznych. Taka sama pozostaje także zasada działania wzmacniacza RLD, stąd w serii ADS1299 nie powinna dziwić obecność tego właśnie bloku peryferyjnego, który (zapewne dla nomenklaturowej poprawności) zyskał nazwę bias drive [2].

Schemat funkcjonalny rodziny układów ADS1299(-x) został pokazany na rysunku 11. Wersje ADS1299-4 i ADS1299-6 różnią się od wersji podstawowej liczbą kanałów, zakodowaną w postaci jednocyfrowego przyrostka -x. Układy są wyposażone w wewnętrzne generatory sygnałów testowych (kalibracyjnych), czujniki temperatury oraz detektory odłączenia elektrod. Nie zabrakło precyzyjnego źródła napięcia odniesienia (±0,2%, 35 ppm/°C) oraz wbudowanego oscylatora taktującego część cyfrową i przetworniki ADC typu delta-sigma. Zakres ustawianych (za pomocą rejestrów konfiguracyjnych) częstotliwości próbkowania rozciąga się od 250 Sps do 16 kSps, zaś poziom szumu odniesiony do wejścia i mierzony w paśmie od 0,01 Hz do 70 Hz wynosi zaledwie 1...1,6 µVpp.

Rysunek 11. Schemat funkcjonalny rodziny układów ADS1299(-x)

Współczynnik tłumienia sygnału wspólnego (CMRR) to aż 110...120 dB dla częstotliwości sieciowych 50 i 60 Hz. Nawet wzmacniacz RLD (bias drive) został dopracowany do granic możliwości (jak na scalony front-end o tak bogatej funkcjonalności), oferuje bowiem poziom szumów zaledwie 2 µVrms. Wysoka jakość rejestracji jest okupiona wzrostem poboru mocy względem układu ADS1298, jednak przy tak niskim poziomie szumów wzrost ten nie jest drastyczny – w normalnym trybie pracy nie przekracza 42 mW, dzięki czemu układy ADS1299 mogą być stosowane nawet w aplikacjach z własnym źródłem zasilania (np. rejestratory przenośne).

Prąd wejściowy układu wynosi zaledwie 300 pA, co w połączeniu z wysoką wartością CMRR daje możliwość silnej redukcji artefaktów, powstających na styku elektroda-skóra oraz zakłóceń pochodzenia zewnętrznego (w tym przede wszystkim przydźwięku sieciowego). Możliwe do ustawienia wartości wzmocnienia PGA to: 1, 2, 4, 6, 8, 12 oraz 24 V/V. Co ciekawe i ważne, układy ADS1299 są kompatybilne pod względem pinoutu z elektrokardiograficzną rodziną ADS129x, dzięki czemu konstruktorzy urządzeń medycznych mogą dość swobodnie eksperymentować z obiema podgrupami front-endów.

Podsumowanie

W tej części cyklu poświęconego front-endom analogowym przedstawiliśmy przykłady układów AFE przeznaczonych do aplikacji elektrokardiograficznych i elektroencefalograficznych, obecnych w ofertach czołowych producentów – firm Texas Instruments oraz Analog Devices. Nie oznacza to jednak, że temat został wyczerpany – w Internecie można bowiem trafić na opisy układów innych marek, które jednak są zdecydowanie mniej znane, trudniej dostępne, a zwykle także wielokrotnie droższe. Celowo pominęliśmy też układy EKG przeznaczone do mniej wymagających aplikacji typu wearable, a także złożone, wielofunkcyjne front-endy, umożliwiające pomiary innego typu (np. PPG) – tymi układami zajmiemy się bowiem w kolejnych odcinkach Poradnika Implementacji.

inż. Przemysław Musz
przemyslaw.musz@ep.com.pl

  1. Określenie „mniej wymagające” dotyczy w tych przypadkach liczby kanałów i wymagań dot. rozdzielczości oraz poziomu szumów. Przykładowo, monitory holterowskie czy rejestratory zdarzeń (event holtery) mogą pracować z silniejszą filtracją dolnoprzepustową niż stacjonarne aparaty 12-odprowadzeniowe, od których zwykle oczekuje się wyższej szczegółowości rejestrowanych sygnałów. Podobna sytuacja jest w przypadku automatycznych defibrylatorów AED – o ile od strony bezpieczeństwa funkcjonalnego urządzenia te są niezwykle wymagające, o tyle do poprawnej pracy nie potrzebują one wielokanałowej rejestracji EKG w wysokiej rozdzielczości; akwizycja jest bowiem prowadzona tylko w jednym odprowadzeniu, a cel rejestracji to wykrycie i klasyfikacja ciężkich zaburzeń rytmu nadających się (lub nie) do defibrylacji, nie zaś szczegółowa diagnostyka biosygnałowych niuansów.
  2. Uważny Czytelnik zauważy, że w nocie katalogowej ADS1299, w sekcji Application Information, przykładowy pseudokod w sekcji 10.1.2.2 zatytułowanej Bias Drive korzysta z nazw rejestrów RLD_SENSP i RLD_SENSN, znanych z front-endów elektrokardiograficznych. Jest to jednoznaczny dowód, że układ ADS1299 jest w rzeczywistości zaadaptowaną wersją ADS1298, pozbawioną typowo elektrokardiograficznych funkcji i „podkręconą” pod względem parametrów szumowych oraz zakresu dostępnych wzmocnień PGA. Sam blok bias drive jest jednak niczym innym, jak inaczej nazwanym RLD – w przypadku urządzeń EEG elektroda pełniąca funkcję sterowania na prawą nogę jest bowiem zwykle podłączana na czole pacjenta, stąd określenie right leg drive wydaje się nieco tracić swój językowy sens.
Artykuł ukazał się w
Elektronika Praktyczna
maj 2021
DO POBRANIA
Pobierz PDF Download icon
Elektronika Praktyczna Plus lipiec - grudzień 2012

Elektronika Praktyczna Plus

Monograficzne wydania specjalne

Elektronik listopad 2025

Elektronik

Magazyn elektroniki profesjonalnej

Raspberry Pi 2015

Raspberry Pi

Wykorzystaj wszystkie możliwości wyjątkowego minikomputera

Świat Radio listopad - grudzień 2025

Świat Radio

Magazyn krótkofalowców i amatorów CB

Automatyka, Podzespoły, Aplikacje listopad - grudzień 2025

Automatyka, Podzespoły, Aplikacje

Technika i rynek systemów automatyki

Elektronika Praktyczna listopad 2025

Elektronika Praktyczna

Międzynarodowy magazyn elektroników konstruktorów

Elektronika dla Wszystkich grudzień 2025

Elektronika dla Wszystkich

Interesująca elektronika dla pasjonatów