Praktyczne aplikacje scalonych układów AFE (1). Zalety, wady i obszary zastosowań

Praktyczne aplikacje scalonych układów AFE (1). Zalety, wady i obszary zastosowań
Pobierz PDF Download icon

Przywykliśmy do zgrubnego podziału układów scalonych na kilka kategorii – analogowe, cyfrowe, mieszane (w tym przede wszystkim przetworniki A/C i C/A), a także radiowe (RF). Istnieje też szczególna kategoria produktów – mowa o układach AFE (analog front-end), niezwykle przydatnych i atrakcyjnych zarówno z finansowego, jak i użytkowego punktu widzenia. W niniejszym cyklu zaprezentujemy najważniejsze podgrupy tych układów,  przykłady klasycznych oraz nietypowych aplikacji, a także wskażemy praktyczne aspekty wyboru AFE do określonego zastosowania.

Nie ulega wątpliwości, że współczesna elektronika została bezpowrotnie zdominowana przez technologię cyfrową. Co więcej – da się zauważyć, że liczba elektroników specjalizujących się w projektowaniu i optymalizacji układów analogowych, radiowych, a nawet mieszanych (mixed signal) jest mniejsza, niż ekspertów ds. projektowania i programowania systemów wbudowanych. Trudno już dziś znaleźć pozostające w ciągłej produkcji urządzenia, których działanie opierałoby się w całości lub przeważającej części na układach analogowych – wyjątkiem są głównie systemy audio, ale i tutaj przecież technika cyfrowa coraz mocniej wypiera klasyczne układy przetwarzania sygnału.

Z drugiej strony elektronika nie może istnieć bez części analogowej – większość zjawisk fizycznych w otaczającym nas świecie ma przecież charakter ciągły, stąd wszelkie elementy i urządzenia pracujące na styku „rzeczywistości” oraz świata „zer i jedynek” muszą siłą rzeczy opierać się na domenie analogowej.

Domena cyfrowa vs. analogowa – konflikt czy współpraca?

Producenci półprzewodników doskonale zdają sobie sprawę z przemian zachodzących na rynku technologii i z wyprzedzeniem reagują na nowe trendy. Jednym z nich jest postępująca miniaturyzacja oraz idąca za nią integracja coraz większego zakresu funkcjonalności w pojedynczych układach scalonych. Nikogo nie dziwią już przetworniki A/C i C/A, komparatory, a nawet wzmacniacze operacyjne, które znajdujemy w nowoczesnych mikrokontrolerach. Choć w prostszych zastosowaniach takie bloki funkcjonalne doskonale spełniają swoje zadanie, to w przypadku bardziej wymagających aplikacji 10-, 12-, a nawet 16-bitowe przetworniki albo pojedyncze wzmacniacze operacyjne o dość przeciętnych parametrach nie są w stanie zastąpić złożonych układów analogowych, zoptymalizowanych pod kątem konkretnego problemu pomiarowego. Stąd konieczność wprowadzenia bardziej zaawansowanych rozwiązań, takich jak coraz popularniejsze AFE.

AFE – definicja

Mianem analog front-end (AFE) nazywamy w ogólności wszelkiego rodzaju układy, integrujące kilka lub więcej bloków funkcjonalnych, które mają za zadanie pośredniczyć pomiędzy źródłem (lub odbiornikiem) sygnałów analogowych, a resztą urządzenia, a które zwykle wymagały zastosowania szeregu osobnych układów scalonych i elementów dyskretnych. Zdecydowanie najczęściej nazwy AFE używamy w stosunku do układów scalonych w technologii mieszanej (mixed-signal), tj. zawierających zarówno bloki analogowe, jak i cyfrowe.

W większości przypadków AFE dedykowane są do ściśle określonego, przeważnie wąskiego zakresu zastosowań w danej branży.

Zalety AFE w porównaniu z układami dyskretnymi

Za wyborem konkretnej ścieżki projektowej stoi zwykle (a przynajmniej powinien stać) szereg decyzji i analiz, prowadzących do zidentyfikowania optymalnego rozwiązania. Konstruktor, który może zastosować w swoim urządzeniu gotowy front-end analogowy, jest przecież w stanie zbudować analogiczny układ z pojedynczych układów scalonych i garści elementów dyskretnych. Co zatem sprawia, że produkty z kategorii AFE stały się jednym z głównych pól wyścigu technologicznego światowych potentatów z branży półprzewodników? Zbierzmy najważniejsze argumenty przemawiające (w większości przypadków) za wyborem gotowego układu zamiast konstruowania własnego front-endu.

1. Koszty – integracja wielu bloków funkcjonalnych w ramach jednej struktury krzemowej przynosi zarówno bezpośrednie, jak i pośrednie oszczędności. Pierwsze z nich dotyczą kosztów samych elementów – pojedynczy, nawet dość mocno rozbudowany układ scalony jest zwykle wielokrotnie tańszy, niż komplet prostszych układów o zbliżonych parametrach, a przecież należałoby jeszcze doliczyć spory zestaw elementów dyskretnych. Oszczędności pośrednie wiążą się natomiast z kolejną zaletą układów AFE – miniaturyzacją.

2. Miniaturyzacja – drastyczne zmniejszenie powierzchni płytki drukowanej w przypadku przejścia z rozwiązań dyskretnych na AFE jest kluczowe ze względów użytkowych. Przykładowo, budowa ubieralnych urządzeń z funkcją pomiaru szybkości akcji serca – w tym opasek sportowych (smartband), zegarków (smartwatch) i pasów piersiowych – okazałaby się niemożliwa, gdyby cały tor akwizycji i kondycjonowania biosygnałów był budowany z pojedynczych elementów. W tym przypadku miniaturyzacja samego układu AFE jest jednym z istotnych motorów napędowych dla ekspansji całego segmentu urządzeń.

Z drugiej strony, zmniejszenie płytki drukowanej pociąga za sobą mniejsze wymiary obudowy, co przekłada się na kolejne oszczędności – nie jest tajemnicą, że ceny wielowarstwowych płytek o dużej gęstości upakowania elementów rosną dramatycznie wraz z powierzchnią, identyczne zjawisko dotyczy zresztą kubatury samej obudowy. Przykładem układu o niebywałych wprost możliwościach funkcjonalnych w stosunku do fizycznych rozmiarów może być zintegrowany front-end ADPD4100/4101, przeznaczony do wieloparametrowych pomiarów biomedycznych lub przemysłowych. Za pomocą pojedynczego układu scalonego o wymiarach 2,14×3,11 mm (WLCSP w rastrze 0,4 mm (rysunek 1) możliwa jest jednoczesna obsługa tak wysoce zaawansowanych funkcji, jak akwizycja sygnałów EKG, pomiary bioimpedancji, ciśnienia oraz saturacji krwi tętniczej i wielu innych.

Rysunek 1. Obudowa WLCSP układu AFE typu ADPD4100/4101

3. Oszczędność energii – integracja bloków funkcjonalnych pozwala w wielu przypadkach zaoszczędzić na energii, pobieranej przez część analogową ze źródła zasilania. I znów: także w tym przypadku oszczędności opierają się na różnych mechanizmach. Z jednej strony, uwspólnienie niektórych bloków układu w jednej strukturze krzemowej pozwala zmniejszyć ogólny stopień skomplikowania układu, z drugiej strony, zastosowanie niskomocowej technologii CMOS i wysoce zoptymalizowanych struktur analogowych umożliwia dalszą redukcję zarówno statycznego, jak i dynamicznego poboru prądu.

Co więcej, niektóre front-endy odciążają mikrokontroler, oferując wbudowaną pamięć typu FIFO – dzięki temu procesor nie jest zobligowany do ciągłego odczytywania kolejnych próbek sygnału, może bowiem co pewien czas wybudzać się z trybu niskiego poboru mocy w celu odczytania całej zawartości bufora.

4. Powtarzalność i korzyści metrologiczne – kolejna niewątpliwa przewaga scalonych AFE nad samodzielnie budowanymi układami to maksymalizacja dokładności i stabilności pomiarowej.

Dobrym przykładem są tu wejściowe wzmacniacze pomiarowe określane skrótem INAMP (instrumentation amplifier). W ich przypadku jednym z kluczowych parametrów wpływających na jakość pomiarów jest współczynnik tłumienia sygnału wspólnego (CMRR). Parametr ten omówimy szerzej przy okazji opisu front-endów do zastosowań biomedycznych, teraz wspomnimy jedynie, że na CMRR wpływa symetria wartości rezystorów ustalających wzmocnienie tego typu wzmacniacza. Im bardziej zrównoważone są poszczególne pary rezystorów, tym lepiej wzmacniacz radzi sobie z tłumieniem składowej wspólnej sygnału, która zwykle w dużej mierze wynika z niepożądanych zakłóceń (głównie sieciowych).

Scalone wzmacniacze pomiarowe utrzymują nieporównanie lepsze parametry, niż jakiekolwiek rozwiązania dyskretne, a w przypadku układów AFE dodatkowe znaczenie ma obecność wszystkich wzmacniaczy (i innych elementów wymagających wysokiej symetrii) w tej samej strukturze półprzewodnikowej. Wszelkie zmiany temperatury otoczenia układu wpływają jednakowo na wszystkie elementy struktury, co umożliwia uzyskanie bardzo wysokiej stabilności termicznej poprzez odpowiednią kompensację wewnętrzną. Na marginesie warto dodać, że wiele obecnych na rynku front-endów posiada wbudowany czujnik temperatury, który pozwala dodatkowo zwiększyć niezawodność urządzenia, dając możliwość monitorowania warunków pracy płytki drukowanej i to bez ponoszenia kosztów montażu dyskretnego sensora termicznego.

5. Czas wdrożenia – parametr określany angielskim wyrażeniem time-to-market, szczególnie istotny w niemal wszystkich modelach biznesowych, począwszy od niewielkich spółek typu start-up, aż po duże korporacje i biura projektowe. Zastosowanie gotowego AFE pozwala drastycznie skrócić czas pracy nad produktem, nie tylko poprzez integrację dużej części układu niezbędnego do pracy urządzenia, ale także dzięki dostępności zestawów ewaluacyjnych, projektów referencyjnych, not aplikacyjnych czy wreszcie gotowych bibliotek programistycznych.

AFE – rozwiązanie bez wad?

Opisane zalety układów AFE, jakkolwiek niezwykle ważne i cenne, nie oznaczają jednak, że idea scalonych front-endów pozbawiona jest wad. Jak to zwykle bywa, wybór określonego rozwiązania wiąże się z pewnymi kompromisami, które warto mieć na uwadze, by móc w porę zmodyfikować ścieżkę projektową, jeżeli okaże się to konieczne.

Ograniczenia konstrukcyjne – jednym z istotnych ograniczeń zakresu zastosowań AFE jest brak dostępu do poszczególnych stopni przejściowych i co za tym idzie, także brak możliwości wpływania na parametry bloków analogowych. Przykładem mogą być wbudowane wzmacniacze PGA. Konstruktor nie ma możliwości wymiany wzmacniacza na inny model o szerszym zakresie dostępnych wzmocnień, dlatego w przypadku zastosowania scalonego AFE musi zaakceptować parametry oferowane przez układ. Za inny przykład mogą posłużyć charakterystyki wbudowanych filtrów, choć w niektórych front-endach istnieje możliwość modyfikacji działania wewnętrznych układów (zwykle dolnoprzepustowych) poprzez dołączenie zewnętrznego kondensatora do przeznaczonych do tego celu wyprowadzeń. Oczywistym ograniczeniom podlegają także dostępne dla programisty konfiguracje wejściowych multiplekserów analogowych.

Mała uniwersalność – konstruktorzy decydujący się na korzystanie z gotowych AFE mogą napotykać na pewne trudności, gdy próbują zastosować dany front-end w nieco innej aplikacji, niż podstawowy zakres zastosowań przewidziany przez producenta. Warto jednak pamiętać, że w wielu przypadkach istnieje możliwość wyłączenia bloków funkcjonalnych specyficznych dla danej aplikacji i użycia jedynie przetworników ADC oraz podstawowych układów kondycjonowania sygnałów. Rozważmy tutaj np. zintegrowane stopnie wejściowe elektrokardiografów, które po wyłączeniu funkcji dodatkowych, np. wzmacniacza RLD czy też źródeł prądowych do pomiarów bioimpedancyjnych, mogą służyć za wysokiej jakości układy akwizycji dowolnych sygnałów napięciowych (więcej informacji na ten temat zaprezentujemy w kolejnej części cyklu, poświęconej układom AFE przeznaczonym dla celów medycznych).

Uzależnienie od producenta – rynek układów AFE jest dość dynamicznie rozwijającym się segmentem branży półprzewodnikowej, dlatego niektóre produkty znikają z rynku, zastąpione przez nowsze, niekoniecznie zachowujące kompatybilność wsteczną. Co więcej, praktycznie nie sposób znaleźć przykładów wzajemnie kompatybilnych front-endów pochodzących od różnych producentów. Firma decydująca się na zastosowanie danego układu zostaje niejako automatycznie przywiązana do oferty jego producenta – nie istnieje bowiem możliwość łatwej i względnie taniej podmiany układu na zamiennik, jak ma to miejsce w przypadku wzmacniaczy operacyjnych, wielu układów cyfrowych, a nawet niektórych kontrolerów przetwornic DC/DC.

Typowe bloki funkcjonalne układów AFE

Choć każdy front-end scalony różni się od pozostałych szczegółami konstrukcyjnymi, warto przeanalizować uogólniony schemat większości układów tego typu, pozwalający lepiej zrozumieć prezentowaną tematykę. Zwróćmy jedynie uwagę, że wyjątkiem diametralnie różniącym się od omówionego diagramu są front-endy radiowe, w których stosuje się zupełnie inne bloki funkcjonalne (wzmacniacze mocy i LNA, detektory poziomu mocy, miksery, modulatory i demodulatory, syntezery częstotliwości itp.) Tej grupie poświęcimy jednak osobny artykuł.

Rysunek 2. Ogólny schemat front-endu analogowego (AFE)

Uproszczoną konstrukcję „typowego” AFE zaprezentowano na rysunku 2. Jak można łatwo zauważyć, składa się on zasadniczo z trzech torów (w nawiasach podano skróty zastosowane na schemacie):

1. Tor wejściowy – jest odpowiedzialny za akwizycję i kondycjonowanie sygnałów analogowych pochodzących ze źródła (czujnika, zestawu elektrod, itp.). Zwykle, oprócz filtrów wejściowych (EMF) i multiplekserów (MUX), zawiera także wzmacniacz, wewnętrzne filtry (FLT) i przetwornik analogowo-cyfrowy (ADC), wyposażony w wewnętrzne źródło napięcia odniesienia (VREF).

2. Tor wyjściowy – najczęściej służy do generowania sygnałów pobudzających (excitation signal) w układach wymagających dostarczenia do badanego obiektu określonej energii. Przykładami mogą być układy AFE do pomiaru rezystancji, indukcyjności, pojemności czy impedancji, a także front-endy do badań biochemicznych. Często spotykanymi blokami są przetworniki DAC o zróżnicowanej rozdzielczości, źródła prądowe oraz wzmacniacze operacyjne.

3. Kontroler – typowo wszystkie układy AFE posiadają rozbudowany kontroler cyfrowy (CTRL), zapewniający zarówno taktowanie wszystkich synchronicznych bloków układu (OSC), jak i zestaw rejestrów (REG) konfiguracyjnych oraz wyjściowych (czasem też pamięć FIFO), a także interfejs szeregowy (I/F – zwykle SPI lub I2C).

W dalszej części artykułu omówimy skrótowo najważniejsze bloki funkcjonalne, wchodzące w skład trzech wymienionych wyżej torów.

Zabezpieczenia ESD i filtry EMI

Niektóre układy, przeznaczone do pracy z bezpośrednim podłączeniem do badanego obiektu (tj. w sposób galwaniczny), posiadają wzmocnione zabezpieczenia ESD o parametrach wyższych, niż typowo spotykane w klasycznych układach scalonych. Ponadto, wiele front-endów zawiera także zintegrowane filtry przeciwzakłóceniowe, za którymi znajduje się właściwa część układu odpowiedzialna za kondycjonowanie sygnałów pomiarowych w celu dostosowania ich poziomu (a często nawet charakteru mierzonej wielkości) do wymagań przetwornika lub znajdujących się przed nim wzmacniaczy.

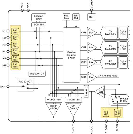
Rysunek 3. Fragment schematu blokowego układu ADS1293, gdzie żółtymi ramkami oznaczono wejściowe filtry EMI

Na rysunku 3 został pokazany fragment schematu blokowego front-endu ADS1293, przeznaczonego do zastosowania w niewielkich elektrokardiografach. Jak widać, wszystkie wejścia współpracujące z elektrodami pacjenta zostały wyposażone we wbudowane filtry RFI, odcinające wysokoczęstotliwościowe zakłócenia w paśmie radiowym.

Multipleksery analogowe

W większości wielowejściowych front-endów stosowane są różnego rodzaju przełączniki sygnałów analogowych, spełniające zwykle jedną lub dwie spośród następujących funkcji.
Multipleksowanie wielu wejść (najczęściej różnicowych) w celu wyboru kanału, który ma być dołączony do wzmacniacza wejściowego (lub bezpośrednio do przetwornika ADC). Takie rozwiązanie umożliwia znaczne uproszczenie konstrukcji układu i obniżenie jego kosztów. Multipleksowanie w dziedzinie czasu jest jednak możliwe tylko w tych urządzeniach, które nie wymagają ściśle synchronicznego (jednoczesnego) próbkowania wszystkich kanałów albo częstotliwość próbkowania jest na tyle wysoka, że przemiatanie kanałów nie stanowi większego problemu od strony jakości pomiarów. Warto dodać, że w tego typu zastosowaniach najlepiej sprawdzają się przetworniki umożliwiające pracę w trybie zerowej latencji (tj. zdolne do uzyskiwania właściwych wyników pomiaru w sytuacji, w której każda kolejna próbka pochodzi z innego kanału pomiarowego).

Wybór odpowiedniej konfiguracji elektrod w układzie MIMO – taka sytuacja jest charakterystyczna dla front-endów biosygnałowych, stosowanych w rejestratorach EKG, EEG, itp. Choć zestaw elektrod pozostaje stały, urządzenie wykorzystuje rozmaite układy ich połączeń w celu realizacji pomiarów w poszczególnych odprowadzeniach (odprowadzeniem nazywamy w medycynie pomiar różnicy potencjałów pomiędzy określoną parą elektrod lub elektrodą, a wspólnym punktem odniesienia). Innymi słowy, zastosowanie multipleksera nie ma tutaj na celu wprowadzenia oszczędności na liczbie wzmacniaczy INAMP/PGA i przetworników ADC (każdy wyjściowy kanał otrzymuje osobny tor przetwarzania), ale służy realizacji konkretnych procedur pomiarowych.

Rysunek 4. Przykładowe konfiguracje podłączenia czujników, dostępne dzięki zastosowaniu multipleksera wejściowego

Innym ciekawym zastosowaniem multipleksera jest zwiększenie liczby możliwych konfiguracji stopnia wejściowego front-endu, co umożliwia współpracę z różnego rodzaju czujnikami – przykładem może być układ PCap04 firmy AMS, posiadający sześć wyprowadzeń wejściowych, umożliwiających podłączenie od 1 do 6 czujników oraz (w zależności od konfiguracji) także dodatkowych pojemności odniesienia (rysunek 4). Warto też dodać, że multipleksery dostarczają prostą i niezawodną metodę autokalibracji bez potrzeby użycia jakichkolwiek dodatkowych elementów zewnętrznych (tj. wyłącznie w obrębie struktury front-endu).

Rysunek 5. Użycie multipleksera do celów autokalibracji AFE

Przykład, znów zaczerpnięty z noty katalogowej PCap04, zaprezentowano na rysunku 5. Rozwarcie kluczy (tranzystorów polowych) łączących wejścia układu z przetwornikiem CDC (Capactivie-to-Digital Converter) umożliwia pomiar wewnętrznej pojemności kalibracyjnej CINT.

Wzmacniacze

Sygnały wyjściowe multiplekserów doprowadza się do wzmacniacza przystosowanego do rodzaju prowadzonego pomiaru. Najczęściej spotykane rodzaje wzmacniaczy wejściowych to:

Rysunek 6. Przykład zastosowania buforów do sprzęgania wejść przetworników o wysokiej rozdzielczości bezpośrednio z wejściami front-endu

• Bufory (wtórniki napięcia) – stosowane w większości front-endów, zarówno na wejściach pomiarowych, jak i w roli buforów dla przetworników DAC oraz wewnętrznych lub zewnętrznych źródeł napięcia odniesienia. W układach bazujących na przetwornikach ADC o wysokiej rozdzielczości (zwykle 24 bity, choć czasem można spotkać układy o jeszcze lepszych osiągach) wtórniki napięcia mogą bezpośrednio łączyć wejścia przetworników różnicowych z wyprowadzeniami front-endu Przykładem może być układ LTC2983 (rysunek 6).

Rysunek 7. Podstawowy schemat wzmacniacza pomiarowego

• Wzmacniacze pomiarowe (INAMP – instrumentation amplifier) – cechują się dość wysoką impedancją wejściową, dużą wartością współczynnika CMRR (szczególnie w zakresie do drugiej harmonicznej częstotliwości sieciowej, czyli do ok. 100 Hz) oraz stałym lub regulowanym programowo wzmocnieniem, jak również stosunkowo niewielkim pasmem przenoszenia (zwykle na poziomie kiloherców). Klasyczna konfiguracja wzmacniacza typu INAMP została pokazana na rysunku 7.

Rysunek 8. Schemat wzmacniacza transimpedancyjnego w aplikacji do pomiaru prądu fotodiody

• Wzmacniacze transimpedancyjne (TIA – transimpedance amplifier) – konwertują niewielkie prądy wejściowe na napięcie, podawane następnie na przetwornik ADC. Wzmacniacze tego typu są stosowane najczęściej w układach AFE współpracujących z fotodiodami lub (bio)sensorami elektrochemicznymi. Podstawowy schemat wzmacniacza transimpedancyjnego zastosowanego do pomiaru prądu fotodiody pokazano na rysunku 8. Wzmocnienie układu ustala wartość rezystora RF w pętli sprzężenia zwrotnego, a równoległy do niego kondensator CF o niewielkiej wartości zapewnia niezbędną stabilność układu.

• Wzmacniacze niskoszumne (LNA – low noise amplifier) – są stosowane w niektórych front-endach wymagających szczególnie dużych wzmocnień i (zwykle) szerokiego pasma. Przykładem mogą być układy akwizycji sygnałów ultradźwiękowych.

• Wzmacniacze o programowalnym wzmocnieniu (PGA – programmable gain amplifier) – mogą występować jako dalsze stopnie wzmocnienia (tj. podłączone do wyjść przedwzmacniaczy) lub jako bloki spełniające rolę wzmacniacza pomiarowego (czyli pracujące bezpośrednio z sygnałem wejściowym).

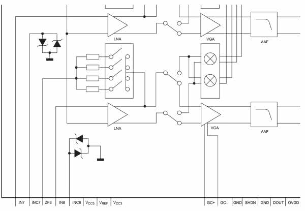
Rysunek 9. Przykładowe rozwiązanie sterowania wzmocnieniem wzmacniacza VGA poprzez zewnętrzne wyprowadzenia układu AFE

• Wzmacniacze o zmiennym wzmocnieniu (VGA – variable-gain amplifier) – stosowane są głównie układach pracujących z wyższymi częstotliwościami (zwykle od kilku megaherców do pasma mikrofalowego włącznie). Wzmocnienie może być ustawiane w różny sposób, jak choćby z użyciem przeznaczonych do tego celu wyprowadzeń układu. Przykład takiego rozwiązania, pochodzący ze schematu blokowego front-endu ultradźwiękowego MAX2079, został pokazany na rysunku 9.

Filtry

W większości układów AFE można także znaleźć filtry analogowe lub cyfrowe o charakterystykach zależnych od konkretnego zastosowania. Popularną praktyką jest użycie filtrów dolnoprzepustowych, redukujących poziom zakłóceń wysokoczęstotliwościowych oraz pracujących w roli filtrów antyaliasingowych.

Szczególnie istotne miejsce pod względem technik filtracji zajmują filtry cyfrowe, będące nieodłącznym elementem przetworników typu delta-sigma. Zwykle są to filtry o charakterystyce SINC (np. sinc3), co umożliwia uzyskanie bardzo stromych i stabilnych zboczy w ściśle określonych punktach osi częstotliwości. Możliwość precyzyjnego dostrojenia ułatwia dostosowanie charakterystyk filtra do częstotliwości napięcia sieciowego (50 Hz lub 60 Hz), co pozwala na silne wytłumienie niepożądanego przydźwięku, będącego jednym z najpoważniejszych artefaktów w większości pomiarów o bardzo niskim poziomie sygnałów i niskim zakresie częstotliwości (jak np. pomiary tensometryczne czy precyzyjne pomiary temperatury w wysokiej rozdzielczości).

Rysunek 10. Przykładowa charakterystyka częstotliwościowa filtra cyfrowego w przetworniku delta-sigma typu ADS1244

W niektórych przetwornikach wyboru tłumionej częstotliwości dokonuje sam użytkownik (np. poprzez zmianę szybkości taktowania modulatora), w innych charakterystyka jest fabrycznie dostosowana do tłumienia zarówno 50 Hz, jak i 60 Hz. Przykład takiego układu stanowi przetwornik ADS1244, którego fragment charakterystyki w rejonie częstotliwości sieciowych pokazano na rysunku 10.

Przetworniki ADC

Bez zbędnej przesady można stwierdzić, że przetwornik analogowo-cyfrowy jest sercem niemal każdego front-endu. To od niego zależy optymalne wykorzystanie niskiego poziomu szumów, szerokiego pasma przepustowego wzmacniaczy i filtrów czy wreszcie – szybkości przemiatania kanałów z pomocą multiplekserów. Standardem jest stosowanie w układach AFE przetworników 24-bitowych, choć w wielu implementacjach można spotkać przetworniki 14-, 16- czy 18-bitowe.

Architektura przetwornika zależy od wymaganych parametrów i co ważne, zawsze optymalizowana jest przez producenta układu pod kątem danego zastosowania. Wiele front-endów bazuje na przetwornikach delta-sigma (ΣΔ), które oferują szereg istotnych zalet – w tym wysoką rozdzielczość (przeważnie powyżej 20 bitów) i wspomnianą wcześniej, natywną filtrację dolnoprzepustową. Wadą konwerterów ΣΔ jest jednak (w większości przypadków) dość długi czas latencji, a także silna zależność efektywnej liczby bitów (ENOB) od częstotliwości próbkowania. Dlatego też w niektórych front-endach stosowane są inne rodzaje przetworników, np. SAR (successive approximation register). Przykładem może być jeden z najnowocześniejszych (w momencie pisania niniejszego artykułu) układów, przeznaczonych do pomiarów biomedycznych – AD5940/AD5941, oferujący wbudowany przetwornik SAR o rozdzielczości aż 800 kSps.

Warto w tym miejscu wspomnieć o zintegrowanych w strukturach większości układów AFE źródłach napięcia odniesienia, wykorzystywanych zarówno przez przetworniki ADC, jak i inne bloki funkcjonalne (np. DAC). Źródła te są zoptymalizowane pod kątem wykorzystania możliwości danego układu, jednak w wielu przypadkach istnieje możliwość przełączenia na zewnętrzne źródło jeszcze stabilniejszego i dokładniejszego napięcia referencyjnego.

Przetworniki DAC i układy wyjściowe

Przeglądając noty katalogowe rozmaitych układów AFE można odnieść wrażenie, że jeszcze większe zróżnicowanie, niż w przypadku torów wejściowych, znajdujemy w konstrukcjach torów wyjściowych (pobudzających). Nic dziwnego, wszak każda kategoria aplikacji wymaga innego rodzaju przebiegów zasilających badany obiekt. Często spotykanymi elementami są sterowane cyfrowo źródła prądowe (za pomocą przetwornika DAC lub skokowo, tj. tylko w kilku predefiniowanych zakresach prądu wyjściowego), choć niejednokrotnie mamy do czynienia, także z całymi pętlami sprzężenia zwrotnego, bazującymi na wzmacniaczach operacyjnych i przetwornikach cyfrowo-analogowych. Niektóre układy AFE, np. służące do prowadzenia pomiarów indukcyjności, są wyposażone w specjalne oscylatory, współpracujące z wejściowym obwodem rezonansowym (zwanym LC tank), zaś przetwarzanie sygnału odbywa się poprzez pomiar częstotliwości (a nie napięcia, jak ma to miejsce w większości typowych front-endów).

Rysunek 11. Przykładowy stopień wyjściowy – front-end AFE4490

Dobrym przykładem stosunkowo złożonego toru wyjściowego jest sterownik diod LED w układzie AFE4490 firmy Analog Devices, przeznaczony do budowy pulsoksymetrów klinicznych (rysunek 11). Diody LED, służące do oświetlania (lub prześwietlania) tkanki pacjenta są podłączone do mostka H, sterowanego przez zintegrowany kontroler i zasilanego przez regulowane cyfrowo źródło prądowe. Do zadawania określonej nastawy źródła służy 8-bitowy przetwornik DAC oraz układ zarządzania wartościami natężenia prądu dla poszczególnych diod. Użycie mostka H jest konieczne z uwagi na powszechnie stosowane, przeciwsobne połączenia diod LED w standardowych czujnikach SpO2 – więcej informacji na ten temat przedstawimy w artykule poświęconym front-endom przeznaczonym do aplikacji pulsoksymetrycznych.

Bloki kontrolne

Każdy front-end wymaga odpowiednio rozbudowanego bloku sterowania, którego celem jest zarówno kontrola wszystkich nastaw wewnętrznych podsystemów analogowych (np. wzmocnienia PGA, konfiguracji multipleksera czy też sekwencji przemiatania wejść), jak i komunikacja z układem nadrzędnym (hostem), zazwyczaj mikrokontrolerem. Dlatego też niemal każdy klasyczny front-end zawiera interfejs SPI lub I2C (rzadziej można spotkać inne rodzaje lokalnych interfejsów szeregowych lub magistrale równoległe) i blok wewnętrznej pamięci rejestrów, służących do przechowywania nastaw podczas pracy urządzenia. Poprzez rejestry możliwe są ponadto odczyty bitów statusu, wyników pomiaru czy też wersji układu.

Bloki sterowania często wyposaża się w wewnętrzne oscylatory, zapewniające niezbędne taktowanie dla przetworników oraz układów sekwencyjnych. Wyposażenie wielu front-endów stanowią dodatkowe linie GPIO sterowane za pomocą osobnych rejestrów i dające projektantowi pewną elastyczność (np. poprzez umożliwienie zastosowania mikrokontrolera o mniejszej liczbie wyprowadzeń I/O). Nierzadko można także spotkać się z wbudowanymi czujnikami temperatury, które, choć zwykle nie nadają się do precyzyjnych pomiarów, doskonale spełnią swoją rolę jako jeden z elementów autodiagnostyki urządzenia w bardziej zaawansowanych aplikacjach.

Podsumowanie

W niniejszym artykule zawarliśmy podstawowe informacje o budowie i zastosowaniach układów AFE. Omówiliśmy zarówno najistotniejsze zalety przejścia z dyskretnych układów analogowych na rozwiązania scalone, jak i pewne nieodłączne wady front-endów, które należy mieć na uwadze podczas wyboru ścieżki projektowej opracowywanego urządzenia.

W kolejnych odcinkach niniejszego cyklu dokonamy podziału funkcyjnego układów AFE oraz opiszemy reprezentatywne przykłady układów scalonych należących do poszczególnych kategorii, zwrócimy też uwagę na praktyczne aspekty implementacji AFE w rzeczywistych urządzeniach. Dodatkowo, gdzie będzie to możliwe, wskażemy, jak poprawnie zastosować konkretne front-endy w niestandardowych aplikacjach.

inż. Przemysław Musz

Artykuł ukazał się w
Elektronika Praktyczna
marzec 2021
DO POBRANIA
Pobierz PDF Download icon
Elektronika Praktyczna Plus lipiec - grudzień 2012

Elektronika Praktyczna Plus

Monograficzne wydania specjalne

Elektronik listopad 2025

Elektronik

Magazyn elektroniki profesjonalnej

Raspberry Pi 2015

Raspberry Pi

Wykorzystaj wszystkie możliwości wyjątkowego minikomputera

Świat Radio listopad - grudzień 2025

Świat Radio

Magazyn krótkofalowców i amatorów CB

Automatyka, Podzespoły, Aplikacje listopad - grudzień 2025

Automatyka, Podzespoły, Aplikacje

Technika i rynek systemów automatyki

Elektronika Praktyczna listopad 2025

Elektronika Praktyczna

Międzynarodowy magazyn elektroników konstruktorów

Elektronika dla Wszystkich grudzień 2025

Elektronika dla Wszystkich

Interesująca elektronika dla pasjonatów