Stabilizatory wysokonapięciowe

Stabilizatory wysokonapięciowe

Często projektuję układy lampowe lub inne wymagające wysokich napięć stałych. Do ich utrzymania w ryzach z reguły potrzebne są stabilizatory liniowe. Na rynku znajduje się nieco układów pełniących taką funkcję. Przyjrzałem im się z bliska i porównałem z tym, co stosuję na co dzień.

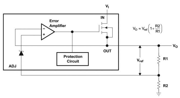
Przeglądając po raz kolejny przepastną ofertę dobrze znanej hurtowni z trzema literami w nazwie zobaczyłem układ o niewiele mówiącym symbolu LR8K4-G firmy Microchip. Jego opis brzmi High-Input Voltage, Adjustable, 3-Terminal, Linear Regulator i wygląda w swej aplikacji jak LM317 tyle, że obsługujący napięcia do 438 V – patrz rysunek 1. Fakt, iż jest dostępny w Polsce oraz kosztuje kilka złotych przykuł moją uwagę, bowiem nieczęsto te dwie rzeczy idą ze sobą w parze. Jego struktura wewnętrzna (rysunek 2) naprawdę wygląda jak LM317, tyle że może obsługiwać naprawdę wysokie napięcia. A do tego wbudowane zabezpieczenia, super!

Rysunek 1. Podstawowa aplikacja stabilizatora z serii LR8

Ma on jednak dwie wady. Pierwsza: występuje w obudowie TO252, która słabo nadaje się do odprowadzania dużych ilości ciepła, bowiem jest przystosowana do montażu powierzchniowego. Owszem, można zastosować radiator SMD, lecz to nie to samo, co przysłowiowy „kawał blachy” o niskiej rezystancji termicznej. Inne wersje tego układu są jeszcze gorsze pod tym względem, bowiem mamy do wyboru LR8N8-G w obudowie SOT89 lub LR8N3-G w… kompletnie plastikowej obudowie TO92. Za drugą wadę mogę uznać stosunkowo niski prąd wyjściowy, gdyż może on wynosić nie więcej niż 10 mA. To ma jednak sens w zestawieniu z obudowami niezbyt skorymi do odprowadzania dużych ilości ciepła (poza TO252, chociaż osobiście wolę solidne TO247).

Rysunek 2. Schemat blokowy układu z serii LR8

W porządku, a co w sytuacji, kiedy potrzebuję wyższego prądu wyjściowego, lecz nie chce mi się bawić w stosowanie dodatkowych tranzystorów pełniących funkcję wtórników napięciowych? Takowe można zastosować do LM317, więc i tutaj nie widzę przeciwwskazań, lecz niekiedy ilość miejsca na płytce stanowczo ogranicza moje zapędy w rozbudowywaniu układu. W zależności od wymaganego napięcia, można użyć dobrze wyglądającego TL783, który również aplikuje się jak LM317 – rysunek 3. Oferuje on prąd wyjściowy do 700 mA, czyli zaspokajający większość potrzeb typowych układów lampowych, za to różnica napięć między wejściem a wyjściem nie może przekraczać 125 V, więc... znów bez przysłowiowego szału. Można go dostać w obudowie TO220, co ułatwia chłodzenie.

Rysunek 3. Schemat aplikacyjny układu TL783

Zarówno ten, jak i poprzednio wspomniany układ, mają wyprowadzoną zewnętrzną pętlę sprzężenia zwrotnego ustalającą napięcie wyjściowe, co pozwala na dodanie kondensatora równolegle do R2. W mojej praktyce stosuję go bardzo często, bowiem znacząco tłumi on tętnienia napięcia wyjściowego. Można w ten sposób bardzo dobrze „odgrodzić się” stabilizatorem liniowym od kiepskiej przetwornicy impulsowej lub innego źródła napięcia o wyjątkowo paskudnej naturze (z punktu widzenia generowanych przezeń zakłóceń).

Bardzo ciekawym układem był dostępny w obudowie TO220 (yeah!) VB408, który umożliwiał stabilizację prądu o natężeniu do 40 mA oraz obsługiwał napięcie wejściowe do 400 V. Brzmi jak wymarzone rozwiązanie do zasilania przedwzmacniaczy lampowych. Niestety, nie jest już produkowany, nie doczekał się również następcy. Być może jakieś „leżaki magazynowe” da się skądś wydobyć, lecz to podejście do produkcji jednostkowej i okazjonalnej, a nie małoseryjnej i powtarzalnej.

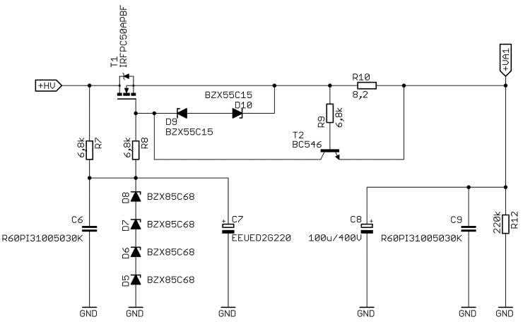
W swoich układach stosuję stabilizator jak na rysunku 4 – to fragment większego układu. Nie jest on regulowany, lecz – umówmy się – z reguły w takich miejscach, jak wzmacniacz lampowy, nie ma konieczności dokonywania regulacji. Jest to klasyczny układ wtórnika napięciowego z ograniczeniem prądowym. Napięcie odniesienia ustalają cztery diody Zenera o napięciu przebicia 68 V połączone szeregowo, co daje wypadkowo około 272 V, z dokładnością kilku procent. Napięcie referencyjne jest filtrowane przez dwa kondensatory (C6 i C7) w celu zmniejszenia napięcia szumu śrutowego, które diody Zenera ochoczo generują. Użyłem kilku diod połączonych szeregowo aby rozdzielić moc strat, ponieważ do prawidłowej pracy wymagają one prądu o natężeniu nie mniejszym niż kilka miliamperów – stąd obecność rezystora R7.

Rysunek 4. Stabilizator dyskretny używany w moich układach

To napięcie jest „powtarzane” przez tranzystor MOSFET, przez co owe diody nie są w ogóle obciążane prądem jego bramki, zaś potencjał jego źródła jest o około 8…10 V niższy od tego, który ustaliły diody. Układom lampowym jest wszystko jedno, czy będą zasilane napięciem 274 V, czy 272 V, stabilizację stosuję głównie w celu poprawy filtracji tętnień napięcia anodowego. Diody Zenera D9 i D10 chronią tranzystor przez przebiciem jego dielektryka podbramkowego. Temu samemu służy też poniekąd układ ograniczający natężenie prądu wyjściowego, zawierający tranzystor T2, bowiem zmniejsza on napięcie bramka-źródło tranzystora T1 tak, aby na rezystorze R10 odkładało się napięcie nie większe niż około 0,6…0,7 V. Takie sytuacje zdarzają się przede wszystkim podczas ładowania kondensatorów w układzie, tuż po załączeniu zasilania.

W czym mój układ jest gorszy od przedstawionych wcześniej stabilizatorów scalonych? Na pewno nie ma tak wysokiej dokładności ustalenia napięcia wyjściowego, brakuje mu również zabezpieczenia termicznego. Trudno też regulować napięcie wyjściowe, choć stosowny obwód da się dodać, na przykład z potencjometrycznym dzielnikiem napięcia referencyjnego z diod Zenera. Wersje scalone mają ponadto wyższy PSRR.

W porządku, a zalety? Na pewno wyższy prąd wyjściowy, limitowany tylko mocą strat w tranzystorze T1. Oraz to, co dla mnie – projektującego układy pod kątem produkcji seryjnej – jest najważniejsze: możliwość zastąpienia absolutnie każdego podzespołu na co najmniej kilka różnych sposobów. Mając w pamięci doświadczenia sprzed kilku lat, kiedy to kupowało się podzespoły będące w magazynie, a nie te najlepiej pasujące do danego układu, jest to bardzo cenna właściwość, gwarantująca możliwość utrzymania urządzenia w produkcji przez wiele lat.

Michał Kurzela, EP

Bibliografia:

Artykuł ukazał się w
Elektronika Praktyczna
kwiecień 2025
Elektronika Praktyczna Plus lipiec - grudzień 2012

Elektronika Praktyczna Plus

Monograficzne wydania specjalne

Elektronik listopad 2025

Elektronik

Magazyn elektroniki profesjonalnej

Raspberry Pi 2015

Raspberry Pi

Wykorzystaj wszystkie możliwości wyjątkowego minikomputera

Świat Radio listopad - grudzień 2025

Świat Radio

Magazyn krótkofalowców i amatorów CB

Automatyka, Podzespoły, Aplikacje listopad - grudzień 2025

Automatyka, Podzespoły, Aplikacje

Technika i rynek systemów automatyki

Elektronika Praktyczna listopad 2025

Elektronika Praktyczna

Międzynarodowy magazyn elektroników konstruktorów

Elektronika dla Wszystkich grudzień 2025

Elektronika dla Wszystkich

Interesująca elektronika dla pasjonatów