Źródło prądowe (prawie) idealne

Źródło prądowe (prawie) idealne

Źródła prądowego wprawdzie nie kupimy w sklepie ze źródłami prądowymi, ale możemy je sobie zbudować. Na ten temat powstało wiele opracowań, ale jedno z często stosowanych rozwiązań układowych potrafi przysporzyć problemów. O czym mowa i jak owym trudnościom zaradzić?

Źródła prądowe da się zrealizować na wiele sposobów, różniących się przede wszystkim dokładnością ustalania natężenia prądu oraz możliwością jego regulacji. Nie będę się rozpisywał o wszystkich potencjalnych wariantach (począwszy od tranzystora bipolarnego pracującego jako mnożnik prądu bazy), gdyż takich układów w praktyce się nie spotyka. Natomiast bardzo często mamy styczność ze źródłem prądowym, które w literaturze określa się mianem precyzyjnego – i które może za takie uchodzić, jeżeli akurat zadziała.

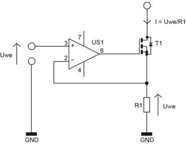
Mowa o układzie z rysunku 1 bądź jakiejś jego zmodyfikowanej odmianie. W teorii układ ten bardzo dobrze zachowuje się w roli źródła prądowego. Wzmacniacz operacyjny US1 tak steruje bramką tranzystora T1, aby spadek napięcia na rezystorze R1 był równy napięciu wejściowemu Uwe. Układ „wciąga” drenem T1 prąd o natężeniu równym Uwe/R1, czego na bieżąco pilnuje wzmacniacz operacyjny. Taki sam układ, tylko z tranzystorem MOSFET z kanałem typu P, bylibyśmy w stanie zbudować dla prądu wypływającego od strony dodatniej szyny zasilania.

Rysunek 1. Podstawowy układ precyzyjnego źródła prądowego z tranzystorem MOSFET

Dlaczego w roli elementu wykonawczego znalazł się tranzystor unipolarny? Odpowiedź nie jest trudna: chodzi o praktycznie zerowy prąd bramki, gwarantujący równość prądu źródła (przez które przepływa prąd wywołujący spadek na R1) oraz prądu drenu (którego faktycznie używamy w innych częściach układu). Jedyne, co stoi na przeszkodzie w uzyskaniu faktycznie idealnego wyniku, to offset napięciowy wzmacniacza operacyjnego i tolerancja wykonania rezystora R1. W dalszych rozważaniach można się pokusić nawet o przeanalizowanie znaczenia prądów wejściowych wzmacniacza operacyjnego, zwłaszcza przy małym natężeniu wymuszanego prądu I. Tyle że to wszystko nie zda się na nic, jeżeli układ po prostu nie zadziała.

Dlaczego? Ponieważ najnormalniej w świecie się wzbudzi (choć nie zawsze, raczej w 99% przypadków). Dzieje się tak, ponieważ wzmacniacz operacyjny steruje niemal czystą pojemnością o wartości od kilku do kilkudziesięciu nanofaradów. Taki układ, objęty sprzężeniem zwrotnym, ma tendencję do popadania w oscylacje, o czym pisałem w artykule Wzmacniaczu operacyjny, nie wzbudzaj się!, opublikowanym w EP 09/2023. Mamy więc układ, który na papierze wygląda idealnie, ale w praktyce jest bardzo niesforny.

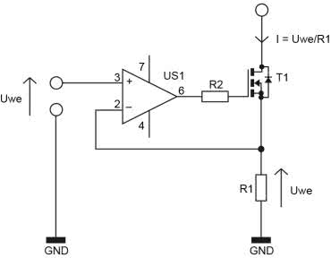
Co z tym fantem zrobić? Spora rzesza konstruktorów próbuje jakoś okiełznać tego potworka poprzez dodanie rezystora pomiędzy wyjściem wzmacniacza operacyjnego a bramką tranzystora – rysunek 2.

Rysunek 2. Zmniejszenie wpływu pojemności bramkowej tranzystora MOSFET na wyjście wzmacniacza operacyjnego

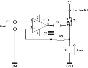
Tak oto do układu doszedł rezystor R2. Jaką powinien mieć wartość? Niektórzy piszą, że 100 Ω wystarczy. Inni próbują wyprowadzać wzory na to. Niektórzy idą jeszcze dalej i zawężają pasmo przenoszenia całego tego układu kondensatorem C1 o niewielkiej pojemności (rzędu 100 pF) – rysunek 3.

Rysunek 3. Przykład dążenia do poprawy stabilności układu

Układ cały czas puchnie, a upragnionej stabilności nie widać, przynajmniej u mnie. Zrobiłem kiedyś prototyp układu zawierający źródło prądowe jak z rysunku 3 i doświadczalnie ustaliłem wartości elementów zapobiegających wzbudzeniu. Do próbnej serii 50 sztuk przyjąłem te wartości opatrzone kilkudziesięcioprocentowym zapasem. I co? Kilkanaście sztuk wzbudzało się bezlitośnie. Pozostawało dalej kombinować z wartościami podzespołów, choć teraz na większą skalę.

Nie lubię układów, które działają w sposób magiczny. Niektórzy nie mają z tym problemów, dają zabezpieczenia przed wzbudzeniem (opracowane przez siebie już lata temu) i żyją szczęśliwi. Mam inne podejście: po co budować układy skłonne do wzbudzania się, skoro istnieje droga alternatywna – i to bardzo prosta? Oczywiście gdyby inaczej się nie dało – cóż, trzeba byłoby kombinować z poprawą stabilności istniejącego układu.

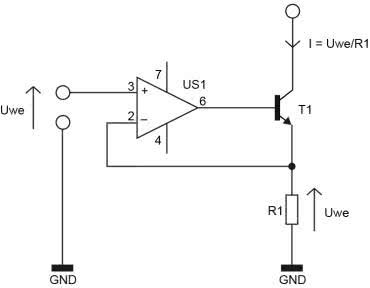
Mam na myśli zastąpienie tranzystora MOSFET bipolarnym – rysunek 4. Taki układ nigdy nikomu się nie wzbudził, chyba że elektronik wyjątkowo przesadził z niechlujnością montażu. Już załatwione, czas się rozejść, pora na CS-a? Ktoś może teraz wskoczyć przez okno, rozedrzeć koszulę na piersiach, niczym Rejtan na znanym obrazie Jana Matejki – i krzyknąć: A CO Z PRĄDEM BAZY?!

Rysunek 4. Tranzystor bipolarny nie powoduje wzbudzania się układu

Fakt, on istnieje i ma się dobrze. Wpływa też na nasze źródło prądowe, bowiem rzeczywisty prąd „wciągany” kolektorem jest mniejszy od tego, który przepływa potem przez emiter, a który wywołuje spadek napięcia na R1. Jesteśmy w stanie tak „pomanewrować” tym układem, aby skompensować ten wpływ odrażającego prądu bazy i zniwelować jego szkodliwe działanie niemal do zera. Pytanie, czy warto? Może nie trzeba się nim w ogóle przejmować?

Zaraz, zaraz… Czyli dalibyśmy radę go pominąć, zaniedbać i żyć spokojnie dalej? Odpowiadam: w wielu przypadkach tak. Zastanówmy się: typowe wzmocnienie prądowe tranzystora małej mocy, jak BC846, zawiera się w przedziale od 200 do 450 (dla grupy wzmocnienia B) i od 420 do 800 dla grupy C (pomijam grupę A, bo jest już dzisiaj trudna do kupienia). Oznacza to, że prąd bazy będzie co najmniej 200 razy mniejszy od prądu kolektora. Co najmniej – bowiem podgrzanie tranzystorów powoduje wzrost wzmocnienia prądowego, marne mamy również nadzieje na znalezienie elementu najgorszego z danej grupy. Oznacza to, że tranzystor wprowadzi błąd ustalenia prądu wyjściowego o wartości 0,5% lub mniej. Cały czas trzeba mieć na uwadze, że do opisanego zjawiska dokładają się takie czynniki, jak wyżej wymienione, czyli:

  • tolerancja rezystora R1 (1% lub mniej),
  • offset napięciowy wzmacniacza operacyjnego (kilka miliwoltów lub mniej),
  • potencjalnie nieskompensowany wpływ prądów wejściowych wzmacniacza operacyjnego.

Wartość R1 można wyregulować lub sięgnąć po rezystor z górnej półki, wzmacniacz operacyjny – wziąć z bardzo niskim offsetem napięciowym (choćby znany OP07), prądy wejściowe – prawidłowo skompensować lub zastosować wzmacniacz operacyjny z wejściami wykonanymi z użyciem tranzystorów unipolarnych. A ten nieszczęsny prąd bazy z nami pozostanie. Powiem więcej: będzie zależał od natężenia prądu wymuszanego przez źródło – oraz od temperatury i charakterystyki konkretnego egzemplarza elementu. Co więc z nim począć? Ja bym go zmniejszył.

Można sięgnąć po tranzystor z większym wzmocnieniem prądowym, ale takie są trudno dostępne. W zdecydowanej większości przypadków łatwiej, taniej, szybciej i prościej będzie sięgnąć po układ Darlingtona. Bardzo fajnym tranzystorem do tych zastosowań okazuje się BCV47, który napotkamy m.in. w obudowie SOT23 (ma układ wyprowadzeń taki sam jak BC846, jest niedrogi oraz ma wzmocnienie prądowe sięgające wielu – nawet kilkudziesięciu – tysięcy). Szczegóły obrazuje wykres zawarty w nocie katalogowej tego tranzystora, widoczny rysunku 5. Pomijając sytuacje ekstremalne, jak choćby silne mrozy i wysokie prądy (przy których i tak warto sięgnąć po inny element), możemy spodziewać się wzmocnienia rzędu 20 000 A/A.

Rysunek 5. Zależność wzmocnienia prądowego tranzystora BCV47 od temperatury i prądu kolektora

Konia z rzędem (albo w wersji nowoczesnej: SUV-a z garażem) temu, kto wychwyci błąd ustalenia prądu na poziomie 0,005% lub mniejszym. Okej, może w jakimś precyzyjnym sprzęcie pomiarowym niepewność tego rzędu byłaby problemem – dajmy na to, przy realizacji pomiaru rezystancji metodą czteropunktową – ale piszę tutaj o praktycznej realizacji układów przeznaczonych do seryjnej produkcji, w których redukcja kosztu każdego elementu przekłada się na wymierne korzyści dla producenta. Tam, gdzie w grę wchodzi indywidualna regulacja każdej wyprodukowanej sztuki, można stosować zupełnie inne podejście.

Reasumując: da się zbudować układ precyzyjnego źródła prądowego, które nie sprawi problemów z uruchomieniem, będzie cechowało się niską ceną podzespołów i utrzyma bardzo wysoką dokładność przetwarzania wejściowego napięcia na prąd. Proponowany przeze mnie układ można zobaczyć na rysunku 6. Elementem, którego dotychczas nie omawialiśmy, jest R2. Służy on do skompensowania rezystancji wewnętrznej źródła napięcia sterującego Uwe, aby oba wejścia wzmacniacza US1 były sterowane przez taką samą (lub choćby zbliżoną) rezystancję. Gdyby nie on, rezystancja sterująca wejściem odwracającym okazałaby się niemal równa zeru. Warto więc zastosować R2 jak najbardziej zbliżony do rezystancji wewnętrznej źródła Uwe.

Rysunek 6. Przykład praktycznej realizacji źródła prądowego z tranzystorem Darlingtona

Tego typu układów powstały już setki, jeśli nie tysiące – i żaden z nich nie sprawiał problemów. Nawiasem mówiąc, wspomniana wcześniej seria prototypowa została „uratowana” przez wstawienie tranzystora BCV47, zamiast nieszczęsnego BSS123. Od tamtej pory nawet nie próbowałem wracać do idei precyzyjnego źródła prądowego z tranzystorem MOSFET sterowanym przez wzmacniacz operacyjny.

Michał Kurzela, EP

Artykuł ukazał się w
Elektronika Praktyczna
styczeń 2025
Elektronika Praktyczna Plus lipiec - grudzień 2012

Elektronika Praktyczna Plus

Monograficzne wydania specjalne

Elektronik listopad 2025

Elektronik

Magazyn elektroniki profesjonalnej

Raspberry Pi 2015

Raspberry Pi

Wykorzystaj wszystkie możliwości wyjątkowego minikomputera

Świat Radio listopad - grudzień 2025

Świat Radio

Magazyn krótkofalowców i amatorów CB

Automatyka, Podzespoły, Aplikacje listopad - grudzień 2025

Automatyka, Podzespoły, Aplikacje

Technika i rynek systemów automatyki

Elektronika Praktyczna listopad 2025

Elektronika Praktyczna

Międzynarodowy magazyn elektroników konstruktorów

Elektronika dla Wszystkich grudzień 2025

Elektronika dla Wszystkich

Interesująca elektronika dla pasjonatów