Ograniczenia diody idealnej

Ograniczenia diody idealnej

Typowe diody półprzewodnikowe mają spadek napięcia w kierunku przewodzenia sięgający nawet jednego wolta. Można obejść ten problem stosując odpowiednio podłączone tranzystory MOSFET, jednak takie układy wcale nie stanowią doskonałego remedium na każdą przypadłość. O jakich sytuacjach mowa?

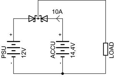
Jako przykład do dalszej analizy proponuję następującą sytuację: dwa źródła napięcia o wartości około 12 V (akumulator żelowy, doładowywany przez OZE, a także zasilacz sieciowy) mają za zadanie zasilać system kamer, pobierający prąd o natężeniu około 10 A. Źródła napięcia są dwa, odbiornik zaś jeden – trzeba wybrać to, które aktualnie ma najwyższe napięcie i to z niego czerpać energię. Akumulator 12 V ma z reguły napięcie wyższe niż zasilacz 12 V, bo wynoszące około 14,4 V, więc przez większość czasu to ten pierwszy będzie dostarczał energii. Dopiero kiedy ulegnie znacznemu rozładowaniu, układ przełączy system kamer na pracę z zasilacza.

Najprostszym rozwiązaniem byłoby użycie dwóch diod, włączonych szeregowo z każdym ze źródeł, jak na rysunku 1. Przewodzić będzie ta, która ma najwyższy potencjał anody, druga zaś ulegnie zatkaniu. Taki selektor jest prosty, tani, szybki, trwały, zrozumiały i… energochłonny. Bowiem diody Schottky’ego, nawet te o niskim dopuszczalnym napięciu wstecznym, cechują się napięciem przewodzenia na tyle wysokim, że nie sposób je w takiej aplikacji pominąć. Na przykład element typu VS-40CPQ035-N3 firmy Vishay, który zawiera dwie diody połączone katodami, może przewodzić prąd o natężeniu do 20 A na jedno wyprowadzenie (czyli 40 A przez obie struktury naraz) przy napięciu wstecznym do 35 V. Spadek napięcia na przewodzącej diodzie może wynosić nawet 0,4 V, przez co będzie się na tym elemencie bez przerwy traciła moc rzędu 4 W. Trzeba też uwzględnić fakt, iż na centralkę sterującą pracą kamer trafi napięcie niższe o co najmniej 0,4 V.

Rysunek 1. Diodowy selektor źródeł zasilania

Niby niewiele, ale czemu mamy godzić się na takie straty? Poszukajmy czegoś innego, co zmniejszy ilość marnowanej mocy. W literaturze (albo raczej – na różnych internetowych „mądrych” stronach) można znaleźć układ tak zwanej diody idealnej, która rzekomo doskonale nadaje się do zabezpieczenia wejść układów przed odwrotnym podłączeniem do nich napięcia zasilającego – rysunek 2. Jeżeli polaryzacja jest prawidłowa, wówczas tranzystor MOSFET-P otwiera się, ponieważ potencjał bramki jest niższy niż źródła. Przy odwrotnym podłączeniu nie nastąpi utworzenie kanału w strukturze tranzystora, bowiem bramka będzie miała potencjał dodatni względem źródła. Można zrobić jeszcze lepszy numer i w przewód ujemny włączyć tranzystor MOSFET-N, który będzie działał analogicznie, ale zaoferuje niższą rezystancję otwartego kanału z uwagi na większą ruchliwość nośników w kanale. W praktycznej realizacji warto zadbać o ograniczenie dopuszczalnego napięcie bramka-źródło, jednak na tym etapie analizy można ten aspekt pominąć.

Rysunek 2. Podstawowa wersja diody idealnej z tranzystorem MOSFET-P lub MOSFET-N

Ktoś mógłby pomyśleć – mamy jedną diodę, to weźmy dwie i gotowe! Na przykład, taki układ jak z rysunku 3 jest prosty i niedrogi, gdyż zawiera jedynie dwa tranzystory typu IRL7833. Ich rezystancja otwartego kanału nie przekracza 3,8 mΩ, więc w stanie przewodzenia moc tracona wyniesie niecałe 0,4 W. Bajeczne osiągi, nawet radiator nie będzie potrzebny! Tylko czy aby na pewno to dobre rozwiązanie? Taki pomysł został dawno temu wdrożony w życie (choć na innych tranzystorach), zaś najbardziej wart zapamiętania był fakt, że... nie działał.

Rysunek 3. Selektor zasilania z dwóch diod idealnych

Podstawowa przyczyna to brak sterowania tranzystorami. Zasilacz polaryzuje „swój” T1 napięciem 12 V, przez co jego kanał przewodzi. Ale akumulator również nie próżnuje i aplikuje „swojemu” T2 napięcie rzędu 14,4 V między bramkę, przez co on również przewodzi. Z lekcji podstaw elementów półprzewodnikowych wiemy z kolei, że nośniki w raz utworzonym kanale mogą płynąć w obie strony, ponieważ wszystkie trzy obszary (drenu, źródła i kanał między nimi) mają ten sam typ przewodnictwa, więc na żadnej z dwóch granic (źródło-kanał lub dren-źródło) nie tworzy się złącze. Mamy zatem zasilacz zwarty z akumulatorem przy użyciu dwóch elementów półprzewodnikowych, które nic sobie nie robią z faktu, że mają być tutaj jakimiś diodami. Dlatego też akumulator „pcha” prąd w zasilacz (co może go uszkodzić), jak również zasilacz doładowuje akumulator (co niepotrzebne zużywa energię z sieci oraz w sposób niekontrolowany ładuje akumulator).

Tutaj nie da się zaradzić nic mądrego, bo ten układ jest po prostu do kitu. Do mądrzejszego sterowania tymi tranzystorami trzeba zastosować bardziej rozbudowany układ, jak chociażby AVT5658. Warto jednak zwrócić uwagę na jeszcze jedną niedoskonałość układu znanego jako dioda idealna. Przeanalizujmy jeszcze raz układ z rysunku 2, dla uproszczenia tylko z tranzystorem MOSFET-P, w dwóch sytuacjach: ze źródłem zasilania wpiętym prawidłowo oraz odwróconym – rysunek 4. W sytuacji „prawidłowej” przewodzi tranzystor, bo jego napięcie bramka-źródło jest ujemne. Z kolei w sytuacji „nieprawidłowej”, prąd płynie przez diodę tworzącą się w strukturze tranzystora i głęboko w nosie ma jakiś zatkany tranzystor – ten układ po prostu nie działa, ponieważ ktoś radośnie zlekceważył diodę między drenem a źródłem (dokładniej: między drenem a podłożem zwartym ze źródłem) w tranzystorze MOSFET.

Rysunek 4. Błędne działanie układu diody idealnej

Cóż więc robić, jak to ratować? Trzeba odwrócić tranzystor tak, aby problematyczna dioda stała się naszym sprzymierzeńcem. Tak też jest na rysunku 5, który na pierwszy rzut oka działa nieco dziwnie, bo tranzystor polaryzowany jest napięciem nie z akumulatora, ale odkładającym się na obciążeniu. Tego z kolei dostarcza w pierwszym kroku owa niesforna dioda. Kiedy napięcie na obciążeniu wzrośnie powyżej napięcia progowego tranzystora (bo jest ono równe napięciu bramka-źródło), zacznie się on otwierać, co przyspieszy dalszy wzrost napięcia na obciążeniu i tak aż do całkowitego otwarcia – mamy więc mechanizm dodatniego sprzężenia zwrotnego, który jest tutaj pomocny, bowiem przyspiesza załączanie. Przy odwrotnym podłączeniu zasilania nie ma tego problemu, gdyż dioda jest spolaryzowana zaporowo, zaś napięcie bramka-źródło: dodatnie.

Rysunek 5. Skorygowana wersja układu diody idealnej

Niestety, nawet zaadaptowanie tej skorygowanej wersji diody idealnej do schematu z rysunku 3 nie spowoduje, że zacznie on działać prawidłowo, gdyż dalej oba tranzystory będą przewodziły, sterowane jednocześnie przez napięcie odkładające się na obciążeniu.

W większości innych sytuacji układowych taka idealna dioda będzie wystarczająca, ale nie zawsze. Wadą jest jej czas reakcji w przypadku przełączenia ze stanu przewodzenia do zatkania. Trzeba zapamiętać, że tranzystorem steruje napięcie na obciążeniu, a nie zasilające. Może zatem wystąpić taka sytuacja, w której:

układ jest zasilany napięciem o prawidłowej polaryzacji, kondensatory w obciążeniu są naładowane,

biegunowość źródła zasilającego zmienia się gwałtownie na nieprawidłową,

prąd dalej płynie (w przeciwną stronę!), ponieważ kondensatory obciążenia dalej utrzymują tranzystor w stanie otwarcia.

Z tego powodu układ diody idealnej (w swoim najprostszym, tutaj pokazanym) wydaniu nie znajduje zastosowania w prostownikach. Szkoda, bo oferuje spadek napięcia znacznie niższy w porównaniu do diod półprzewodnikowych. Można jednak pokusić się o zastosowanie specjalizowanego układu scalonego do obsługi tranzystorowego mostka Graetza, co rozwiązuje problem aktywnego sterowania tranzystorami.

Michał Kurzela, EP

 

Bibliografia: https://www.ti.com/lit/an/slvae57b/slvae57b.pdf

Artykuł ukazał się w
Elektronika Praktyczna
styczeń 2025
Elektronika Praktyczna Plus lipiec - grudzień 2012

Elektronika Praktyczna Plus

Monograficzne wydania specjalne

Elektronik listopad 2025

Elektronik

Magazyn elektroniki profesjonalnej

Raspberry Pi 2015

Raspberry Pi

Wykorzystaj wszystkie możliwości wyjątkowego minikomputera

Świat Radio listopad - grudzień 2025

Świat Radio

Magazyn krótkofalowców i amatorów CB

Automatyka, Podzespoły, Aplikacje listopad - grudzień 2025

Automatyka, Podzespoły, Aplikacje

Technika i rynek systemów automatyki

Elektronika Praktyczna listopad 2025

Elektronika Praktyczna

Międzynarodowy magazyn elektroników konstruktorów

Elektronika dla Wszystkich grudzień 2025

Elektronika dla Wszystkich

Interesująca elektronika dla pasjonatów