Ach, te iskrzące styki!

Ach, te iskrzące styki!

Przekaźniki, styczniki, wyłączniki i inne elektromechaniczne elementy przełączające. Co je łączy, poza tym, że potrafią… łączyć? Zdolność do generowania naprawdę solidnej dawki zakłóceń elektromagnetycznych podczas przełączania. W tym artykule opisuję, jakie skutki może mieć przeoczenie tego faktu, wskazuję również najpopularniejsze sposoby zapobiegania iskrzeniu oraz nieoczywiste zjawiska, na które trzeba uważać.

Elektronicy lubią mechaniczne styki, na przykład przekaźników, tylko w dwóch sytuacjach: kiedy przewodzą prąd lub kiedy tego nie robią. W momencie zmiany bieżącego stanu są one źródłem wielu problemów współczesnej elektroniki. Chodzi głównie o iskrzenie przełączających się metalowych styków, które generuje silną porcję zakłóceń o bardzo szerokim widmie częstotliwościowym. Już w XIX wieku niemiecki fizyk Heinrich Rudolf Hertz zaobserwował to zjawisko. Pomimo upływu lat, problem wcale się nie zmniejszył, wręcz przeciwnie – to nasze układy stały się bardziej wrażliwe.

Każde styki iskrzą w momencie ich załączania lub rozłączania. Kiedy jeden zderza się z drugim, ulegają wielokrotnemu odbiciu od siebie, co zapala i gasi łuk elektryczny między nimi. Ponadto ich powierzchnie kontaktu są nieregularne, a to dodatkowo potęguje opisane zjawisko. Z kolei podczas rozłączania mamy do czynienia z „ciągnięciem” łuku elektrycznego między oddalającymi się powierzchniami. W mniej przewidywalny sposób zachowuje się prąd przemienny, który samoistnie potrafi zgasić łuk (kiedy prąd akurat przechodzi przez zero), choć to marne pocieszenie, bowiem nie mamy żadnej kontroli nad momentem przełączania styków.

Kolejna zła wiadomość: każde styki, między którymi występuje jakieś napięcie (w momencie ich łączenia) lub przepływ prądu (podczas rozłączania), będą źródłem takich zakłóceń. Przykład? Mikroprzełączniki typu tact switch, używane do zadawania nastaw naszym urządzeniom z mikrokontrolerami. Ileż to artykułów napisano na temat debouncingu, czyli właśnie radzenia sobie z iskrzeniem styków w tych malutkich przełączniczkach. Jakie występuje tam napięcie? Zaledwie kilka woltów. I prąd również okazuje się mizerny, z reguły grubo poniżej 1 mA. A iskrzenie jak było, tak jest i będzie. O ile opisany mikroprzełącznik raczej nie wywoła szkód w układzie, jeżeli tylko układ go obsługujący został odpowiednio przygotowany od strony programowej, o tyle przekaźniki łączące większe prądy przy wyższych napięciach – już jak najbardziej.

Dostałem niedawno do sprawdzenia niedziałającą płytkę przerywacza wycieraczek. W układzie znajdowały się dwa solidne przekaźniki zdolne przewodzić 40 A prądu stałego, a tuż obok nich umieszczony został mikrokontroler sterujący nimi. Co zauważyłem? Zasilanie mikrokontrolera prawidłowo filtrowane, wszystkie nieużywane wyprowadzenia podciągnięte przez rezystory do jakiegoś ustalonego potencjału, zatem od strony samego mikrokontrolera po prostu... miód-malina! Niestety, układ co pewien czas zawieszał się lub zaczynał wykonywać chaotyczne działania, a po zastosowaniu układu watchdog restartował się co chwilę. Z przekaźników natomiast sypały się snopy iskier, jakby ktoś próbował zainicjować łuk podczas spawania zanieczyszczoną elektrodą…

Nasi przodkowie już dawno temu stwierdzili, że lepiej jest zapobiegać, niż leczyć. Po wielu latach praktyki w elektronice stwierdzam, że byli to bardzo mądrzy ludzie. Jakiekolwiek ekranowanie wrażliwych elementów daje bardzo słaby efekt, ponieważ składowa magnetyczna emitowanych zakłóceń jest na tyle silna, że z powodzeniem przejdzie przez ekran. Oczywiście im większa odległość od źródła zakłóceń, tym słabszy ma ona charakter (traci znaczenie na rzecz składowej elektrycznej – fala staje się falą płaską), lecz rzadko możemy sobie pozwolić na luksus umieszczenia elementów wykonawczych hen daleko od elektroniki sterującej.

Na temat obwodów tłumiących, zwanych snubberami, napisano nie mniej artykułów niż o debouncingu. Teoria na ten temat jest piękna, wzory wyglądają prześlicznie, lecz zawarte w nich założenia mają pewną wadę: trzeba dokładnie znać parametry sterowanego obciążenia, by móc precyzyjnie obliczyć wartości elementów tłumika. Mało kiedy dysponujemy takimi danymi. Czy jakikolwiek producent silników do wycieraczek podaje w notach katalogowych indukcyjność uzwojeń? Jeszcze gorzej wygląda sytuacja, gdy kompletnie nie wiemy, co będzie sterowane przez dany przekaźnik: odkurzacz, żarówka, betoniarka, a może ładowarka do telefonu?

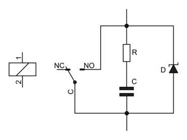
Dlatego w praktyce trzeba pożegnać ze smutkiem tę piękną teorię i wykonać po prostu coś, co działa. Być może nie będzie to rozwiązanie idealne, ale lepszy nawet źle dobrany obwód tłumiący niż brak jakiegokolwiek – poza określonymi przypadkami, o czym więcej piszę w dalszej części artykułu. Spośród różnych topologii snubberów sam najczęściej stosuję tę widoczną na rysunku 1. Składa się tylko z dwóch połączonych szeregowo elementów: rezystora i kondensatora. Jakie funkcje pełnią te elementy i jak je dobrać?

Rysunek 1. Schemat ideowy podstawowego snubbera

Kondensator C podtrzymuje drogę dla prądu płynącego przez styki w momencie ich przełączania. Można przyrównać to zjawisko do klasycznego (znanego z teorii obwodów) zachowania kondensatora przy szybkich zmianach napięcia między jego okładkami – zachowuje się wtedy jak zwarcie. Ale takie powstające przy każdym przełączeniu zwarcie również nie jest najkorzystniejsze dla styków, bowiem zwierający się naładowany kondensator stanowiłby dodatkowe źródło dość efektownych iskier, przyczyniających się do dodatkowej destrukcji styków. Dlatego zawsze powinien towarzyszyć mu szeregowo włączony rezystor, który ograniczy prąd przez niego płynący. Element o zbyt niskiej rezystancji nie spełni swojej funkcji (kondensator będzie wymuszał przepływ prądu o wysokim natężeniu przez styki), z kolei zbyt wysoka rezystancja całkowicie zniweczy wpływ kondensatora na ten układ – prąd obciążenia będzie dalej płynął przez rozłączające się styki, nie zaś przez kondensator, co nie zredukuje problemu iskrzenia.

Moje doświadczenia w tym zakresie wskazują, że warto umieścić kondensator o pojemności 100 nF w obwodach prądu stałego. Może być ona mniejsza – jeżeli zachodzi taka konieczność – w obwodach prądu przemiennego, ponieważ element reaktancyjny stanowi impedancję rzędu kilkunastu kiloomów w obwodzie zasilanym napięciem o częstotliwości 50 Hz. Na przykład w sytuacji, gdy przekaźnik przełącza cewkę stycznika, stosuję pojemność zaledwie 4,7 nF, ponieważ większa nie zapewnia rozwarcia się styków stycznika (prąd płynący przez cewkę okazuje się zbyt wysoki, by kotwica uległa zwolnieniu).

Podobnie sytuacja wygląda z siłownikami elektrozaworów. W obwodach prądu stałego stosuję typowe kondensatory ceramiczne z dielektrykiem X7R w obudowach 1206, natomiast w obwodach prądu przemiennego są to najczęściej kondensatory MKT. Ich napięcie znamionowe powinno być wyższe od tego, którym zasilany jest obwód, ponieważ – po rozwarciu styków – między jego zaciskami będzie się odkładało napięcie niemal równe zasilającemu.

Drugim elementem jest rezystor, który staram się dobrać tak, aby przez styki zwierającego się przekaźnika (przy w pełni naładowanym kondensatorze) popłynął prąd zbliżony do wytrzymałości prądowej tychże styków lub mniejszy. Przykład: moje ulubione przekaźniki HF3FF mają dopuszczalny prąd styków równy 10 A – w nocie katalogowej odnotowano liczne wyjątki, ale na tej wartości poprzestańmy. W obwodzie zasilanym napięciem przemiennym 230 V (wartość szczytowa 324 V) kondensator może być naładowany do napięcia nie wyższego niż owe 324 V. Z prawa Ohma wyliczam graniczną rezystancję rezystora: R=U/I=324 V/10 A=32,4 Ω. Najbliższa wartość w szeregu wynosi 33 Ω, więc takie rezystory stosuję w wielu swoich układach, również w tych, które są publikowane na łamach „Elektroniki Praktycznej”. Rezystor powinien móc wytrzymać pełne napięcie zasilające, jakie się na nim odłoży: w układach niskonapięciowych stosuję z reguły SMD 1206, przy wyższych napięciach i/lub prądach są to elementy przewlekane o mocy 3 W.

Powyższe wskazówki doboru elementów należy traktować jako orientacyjne, ponieważ pomijam szereg czynników, jak chociażby przesunięcie fazowe między prądem a napięciem na okładkach kondensatora. Jednak stosunek reaktancji kondensatora do rezystancji rezystora jasno wskazuje, że przesunięcie to będzie marginalnie małe, gdyż różnią się one o kilka rzędów wielkości.

Rysunek 2. Modyfikacja pod kątem obciążeń indukcyjnych

Jeżeli mamy pewność, że sterowane obciążenie ma charakter indukcyjny, warto rozważyć dodanie dwukierunkowej diody typu transil równolegle do styków przekaźnika – rysunek 2. Impuls samoindukcji potrafi wygenerować naprawdę wysokie napięcie w momencie odłączania zasilania, a ponadto po co mamy ryzykować przebicie izolacji przekaźnika. Lepiej niesforne „szpilki” po prostu obciąć, niech dedykowane elementy półprzewodnikowe też mają szanse się wykazać. Napięcie przebicia takiej diody powinno być wyższe od wartości szczytowej napięcia zasilającego, aby nie przewodziła ona bez potrzeby. Diody jednokierunkowe zalecam tylko do obwodów prądu stałego i tylko wtedy, kiedy jesteśmy pewni polaryzacji napięcia przyłożonego do styków – rysunek 3. W każdej innej sytuacji doradzałbym diody dwukierunkowe, których ceny są niemal takie same jak jednokierunkowych.

Rysunek 3. Wersja z diodą transil dla prądu stałego

Podsumowując, należy wspomnieć, że dwa lub trzy elementy o „groszowych” cenach potrafią uratować niejeden projekt, również ze względu na poziom emitowanych zakłóceń EMI. Także same elementy stykowe będą miały szczęśliwsze i dłuższe życie, dzięki mniejszemu iskrzeniu ich styków podczas każdego przełączenia. Trzeba przy tym pamiętać o pewnej wadzie zaprezentowanego układu: w przypadku prądu przemiennego nie zapewni on rozwarcia tak doskonałego, jak przedzielone powietrzem metalowe styki, toteż trzeba ów prąd upływu brać pod uwagę podczas dobierania pojemności kondensatora.

Michał Kurzela, EP

Artykuł ukazał się w
Elektronika Praktyczna
czerwiec 2024
Elektronika Praktyczna Plus lipiec - grudzień 2012

Elektronika Praktyczna Plus

Monograficzne wydania specjalne

Elektronik listopad 2025

Elektronik

Magazyn elektroniki profesjonalnej

Raspberry Pi 2015

Raspberry Pi

Wykorzystaj wszystkie możliwości wyjątkowego minikomputera

Świat Radio listopad - grudzień 2025

Świat Radio

Magazyn krótkofalowców i amatorów CB

Automatyka, Podzespoły, Aplikacje listopad - grudzień 2025

Automatyka, Podzespoły, Aplikacje

Technika i rynek systemów automatyki

Elektronika Praktyczna listopad 2025

Elektronika Praktyczna

Międzynarodowy magazyn elektroników konstruktorów

Elektronika dla Wszystkich grudzień 2025

Elektronika dla Wszystkich

Interesująca elektronika dla pasjonatów