Niepotrzebne źródła szumu

Niepotrzebne źródła szumu

O tym, skąd bierze się szum w układach elektronicznych, powstała już niejedna rozprawa doktorska. Od dziesięcioleci naukowcy próbują zgłębić jego naturę i udoskonalać komponenty. Na razie jedno jest pewne: od szumu nie uciekniemy. Niekiedy my, inżynierowie, sami niepotrzebnie wprowadzamy go do układów tam, gdzie można go z powodzeniem uniknąć. O jakie sytuacje chodzi?

Rezystory są źródłem głównie szumu termicznego, w półprzewodnikach dominuje szum śrutowy i tak dalej. W stosownych podręcznikach opisano te zjawiska wystarczająco dokładnie, wyprowadzono wzory pozwalające oszacować wartość skuteczną napięcia szumów. Producenci podzespołów w swoich notach katalogowych udostępniają odpowiednie tabele i wykresy. Symulatory potrafią nawet zaproponować rozkład widmowej gęstości szumów w danym punkcie układu.

Teoretycznie wszystko wiadomo, lecz i tak czasem zdarzają się banalne błędy. Na swoim przykładzie pokażę, że chcąc uczynić układ eleganckim pod względem układowym, można go kompletnie zepsuć. Na tyle mocno, że klient, po dokonaniu odsłuchów na swoim sprzęcie audio (bardzo wysokiej jakości), wyrzucił ze złością prototyp przez okno – miał być przedwzmacniacz audio wysokiej jakości, wyszedł generator szumu.

Na szczęście prototyp przeżył krótki (acz nieuwzględniony w wymogach projektowych) lot, sprawę udało się pomyślnie rozwiązać, ja zaś mam nauczkę na przyszłość. Postanowiłem się nią podzielić, może pozwoli to zaoszczędzić komuś podobnych doświadczeń.

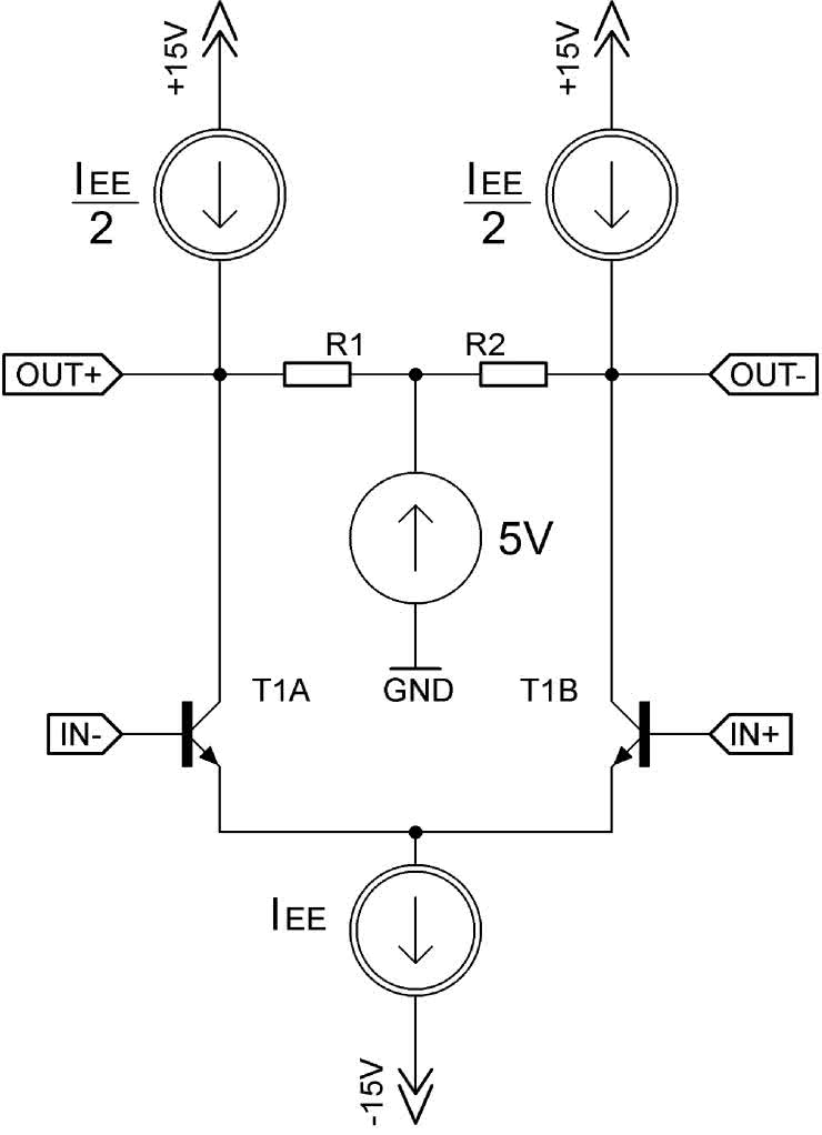
Głównym bohaterem dzisiejszego Notatnika Konstruktora będzie różnicowy wzmacniacz napięciowy, którego uproszczony schemat ideowy został pokazany na rysunku 1. Co do zasady działania nie ma w niej niczego odkrywczego: dwa identyczne tranzystory bipolarne, znajdujące się na jednym podłożu, połączone ze sobą emiterami. Wzmocnienie tego układu można regulować poprzez zmianę transkonduktancji tych tranzystorów, a to z kolei odbywa się za pośrednictwem regulowanego źródła prądowego, które pobiera prąd z ich emiterów. Im większy prąd płynie przez emitery, tym większa transkonduktancja – ot, podręcznikowa reguła.

Rysunek 1. Uproszczony schemat ideowy zaprojektowanego układu

Aby jednak utrzymać potencjał kolektorów tranzystorów układu różnicowego na tym samym poziomie, zdecydowałem się na układ współbieżnie regulowanych źródeł prądowych. Ich zadaniem jest przejęcie składowej stałej prądu kolektorów, w wyniku czego przez rezystory kolektorowe (R1 i R2) niemal nie płynie składowa stała prądu. Niemal, bo niewielkie rozbieżności w działaniu źródeł prądowych są nieuniknione. To i tak jest znacznie lepsze rozwiązanie niż godzenie się na zmienną dynamikę sygnału wyjściowego, zależną od aktualnego natężenia prądu IEE.

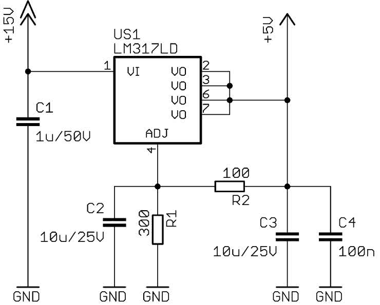
Gdzie zatem leżał problem? Niedaleko, bo w źródle napięciowym, które ustala potencjał węzła z rezystorami R1 i R2. Oszacowałem, że napięcie stałe o wartości około 5 V będzie wystarczające do zapewnienia prawidłowych parametrów sygnału wyjściowego. Ponieważ górne źródła prądowe są zasilane napięciem o wartości 15 V, zatem logiczne byłoby użycie zwykłego, liniowego stabilizatora dla obniżenia tego napięcia. Wtedy potencjał kolektorów tranzystorów układu różnicowego będzie niezmienny, punkt pracy zostanie dobrze ustalony – same plusy! Pobór prądu jest niewielki (teoretycznie zerowy), więc użyłem znanego i lubianego LM317 w obudowie SO8.

Jak pomyślałem, tak zrobiłem. Schemat ideowy tego, co kryło się pod symbolem źródła napięciowego o wydajności 5 V, można zobaczyć na rysunku 2. Wszystkie kondensatory bezbiegunowe są ceramiczne. Prosty dzielnik rezystancyjny służący ustaleniu napięcia wyjściowego został ulepszony dodatkowym kondensatorem do dodatkowej redukcji tętnień napięcia (sztuczka opisana w nocie katalogowej LM317). Zwykła klasyka, nic odkrywczego!

Rysunek 2. Pierwsza wersja praktycznej realizacji źródła napięciowego w układzie

Podłączam układ, testuję na oscyloskopie – wszystko działa. Podłączam do swojego prymitywnego zestawu audio (wszak szewc bez butów chodzi), za pomocą którego stwierdzam, że układ działa. Coś tam może jakby szumiało, ale mój wzmacniacz sam z siebie szumi, więc nie zwracam na to większej uwagi.

Pomiary charakterystyki amplitudowej i fazowej wyszły wspaniale, więc nie przykładam do tego większej wagi – paczka poszła do klienta. Po kilku dniach dostaję telefon, z którego jasno i dobitnie wynika, że ten układ nie nadaje się do niczego. Przyjechałem i posłuchałem osobiście – faktycznie, poziom szumów jest nieakceptowalnie wysoki. Tylko dlaczego?

Po nitce do kłębka doszedłem, że ów nieszczęsny LM317 musi być ich źródłem. Wprawdzie był on źródłem napięcia szumów, które do sygnału wyjściowego wprowadzało się jako składowa wspólna, a nie różnicowa. Idąc tą logiką, CMRR następnego bloku powinien go stłumić, ale tak się nie stało. Końcówka mocy, będąca następnym blokiem, miała (niestety) niski CMRR, więc nic na to nie mogłem poradzić. Poza tym, umówmy się, szum w analogowym sygnale audio nie jest wskazany w jakiejkolwiek postaci. Kiedy podłączyłem wyjście LM317 bezpośrednio do wejścia (asymetrycznego) wzmacniacza, po odseparowaniu składowej stałej kondensatorem poczułem się jak nad wodospadem. Aha, tu cię mam! Nie zauważyłem objawów wzbudzania się stabilizatora, to był jego naturalny szum generowany na wyjściu.

Chwila główkowania i znalazłem szybką odpowiedź na szybkie pytanie – skoro LM317 jest źródłem szumu w tym układzie, to co będzie lepsze pod tym względem? Inny, lepszy stabilizator? Tylko ceny wysokie i z dostępnością ciężko. A co ma możliwie najmniejszy poziom szumów? Okazuje się, że zwykły dzielnik rezystancyjny, którego napięcie wyjściowe jest dodatkowo filtrowane dwoma różnymi kondensatorami – szczegóły pokazano na rysunku 3. Rezystancja wyjściowa wynosi 1 kΩ, więc kilkanaście czy nawet kilkadziesiąt mikroamperów, które by przez jego wyjście płynęły (wynikające z rozrzutów źródeł prądowych), nie zmienią znacząco potencjału kolektorów tranzystorów układu różnicowego.

Rysunek 3. Docelowy układ ustalający potencjał kolektorów tranzystorów układu różnicowego

Czy się udało? Oczywiście. Nie dokonywałem pomiaru wartości skutecznej napięcia szumów, bo i tak decydujące w tym wypadku były testy odsłuchowe, które wypadły znakomicie – szum stał się ledwie słyszalny, miał już akceptowalny poziom. Za całe zło w tym układzie był odpowiedzialny ów nieszczęsny LM317. Wystarczyło zastąpić go zwykłym dzielnikiem rezystancyjnym, który jest źródłem jedynie szumu termicznego o jednostajnym rozkładzie widmowym. Łatwo więc jest zawęzić jego pasmo, tym samym redukując jego poziom. Lekcja na przyszłość: niekiedy nie warto dążyć do „przepięknego” układu, bo można srogo przekombinować.

Michał Kurzela, EP

Artykuł ukazał się w
Elektronika Praktyczna
sierpień 2023
Elektronika Praktyczna Plus lipiec - grudzień 2012

Elektronika Praktyczna Plus

Monograficzne wydania specjalne

Elektronik listopad 2025

Elektronik

Magazyn elektroniki profesjonalnej

Raspberry Pi 2015

Raspberry Pi

Wykorzystaj wszystkie możliwości wyjątkowego minikomputera

Świat Radio listopad - grudzień 2025

Świat Radio

Magazyn krótkofalowców i amatorów CB

Automatyka, Podzespoły, Aplikacje listopad - grudzień 2025

Automatyka, Podzespoły, Aplikacje

Technika i rynek systemów automatyki

Elektronika Praktyczna listopad 2025

Elektronika Praktyczna

Międzynarodowy magazyn elektroników konstruktorów

Elektronika dla Wszystkich grudzień 2025

Elektronika dla Wszystkich

Interesująca elektronika dla pasjonatów