Urządzenia zasilające (3)

Urządzenia zasilające (3)

Poprzednią część cyklu zakończyłem na przypomnieniu właściwości i najważniejszych parametrów cewek indukcyjnych. W dzisiejszym artykule zaprezentuje szczegółowy opis przetwornic impulsowych zarówno nieizolowanych jak i izolowanych. Będą w nim zawarte podstawy teoretyczne ich działania. Jednak najpierw uzupełnię opis elementów stosowanych w powyższych układach o skrótowe informacje na temat elementów półprzewodnikowych.

Elementy półprzewodnikowe stosowane w przetwornicach impulsowych

Najważniejszym elementem w przetwornicach impulsowych jest klucz prądowy. Jest to zazwyczaj tranzystor przełączający bipolarny lub tranzystor mocy MOSFET. Obecnie najczęściej stosuje się tranzystory MOSFET, ponieważ pozwalają na uzyskanie mniejszego spadku napięcia podczas włączenia oraz mogą pracować przy dużo większych częstotliwościach – nawet do 1 MHz (tranzystorów bipolarnych nie stosuje się przy częstotliwości przekraczającej 50 kHz).

Jednak tranzystory MOSFET wymagają odpowiedniego układu sterującego. Zadaniem tego układu jest dostarczenie dużego impulsu prądowego w celu przeładowania pojemności bramki, z tego względu sterowniki tranzystorów MOSFET mają prąd wyjściowy z przedziału 0,5 A do nawet 10 A.

Kolejnym elementem półprzewodnikowym stosowanym w przetwornicach jest dioda. Ponieważ konwertery impulsowe pracują przy dużych częstotliwościach nie można stosować zwykłych diod prostowniczych. Najczęściej stosuje się w tych układach diody typu ultra-fast lub diody Schottky’ego. Lepsze parametry, czyli czas przełączania oraz spadek napięcia, jest przypisywany diodom Schottky’ego, jednak mają one niskie napięcie wsteczne i w układach, w których występują wysokie napięcia stosuje się zwykłe diody typu ultra-fast.

Czasy przełączania tranzystorów MOSFET są zazwyczaj mniejsze niż 50 ns, natomiast czasy wyłączania diod ULTRA-FAST nie przekraczają 100 ns. Rezystancja przewodzenia klucza MOSFET mieści się w granicach od pojedynczych mΩ do pojedynczych Ω. Tranzystory unipolarne mocy są zazwyczaj wykonywane jako tranzystory z kanałem wzbogaconym czyli normalnie zamknięte. Napięcie sterujące zazwyczaj wynosi od 5...10 V w zależności od wersji.

W układach przetwornic stosuje się także diody zabezpieczające transil. Ich kluczową cechą jest to, że mogą przyjąć krótki impuls bardzo dużej mocy i nie spowoduje to ich zniszczenia. Moc tego impulsu w zależności od typu diody może wynosić 500 W lub więcej. Diody transil mogą być jedno lub dwukierunkowe. Diody jednokierunkowe łączy się za zwyczaj szeregowo ze zwykłą diodą ultra-fast, jak pokazano na rysunku 1.

Rysunek 1. Połączenie szeregowe diody transil z diodą prostowniczą

Przetwornice nieizolowane

W układach elektronicznych często zachodzi potrzeba zamiany wartości napięcia zasilającego na niższą wartość (lub wyższą) albo wytworzenie napięcia ujemnego. Najlepiej do tego użyć przetwornic impulsowych, gdyż mają one wysoką sprawność więc konwersja napięcia odbywa się przy małych stratach mocy. Układy mają więc mniejsze wymiary i wytwarzają mniej ciepła.

Układ obniżający napięcie – Step-Down

Jednym z najczęściej stosowanych układów przetwornic jest układ obniżający napięcie – topologia Step-Down. Zajmuje on na rynku pierwsze miejsce zarówno pod względem ilości jak i różnorodności typów. Układy w tej konfiguracji dostępne są zarówno jako gotowe moduły jak i układy scalone działające samodzielnie (z wbudowanym kluczem) oraz jako sterowniki do przetwornic dużej mocy.

Rysunek 2. Schemat blokowy przetwornicy obniżającej napięcie

Schemat blokowy obrazujący działanie przetwornicy Step-Down jest pokazany na rysunku 2. Przy analizie tego układu przyjmuje się, że pojemność kondensatora C jest na tyle duża, że dla częstotliwości kluczowania występuje na nim prawie napięcie stałe, lecz jest zależne od średniego prądu cewki. Zasada działania jest następująca – klucz, który jest za zwyczaj tranzystorem bipolarnym lub unipolarnym jest na przemian włączany i wyłączany z określonym współczynnikiem wypełnienia – rysunek 3. W momencie włączenia klucza w cewce L zwiększa się strumień magnetyczny, a co za tym idzie prąd uzwojenia. Przyrost ten jest zależny od różnicy napięcia wejściowego i wyjściowego. W momencie wyłączenia klucza przepływ prądu przez cewkę możliwy jest dzięki diodzie D. Maleje on także proporcjonalnie do napięcia wyjściowego.

Rysunek 3. Przebiegi czasowe dla przetwornicy Step-Down

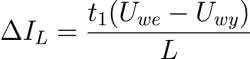
W trakcie normalnej pracy przyrost i spadek prądu płynącego przez cewkę musi się równoważyć jeśli ten warunek nie jest spełniony, to prąd cewki rośnie lub maleje w sposób ciągły, co powoduje wzrost lub spadek napięcia. Warunek ten może nie być spełniony w sytuacji, gdy indukcyjność cewki jest zbyt mała w stosunku do pobieranego prądu przez obciążenie i wartość prądu płynącego przez cewkę osiąga wartość zerową. Wtedy napięcie wyjściowe jest większe niż wynikające z powyższych zależności i ma na nie wpływ prąd obciążenia:

gdzie:

  • t1 – czas włączenia klucza,
  • t2 – czas wyłączenia klucza,
  • T – okres kluczowania,
  • n – współczynnik wypełnienia,
  • L – indukcyjność dławika,
  • ΔIL – przyrost prądu cewki.

Z powyższych zależności można wyznaczyć następujący wzór opisujący napięcie wyjściowe:

który jest spełniony, gdy

Powyższe zależności będą spełnione tylko dla elementów idealnych. W rzeczywistości na napięcie wyjściowe mają wpływ takie parametry jak: rezystancja klucza, rezystancja cewki (dławika), spadek napięcia na diodzie.

Układ podwyższający napięcie – Step-Up

Kolejną często stosowaną grupą przetwornic nieizolowanych są układy podwyższające napięcie – topologia Step-Up. Schemat blokowy tej konfiguracji jest pokazany na rysunku 4.

Rysunek 4. Schemat blokowy przetwornicy podwyższającej napięcie

Opis matematyczny tego układu jest analogiczny jak w poprzednim przypadku czyli przyrost prądu cewki (dławika) musi być zrównoważony przez jego spadek, w momencie wyłączenia klucza, kiedy prąd jest przekazywany do obciążenia. W momencie włączenia klucza na cewce występuje napięcie zasilania (wejściowe) natomiast podczas jego wyłączenia jest różnicą napięcia wyjściowego i wejściowego ale dla uproszczenia można przyjąć, że punktem odniesienia pomiaru tego napięcia jest napięcie wejściowe. Wtedy napięcie na cewce można oznaczyć jako UΔ, a napięcie wyjściowe jest sumą napięć: wejściowego i wartości UΔ.

czyli:

Wzór ten opisuje napięcie wyjściowe, gdy spełniony jest warunek:

gdzie

  • n – współczynnik wypełnienia.

W przypadku gdy powyższy warunek nie jest spełniony napięcie jest wyższe niż wynika ze wzoru i zależy od prądu obciążenia. W przypadku braku obciążenia teoretycznie osiąga wartość nieskończoną.

Rysunek 5. Przebiegi czasowe dla przetwornicy Step-Up

Układ wytwarzający napięcie ujemne

Kolejną odmianą przetwornic nieizolowanych z elementem indukcyjnym jest układ wytwarzający napięcie ujemne. Jest to modyfikacja poprzedniego układu. Wartość napięcia wyjściowego wyznacza się w taki sam sposób, z tym że do napięcia wyjściowego nie dodaje się napięcia zasilania. Schemat funkcjonalny tego układu pokazany jest na rysunku 6.

Rysunek 6. Schemat blokowy układu wytwarzającego napięcie ujemne

Wzór na napięcie wyjściowe przy założeniu, że prąd cewki nie osiąga wartości 0:

Wzór ten opisuje napięcie wyjściowe gdy spełniony jest warunek:

gdzie:

  • n – współczynnik wypełnienia.

W przypadku gdy powyższy warunek nie jest spełniony napięcie jest wyższe niż wynika ze wzoru i zależy od prądu obciążenia. W przypadku braku obciążenia teoretycznie osiąga wartość nieskończoną.

Układy sterowania przetwornicami DC-DC

Zazwyczaj przetwornice DC-DC mają stabilizowane napięcie wyjściowe i większość z nich pracuje ze stałą częstotliwością przełączania. Stabilizację napięcia wyjściowego uzyskuje się poprzez odpowiednią zmianę współczynnika wypełnienia sygnału kluczującego. Stosuje się do tego modulator współczynnika wypełnienia (PWM), który jest sterowany poprzez wzmacniacz błędu. Na wejścia wzmacniacza błędu podawane jest napięcie wyjściowe (najczęściej poprzez dzielnik) oraz napięcie odniesienia.

Ponieważ przetwornice DC-DC mają skomplikowaną odpowiedź dynamiczną bardzo ważną rzeczą jest kompensacja częstotliwościowa. Ponadto większość układów sterowania przetwornicami wyposażona jest w układ zabezpieczenia prądowego. W układach o stałej częstotliwości pracy stosuje się najczęściej generator napięcia piłokształtnego, z którego sygnał jest podawany na modulator PWM.

Rysunek 7. Schemat blokowy przetwornicy ze sprzężeniem zwrotnym

Schemat działania przetwornicy ze stabilizacją napięcia pokazany jest na rysunku 7. Na schemacie tym zawarto również układ kompensacji częstotliwościowej. Najważniejszym jego elementem jest kondensator C1. Spełnia on rolę funkcji całkowania. W niektórych układach, aby poprawić właściwości dynamiczne układu stosuje się człon różniczkujący – kondensator C2 i Rezystor R3. To rozwiązanie często spotykane w układach o zmiennym napięciu wyjściowym. Na rysunku 8 pokazano przykładowe zestawienie konfiguracji poszczególnych bloków układu sterowania przetwornicą DC-DC.

Rysunek 8. Schemat obrazujący konfigurację bloków układu sterowania przetwornicy DC-DC

Redukcja zakłóceń w przetwornicach DC-DC

W układach przetwornic impulsowych występują zakłócenia po stronie pierwotnej, wynikające z impulsowego prądu wysokiej częstotliwości pobieranego przez układ, oraz pulsacje napięcia wyjściowego. W związku z tym stosuje się układy złożone z dławików i kondensatorów, takie jak na rysunku 9, które mają zredukować intensywność tych zjawisk.

Rysunek 9. Układ redukcji zakłóceń w przetwornicy DC-DC

Przykładowe aplikacje z użyciem układów scalonych

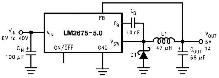
LM2675

Układ scalonej przetwornicy typu LM2675 obniżającej napięcie odznacza się dużą prawnością dzięki zastosowaniu kluczy złożonych z tranzystorów MOSFET. Układ pracuje z częstotliwością do 260 kHz. Występuje w wersji o napięciu wyjściowym 3,3 V, 5 V, 12 V oraz o regulowanym napięciu. Schemat typowej aplikacji ukłądu został pokazany na rysunku 10.

Rysunek 10. Schemat aplikacyjny układu scalonej przetwornicy Step-Down typu LM2675

LM3478

Układ ten pracuje w topologii Step-Up i jest przeznaczony do sterowania zewnętrznym kluczem MOSFET z częstotliwością do 1 MHz. Jest przystosowany do szerokiego zakresu napięć wejściowych 2,97...40 V. Przykładowa aplikacja układu została pokazana na rysunku 11.

Rysunek 11. Przykładowa aplikacja przetwornicy Step-Up z układem LM3478

Przetwornice izolowane

W zasilaczach sieciowych napięcie wyjściowe musi być odizolowane od napięcia wejściowego. W związku z tym należy w tych układach stosować przetwornice impulsowe, w których zastosowany jest transformator. Przetwornice izolowane stosuje nie tylko w zasilaczach, ale również w układach, gdzie chcemy rozdzielić masy w celu zmniejszenia zakłóceń. W zależności od mocy wyjściowej stosuje się różne konfiguracje tych układów, które różnią się topologią, stopniem złożoności oraz sprawnością.

Przetwornice Fly-Back

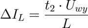
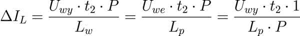
Jest to najprostsza konfiguracja przetwornicy impulsowej i bardzo często stosowana do niewielkich mocy, które nie przekraczają około 150 W. Schemat blokowy przetwornicy tego typu został pokazany na rysunku 12. W układzie znajduje się jeden transformator i nie wymaga on więcej elementów indukcyjnych. Dodatkową zaletą tego rodzaju konwertera jest to, że może wytwarzać wiele napięć wyjściowych.

Rysunek 12. Schemat blokowy przetwornicy w układzie Fly-Back

Zasada działania tego układu jest następująca: W pierwszym cyklu otwarty zostaje klucz i w transformatorze powstaje strumień magnetyczny, natomiast w momencie wyłączenia klucza energia zgromadzona w rdzeniu transformatora jest przekazywana do uzwojenia (uzwojeń) wtórnych – rysunek 13.

Rysunek 13. Przebiegi czasowe dla przetwornicy typu Fly-Back

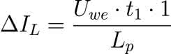
Analiza działania tego układu jest taka sama jak dla przetwornicy podwyższającej napięcie. Różnica polega tylko na tym, że należy uwzględnić przekładnie transformatora. W związku z tym podam zależności z których wynika wartość napięcia wyjściowego.

gdzie:

  • Lp – indukcyjność uzwojenia pierwotnego,
  • Lw– indukcyjność uzwojenia wtórnego,
  • P – przekładnia transformatora (stosunek ilości zwojów uzwojenia wtórnego do pierwotnego).

Wzór opisujący napięcie wyjściowe gdy spełnione jest założenie, że strumień w rdzeniu nie osiąga wartości 0, jest następujący:

gdzie:

  • n – współczynnik wypełnienia.

W przypadku gdy powyższy warunek nie jest spełniony napięcie jest wyższe niż wynika to z wyprowadzonej zależności i przy braku obciążenia teoretycznie może mieć wartość nieskończoną.

Wskazówki praktyczne przy stosowaniu przetwornicy typu Fly-Back

Przetwornice w układzie Fly-Back mają zazwyczaj niewielkie indukcyjności uzwojeń oraz małą przenikalność rdzenia. To powoduje, że w transformatorze występuje dość duża indukcyjność rozproszenia. Podczas wyłączenia klucza powstanie impuls napięciowy o dużej wartości. Aby uchronić klucz przed uszkodzeniem stosuje się najczęściej diody zabezpieczające tzw. transil lub układ złożony z szybkiej diody oraz rezystora i kondensatora – rysunek 14. Ten drugi rodzaj zabezpieczenia stosuje się w układach większej mocy, w których średnia moc tłumionego impulsu jest zbyt duża i mogłaby uszkodzić diodę transil.

Rysunek 14. Układy do redukcji przepięcia w przetwornicy typu Fly-Back

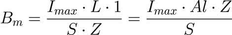
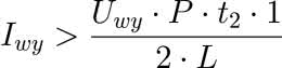
Drugą ważną rzeczą, na którą należy zwrócić uwagę przy projektowaniu przetwornic Fly-Back jest maksymalna indukcja magnetyczna strumienia w rdzeniu. Nie może ona przekraczać maksymalnej wartości dla danego materiału:

gdzie:

  • IMAX – maksymalny prąd uzwojenia pierwotnego,
  • L – indukcyjność uzwojenia pierwotnego,
  • S – powierzchnia przekroju rdzenia [m²],
  • Z – liczba zwojów uzwojenia pierwotnego,
  • AL – współczynnik materiałowy (opisany w części poświęconej elementom indukcyjnym).

Klucze w przetwornicach to najczęściej tranzystory bipolarne lub unipolarne. Tranzystory bipolarne jednak stosuje się dla niskich częstotliwości – do ok. 50 kHz, natomiast klucze MOSFET mogą pracować z częstotliwościami wyższymi od 100 kHz. Ponadto układy z tranzystorami MOSFET mają zazwyczaj większą sprawność. Należy również dobrać tranzystor o odpowiednim napięciu maksymalnym ponieważ w czasie wyłączenia klucza na tranzystorze występuje napięcie wyższe niż napięcie zasilania:

gdzie:

  • P – przekładnia transformatora.

Układ typu Forward

W zasilaczach większych mocy stosuje się rozwiązania, w których energia jest przekazywana przez transformator bezpośrednio. Czyli w momencie gdy płynie prąd w uzwojeniu pierwotnym również prąd jest pobierany z uzwojenia wtórnego. Takie rozwiązanie powoduje, że można stosować rdzenie o dużej przenikalności magnetycznej. Dzięki temu zmniejsza się indukcyjność rozproszenia i ma ona mniejszy wpływ na działanie układu. Najmniej złożoną konfiguracją tego typu jest układ typu Forward. Składa się on z jednego klucza oraz obwodu usuwającego strumień magnetyczny z rdzenia w którego skład wchodzi dioda oraz dodatkowe uzwojenie o takiej samej liczbie zwojów jak uzwojenie pierwotne – rysunek 15.

Rysunek 15. Schemat blokowy układu typu Forward

Rzeczywisty transformator można traktować jako równoległe połączenie cewki oraz idealnego transformatora. Czyli w momencie włączenia klucza energia jest przekazywana do obciążenia, a w cewce pojawia się liniowo narastający prąd, który jest proporcjonalny do napięcia na uzwojeniu pierwotnym. W momencie wyłączenia klucza energia zgromadzona w rdzeniu (która nie ma związku z energią przekazywaną do uzwojenia pierwotnego) w postaci strumienia magnetycznego jest zwracana do zasilania po przez dodatkowe uzwojenie i diodę D1 – rysunek 16. Uzwojenie rozmagnesowywujące może być nawinięte cienkim drutem i zazwyczaj nawija się je razem z uzwojeniem pierwotnym. Z powyższej zasady działania tego układu wynika, że może on pracować z współczynnikiem wypełnienia nie przekraczającym 50%.

Rysunek 16. Przebiegi czasowe prądów i napięć w przetwornicy typu Forward

Jeśli chodzi o stronę wtórną to składa się ona z prostownika oraz układu LC, którego działanie jest analogiczne jak dla konwertera DC-DC opisanego w poprzednim rozdziale. Czyli napięcie wyjściowe wynosi:

dla

gdzie:

  • n – współczynnik wypełnienia,
  • P – Przekładnia transformatora,
  • t1 – czas włączenia klucza,
  • L – indukcyjność dławika wyjściowego.

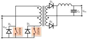
Układy typu Push-Pull i Half-Bridge

Układy te, a zwłaszcza konfiguracja półmostkowa, są najczęściej stosowane w przetwornicach dużej mocy. Ich zaletami w porównaniu z układem z poprzedniego punktu jest to, że mogą pracować ze współczynnikiem wypełnienia do 100%. Co powoduje lepsze wykorzystanie transformatora i umożliwia zmniejszenie liczby zwojów wtórnych. Układy te mają dwa klucze i wymagają zastosowanie dławika wyjściowego.

Rysunek 17. Układ w topologii Push-Pull

Na rysunku 17 pokazano układ w konfiguracji Push-Pull, a na rysunku 18 układ w konfiguracji Half-Hidge.

Rysunek 18. Układ w topologii Half-Bridge

Rysunek 19 pokazuje przebiegi czasowe przetwornicy.

Rysunek 19. Wykresy napięcia uzwojenia pierwotnego, prądu uzwojenia pierwotnego pod obciążeniem oraz prądów kluczy bez obciążenia dla układu Half-Bridge

Układ w konfiguracji Half-Bridge jest znacznie częściej stosowany w zasilaczach sieciowych niż układ Push-Pull, gdyż na kluczach w tym rodzaju przetwornicy występują niższe napięcia (w układzie Push-Pull na kluczach występuje napięcie dwa razy większe od napięcia wejściowego). Zaletą układu Push-Pull jest to, że tranzystory kluczujące działają na poziomie masy co ułatwia ich sterowanie. W rozwiązaniu Half-Bridge, emiter (dla tranzystora bipolarnego) lub źródło (dla tranzystora unipolarnego) jest podłączone do napięcia wyjściowego co wymaga zastosowania do ich sterowania transformatora lub układu bootstrap.

Jak widać ze schematów funkcjonalnych na uzwojenia transformatora jest podawane na przemian przeciwne napięcie, które jest prostowane po stronie wtórnej przy pomocy mostka Delona. Obwód wyjściowy składający się z elementów L, C2 pełni analogiczną rolę jak w przetwornicy obniżającej napięcie opisanej w poprzednim rozdziale. Diody D1 i D2 służą do zwierania obwodu dla prądu magnesowania rdzenia (IΔ) w momencie wyłączenia obydwu kluczy.

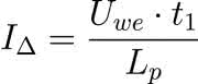
Od indukcyjności uzwojenia pierwotnego zależy prąd spoczynkowy transformatora. Ma on niewielki wpływ na pobór mocy przez zasilacz ponieważ ma charakter urojony (jest on zwracany do źródła zasilania) jednak wpływa na straty wynikające ze zjawisk pasożytniczych elementów stosowanych w przetwornicy. Najwygodniej przyjąć, że prąd spoczynkowy powinien być 10 razy mniejszy od maksymalnego prądu uzwojenia pierwotnego:

dla

gdzie:

  • n – współczynnik wypełnienia,
  • P – Przekładnia transformatora,
  • t1 – czas włączenia kluczy,
  • t2 – czas wyłączenia kluczy,
  • L – indukcyjność dławika wyjściowego,
  • Lp – indukcyjność uzwojenia pierwotnego,
  • IΔ – szczytowa wartość prądu spoczynkowego.

Tomasz Krogulski
krogul70@gmail.com

Artykuł ukazał się w
Elektronika Praktyczna
lipiec 2023
Elektronika Praktyczna Plus lipiec - grudzień 2012

Elektronika Praktyczna Plus

Monograficzne wydania specjalne

Elektronik listopad 2025

Elektronik

Magazyn elektroniki profesjonalnej

Raspberry Pi 2015

Raspberry Pi

Wykorzystaj wszystkie możliwości wyjątkowego minikomputera

Świat Radio listopad - grudzień 2025

Świat Radio

Magazyn krótkofalowców i amatorów CB

Automatyka, Podzespoły, Aplikacje listopad - grudzień 2025

Automatyka, Podzespoły, Aplikacje

Technika i rynek systemów automatyki

Elektronika Praktyczna listopad 2025

Elektronika Praktyczna

Międzynarodowy magazyn elektroników konstruktorów

Elektronika dla Wszystkich grudzień 2025

Elektronika dla Wszystkich

Interesująca elektronika dla pasjonatów