Pomiary RF (2). Co znajduje się w środku tłumika RF

Pomiary RF (2). Co znajduje się w środku tłumika RF

Technologie radiowe są niełatwym wyzwaniem nawet dla doświadczonych elektroników. Elementy używane w systemach tego rodzaju znacznie różnią się od komponentów, stosowanych w obwodach sygnałów o niższej częstotliwości. Dotyczy to nawet tak trywialnego elementu jak tłumik. W zaprezentowanym artykule wyjaśnimy, jak działa tłumik (atenuator) stosowany w systemach radiowych. Idea działa tego elementu jest w miarę zrozumiała – zachowuje się podobnie, jak dzielnik napięcia, zmniejszając amplitudę sygnału na wyjściu. Jednak jego budowa wewnętrzna i to na co ma wpływ architektura tego elementu nie jest już tak oczywiste. Oprócz samej budowy i zasady działania omówimy, także kluczowe parametry tego elementu i kryteria doboru do różnych aplikacji.

Tłumik jest elementem sterującym, którego główną funkcją jest zmniejszenie natężenia przechodzącego przez niego sygnału. Przykładową aplikację pokazuje fotografia 1. Ten typ elementu jest zwykle używany do równoważenia poziomów sygnału w łańcuchu sygnałowym, rozszerzania zakresu dynamicznego systemu, a także zapewniania dopasowania impedancji oraz stosowania różnych technik kalibracji w szeregu aplikacji.

Fotografia 1. Przykładowa aplikacja tłumika RF

Rodzaje tłumików

Z funkcjonalnego punktu widzenia, tłumiki RF można sklasyfikować, jako tłumiki stałe – z niezmiennym poziomem tłumienia – oraz tłumiki zmienne, tj. z regulowanym poziomem tłumienia sygnału. W zależności od formy sterowania współczynnikiem tłumienia zastosowanej w tłumiku nastawnym, można je z kolei klasyfikować, jako tłumiki zmienne sterowane napięciowo (VVA), czyli ze sterowaniem analogowym i tłumiki cyfrowe (DSA) sterowane przez interfejsy cyfrowe (szeregowe bądź równoległe).

Tłumiki VVA zapewniają ciągłą regulację poziomów tłumienia, które można ustawić na dowolną wartość z zakresu możliwego do osiągnięcia danym elementem. Tłumiki sterowane analogowo są zwykle stosowane w obwodach automatycznej regulacji wzmocnienia, systemach korekcji i kalibracji oraz w innych funkcjach przetwarzania, w których wymagana jest płynna i precyzyjna kontrola sygnału. Strukturę takiego komponentu pokazuje rysunek 1.

Rysunek 1. Uproszczona struktura tłumika VVA (sterowanego napięciowo)

Z kolei tłumiki DSA oferują możliwość ustawiania jedynie dyskretnych poziomów tłumienia, umożliwiających regulację siły sygnału z określonym krokiem. Cyfrowo sterowane scalone tłumiki RF oferują interfejsy sterowania, kompatybilne z interfejsami mikrokontrolerów i stanowią dobre rozwiązanie do zachowania integralności funkcjonalnej w złożonych projektach. Strukturę takiego komponentu pokazuje rysunek 2.

Rysunek 2. Uproszczona struktura tłumika DSA (ze sterowaniem cyfrowym)

Topologie tłumików

Zintegrowane tłumiki mogą być realizowane w różnych technologiach, różniących się materiałem układu bądź zastosowanym procesem. Używa się, tak jak w innych układach radiowych, materiałów takich jak GaAs, GaN, SiC lub klasycznego procesu CMOS przy użyciu rezystorów, diod PIN, tranzystorów FET, HEMT i CMOS. Na rysunku 3 pokazano trzy podstawowe topologie, które stosuje się do konstrukcji różnych typów i konfiguracji tłumików: sieci typu T, typu π i sieci typu zmostkowane-T.

Rysunek 3. Podstawowe topologie tłumików: a) sieci typu T, b) typu π, c) sieci mostkowe

Tłumiki o stałej wartości tłumienia wykorzystują pokazane powyżej podstawowe topologie zrealizowane za pomocą rezystorów w technologii hybrydowej cienkowarstwowej lub grubowarstwowej, aby zapewnić stałe poziomy tłumienia. Tłumiki typu VVA zwykle używają konfiguracji typu T lub π z elementami diodowymi lub tranzystorowymi działającymi w nieliniowym obszarze rezystancji. Charakterystyki rezystancyjne elementów bazowych są stosowane do regulacji wymaganego poziomu tłumienia poprzez zmianę ich napięcia sterującego.

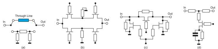
Z kolei układy DSA zazwyczaj zawierają wiele połączonych ze sobą kaskadowo jednostek reprezentujących poszczególne bity, które można włączać i wyłączać, aby osiągnąć wymagany poziom tłumienia. Kilka przykładów konfiguracji stosowanych w urządzeniach typu DSA pokazano na rysunku 4. Obejmują one konfiguracje ze zintegrowanymi przełącznikami SPDT, które przełączają porty wejściowe i wyjściowe z tłumikiem i obejściem, projekty urządzeń z przełączaną skalą z tranzystorami lub diodami używanymi, jako przełączane rezystancje, a także konfigurację z przełączanym rezystorem, w której rezystory mogą być włączane lub wyłączane z obwodu; pokazana jest także konstrukcja typu wbudowanego w urządzenie z tranzystorem lub diodą, jako integralną częścią tłumika.

Rysunek 4. Przykłady konfiguracji DSA: a) konfiguracja typu π ze zintegrowanymi przełącznikami, b) konfiguracja z FET z przełączaną skalą, c) konfiguracja z przełączanym rezystorem, d) konfiguracja z wbudowanym w tłumik tranzystorem FET

Niezależnie od topologii elementy tłumika można skonfigurować w układzie odbiciowym lub zrównoważonym, schematycznie pokazanych na rysunku 5. Układy typu odbiciowego zawierają identyczne tłumiki podłączone do wyjścia sprzęgacza kwadraturowego 3 dB i zazwyczaj oferują duży zakres dynamiki. Konfiguracje symetryczne łączą parę identycznych tłumików przy użyciu dwóch sprzęgaczy kwadraturowych 3 dB i zapewniają wysoki napięciowy współczynnik fali stojącej (VSWR), a także możliwość pracy z wysoką mocą w układzie.

Rysunek 5. Topologie tłumika: a) typu odbiciowego, b) typu symetrycznego

Oprócz wymienionych powyżej konfiguracji, które opisane są w tym artykule, istnieją oczywiście inne architektury obwodów tłumiących, używane jako scalone tłumiki RF, jednak ich analiza wykracza poza zakres tego krótkiego tekstu, tym bardziej, że są one rzadziej stosowane.

Kluczowe parametry

Aby wybrać odpowiedni typ tłumika dla danej aplikacji końcowej inżynier musi dobrze rozumieć kluczowe specyfikacje tego elementu. Poza możliwościami w zakresie tłumienia i pewnymi podstawowymi parametrami, takimi jak straty wtrąceniowe i odbiciowe, do opisu elementów tłumika używane są różne inne parametry, z których najważniejsze to (w nawiasach podane są jednostki, w jakich typowo podaje się dany parametr układu):

  • zakres częstotliwości pracy (Hz): częstotliwości, w których dany układ zachowuje swoją określoną charakterystykę;
  • tłumienie (dB): poziom tłumienia przekraczający tłumienie wtrąceniowe;
  • pasmo przenoszenia: zmiana poziomu tłumienia (dB) w całym zakresie częstotliwości (Hz);
  • zakres tłumienia (dB): całkowita wartość tłumienia oferowana przez komponent;
  • liniowość wejściowa (dBm): liniowość charakterystyki zwykle wyrażana, jako punkt przecięcia trzeciego rzędu (IP3) określający hipotetyczny punkt dla poziomu mocy wejściowej, przy którym moc odpowiadających rzekomych sygnałów osiągnęłaby poziom składowej podstawowej;
  • moc maksymalna (dBm): jest zwykle opisywana, jako wejściowy punkt kompresji 1 dB, określający poziom mocy wejściowej, przy którym tłumienie wtrąceniowe zmniejsza się o 1 dB; charakterystyka mocy jest często określana dla średnich i szczytowych poziomów mocy wejściowej dla stanów ustalonych i przejściowych;

Faza względna (°): przesunięcie fazy wprowadzone do sygnału przez element.

Oprócz tych parametrów, które są wspólne dla wszystkich tłumików, tłumiki zmienne posiadają szereg charakterystycznych dla siebie parametrów, które określają ich parametry dynamiczne, specyfikujące charakterystykę przełączania. Zazwyczaj są to parametry wyrażane w nanosekundach, takie jak czas narastania i opadania, czas włączania i wyłączania oraz inne parametry, takie jak czas ustalania się amplitudy i fazy sygnału wyjściowego RF.

Istnieją również specyficzne cechy charakterystyczne dla każdego typu tłumików zmiennych. W przypadku tłumików VVA są one związane ze sterowaniem analogowym tych elementów i obejmują:

  • zakres napięcia regulacji (V): zakres napięć, wymaganych do regulacji poziomu tłumienia w pełnym zakresie tłumienia;
  • charakterystyki sterowania zwykle wyrażane, jako nachylenie tłumienia (dB/V) lub krzywe pokazujące poziom tłumienia w funkcji napięcia sterującego.

W przypadku tłumików DSA podawane są parametry takie jak:

  • dokładność tłumienia (dB) (znana również, jako błąd stanu): granica zmienności poziomu tłumienia w stosunku do wartości nominalnej;
  • wielkość kroku tłumienia (dB): minimalny krok pomiędzy dowolnymi dwoma kolejnymi stanami tłumienia;
  • błąd kroku (dB): granica zmienności wielkości kroku tłumienia w stosunku do wartości nominalnej;
  • przeregulowanie/niedoregulowanie (dB): poziom zakłóceń przejściowych podczas zmian stanu tłumika.

Dobry element tłumiący to taki, który zapewnia płaską charakterystykę tłumienia w całym zakresie swojej pracy oraz wysoki VSWR w całym zakresie częstotliwości, dla jakich specyfikowany jest element. Pozwala to zapewnić wysoką dokładność sygnału. Dodatkowo, od tłumika oczekiwać można zdolności do pracy z dosyć wysoką mocą, gdyż często elementy takie stosowane są do tłumienia sygnału na wyjściu układów mocy, przed podaniem go np. do systemu pomiarowego. Tłumiki zmienne muszą zapewniać płynną, pozbawioną zakłóceń pracę z niewielkimi zniekształceniami sygnału podczas zmian stanu oraz zapewnić możliwie liniową charakterystyka tłumienia w funkcji sygnału sterującego.

Podsumowanie

Szeroka różnorodność scalonych tłumików RF z pewnością nie ogranicza się tylko do tych omówionych w tym artykule. Na rynku dostępne są również inne typy układów scalonych, w tym tłumiki zależne od częstotliwości i tłumiki z kompensacją fazową, tłumiki sterowane termicznie, programowalne tłumiki VVA ze zintegrowanym przetwornikiem cyfrowo-analogowym (DAC) i inne. W tym artykule skupiliśmy się na najbardziej typowych kategoriach scalonych tłumików RF, a także omówiliśmy ich główne topologie i kluczowe parametry, które mogą pomóc projektantom systemów RF w wyborze odpowiedniego komponentu do aplikacji końcowej.

Nikodem Czechowski, EP

Źródło:
https://www.analog.com/en/analog-dialogue/raqs/raq-issue-204.html

Artykuł ukazał się w
Elektronika Praktyczna
listopad 2022
Elektronika Praktyczna Plus lipiec - grudzień 2012

Elektronika Praktyczna Plus

Monograficzne wydania specjalne

Elektronik listopad 2025

Elektronik

Magazyn elektroniki profesjonalnej

Raspberry Pi 2015

Raspberry Pi

Wykorzystaj wszystkie możliwości wyjątkowego minikomputera

Świat Radio listopad - grudzień 2025

Świat Radio

Magazyn krótkofalowców i amatorów CB

Automatyka, Podzespoły, Aplikacje listopad - grudzień 2025

Automatyka, Podzespoły, Aplikacje

Technika i rynek systemów automatyki

Elektronika Praktyczna listopad 2025

Elektronika Praktyczna

Międzynarodowy magazyn elektroników konstruktorów

Elektronika dla Wszystkich grudzień 2025

Elektronika dla Wszystkich

Interesująca elektronika dla pasjonatów