Budujemy mosty - czyli mostki pomiarowe w elektronice (1)

Budujemy mosty - czyli mostki pomiarowe w elektronice (1)

Pomiary wartości fizycznych stawiają przed elektroniką wiele wyzwań. Wiele z nich można rozwiązać stosowaniem technik cyfrowych. Jednak coraz doskonalsze przetworniki analogowo-cyfrowe, czy procesory z mocą obliczeniową zdolną do cyfrowego przetwarzania sygnałów w czasie rzeczywistym, nie zastąpią poprawnie zaprojektowanego toru analogowego w kluczowym miejscu systemu pomiarowego.

Jedną z często stosowanych topologii w układach analogowych jest tzw. mostek. W poniższym artykule oraz kolejnych jego częściach omówimy, czym są i jak stosuje się układy pomiarowe w postaci mostka. Tego rodzaju elementy stosowane są, jako elementy systemów elektronicznych w torach pomiarowych z różnego rodzaju sensorami, ale także jako elementy warsztatowych urządzeń pomiarowych, służących do pomiaru np. rezystancji. O ile, jako układy pomiarowe stosowane są coraz rzadziej, to jako element toru analogowego, topologia mostka stosowana jest cały czas w bardzo szerokim zakresie.

Czym jest mostek pomiarowy

Każdemu elektronikowi znany powinien być układ prostujący – mostek Graetza. Są to diody umieszczone w konfiguracji mostka, które w takim układzie działają, jako prostownik dwupołówkowy. Tak właśnie wyglądają elementy w topologii mostka. Na rysunku 1 został pokazany uogólniony, najprostszy schemat mostka pomiarowego. Jest to wymyślony w latach 30. XIX wieku Mostek Wheatstone’a. Składa się on z czterech oporników (R1...R4) połączonych w kwadrat ABCD.

Rysunek 1. Uogólniony, najprostszy schemat mostka pomiarowego

W podstawowej konfiguracji jeden z oporników ma nieznaną rezystancję – RX, a analogiczny opornik w drugim ramieniu jest zmienny. Przeanalizujmy działanie tego układu. Pomiędzy punktami A oraz C przyłożone jest napięcie wzbudzenia VCC. Pomiędzy punkty B oraz D podłączony jest galwanometr/woltomierz. Załóżmy, że prąd przez niego płynący jest o wiele mniejszy, niż prąd płynący przez oporniki R1+R2 oraz R3+RX. W takiej sytuacji prąd IG, płynący przez galwanometr można pominąć, a ona ramiona mostka potraktować niezależnie, jako dwa dzielniki napięcia, zasilane VCC. W ten oto sposób:

 

 

To oznacza, że napięcie mierzone przez galwanometr pomiędzy punktami B oraz D – zwane napięciem niezrównoważenia – równe jest:

 

Dla uproszczenia przyjmijmy ze R1=R2=R3=R, a dodatkowo RX=R+ΔR. W takiej sytuacji napięcie niezrównoważenia równe będzie:

Jest to o wiele prostsza zależność, jednak ma nadal jedną kluczową trudność – nie jest liniowa. O ile w ograniczonym zakresie niewielkich ΔR może nie być to problemem, to, jeżeli konieczny jest pomiar w szerszym zakresie zmian rezystancji, konieczna może być software’owa linearyzacja lub… drobna zmiana w topologii układu.

Mostek z wieloma opornikami zmiennymi

Aby poprawić liniowość mostka lub też zwiększyć jego czułość można zmodyfikować topologię mostka i dodać dodatkowe sensory. Jeśli zamiast jednego, dwa lub cztery ramiona mostka zmieniać będą swoją rezystancję, napięcie niezrównoważenia będzie zmieniać się bardziej liniowo i z o wiele silniejszą zależnością od tych zmian.

Rysunek 2. Mostki Wheatstone’a a, b) z dwoma sensorami oraz c) z czterema sensorami

Na rysunku 2 pokazano trzy topologie mostka Wheatstone’a z dwoma (a i b) lub czterema (c) zmiennymi rezystancjami. Dla uproszczenia, nadal utrzymano konwencję równych oporników o rezystancji R i sensorów o rezystancji R±ΔR. Dla mostka z rysunku 2a napięcie niezrównoważenia opisane jest równaniem:

 

Jak widać, dodanie drugiego sensora pozwala zwiększyć dwukrotnie odpowiedź systemu, co jest intuicyjnie poprawne. Z drugiej strony, jak pokazano na rysunku 2b dodanie drugiego opornika zmiennego o przeciwnej charakterystyce (gdy jednego rezystancja rośnie, drugiego spada), pozwala zlinearyzować odpowiedź napięcia niezrównoważenia, co oznacza, że równe jest ono:

 

Jedynym problemem z wykorzystaniem architektury tego rodzaju, jest konieczność posiadania elementu o odwrotnej charakterystyce. Nie zawsze jest to możliwe. Można takie podejście zrealizować np. z tensometrami, jeśli umieścimy je tak, że jeden jest rozciągany, a drugi ściskany. Taka sama sytuacja ma miejsce z termistorami, z tym, że w układzie takim można zastosować dwa oporniki o odmiennych charakterystykach termicznych – PTC i NTC. W takiej sytuacji, przy np. wzroście temperatury rezystancja jednego spada, a drugiego rośnie. Jeśli mamy możliwość zastosować dwie pary takich sensorów, to napięcie niezrównoważenia będzie jeszcze mocniej zmieniało się w funkcji ΔR:

 

Implementacja tego rodzaju ma oczywiście także swoje wady, należą do nich między innymi:

  • wyższa cena – potrzebne jest więcej sensorów, które mogą być bardzo drogie;
  • większy poziom skomplikowania układu – instalacja i dobór oporników w układzie jest o wiele prostszy, niż montaż sensorów;

Ma także pewne nieoczywiste zalety, o których nie wspominaliśmy powyżej, są to między innymi:

  • kompensacja zmian np. termicznych, w przypadku sensorów, które mierzą inne własności fizyczne, ale są podatne również na zmiany temperatury (np. tensometry). Jeśli tylko wszystkie elementy utrzymane są w tej samej temperaturze, to ich rezystancja zmienia się wspólnie, wraz ze zmianami temperatury;
  • ułatwione jest projektowanie systemu, gdyż zredukowana jest liczba elementów, które znajdują się w systemie;
  • zmniejszają się wymagania, dotyczące dalszego toru analogowego, jako, że napięcie niezrównoważenia jest wyższe i liniowo zależne od zmiany rezystancji, co oznacza, że sygnał jest mniej podatny na zakłócenia i szum w pomiarze, a także wymaga mniejszego wzmocnienia czy filtracji sygnału, zmniejszając wymagania, dotyczące toru sygnałowego systemu.

Modyfikacje motka Wheatstone’a

Dziwnym było by, aby przez niemal 200 lat ludzkość nie wymyśliła żadnej innowacji w zakresie mostków pomiarowych. Powstało wiele różnych pochodnych mostka Wheatstone’a, które mają oczywiście swoje istotne zastosowania. Często są to zastosowania bardziej niszowe, na przykład pomiar niewielkich rezystancji, jednak ma to istotną implikację w wielu układach.

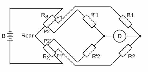
Rysunek 3. Mostek Kelvina

Klasyczną modyfikacją jest mostek Kelvina, którego uproszczony schemat został pokazany na rysunku 3. Dodaje on dodatkowe dwa oporniki, opisane na rysunku, jako RS oraz RX, które podłączone są w tzw. konfiguracji Kelvina, czyli czteroprzewodowej. To konfiguracja, w której do mierzonego elementu (w tym przypadku rezystora) dołączane są wie pary przewodów – jedne prądowe, a drugie napięciowe, co pozwala na uniknięcie wpływu spadku napięcia na rezystancji przewodów na pomiar. Jest to szczególnie istotne dla ustrojów pomiarowych mających do czynienia z małymi rezystancjami – mostek Kelvina jest typowym przykładem takiego ustroju, jako że przeznaczony jest do pomiarów rezystancji poniżej 1 Ω.

W przypadku tego rodzaju mostka, najciekawszym rozwiązaniem jest czteroprzewodowe podłączenie rezystorów. Często stosowane jest np. w systemach do pomiaru prądu. Z uwagi na to, topologia tego rodzaju zostanie omówiona w osobnej części cyklu.

Inną klasą mostków, są mostki zmiennoprądowe. Są to układy, w których wzbudzenie przykładane do mostka jest napięciem zmiennym (na ogół o ściśle określonej częstotliwości), a rezystory w mostku są zastąpione np. elementami indukcyjnymi lub pojemnościowymi.

Mostkom zmiennoprądowym poświęcona zostanie osobna część cyklu. Mimo iż mogą się wydawać podobne, mają szereg wyróżniających się aspektów.

W kolejnej części cyklu przyjrzymy się dokładniej układom elektronicznym, jakie są przeznaczone do współpracy z mostkami. Chodzi tutaj o szeroką grupę wzmacniaczy różnicowych i wzmacniaczy pomiarowych, których parametry dostosowane są do pracy właśnie z takimi elementami. W drugiej części omówimy sposób działania tych układów, typowe topologie, a także to, jak projektować i na co zwracać uwagę przy takich systemach.

Nikodem Czechowski, EP

Źródła:

  • https://bit.ly/3oSZ1mV
  • Wikipedia
  • Reza Moghimi, „Adjustable, High Voltage Supply Combines Precision and Repeatability for Sensor Bias Applications”, Analog Dialogue 38, maj 2004.
  • Precision Analog Applications Seminar, Bridge Measurement Sensor – Materiały firmy Texas Instruments.
  • Peter Semig, Collin Wells, Miro Oljaca, „Design tips for a resistive-bridge pressure sensor in industrial process-control systems”, Analog Applications Journal 3, 2015.
Artykuł ukazał się w
Elektronika Praktyczna
grudzień 2021
Elektronika Praktyczna Plus lipiec - grudzień 2012

Elektronika Praktyczna Plus

Monograficzne wydania specjalne

Elektronik listopad 2025

Elektronik

Magazyn elektroniki profesjonalnej

Raspberry Pi 2015

Raspberry Pi

Wykorzystaj wszystkie możliwości wyjątkowego minikomputera

Świat Radio listopad - grudzień 2025

Świat Radio

Magazyn krótkofalowców i amatorów CB

Automatyka, Podzespoły, Aplikacje listopad - grudzień 2025

Automatyka, Podzespoły, Aplikacje

Technika i rynek systemów automatyki

Elektronika Praktyczna listopad 2025

Elektronika Praktyczna

Międzynarodowy magazyn elektroników konstruktorów

Elektronika dla Wszystkich grudzień 2025

Elektronika dla Wszystkich

Interesująca elektronika dla pasjonatów