Seria S7-1500: moduł licznika technologicznego TM Count 2×24V

Seria S7-1500: moduł licznika technologicznego TM Count 2×24V
Pobierz PDF Download icon
Przedstawiamy kolejny moduł funkcjonalny z rodziny SIMATIC S7-1500: uniwersalny, dwukanałowy licznik technologiczny współpracujący m.in. z enkoderami różnego typu, przystosowany do pracy w trybie izochronicznym, wyposażony w zaawansowane mechanizmy konfiguracji i parametryzacji.

Podstawową funkcją realizowaną przez moduł TM Count (fotografia 1) jest zliczanie, które odnosi się do rejestrowania i sumowania zdarzeń. Liczniki modułu technologicznego przechwytują impulsy i sygnały enkodera i odpowiednio je analizują. Kierunek zliczania może być określony za pomocą enkodera, sygnałów impulsowych, lub programu użytkownika. Zliczanie można kontrolować przez wejścia cyfrowe. Wyjścia cyfrowe można przełączać dokładnie przy określonych wartościach licznika, niezależnie od programu użytkownika. Reakcje liczników można określić przy użyciu funkcji przedstawionych w dalszej części artykułu.

Właściwości modułu licznika technologicznego TM Count 2×24 V:

  • wbudowany interfejs enkodera 24 V A, B i N z wyjść czujników i enkoderów pobierających prąd (sinking), dostarczających prąd (sourcing) oraz przeciwsobnych (typu push-pull),
  • wyjście zasilania enkodera 24 V z zabezpieczeniem przeciwzwarciowym,
  • cyfrowe sygnały wejściowe DI0, DI1, i DI2 (na kanał),
  • cyfrowe sygnały wyjściowe DQ0 i DQ1 (na kanał),
  • zakres zliczania: 32-bity (na kanał)
  • monitorowanie sygnałów enkodera pod kątem przerwania przewodu można skonfigurować dla każdego kanału (kanał po kanale),
  • przerwania sprzętowe można skonfigurować dla każdego kanału (kanał po kanale),
  • filtry wejściowe do tłumienia zakłóceń na wejściach enkodera i wejściach cyfrowych mogą być konfigurowane,
  • obsługiwane typy enkoderów i sygnałów:
    – enkoder inkrementalny (przyrostowy) 24 V,
    – enkoder impulsowy 24 V z sygnałem kierunku,
    – enkoder impulsowy 24 V bez sygnału kierunku,
    – enkodery impulsowe 24 V dla impulsów zliczanych w górę oraz w dół,
  • obsługiwane funkcje:
    – tryb izochroniczny,
    – aktualizacja oprogramowania firmware,
    – dane identyfikacyjne I&M0.

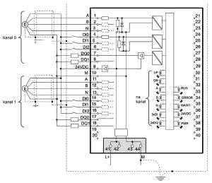
Schemat blokowy modułu technologicznego z dwoma podłączonymi enkoderami inkrementalnymi pokazano na rysunku 2. W każdej aplikacji należy uziemić ekrany kabli połączeń pomiędzy enkoderem a modułem technologicznym, przez podłączenie ekranu do złącza przedniego (przez zacisk i uchwyt ekranu) i do enkodera. Napięcie zasilania (DC 24 V) należy podłączyć do zacisków połączeniowych L+ (biegun dodatni) i M (masa). Wewnętrzny układ zabezpieczający chroni moduł technologiczny przed zmianą biegunowości napięcia zasilania. Moduł technologiczny monitoruje połączenie napięcia zasilania.

W celu zasilania enkoderów i czujników podłączonych do wejść cyfrowych, moduł technologiczny dostarcza na wyjściu 24 VDC napięcie zasilania o wartości 24 V DC względem masy M. Napięcie to jest dostarczane z zacisków zasilania L+ i M, i jest ono zabezpieczone przed zwarciami i przeciążeniami.

Granice zliczania

Granice zliczania wyznaczają użyteczny zakres wartości licznika. Granice zliczania są konfigurowalne i mogą być zmieniane podczas wykonywania programu użytkownika. Możliwa maksymalna wartość graniczna zliczania wynosi 2147483647 (231-1). Minimalna wartość graniczna zliczania wynosi -2147483648 (-231).

    Można skonfigurować następujące reakcje licznika dla granic zliczania:
  • kontynuowanie lub zatrzymanie zliczania po przekroczeniu granicy zliczania (automatyczne zablokowanie bramki),
  • ustawienie wartości licznika na wartość początkową lub inną wartość graniczną zliczania po przekroczeniu aktualnej granicy zliczania.


Wartość początkowa

Wartość początkową można ustawić w zakresie wartości granicznych zliczania. Może być ona zmieniana podczas wykonywania programu użytkownika. W zależności od konfiguracji, moduł technologiczny może ustawić aktualną wartość licznika na wartość początkową po synchronizacji, po uaktywnieniu funkcji przechwytywania (Captureactivation), po przekroczeniu granic zliczania, lub gdy bramka jest otwarta.

Sterowanie bramką

Otwieranie i zamykanie bramki sprzętowej i bramki programowej określa okres czasu, w którym są przechwytywane sygnały zliczania. Sterowanie bramką sprzętową odbywa się zewnętrznie przez wejścia cyfrowe modułu technologicznego. Sterowanie bramką programową odbywa się przez program użytkownika. Bramka sprzętowa może być włączona przez parametryzację (przypisanie wartości parametru). Bramka programowa (bit w interfejsie sterowania cyklicznych danych I/O) nie może być wyłączona.

Pomiary

    Dostępne funkcje pomiarowe:
  • Pomiar częstotliwości: średnia częstotliwość jest obliczana przy określonych przedziałach czasu pomiaru na podstawie przebiegu czasowego impulsów zliczania i zwracana w hercach w postaci liczby zmiennoprzecinkowej.
  • Pomiar okresu: czas trwania średniego okresu jest obliczany przy określonych przedziałach czasu pomiaru na podstawie przebiegu czasowego impulsów zlizliczania i zwracany w sekundach w postaci liczby zmiennoprzecinkowej.
  • Pomiar prędkości: średnia prędkość jest obliczana przy określonych przedziałach czasu pomiaru na podstawie przebiegu czasowego impulsów zliczania oraz innych parametrów, i zwracana w skonfigurowanej jednostce miary.


Czas aktualizacji

Można skonfigurować przedział czasu, w którym moduł technologiczny cyklicznie aktualizacje mierzone wartości, jako czas aktualizacji. Ustawianie dłuższych czasów aktualizacji umożliwia uśrednienie mierzonych wielkości i zwiększenie dokładności pomiaru.

Sterowanie bramką

Otwieranie i zamykanie bramki sprzętowej i bramki programowej określa okres czasu, w którym są przechwytywane sygnały zliczania. Czas aktualizacji jest asynchroniczny w odniesieniu do otwierania bramki, co oznacza, że czas aktualizacji nie rozpoczyna się, gdy bramka jest otwierana. Po zamknięciu bramki, ostatnia przechwycona wartość mierzona jest w dalszym ciągu zwracana.

Wartości porównawcze

Do sterowania dwoma wyjściami cyfrowymi kanału, można określić dwie wartości porównawcze. Jeżeli wartość mierzona spełni skonfigurowany warunek porównania, to odpowiednie wyjście cyfrowe można ustawić do inicjowania operacji sterowania bezpośrednio w procesie. Wartości porównawcze są konfigurowalne i mogą być zmieniane podczas wykonywania programu użytkownika.

    Funkcje pomiarowe mają następujące wartości graniczne zakresów pomiarowych:
  • pomiar częstotliwości: 0,04 Hz...800 kHz,
  • pomiar okresu: 1,25 ms...25 s,
  • pomiar prędkości: zależy od konfigurowanej liczby przyrostów w jednostce miary (increments per unit) oraz podstawy czasu dla pomiaru prędkości (time base for velocity measurement).


Wykrywanie pozycji do sterowania ruchem

Modułu technologicznego z enkoderem inkrementalnym można użyć do wykrywania pozycji w systemie sterowania ruchem S7-1500 Motion Control. Wykrywanie pozycji opiera się na funkcji zliczania modułu technologicznego, który analizuje przechwycone sygnały enkodera i wysyła je do systemu sterowania ruchem S7-1500 Motion Control. W oknie programu STEP 7 (środowiska projektowego TIA Portal) do konfiguracji urządzenia modułu technologicznego, należy wybrać opcję "Position input for Motion ConControl". Wybrany tryb będzie automatycznie zastosowany dla wszystkich kanałów modułu technologicznego.

Przechwytywanie

Można skonfigurować zbocze zewnętrznego sygnału odniesienia, które spowoduje zapisanie aktualnej wartości licznika jako wartości przechwyconej.

    Funkcję przechwytywania (Capture) mogą wywołać następujące sygnały zewnętrzne:
  • narastające lub opadające zbocze sygnału na wejściu cyfrowym,
  • oba zbocza sygnału na wejściu cyfrowym,
  • narastające zbocze sygnału N na wejściu enkodera.

Można określić, czy zliczanie w wyniku funkcji przechwytywania następuje od aktualnej wartości licznika czy od wartości początkowej.

Synchronizacja

Można także skonfigurować zbocze zewnętrznego sygnału odniesienia do ładowania określonej wartości początkowej do licznika.

    Następujące sygnały zewnętrzne mogą wywołać synchronizację:
  • narastające lub opadające zbocze sygnału na wejściu cyfrowym,
  • narastające zbocze sygnału N na wejściu enkodera,
  • narastające zbocze sygnału N na wejściu enkodera w zależności od poziomu sygnału na przypisanym wejściu cyfrowym.


Wartości porównawcze

Fotografia 1. Moduł TM Count

Do sterowania dwoma wyjściami cyfrowymi kanału, można określić dwie wartości porównawcze. Jeżeli wartość licznika spełni skonfigurowany warunek porównania, to odpowiednie wyjście cyfrowe można ustawić do inicjowania operacji sterowania bezpośrednio w procesie. Wartości porównawcze są konfigurowalne i mogą być zmieniane podczas wykonywania programu użytkownika.

Dla wartości porównawczych można określić histerezę, wewnątrz której wyjście cyfrowe będzie zabezpieczone przed ponownym włączeniem. Enkoder może przejść do stanu spoczynkowego przy określonej pozycji, a niewielkie ruchy mogą powodować zmiany wartości licznika wokół tej pozycji. Jeśli wartość porównawcza lub wartość graniczna zliczania znajdują się wewnątrz zakresu tych zmian, a histereza nie jest używana, to odpowiednie wyjście cyfrowe będzie włączane i wyłączane z odpowiednią częstotliwością. Histereza zabezpiecza przed tymi niepożądanymi operacjami włączania.

Przerwania sprzętowe

Moduł technologiczny może wywołać przerwanie sprzętowe w CPU, na przykład w przypadku wystąpienia zdarzenia porównania, nadmiaru lub niedomiaru, przekroczenia zera licznika, oraz lub zmiany kierunku zliczania (odwrócenia kierunku).

Moduł technologiczny może wywołać przerwanie diagnostyczne, na przykład w przypadku braku napięcia zasilania lub wystąpienia błędu na wyjściu cyfrowym. W celu zapewnienia odpowiedniej diagnostyki wszystkie przerwania diagnostyczne są dostępne. Do tłumienia zakłóceń, można skonfigurować filtr wejściowy dla wejść enkodera 24 V oraz wejść cyfrowych.

Przerwania diagnostyczne, do zapewnienia dodatkowej diagnostyki, uaktywnia się za pomocą podstawowych parametrów podczas konfiguracji urządzenia.

    Kiedy wystąpi zdarzenie, które wywołuje przerwanie diagnostyczne mają miejsce następujące okoliczności:
  • Dioda LED ERROR miga, po wyeliminowaniu błędu, dioda LED ERROR gaśnie.
  • CPU S7-1500 przerywa przetwarzanie programu użytkownika. Wywoływany jest blok organizacyjny OB przerwania diagnostycznego (np. OB 82). Zdarzenie, które wywołało przerwanie jest wprowadzane do informacji uruchomienia bloku organizacyjnego OB przerwania diagnostycznego.
  • S7-1500 pozostaje w trybie RUN, nawet jeśli w CPU nie występuje blok organizacyjny OB przerwania diagnostycznego. Moduł technologiczny nadal działa bez zmian, o ile jest to możliwe pomimo błędu.

Dla modułu technologicznego, można skonfigurować, które zdarzenia mają wywoływać przerwania sprzętowe podczas pracy. Zgodnie z konfiguracją moduł technologiczny wywołuje przerwania sprzętowe wtedy, gdy występują określone zdarzenia lub stany. Gdy wystąpi przerwanie sprzętowe, to CPU przerywa wykonywanie programu użytkownika i przetwarza przypisany blok organizacyjny (OB) przerwania sprzętowego. Zdarzenie, które wywołało przerwanie, jest wprowadzane przez CPU do informacji uruchomienia przypisanego OB przerwania sprzętowego. Aktywację przerwań sprzętowych użytkownik wykonuje w programie STEP 7 (środowiska projektowego TIA Portal) w oknie konfiguracji urządzenia modułu technologicznego wybierając "Basic parameters" (Parametry podstawowe) > "Channel" (Kanał) 1 lub 2 > "Hardware interrupts" (Przerwania sprzętowe).

Jeśli zachodzi zdarzenie, które ma wywołać przerwanie sprzętowe, a wcześniej wystąpiło już identyczne zdarzenie, które jeszcze nie zostało przetworzone, to następimpulne przerwanie sprzętowe nie zostanie wywołane. Wtedy przerwanie sprzętowe jest utracone. W zależności od przypisania parametrów, może to prowadzić do przerwania diagnostycznego "Hardware interrupt lost" (Przerwanie sprzętowe utracone).

Do wejść A, B i N można podłączyć następujące enkodery lub czujniki:

  • z wyjściem dostarczającym prąd (sourcing output): wejścia A, B i N są przełączane przez enkoder lub czujnik potencjałem napięcia 24 V DC;
  • z wyjściem pobierającym prąd (sinking output): wejścia A, B i N są przełączane przez enkoder lub czujnik potencjałem masy M;
  • z wyjściem przeciwsobnym (typu push-pull): wejścia A, B i N są przełączane przez enkoder lub czujnik na przemian potencjałem napięcia 24 V DC lub masy M. Przy tym typie enkodera lub czujnika jest możliwe monitorowanie pod kątem wystąpienia przerwania przewodu. Procedura wykrycia przerwania przewodu (naprzemienne przełączanie) umożliwia zmienić wartość licznika w przypadku wystąpienia błędu (przerwania przewodu), nawet bez zliczania impulsów, aż do wykrycia przerwania przewodu.

Tryb izochroniczny

Rysunek 2. Schemat blokowy modułu TM Count

Moduł technologiczny obsługuje funkcję systemową "isochronous mode" (tryb izochroniczny). Umożliwia ona rejestrowanie wartości pozycji, wartości licznika oraz wartości mierzonych w określonym cyklu systemu. Tryb izochroniczny, cykl programu użytkownika, transmisja sygnałów wejściowych i wyjściowych, oraz przetwarzanie sygnałów w module technologicznym są zsynchronizowane.

Sygnały licznika oraz enkodera 24 V

Sygnały enkodera 24 V są oznaczone literami A, B i N.

    Można podłączyć następujące typy enkoderów:
  • enkoder inkrementalny z sygnałem N: sygnały A, B i N są podłączone za pomocą odpowiednio oznakowanych zacisków. Sygnały A i B są dwoma sygnałami inkrementalnymi przesuniętymi w fazie o 90°. Sygnał N jest sygnałem znaku zera, który dostarcza jeden impuls na obrót.
  • enkoder inkrementalny bez sygnału N: sygnały A i B są podłączone za pomocą odpowiednio oznakowanych zacisków. Sygnały A i B są dwoma sygnałami inkrementalnymi przesuniętymi w fazie o 90°. Sygnał znaku zera N pozostaje odłączony.
  • enkodery impulsowe bez sygnału kierunku: sygnał zliczania jest podłączony do zacisku A. Kierunek zliczania jest określony za pomocą interfejsu sterowania. Sygnały enkodera B i N pozostają odłączone.
  • enkodery impulsowe z sygnałem kierunku: sygnał zliczania jest podłączony do zacisku A. Sygnał kierunku jest podłączony do zacisku B. Sygnał znaku zera pozostaje odłączony.
  • enkodery impulsowe z sygnałem zliczania w górę/w dół: sygnał zliczania w górę jest podłączony do zacisku A. Sygnał zliczania w dół jest podłączony do zacisku B. Sygnał znaku zera N pozostaje odłączony.

Wejścia obu kanałów zliczania nie są od siebie odizolowane. Wejścia są odseparowane galwanicznie od magistrali montażowej.

Aby tłumić zakłócenia, można skonfigurować filtr wejściowy dla wejściowych sygnałów zliczania A, B i N. Wybrana częstotliwość filtru zależy od stosunku czasu impulsu do czasu przerwy w zakresie od 40:60 do 60:40. To daje pewien ustalony czas impulsu lub przerwy. Zmiany sygnału o czasie trwania krótszym niż minimalny czas impulsu lub przerwy są tłumione.

Można określić wartości częstotliwości filtra w zakresie od 100 Hz (4,0 ms) aż do 200 kHz (2,0 ms).

Dostępne są trzy wejścia cyfrowe przypadające na kanał zliczania. Wejścia cyfrowe są wykorzystywane do sterowania bramką, synchronizacji, oraz funkcji przechwytywania. Wejścia cyfrowe obu kanałów zliczania nie są od siebie odseparowane galwanicznie.

Dostępne są także dwa wyjścia cyfrowe przypadające na kanał zliczania. Oba wyjścia cyfrowe DQ0 i DQ1 mogą być włączane lub przełączane bezpośrednio przez określone wartości porównawcze lub przez program użytkownika. Wyjścia cyfrowe dwóch kanałów zliczania nie są od siebie odseparowane galwanicznie. Wyjściami cyfrowymi są wyjścia dostarczające prąd, o potencjale 24 V względem masy M, i przez które może przepływać nominalny prąd obciążenia o wartości 0,5 A. Są one zabezpieczone przed przeciążeniami i zwarciami.

Andrzej Gawryluk

Artykuł ukazał się w
Elektronika Praktyczna
maj 2014
DO POBRANIA
Pobierz PDF Download icon
Elektronika Praktyczna Plus lipiec - grudzień 2012

Elektronika Praktyczna Plus

Monograficzne wydania specjalne

Elektronik listopad 2025

Elektronik

Magazyn elektroniki profesjonalnej

Raspberry Pi 2015

Raspberry Pi

Wykorzystaj wszystkie możliwości wyjątkowego minikomputera

Świat Radio listopad - grudzień 2025

Świat Radio

Magazyn krótkofalowców i amatorów CB

Automatyka, Podzespoły, Aplikacje listopad - grudzień 2025

Automatyka, Podzespoły, Aplikacje

Technika i rynek systemów automatyki

Elektronika Praktyczna listopad 2025

Elektronika Praktyczna

Międzynarodowy magazyn elektroników konstruktorów

Elektronika dla Wszystkich grudzień 2025

Elektronika dla Wszystkich

Interesująca elektronika dla pasjonatów