Automatyczny sterownik oświetlenia z LOGO! 8

Automatyczny sterownik oświetlenia z LOGO! 8
Pobierz PDF Download icon
Obecne czasy stoją pod znakiem ekologii połączonej z ekonomią. Szczególnie mocno widać to w dziedzinie oświetlenia. Staramy się oszczędzać energię elektryczną poprzez montowanie źródeł światła o jak najmniejszym poborze energii przy jednoczesnym zachowaniu właściwego natężenia światła. Bywa przy tym, że zapominamy o ważnym czynniku ludzkim, który powoduje, że nie zawsze planowane oszczędności są realizowane. Wynika to z faktu, iż zapominamy wyłączać oświetlenie lub rezygnujemy z jego wyłączenia, bo ?zaraz wracam?. Niestety, tysiące takich decyzji podejmowanych w ciągu roku wyraźnie obniżają planowane wcześniej oszczędności.

Coraz częściej daje się zauważyć, że w budynkach montowane są urządzenia do automatycznego wyłączania oświetlenia po zadanym czasie. Przykładem jest automat schodowy, który po użyciu przycisku oświetlenia klatki schodowej, włącza oświetlenie na zadany wcześniej czas np. 5 minut. Można w tym celu stosować gotowe moduły na szynę DIN35, np. ORNO pokazany na rysunku 1, lub zestaw do samodzielnego montażu, pokazany na rysunku 2.

Urządzenia te zdecydowanie poprawiają wyniki ekonomiczne niemniej nadal można je jeszcze poprawić, czyli zoptymalizować zużycie energii. Kolejnym urządzeniem, które pojawiło się na rynku wraz z rozwojem technologii, jest czujnik ruchu(PIR) realizowany z użyciem elementów odbierających i analizujących zmiany nasilenia promieniowania w zakresie podczerwieni. Powstało wiele konstrukcji do wielu zastosowań i różnych warunków środowiskowych.

Dzięki tym urządzeniom, coraz częściej mającym wbudowany czujnik jasności otoczenia, ograniczymy zużycie energii, gdyż będzie ono używane wyłącznie w sytuacji, gdy ktoś się porusza i na oświetlanym obiekcie jest zbyt ciemno. Zdawać by się mogło, że paleta możliwości obniżenia kosztów się wyczerpała. Mamy już wydajne źródła światła oraz w pełni zautomatyzowane układy włączające i wyłączające oświetlenie, które rozpoznają, czy jest potrzeba włączenia źródła światła, bazując na informacjach z czujników ruchu i jasności otoczenia.

Wspomniałem o elemencie ludzkim, który w algorytmie oszczędzania energii był tym, który powodował obniżenie skuteczności wprowadzonego rozwiązania. A może uda się użyć ludzkich wad jako zalet i postawić kolejny krok w stronę obniżenia zużycia energii? Potencjalnie ta idea jest wewnętrznie sprzeczna. Ale mamy LOGO! 8 i naszą pomysłowość.

Czy wcześniej przedstawione rozwiązania mają jakieś wady? Tak. Podstawowa wada to nadal nieoptymalne zużycie energii, spowodowane stałym minimalnym czasem włączenia źródła światła. Dla przykładu, jeśli czujka ruchu się uaktywni, to włączy oświetlenie na określony czas. Nigdy ten czas nie jest optymalny, ponieważ albo jest zbyt krótki i musimy się stale poruszać, albo jest zbyt długi, gdyż został ustawiony z pewnym zapasem. Poza tym próg jasności jest jeden i niezależnie od preferencji i potrzeb danej osoby czujnik ruchu włączy oświetlenie dopiero, gdy zmierzona jasność otoczenia obniży się poniżej zadanego progu, który również nie ma optymalnego punktu. Tu właśnie jest ukryty sposób na zwiększenie energooszczędności. Człowiek w swojej naturze stara się nie wykonywać czynności w jego ocenie niepotrzebnych. A zatem, jeśli nie musi włączać światła, to tego nie zrobi. Jednocześnie chcąc zaoszczędzić, chętniej je wyłączy. Za pomocą obecnych elementów, czyli automatu schodowego oraz czujki ruchu, nie uda się nam dokonać skoku jakościowego. Użyjemy do tego celu sterownika PLC Siemens LOGO! 8, który ma wejścia analogowe zdolne do pomiaru jasności otoczenia, komparatory analogowe, którymi możemy podjąć decyzję o potrzebie realizacji określonej czynności oraz bloki matematyczne i zegar czasu rzeczywistego. Komparatory działają podobnie jak bramki logiczne, ale używają sygnału analogowego i na wyjściu dają informację o tym, czy wartość analogowa osiągnęła już zadany próg, czy jeszcze nie. A to właśnie pozwoli nam na zbudowanie układu zwiększającego energooszczędność.

Zasada działania ma być następująca. Przy zbyt dużym oświetleniu otoczenia żadna lampa nie zadziała. Nie uruchomi jej ani czujka ruchu, ani przycisk na ścianie (zostawimy go do obsługi ręcznej). Gdy oświetlenie będzie słabsze, wówczas pozwolimy człowiekowi na ręczne włączenie oświetlenia, ponieważ może być dla niego już zbyt ciemno. Gdy oświetlenie obniży się jeszcze bardziej, poniżej drugiego progu, wówczas po uaktywnieniu się czujnika ruchu zostanie włączone oświetlenie. Człowiek jednak nadal będzie mógł wyłączyć światło ręcznie przyciskiem na ścianie. Można zapytać, gdzie ta oszczędność? W progu minimalnego poziomu jasności. Dzięki zastosowaniu LOGO! 8 możemy znacznie obniżyć próg jasności, przy którym czujniki ruchu włączą oświetlenie, jednocześnie pozostawiając decyzję człowiekowi, który może włączyć oświetlenie wcześniej, gdy jasność otoczenia obniży się poniżej pierwszego progu. Zatem oświetlenie będzie włączane później, wyłączane wcześniej, a człowiek będzie mógł również dostosować moment włączenia i wyłączenia oświetlenia zależnie od swoich potrzeb. Dodatkowo, w porze nocnej można włączać oświetlenie o mniejszym natężeniu, niż odbywa się to późnym popołudniem. Uzyskamy w ten sposób dodatkowe obniżenie poboru energii.

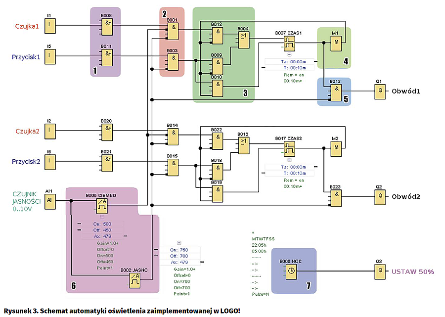
Zatem zbudujmy przykładowy układ dla dwóch identycznych obwodów oświetlenia, które będą miały wspólną konfigurację. Na rysunku 3 przedstawiono kompletny schemat logiki sterującej. Widać wyraźnie dwa identyczne segmenty złożone z dwóch wejść i jednego wyjścia oraz bloków od 1 do 5. Oba segmenty pobierają informacje z bloku nr 6, który na początek omówimy. Składa się on z dwóch identycznych elementów typu Analog treshold trigger, których zadaniem jest wykrywania określonego progu jasności otoczenia. Mają one wbudowaną histerezę, dzięki której uzyskamy stabilne sygnały osiągnięcia progu jasności. Element B005 informuje automatykę, że otoczenie osiągnęło jasność, przy której użytkownik może sam podjąć decyzję o tym, czy chce włączyć oświetlenie. Brak tego sygnału aktywuje pełną automatykę. Element B002 informuje automatykę, że jasność otoczenia przekroczyła próg najwyższej jasności, co skutkuje całkowitym zablokowaniem oświetlenia zarówno w wersji automatycznej, jak i ręcznej. Powyższe dwa sygnały są doprowadzone do obu segmentów do bloku 2 będącego bramą dla impulsów z bloku 1 formującego sygnały z wejść do postaci jednego impulsu. Zależnie od jasności otoczenia, blok 2 przepuszcza właściwy sygnał do bloku 3, który podejmuje decyzję o tym, czy włączyć oświetlenie czy wyłączyć. Do podjęcia decyzji jest potrzebna informacja z bloku nr 4, który zawiera marker. Dzięki markerowi możemy zawrócić informacją z wyjść bloków na ich wejścia. Bez markerów jest to niemożliwe.

Wyjścia Q mają dwa zaciski. Prawy zacisk wyjścia Q pełni funkcję markera i również może być używany do pobierania informacji dla wejść układu. Jednakże w naszym przypadku jest potrzebny marker, gdyż informacja jest pobierana jeszcze sprzed wyjścia. Blok 5 pełni funkcję bramki, której zadaniem jest wyłączanie oświetlenia w sytuacji, gdy z bloku nr 6 otrzyma informację o zbyt dużej jasności otoczenia. Wówczas niezależnie od stanu układu czasowego B007 (dla pierwszego obwodu) wyjście Q1 zostanie wyłączone.

Pozostał nam jeszcze ciekawy blok 7, którego zadaniem jest ustalanie, w jakich godzinach i którego dnia oświetlenie ma być włączane tylko na 50%. Jeżeli zainstalowane oświetlenie przewiduje taki sposób sterowania, można takie zadanie zrealizować poprzez rozłączanie połowy lamp oświetleniowych. Obniżenie oświetlenia do połowy można również zastosować w czasie, gdy wykrywane jest średnie oświetlenie czyli gdy element B005 podaje nam sygnał „1”.

Do testów układu użyjemy sprzętowego symulatora otoczenia KA-LOGO!-IO-SIMULATOR (rysunek 4), dzięki któremu łatwo możemy „regulować” jasność otoczenia, używając potencjometru lub zasłaniając wbudowany fotorezystor. Przedstawiony układ można rozbudować o kolejne obwody oświetleniowe. Jeśli planujemy zbudować oświetlenie klatki schodowej, możemy dodać obsługę oświetlenia przed wejściem jako dodatkową sekcję w ramach obwodu.

Przedstawiony układ można zastosować również do oświetlenia podjazdu pomiędzy bramą wjazdową i garażem. Po obu stronach bramy montujemy czujki ruchu. Z naszego sterownika bramy pobieramy sygnał o jej otwarciu. W sytuacji, gdy brama jest otwarta i najpierw pojawi się sygnał z czujki zewnętrznej, wówczas włączamy oświetlenie. W sytuacji, gdy najpierw pojawi się sygnał z czujki wewnętrznej, możemy wyłączyć światło.

Tak samo jak w poprzednich projektach, zachęcam do utworzenia własnych bloków UDF, dzięki którym tworzenie kolejnych rozwiązań będzie łatwiejsze i szybsze. Dotychczas zadbaliśmy o otoczenie domu, zatem przyszedł czas, aby w kolejnych projektach zautomatyzować nasz dom od środka. Czy i tutaj LOGO! 8 znajdzie swoje miejsce? Przekonamy się.

Arkadiusz Wernicki

Artykuł ukazał się w
Elektronika Praktyczna
listopad 2017
DO POBRANIA
Pobierz PDF Download icon
Elektronika Praktyczna Plus lipiec - grudzień 2012

Elektronika Praktyczna Plus

Monograficzne wydania specjalne

Elektronik listopad 2025

Elektronik

Magazyn elektroniki profesjonalnej

Raspberry Pi 2015

Raspberry Pi

Wykorzystaj wszystkie możliwości wyjątkowego minikomputera

Świat Radio listopad - grudzień 2025

Świat Radio

Magazyn krótkofalowców i amatorów CB

Automatyka, Podzespoły, Aplikacje listopad - grudzień 2025

Automatyka, Podzespoły, Aplikacje

Technika i rynek systemów automatyki

Elektronika Praktyczna listopad 2025

Elektronika Praktyczna

Międzynarodowy magazyn elektroników konstruktorów

Elektronika dla Wszystkich grudzień 2025

Elektronika dla Wszystkich

Interesująca elektronika dla pasjonatów