Transformatory do izolowanych przetwornic DC/DC dużej mocy

Transformatory do izolowanych przetwornic DC/DC dużej mocy

Topologie PSFB (Phase Shift Full Bridge) i FB-LLC (Full Bridge LLC) – za sprawą bardzo małych strat przełączania i przewodzenia – stosowane są w izolowanych przetwornicach HV o mocy wyjściowej od 500 W do 50 kW, m.in. w ładowarkach pojazdów elektrycznych. 

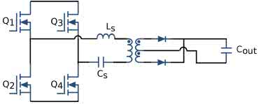
Topologia PSFB (rysunek 1) bazuje na pełnym mostku z przesunięciem fazowym – regulacja mocy odbywa się poprzez sterowanie czasem załączania tranzystorów.

Rysunek 1. Uproszczony schemat topologii PSFB

Zalety

  • Wysoka sprawność przy dużych mocach – dzięki przesunięciu fazowemu tranzystory są kluczowane w momencie, kiedy napięcie na nich jest minimalne, co redukuje straty przełączania.
  • Napięcie wyjściowe jest sterowane w szerokim zakresie poprzez zmianę przesunięcia fazowego pomiędzy Q1 i Q4.
  • Prosta topologia oznacza niewielką liczbę komponentów (niższe koszty produkcji).

Wady

  • Straty w stanie jałowym mogą być (ze względu na pracę w szerokim zakresie napięć wyjściowych) większe w porównaniu do innych topologii przetwornic.

Topologia FB-LCC (rysunek 2) to przetwornica o konstrukcji opartej na obwodzie rezonansowym (dławik + kondensator) do przełączania energii.

Rysunek 2. Uproszczony schemat topologii FB LLC

Zalety

  • Wysoka sprawność przy dużych mocach – dzięki pracy w rezonansie można uzyskać bardzo małe straty przełączania i dużą sprawność przy dużych mocach wyjściowych.
  • Szeroki zakres napięcia wyjściowego regulowany poprzez zmianę częstotliwości rezonansowej.
  • Niski poziom zakłóceń EMI dzięki pracy w rezonansie.

Wady

  • Skomplikowane sterowanie – regulacja mocy wyjściowej wymaga zmiany częstotliwości rezonansowej, co komplikuje układ sterowania.

Transformatory odgrywają kluczową rolę w działaniu obu opisanych topologii, dlatego tak istotne jest uwzględnienie strat mocy, częstotliwości i temperatury pracy oraz dobranie odpowiedniego kształtu rdzenia, materiału ferrytowego, a także rodzaju uzwojeń i izolacji.

Transformator do topologii PSFB należy zaprojektować dobierając odpowiedni stosunek zwojów oraz minimalną indukcyjność magnesowania do sterowania w trybie prądowym.

Indukcyjność szeregową natomiast należy zaprojektować dla ZVS (Zero Voltage Switching) tak, aby była zdolna magazynować energię.

W transformatorach do topologii FB LLC stosunek zwojów dobierany jest tak, by odpowiadał stosunkowi napięcia wyjściowego do wejściowego:

W przypadku FB-LCC należy też określić współczynnik jakości Qe oraz odpowiednie proporcje pomiędzy indukcyjnością magnesowania i indukcyjnością szeregową transformatora.

Firma AET korzysta z zaawansowanego oprogramowania, na podstawie którego zaproponujemy optymalne rozwiązania z uwzględnieniem strat mocy, temperatury pracy, indukcyjności rozproszenia itp. Przy pomocy tego narzędzia klienci mogą zamówić gotowy projekt transformatora, co zaoszczędzi cenny czas i zapewni ścisłe dopasowanie produktu do potrzeb.

Więcej informacji:
 
AET Sp. z o.o. Sp.k. 63-400 Ostrów Wielkopolski, ul. Staroprzygodzka 170, www.aet.com.pl
Artykuł ukazał się w
Elektronika Praktyczna
grudzień 2024
Elektronika Praktyczna Plus lipiec - grudzień 2012

Elektronika Praktyczna Plus

Monograficzne wydania specjalne

Elektronik listopad 2025

Elektronik

Magazyn elektroniki profesjonalnej

Raspberry Pi 2015

Raspberry Pi

Wykorzystaj wszystkie możliwości wyjątkowego minikomputera

Świat Radio listopad - grudzień 2025

Świat Radio

Magazyn krótkofalowców i amatorów CB

Automatyka, Podzespoły, Aplikacje listopad - grudzień 2025

Automatyka, Podzespoły, Aplikacje

Technika i rynek systemów automatyki

Elektronika Praktyczna listopad 2025

Elektronika Praktyczna

Międzynarodowy magazyn elektroników konstruktorów

Elektronika dla Wszystkich grudzień 2025

Elektronika dla Wszystkich

Interesująca elektronika dla pasjonatów