Rozwiązania dla nowoczesnych interfejsów HMI w ofercie firmy Semicon

Rozwiązania dla nowoczesnych interfejsów HMI w ofercie firmy Semicon

Panel czołowy stanowi nie tylko "twarz" urządzenia, ale także wizytówkę jego producenta. Choć spore znaczenie ma sam projekt graficzny opisów i elementów dekoracyjnych, to w praktyce jeszcze ważniejsza jest jakość zastosowanych materiałów i dobór odpowiednich technologii. Do oferty firmy Semicon trafiły rozwiązania marki Schurter - jednego z czołowych producentów przełączników mechanicznych, membranowych oraz pojemnościowych, a także ekranów dotykowych za szkłem.

Tradycyjne technologie w nowoczesnej formie

Coraz większy odsetek urządzeń elektronicznych jest wyposażany w rozmaite modele ekranów dotykowych. Z różnych przyczyn klasyczne przełączniki mechaniczne wciąż pozostają jednak w użyciu, co więcej - ta grupa produktów wciąż intensywnie się rozwija. W ofercie marki Schurter dostępnych jest kilkadziesiąt serii przełączników panelowych, wyróżniających się wśród konkurencji nowoczesnym, estetycznym designem, bardzo wysoką niezawodnością oraz szerokimi możliwościami konfiguracji w zakresie wyglądu i funkcjonalności.

Fotografia 1. Przycisk metalowy z najnowszej serii MSS

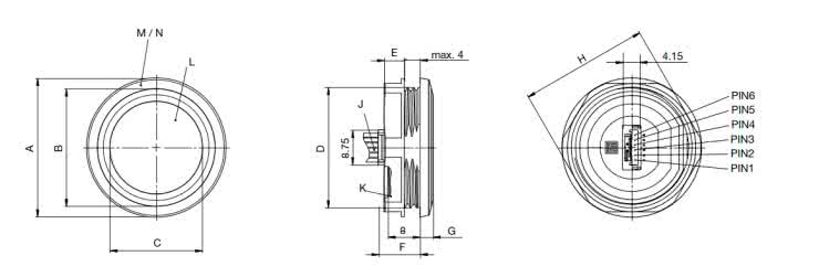
Przykładowo - seria MSS (fotografia 1) obejmuje 54 warianty przełączników, które - pomimo dość dużej średnicy czoła (22,00 mm, 25,50 mm lub 34,75 mm) - oferują zaskakująco małą głębokość montażową, która w połączeniu z wygodnym sposobem podłączenia (za pomocą przewodu z wtykiem rastrowym) znacząco ułatwia implementację w przypadku urządzeń o istotnie ograniczonej przestrzeni wewnątrz obudowy (rysunek 1).

Rysunek 1. Wymiary przełącznika z serii MSS

Produkty należące do linii MSM II (fotografia 2) występują w różnych wersjach materiałowych (aktuator i obudowa wykonane z aluminium bądź stali nierdzewnej), oferują szczelność na poziomie IP 66 lub IP 67 i trwałość do 1,5 miliona cykli łączeniowych. Zakres napięć podświetlenia obejmuje najczęściej spotykane wartości (5 V, 12 V oraz 24 V), zaś dostępne średnice nominalne przycisków to 16 mm, 19 mm, 22 mm oraz 30 mm. Co ciekawe, producent oferuje bardzo szeroką gamę standardowych oznaczeń (wykonywanych metodą laserową) - oprócz piktogramów (symbole zasilania, żarówki czy dzwonka) można także wybrać przyciski opisane literowo (STOP, ON, OFF, ON/OFF, START), a nietypowe nadruki pozostają dostępne na specjalne zamówienie.

Fotografia 2. Przełącznik z serii MSM II

Przełączniki dotykowe i bezdotykowe - prosty montaż, potężne możliwości

Interesującą i niezwykle nowoczesną grupą produktów są przełączniki dotykowe oraz bezdotykowe (zbliżeniowe). Co ciekawe i ważne, w przypadku oferty firmy Schurter komponenty te występują w wersjach montażu nieróżniącym się od klasycznych przełączników panelowych, co pozwala na łatwe przejście na nowszą technologię, bez konieczności dokonywania jakichkolwiek większych zmian w konstrukcji obudowy urządzenia. Przyciski piezoelektryczne są dostępne w wersjach standardowych oraz iskrobezpiecznych, spełniających wymogi dyrektywy ATEX dla zastosowań w strefach zagrożonych wybuchem.

Dobrym przykładem mogą być tutaj przełączniki piezo z serii PSE EX 22 (fotografia 3), których bardzo wysoki poziom szczelności (IP67 wg IEC 60529 oraz IP69K wg DIN 40050-9) oraz długa żywotność, dochodząca do 20 milionów cykli, pozwalają na bezpieczną i niezawodną pracę w najbardziej wymagających aplikacjach przemysłowych.

Fotografia 3. Przełącznik iskrobezpieczny piezo z serii PSE EX 22

Przełączniki pojemnościowe marki Schurter występują w dwóch głównych odmianach. Seria CPS (fotografia 4) jest przeznaczona do montażu panelowego - ceramiczny aktuator umożliwia nie tylko niezakłóconą pracę detektora dotyku, ale także pozwala na podświetlenie całej powierzchni przycisku lub tylko pierścienia okalającego środek aktuatora.

Fotografia 4. Przełącznik pojemnościowy z serii CPS

Wbudowany układ sterujący ma wyjście typu OptoMOS, zapewniające podstawową barierę galwaniczną, niezbędną w niektórych aplikacjach. Diametralnie inną konstrukcję prezentują przełączniki z serii CHS (fotografia 5), przeznaczone do montażu bezinwazyjnego poprzez przyklejenie do wewnętrznej strony panelu czołowego obudowy - także w tym przypadku użytkownicy mają do wyboru wersje z podświetleniem lub bez.

Fotografia 5. Pojemnościowy przełącznik z podświetleniem do montażu pod panelem czołowym

Przełączniki bezdotykowe stanowią szczególnie ciekawy fragment oferty marki Schurter - seria TTS (fotografia 6) jest wprawdzie produkowana w standardowych obudowach panelowych z nakrętką mocowaną od tyłu, ale funkcję aktuatora pełni tu miniaturowy, refleksyjny sensor optyczny. Takie rozwiązanie zapewnia możliwość wygodnego sterowania np. urządzeniami medycznymi, w których zastosowanie zwykłych przełączników stwarzałoby ryzyko przenoszenia zakażeń pomiędzy kolejnymi użytkownikami.

Fotografia 6. Przełącznik bezdotykowy z serii TTS

Przełączniki membranowe

Marka Schurter posiada spore - bo ponad 40-letnie - doświadczenie w projektowaniu, produkcji oraz dystrybucji najwyższej klasy paneli klawiatur membranowych o żywotności rzędu min. 1 000 000 cykli przełączania, z opcjami podświetlenia klawiszy i tekstu oraz integracji wyświetlaczy 7-segmentowych. Dostępne są nawet specjalistyczne warianty bezdotykowe, klawiatury z osłoną metalową czy też wersje zróżnicowane pod względem siły przełączania. Przykład estetycznej i nowoczesnej klawiatury z oknem wyświetlacza graficznego i podświetlanymi przyciskami można zobaczyć na fotografii 7. Warto dodać, że skok klawiszy waha się w zależności od zastosowanej technologii w zakresie od 0,3 do nawet 0,8 mm, co pozwala dopasować efekty haptyczne do specyfiki danej aplikacji.

Fotografia 7. Klawiatura membranowa marki Schurter zintegrowana z oknem wyświetlacza

Klawiatury i ekrany dotykowe za szkłem

Najbardziej zaawansowane i zarazem dające najszersze pole do popisu projektantom wzornictwa przemysłowego są niewątpliwie planarne interfejsy użytkownika, złożone z paneli i/lub klawiatur dotykowych, ukrytych za szklanym panelem frontowym urządzenia. Technologia CapKey pozwala na łączenie z ekranami dotykowymi PCAP marki Schurter, umożliwia także dowolne podświetlanie struktur sensorów dotykowych - elektrody pojemnościowe są bowiem wykonane na bazie przeziernej folii ITO (rysunek 2), a dowolność w doborze kształtów i rozmiarów pól aktywnych daje możliwość wytwarzania nie tylko pojedynczych przycisków oraz całych matryc klawiszy, ale także dotykowych pokręteł i suwaków w szerokim zakresie wymiarów.

Rysunek 2. Budowa prostej klawiatury podświetlanej na bazie technologii CapKey

Warto dodać, że przyciski mogą pracować pod niezwykle grubym szkłem (nawet do 20 mm!) lub tworzywem sztucznym (do 10 mm), zaś w przypadku pokręteł i sliderów wartości te plasują się na poziomie - odpowiednio - 4 mm/3 mm oraz 10 mm/5 mm. Użytkownicy mogą korzystać z najpopularniejszych kontrolerów dotykowych, wbudowanych w mikrokontrolery lub występujących w postaci samodzielnych układów scalonych - elementy CapKey wspierają m.in. technologie QTouch i Qmatrix, Cypress CapSense Express, Microchip CVD, CTMU i RightTouch, czy też kontrolery LC717 marki ON Semiconductor. Interfejsy HMI oparte na CapKey znajdują zastosowanie m.in. w aplikacjach medycznych, urządzeniach kosmetycznych, aparaturze laboratoryjnej, sterownikach HVAC, sprzęcie AGD i RTV oraz wielu innych (fotografia 8).

Fotografia 8. Wysokiej klasy sterownik fotela bazujący na klawiaturze dotykowej marki Schurter

Warto dodać, że oferta producenta obejmuje projektowanie i produkcję ekranów o przekątnych od 3,5" do nawet 24", z zachowaniem najwyższych standardów jakości (fotografia 9) i kompleksowym wsparciem implementacji interfejsów HMI poprzez zastosowanie niestandardowych projektów układów sterujących, szkieł czołowych o niemal dowolnej grubości, kształcie i rozmiarze, a także zapewniają pełną integrację wyświetlacza z elektroniką oraz obudową urządzenia.

Fotografia 9. Inteligentne gniazdo zasilania DS11 PEM 

Nie sposób wspomnieć o jeszcze jednej innowacji w ofercie marki Schurter. DS11 PEM to pierwsze na świecie inteligentne gniazdo zasiania. Dzięki szczególnie kompaktowym wymiarom oferuje producentom urządzeń unikalną wartość dodaną, umożliwiając łatwe i ekonomiczne tworzenie "inteligentnych" produktów. Interfejs szeregowy, w połączeniu z elektroniką urządzenia, umożliwia dodanie funkcji wizualizacji danych, zarządzania energią i zasobami urządzenia, monitów o niezbędnych przeglądach i innych usług chmurowych.

www.semicon.com.pl

Artykuł ukazał się w
Elektronika Praktyczna
styczeń 2024
Elektronika Praktyczna Plus lipiec - grudzień 2012

Elektronika Praktyczna Plus

Monograficzne wydania specjalne

Elektronik listopad 2025

Elektronik

Magazyn elektroniki profesjonalnej

Raspberry Pi 2015

Raspberry Pi

Wykorzystaj wszystkie możliwości wyjątkowego minikomputera

Świat Radio listopad - grudzień 2025

Świat Radio

Magazyn krótkofalowców i amatorów CB

Automatyka, Podzespoły, Aplikacje listopad - grudzień 2025

Automatyka, Podzespoły, Aplikacje

Technika i rynek systemów automatyki

Elektronika Praktyczna listopad 2025

Elektronika Praktyczna

Międzynarodowy magazyn elektroników konstruktorów

Elektronika dla Wszystkich grudzień 2025

Elektronika dla Wszystkich

Interesująca elektronika dla pasjonatów