Od źródła prądowego do ekranów 4K. Przegląd scalonych sterowników LED

Od źródła prądowego do ekranów 4K. Przegląd scalonych sterowników LED

Przemysł LED zdominował branżę nowoczesnego oświetlenia, sygnalizacji, a nawet wielu wyspecjalizowanych, optycznych aplikacji pomiarowych. Postępująca integracja sterowników LED stała się kluczowym elementem tej transformacji, gdyż w ślad za rozwojem samych emiterów (tak mikroskopijnych diod LED SMD, jak i modułów LED COB dużej mocy) podążają rozwiązania układowe pozwalające na niezawodne i precyzyjne zasilanie oraz sterowanie natężeniem światła. Choć sama dioda elektroluminescencyjna jest dość prostym komponentem półprzewodnikowym, to i tak stawia projektantom pewne konkretne wymagania: stabilnego prądu i odpowiednich zabezpieczeń, aby mogła efektywnie pełnić swoje zadanie przez długi czas eksploatacji. Konstruktorzy muszą ponadto radzić sobie z ograniczeniami wykorzystywanych źródeł zasilania – poczynając od pojedynczych ogniw litowych, poprzez magistrale 12 V, 24 V czy 48 V, aż po sieć elektroenergetyczną 230 V. W tej różnorodności zastosowań swoje miejsce znalazło wiele klas scalonych sterowników LED – proste, jednokanałowe regulatory stałoprądowe egzystują na rynku obok zaawansowanych układów sterowania przetwornicami DC/DC czy wielokanałowych driverów przeznaczonych m.in. do budowy wielkoformatowych matryc ekranowych.

Techniczne aspekty zasilania diod LED

Na początek powróćmy do podstaw. Dioda LED jest elementem półprzewodnikowym charakteryzującym się wąskim zakresem napięcia przewodzenia (VF, typowo 1,6...4 V w zależności od barwy świecenia oraz prądu przewodzenia IF) i silnie nieliniową charakterystyką prądowo-napięciową. W praktyce oznacza to, że w obszarze roboczym LED pracuje niemalże jak (rzecz jasna – nieidealne) źródło napięciowe o bardzo stromej charakterystyce – napięcie nieznacznie zmienia się w funkcji natężenia prądu przepływającego przez strukturę diody. Warto jednak spojrzeć na to zagadnienie niejako od drugiej strony: niewielka zmiana napięcia na złączu potrafi wywołać duży przyrost prądu przewodzenia. Zmiana napięcia o zaledwie 100 mV może przełożyć się na różnicę prądu rzędu dziesiątek miliamperów. Dla przykładu warto spojrzeć na charakterystykę zielonej struktury jednej z diod RGB małej mocy marki Kingbright (rysunek 1). Przy napięciu 3,2 V typowa wartość prądu przewodzenia wynosi do 20 mA – czyli dokładnie tyle, ile stanowi najczęściej spotykana wartość maksymalnego natężenia prądu zalecana dla małych LED-ów. A co stanie się, jeżeli napięcie podniesiemy do 3,3 V? Okazuje się, że prąd rośnie drastycznie, bo aż do 30 mA, czyli o... 50% poprzedniej wartości! Wzrost VF o kolejne 100 mV winduje prąd do 45 mA – a zatem zaledwie 0,2 V różnicy w napięciu przewodzenia powoduje przeszło dwukrotny wzrost natężenia prądu. Nietrudno wyobrazić sobie katastrofalne skutki podobnej sytuacji w odniesieniu do diod LED dużej mocy...

Rysunek 1. Charakterystyka prądowo-napięciowa zielonej struktury diody KAAF-5050RGBS-13 marki Kingbright (https://t.ly/4dLXx)

Problem dodatkowo komplikuje rozrzut parametrów produkcyjnych. Dwie diody z tej samej partii produkcyjnej (a nawet zapakowane na tej samej rolce) mogą mieć różne VF przy tym samym prądzie, więc układ zasilany stałonapięciowo zdecydowanie nie jest w stanie zagwarantować ani powtarzalnej jasności, ani równomiernego obciążenia termicznego. Choć nieuniknione rozrzuty produkcyjne są szczególnie zauważalne w przypadku łańcuchów szeregowych (opraw oświetleniowych czy modułów COB) i macierzy wielokanałowych (np. ekranów LED), to znacznie poważniejszym problemem jest ryzyko rychłego uszkodzenia przy niewłaściwym zasilaniu.

Stąd właśnie klasyczne zalecenie mówiące, że diody LED (zwłaszcza dużej mocy) należy sterować i zasilać prądem, a nie napięciem – inaczej łatwo przekroczyć absolutne maksimum IF, co przekłada się na zwiększenie strat mocy w postaci ciepła. Kluczowa jest tutaj zależność napięcia przewodzenia od temperatury złącza. Wraz ze wzrostem temperatury półprzewodnikowej struktury diody LED (TJ) napięcie VF maleje – ujemny współczynnik temperaturowy wynosi zwykle od –1 do –4 mV/°C. Jeśli źródło zasilania wymusi stałe napięcie, to spadek VF przy nagrzaniu struktury automatycznie zwiększy prąd, co jeszcze bardziej podniesie temperaturę diody. Taka samonapędzająca się spirala zniszczenia w prosty sposób doprowadzi do przegrzania, a nawet przepalenia komponentu, o ile zasilanie nie zostanie zawczasu obniżone lub wręcz całkowicie odcięte.

Sterownik prądowy niejako przerywa tę pętlę dodatniego sprzężenia zwrotnego: utrzymuje zadany prąd mimo (niewielkich) zmian VF, a jednocześnie pozwala projektantowi świadomie zaimplementować kontrolę mocy wydzielanej przez diodę, chociażby przez ograniczanie prądu przy wysokiej temperaturze otoczenia. Firma Texas Instruments opublikowała bardzo interesującą notę aplikacyjną, w której dyskutuje metodę pośredniego pomiaru temperatury diod LED poprzez monitorowanie i odpowiednie przeliczenie napięcia przewodzenia. Wyniki okazały się zaskakująco dobre – porównanie odpowiednio skalibrowanego pomiaru napięcia VF z rzeczywistymi wartościami temperatury odczytanymi za pomocą precyzyjnego termometru TMP107 można zobaczyć na rysunku 2.

Rysunek 2. Porównanie wyników pomiaru temperatury diod LED bezpośrednio (czujnikiem TMP107) oraz pośrednio, poprzez monitorowanie napięcia przewodzenia (https://t.ly/RK7XR)

Oczywiście w przypadku diod małej mocy sterowanie stałoprądowe bardzo często nie ma większego sensu – wszak w przypadku prostego wskaźnika diodowego nie ma potrzeby stosowania źródła prądowego, skoro wystarczy stosownie dobrany rezystor. Przy niewielkich zmianach VF i zasilaniu całości napięciem stałym o wartości odpowiednio wyższej od napięcia przewodzenia, prąd ustabilizuje się samoistnie. Ale uwaga! Wyrażeniem-kluczem w powyższym zdaniu jest uwaga dot. napięcia „odpowiednio wyższego” od VF. A to z prostej przyczyny – jeżeli napięcie zasilania diody LED jest nieznacznie wyższe od jej rzeczywistego napięcia przewodzenia, to na spadek napięcia na owym rezystorze szeregowym pozostaje już naprawdę niewiele – przykładowo, w przypadku diody o VF=3,0 V, zasilanej z szyny 3,3 V, na ów spadek pozostaje zaledwie 300 mV. Jakakolwiek zmiana sytuacji w układzie (czy to przez nagrzanie struktury diody, czy też z powodu wahań napięcia na szynie zasilania) będzie miała dalece większy wpływ na wartość IF, niż w sytuacji zasilania tej samej diody napięciem np. 5,0 V, oczywiście przy zastosowaniu odpowiednio większego rezystora. Biorąc pod uwagę wspomniane rozrzuty produkcyjne (często naprawdę spore) pod względem VF, sytuacja opisana w pierwszym z ww. przypadków jest gotowym przepisem na (nie)małą katastrofę.

W nowoczesnych aplikacjach oświetleniowych precyzja prądu przewodzenia jest jednak równie ważna, jak sama ochrona diody i współpracujących z nią elementów (np. tranzystora sterującego). Strumień świetlny zależy nie tylko od wartości prądu, ale także od temperatury (rysunek 3) – i to zwykle w sposób nieliniowy.

Rysunek 3. Zależność względnego strumienia świetlnego diod LED od temperatury (https://t.ly/3qsRL)

Parametry optyczne – chromatyczność, współczynnik odwzorowania barw, etc. – także są wrażliwe na temperaturę złącza, co doskonale widać na rysunku 4, prezentującym charakterystyki diody średniej podczerwieni w temperaturach od 1 do 120°C. Uważne oko dostrzeże nie tylko obniżanie strumienia świetlnego wraz ze wzrostem temperatury, ale także stopniową zmianę rozkładu widmowego. Nieco mniej efektowne, ale zauważalne dla odbiorców są także analogiczne efekty w białych diodach LED. Dlatego w oprawach architektonicznych, studyjnych, w oświetleniu automotive czy w systemach wymagających miksowania barw (RGB/RGBW) stabilny prąd zasilania oraz skuteczne chłodzenie przekładają się bezpośrednio na powtarzalność koloru, brak efektu „pływania” jasności i przewidywalny bilans cieplny. W praktyce na wysokiej jakości sterowanie diodami składa się nie tylko zasilanie stałoprądowe, ale też odpowiednia charakterystyka ściemniania, dostatecznie wysoka częstotliwość kluczowania (w przypadku PWM), kontrola prądu szczytowego w impulsach, a w skrajnych przypadkach nawet korekcja temperaturowa.

Rysunek 4. Zależność rozkładu widma optycznego diody średniej podczerwieni typu Lms43LED od temperatury (https://t.ly/xRHpn)

Takie złożone podejście wykracza daleko poza potrzeby prostego, klasycznego oświetlenia, ale każde zastosowane rozwiązanie układowe przekłada się – czy to bezpośrednio, czy w bardziej zawoalowany sposób – na konkretne cechy użytkowe urządzenia lub systemu.

Przykład? Skoro poruszyliśmy już wątek sterowania PWM, to warto wspomnieć o kwestiach częstotliwościowych. Otóż w dokumentacjach scalonych sterowników wielokanałowych czy też programowalnych diod LED producenci podają – jako jeden z najważniejszych parametrów – maksymalną częstotliwość odświeżania, jaką można zastosować do danego komponentu. Wynika to z faktu, że przy sterowaniu większych matryc lub długich taśm LED (zwłaszcza, choć nie tylko, w trybie multipleksowym) zapas częstotliwości bardzo szybko się kończy – dotyczy to oczywiście tych systemów, które mają dynamicznie, płynnie zmieniać jasność i/lub barwę. Jak wiadomo, aby oszukać ludzkie oko (przynajmniej w stanie statycznym, tj. przy wpatrywaniu się w jeden punkt) wystarczy częstotliwość odświeżania na poziomie zaledwie kilkudziesięciu herców. Problem pojawia się jednak w przypadku nowoczesnych kamer wideo (także tych w smartfonach) – jeżeli obraz ekranu lub innej instalacji LED jest nagrywany z częstotliwością rzędu 60 fps, to sam ekran musi być odświeżany wielokrotnie szybciej, by uniknąć niepożądanych artefaktów wizualnych. Bodaj najprostszy przykład artefaktu wynikającego z niekorzystnego stosunku czasu ekspozycji aparatu do okresu odświeżania wyświetlacza multipleksowanego widać na fotografii 1, pokazującej zegarek z siedmiosegmentowym wyświetlaczem LED, sfotografowany za pomocą smartfona z ustawionym krótkim czasem naświetlania (1/800 s).

Fotografia 1. Zegarek z siedmiosegmentowym wyświetlaczem LED, sfotografowany za pomocą smartfona z czasem naświetlania aparatu ustawionym na 1/800 s. Doskonały przykład artefaktu wynikającego z relatywnie niskiej częstotliwości odświeżania multipleksu

Zasilanie liniowe vs. impulsowe – fundamentalny podział i jego konsekwencje praktyczne

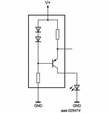
Najprostsze sterowniki LED to liniowe stabilizatory prądu. Ich działanie polega na utrzymywaniu stałego natężenia IF poprzez regulację spadku napięcia na tranzystorze wyjściowym – mamy tu zatem do czynienia z klasycznym źródłem prądowym (rysunek 5).

Rysunek 5. Proste źródło prądowe stabilizowane napięciem przewodzenia diod włączonych w obwodzie bazy tranzystora (https://t.ly/WOM1a)

Niezaprzeczalną zaletą takiego sposobu zasilania diod LED jest oczywiście brak jakichkolwiek zakłóceń impulsowych wprowadzanych do układu przez sam sterownik (gdyż ewentualne zakłócenia pochodzące np. z zasilacza SMPS całego urządzenia to już osobna sprawa).

Taki „kulturalny” sposób pracy ma rzecz jasna niebagatelne znaczenie chociażby w precyzyjnych aplikacjach pomiarowych. Wpływa pozytywnie także na poziom zakłóceń RFI emitowanych przez urządzenie, a w dodatku brak cewek i kondensatorów kluczowanych z wysoką częstotliwością sprawia także, że układy te są całkowicie bezgłośne, czego nie można powiedzieć o niektórych przetwornicach impulsowych (a wręcz o większości z nich). Oczywistą wadą sterowania liniowego, która w wielu przypadkach całkowicie dyskwalifikuje je z arsenału możliwych do użycia technik projektowych, jest fatalna sprawność – cały nadmiar energii trzeba bowiem wytracić w postaci ciepła, rzecz jasna głównie w elemencie sterującym (tranzystorze), a po części także w rezystorze bocznikowym. Sprawność jest tym gorsza, im większa jest różnica między napięciem zasilania układu a napięciem diody lub szeregowego łańcucha diod LED – dokładnie tak samo, jak w przypadku scalonych stabilizatorów napięcia.

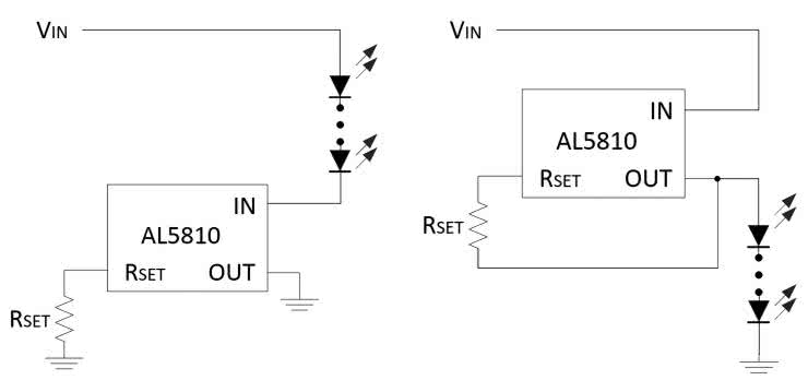
Przykładem interesującego, scalonego sterownika liniowego jest układ AL5810 firmy Diodes Inc. (rysunek 6), który potrafi dostarczyć do 200 mA prądu wyjściowego przy napięciu wejściowym nawet do 60 V.

Rysunek 6. Schemat blokowy układu AL5810 (https://t.ly/Fl10w)

Bardzo prosta aplikacja wynika z konstrukcji układu, który włączany jest w szereg z diodą (lub diodami) – masę wewnętrznego układu sterującego na stałe dołączono do wyprowadzenia o nazwie OUT, zaś napięcie zasilania pobierane jest z pinu IN. W ten prosty sposób układ niejako „podkrada” zasilanie z obwodu dren-źródło wyjściowego tranzystora MOSFET. Do ustalenia wartości prądu wystarczy jeden rezystor włączony pomiędzy wyprowadzenie RSET, a linię OUT. Dzięki temu układ AL5810 może z powodzeniem pracować zarówno w topologii high-side, jak i low-side (rysunek 7).

Rysunek 7. Scalone źródło prądowe AL5810 może z powodzeniem pracować zarówno w topologii high-side, jak i low-side (https://t.ly/Fl10w)

Maksymalna moc strat wynosi 2 W w przypadku wersji w obudowie DFN lub 3,85 W w przypadku układu w obudowie typu DPAK. Co ważne, w przypadku mniejszych prądów (poniżej 100 mA) układ radzi sobie nawet z niewielkimi spadkami napięcia (pomiędzy pinami IN oraz OUT) rzędu 1,3...2,0 V (rysunek 8).

Rysunek 8. Minimalne napięcie rozruchowe układu AL5810 w zależności od prądu wyjściowego (https://t.ly/Fl10w)

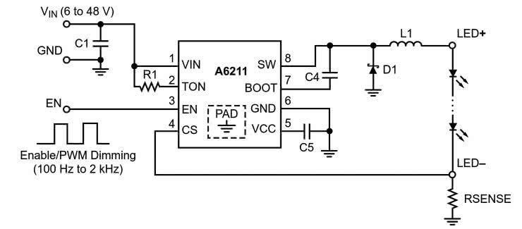
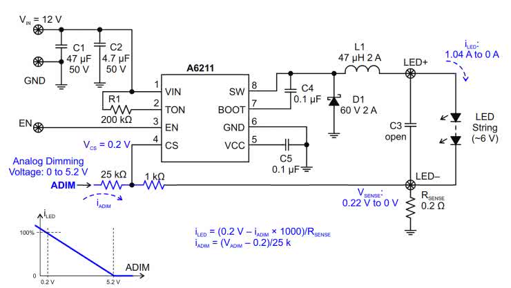
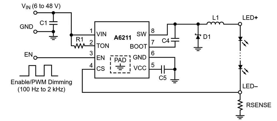
Przetwornice impulsowe (SMPS), dzięki niewielkim stratom przełączania, mogą osiągać sprawność >90% i pracować zarówno z napięciami wyższymi, niższymi, jak i porównywalnymi z napięciem potrzebnym dla diody lub szeregu emiterów LED. Przykładem specjalizowanej przetwornicy do zasilania oświetlenia LED może być układ A6211 od Allegro MicroSystems (rysunki 9 i 10).

Rysunek 9. Schemat aplikacyjny przetwornicy A6211 (https://t.ly/RXKo9)
Rysunek 10. Schemat blokowy przetwornicy A6211 (https://t.ly/RXKo9)

To 3-amperowy kontroler PWM ze zintegrowanym kluczem tranzystorowym, produkowany w 8-pinowych obudowach SOIC z padem termicznym. Zakres napięć zasilania rozciąga się od 6 do 48 V, a cechą szczególną, która odróżnia układ A6211 od klasycznych przetwornic DC/DC ze sprzężeniem napięciowym, jest obecność wejścia CS (Current Sense), przystosowanego stricte do pracy z rezystorem bocznikowym – napięcie odniesienia wynosi bowiem 200 mV, a zatem o wiele mniej, niż w typowych obwodach sprzężenia zwrotnego przetwornic. Co więcej, sterownik umożliwia łatwą realizację funkcji ściemniania i to zarówno na drodze modulacji PWM, jak i sterowania analogowym sygnałem napięciowym (rysunek 11).

Rysunek 11. Sposób analogowej modulacji jasności oświetlenia przy użyciu przetwornicy A6211 (https://t.ly/RXKo9)

Warto zauważyć, że producent zaleca w pierwszej z wymienionych aplikacji zastosowanie... kluczowania głównej linii zasilania układu (!). Choć na pierwszy rzut oka takie rozwiązanie może wydawać się dość dziwne, to w praktyce jest ono proste w realizacji: cały układ przetwornicy A6211, wraz z zasilanymi przez nią diodami LED, może być bowiem potraktowany jako „proste” obciążenie sterowane za pośrednictwem klucza typu high-side. Z układowego punktu widzenia niczym nie różni się to od ściemniania zwykłej żarówki lub sterowania innym obciążeniem DC. Zalecana przez producenta częstotliwość PWM wynosi 200 Hz, a obsługiwany przez przetwornicę zakres współczynnika wypełnienia napięcia zasilającego w tym scenariuszu zaczyna się już od 1%.

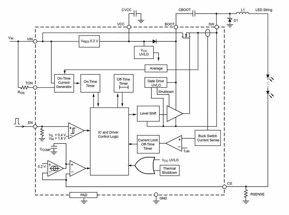
Z kolei LTM8042 z oferty Analog Devices (rysunek 12) to zintegrowany zasilacz na bazie DC/DC, należący do rodziny μModule. Umożliwia on pracę z napięciem wejściowym od 3 do 30 V oraz częstotliwością kluczowania od 250 kHz do 2 MHz. Elastyczna architektura przetwornicy zapewnia właściwą pracę w trybie źródła prądowego lub napięciowego i to zarówno w topologii boost, jak i buck oraz buck-boost. Całość ma wymiary 15×9×2,82 mm i jest produkowana w obudowie LGA o układzie pinów 11×7. Bardzo prosta aplikacja wymaga jedynie podłączenia dwóch kondensatorów zewnętrznych oraz jednego rezystora. Sprawność w zakresie napięcia wejściowego od 16 do 26 V jest nie gorsza niż 90%, a w najlepszym przypadku dochodzi prawie do 96%. Maksymalny prąd wyjściowy wynosi – w zależności od modelu – 1 A lub 350 mA, co w zupełności wystarcza do zasilania jednej lub kilku szeregowych diod 3-watowych lub 1-watowych.

Rysunek 12. Schemat aplikacyjny modułu LTM8042 (https://t.ly/SAqwN)

Wielokanałowe sterowniki z wyjściami prądowymi

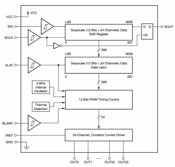
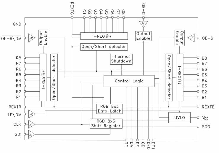
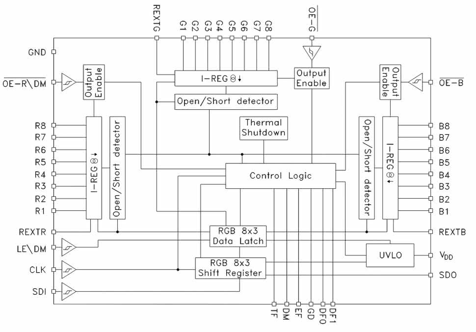
W wyświetlaczach LED i bardziej rozbudowanych instalacjach dekoracyjnych zwykle pojawia się potrzeba sterowania wieloma diodami z wysoką precyzją jasności i koloru. Tutaj na scenę wkraczają wielokanałowe sterowniki prądowe, określane często mianem sink drivers. Dzięki wbudowanym rejestrom i interfejsom I²C lub SPI, nadrzędny mikroprocesor może włączać i wyłączać, a nawet niezależnie ustawiać jasność każdej diody osobno, uzyskując płynne przejścia barw i animacje. Sterownik STP24DP05 marki ST Microelectronics (rysunek 13) umożliwia sterowanie 24 diodami LED w trzech grupach, dla których wartość prądu wyjściowego jest ustalana za pomocą 3 osobnych rezystorów.

Rysunek 13. Schemat blokowy układu STP24DP05 (https://t.ly/h-Erc)

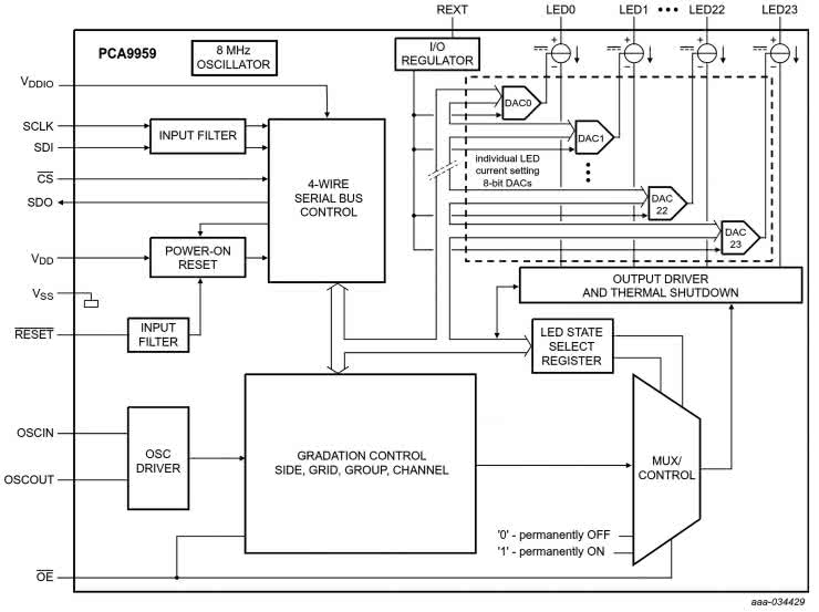
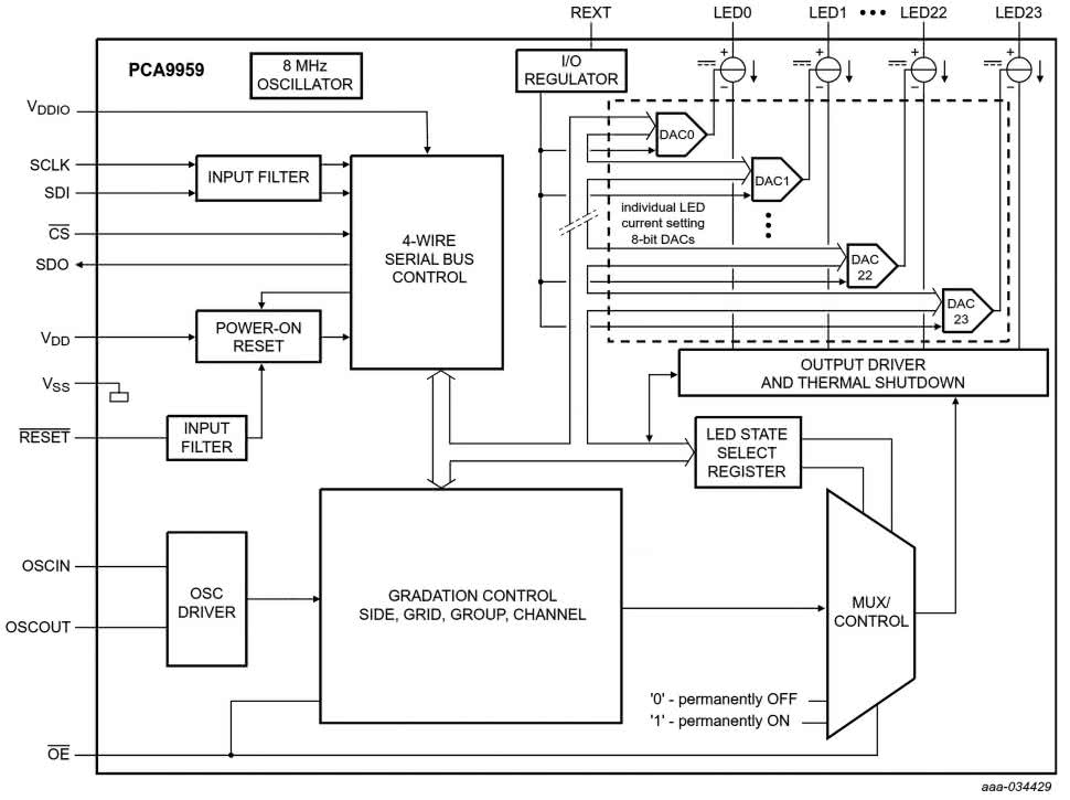
W ten sposób można łatwo sterować 8 diodami LED RGB, przy czym każda barwa może mieć indywidualnie dostosowaną wartość prądu (co pozwala na wyrównanie jasności wszystkich trzech segmentów). Bardziej rozbudowany układ PCA9959 produkcji NXP (rysunek 14) także obsługuje 24 kanały, ale w tym przypadku mamy już do czynienia z dwudziestoma czterema niezależnie sterowanymi, 6-bitowymi przetwornikami DAC, dzięki którym kontroler może ustawić jasność każdej diody (lub struktury LED, w przypadku diod wielokolorowych) na jednym z 64 predefiniowanych poziomów. Limit prądu jest natomiast ustalony za pomocą wspólnego rezystora dołączonego do wyprowadzenia REXT. Układ PCA9959 może pracować z maksymalnym prądem 63 mA na kanał.

Rysunek 14. Schemat blokowy układu PCA9959 (https://t.ly/_PLLh)

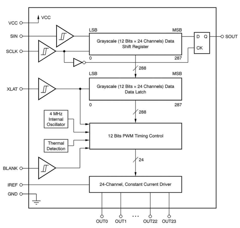
Jeszcze bardziej zaawansowane sterowniki pozwalają na uzyskanie nieporównanie wyższej rozdzielczości, choć często przy mniejszej wydajności prądowej. Jako przykład można wskazać sterownik TLC5947 marki Texas Instruments (rysunek 15), oferujący rozdzielczość PWM na poziomie 12 bitów i prąd do 30 mA na kanał. Pozwala to na oddanie subtelnych różnic jasności, co jest szczególnie istotne w oświetleniu scenografii lub wysokiej klasy instalacjach audiowizualnych. Co ciekawe, producent zastosował funkcję 4-kanałowego opóźnienia grupowego, która umożliwia zapobieganie wysokim impulsom prądu rozruchowego w czasie włączania dużej liczby diod w ramach tego samego cyklu odświeżania.

Rysunek 15. Schemat blokowy układu TLC5947 (https://t.ly/Jr049)

Diody są załączane i wyłączane w sekwencji:

  • OUT0, 4, 8, 12, 16, 20,
  • OUT1, 5, 9, 13, 17, 21,
  • OUT2, 6, 10, 14, 18, 22,
  • OUT3, 7, 11, 15, 19, 23.

Takie rozwiązanie znacznie ogranicza emisję zakłóceń elektromagnetycznych, co zyskuje szczególne znaczenie w przypadku wielkoformatowych instalacji.

Kontrolery do przetwornic AC/DC

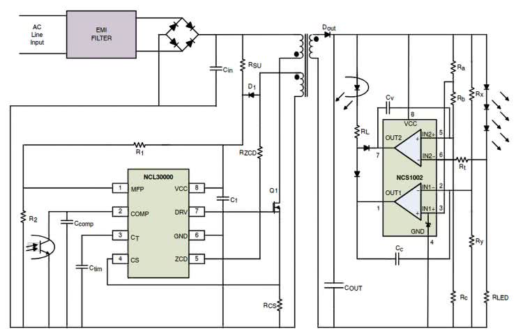
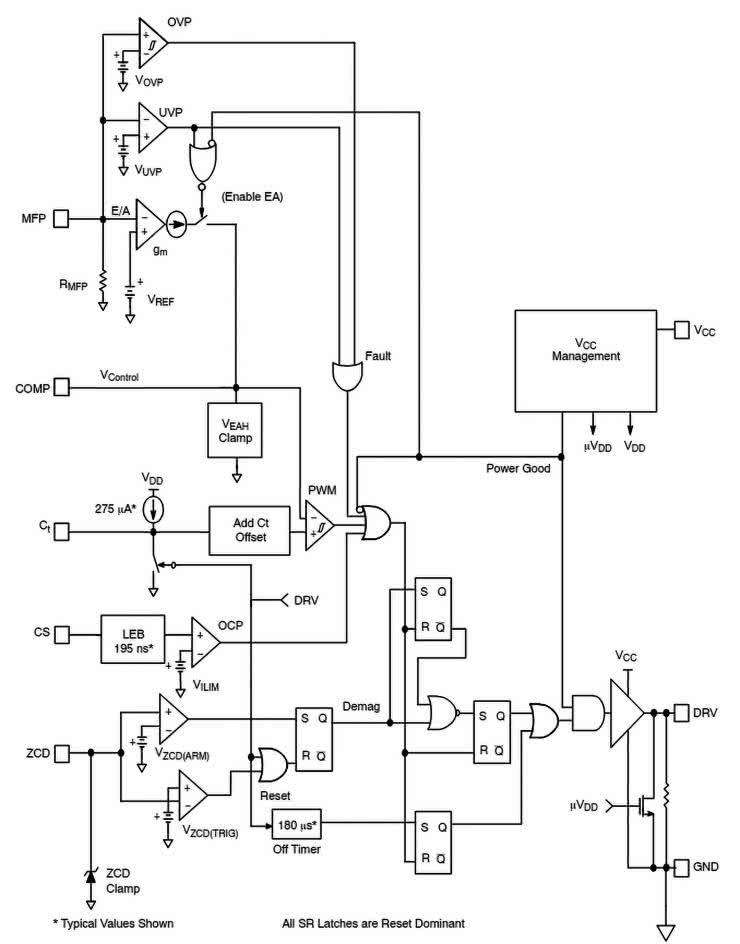
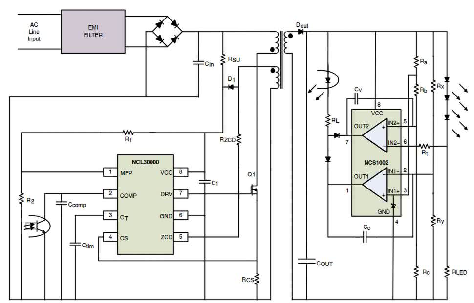
W przypadku zasilania sieciowego (230 V AC) stosuje się kontrolery off-line AC/DC, które muszą sprostać dodatkowym wymaganiom: wysokiemu współczynnikowi mocy, podwyższonej wytrzymałości napięciowej izolacji oraz zgodności z normami IEC. Jako przykład warto tutaj przywołać 8-nóżkowy układ NCL30000, umożliwiający budowę niedrogich i stosunkowo prostych zasilaczy LED z korekcją PFC.

Rysunek 16. Schemat blokowy kontrolera NCL30000 (https://t.ly/v1-dZ)

Schemat blokowy samego kontrolera można zobaczyć na rysunku 16, zaś przykładową aplikację w postaci zasilacza typu Flyback pracującego w trybie sprzężenia prądowego po stronie wtórnej – na rysunku 17.

Rysunek 17. Schemat aplikacyjny układu NCL30000 przy zastosowaniu sprzężenia prądowego po stronie wtórnej (https://t.ly/v1-dZ)

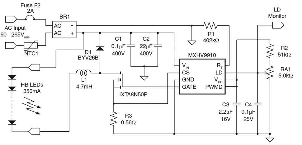
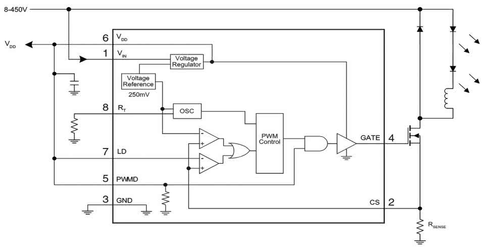
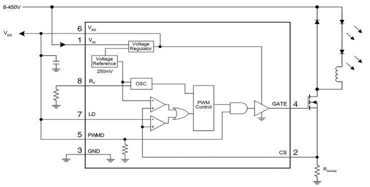
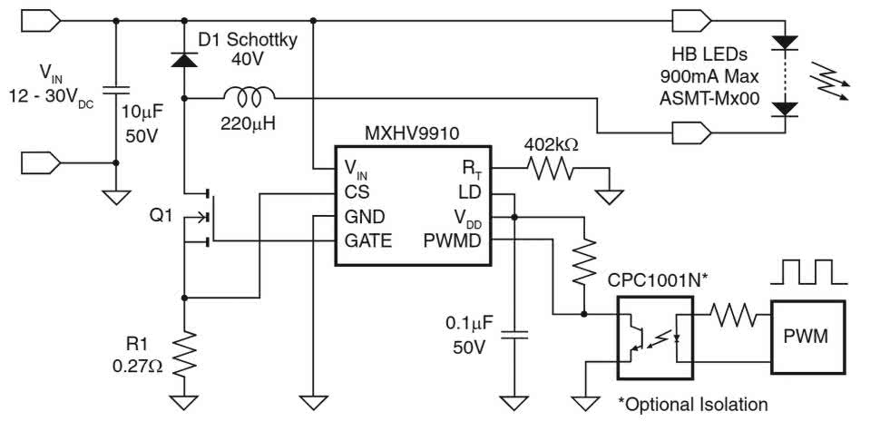
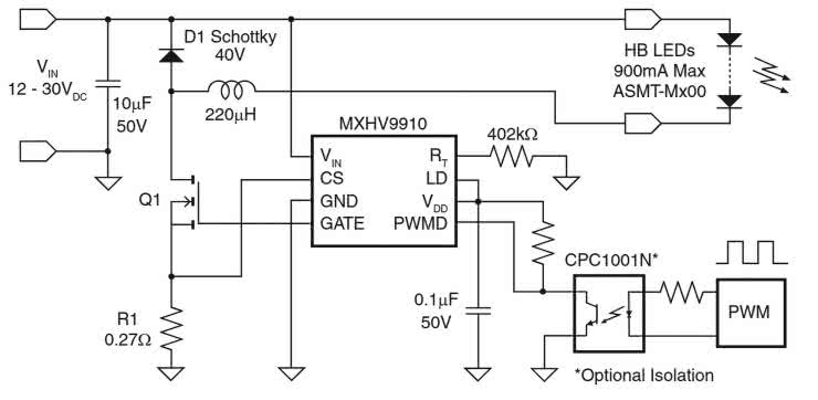
Proste aplikacje oświetleniowe (np. żarówki LED) mogą być z powodzeniem realizowane za pomocą znacznie mniej rozbudowanych, scalonych kontrolerów off-line, które do poprawnej pracy wymagają minimum elementów zewnętrznych. Typowy schemat aplikacyjny układu MXHV9910, oferowanego obecnie przez firmę Littelfuse, można zobaczyć na rysunku 18.

Rysunek 18. Schemat aplikacyjny układu MXHV9910 (https://t.ly/gl2fF)

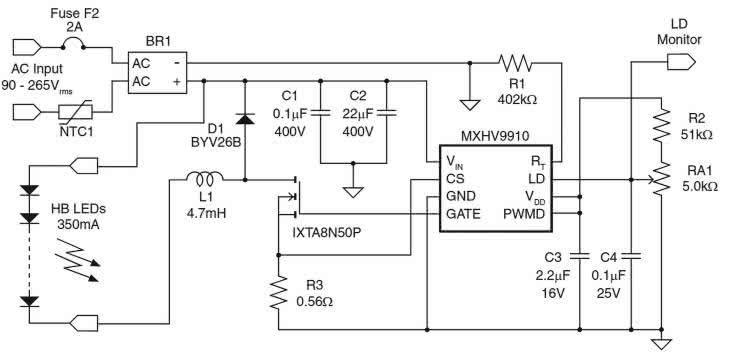
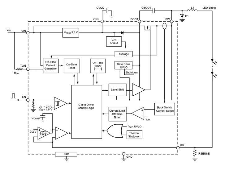
Układ może pracować z napięciem wejściowym od 8 do nawet 450 V DC, zatem bez problemu można go podłączyć wprost na wyjście mostka prostowniczego, pracującego bezpośrednio na potencjale sieci energetycznej. Układ wspiera funkcję ściemniania sygnałem analogowym, do czego służy wyprowadzenie o oznaczeniu LD. Schemat ideowy układu zasilania łańcucha 350-miliamperowych diod LED mocy można zobaczyć na rysunku 19.

Rysunek 19. Schemat układu ściemniacza LED z zasilaniem sieciowym i sterowaniem za pomocą potencjometru (https://t.ly/gl2fF)

W tym przypadku regulacja jasności jest realizowana za pomocą potencjometru, którego skrajne wyprowadzenie o wyższym potencjale jest zasilane przez rezystor R2 z linii VDD – ma to na celu spełnienie warunku, by na wyprowadzeniu LD panowało napięcie nie większe niż napięciowy sygnał sprzężenia zwrotnego (CS). Istnieje także możliwość sterowania ściemnianiem za pomocą sygnału PWM, który należy podać na wejście PWMD – co ułatwia dodanie do układu bariery galwanicznej za pomocą transoptora (spełniającego wymagania w zakresie wytrzymałości dielektrycznej oraz rezystancji izolacji) i kilku elementów dodatkowych – schemat takiego rozwiązania można znaleźć na rysunku 20.

Rysunek 20. Schemat układu ściemniacza LED sterowanego za pomocą sygnału PWM (https://t.ly/gl2fF)

Motoryzacja – wyzwania i rozwiązania

Segment motoryzacyjny jest jednym z najszybciej rozwijających się obszarów aplikacyjnych oświetlenia LED. Zastosowania technologii diodowych w pojazdach obejmują już nie tylko podświetlenie elementów deski rozdzielczej, przycisków sterowania szybami, czy też oświetlenia kabiny, ale także rozbudowane reflektory matrycowe, światła dzienne (DRL) oraz kierunkowskazy. Układy muszą zapewniać szeroki zakres temperatur pracy (–40°C do +125°C), jak również wytrzymywać przepięcia i nagłe spadki napięcia na linii zasilającej.

Fundamentalne znaczenie ma tutaj także precyzyjny pomiar prądu, wbudowane funkcje autodiagnostyczne czy wreszcie wysoka sprawność przy szerokim zakresie napięć zasilających.

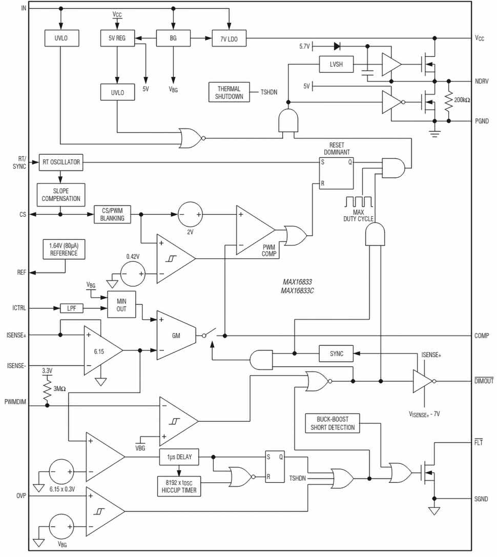
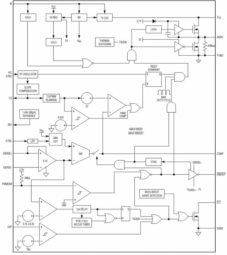
Seria układów MAX16833 firmy Analog Devices (rysunek 21) oferuje szeroki zakres napięć wejściowych (od 5 do 65 V), programowalną częstotliwość 100 kHz...1 MHz oraz wbudowane wzmacniacze różnicowe do pomiaru prądów w obu kanałach od strony wysokiego potencjału (high-side). Dzięki temu projektant może optymalizować sprawność i minimalizować rozmiar cewki, zaś możliwość pracy w trybie szerokiego spektrum redukuje piki zakłóceń RFI. Podobnie jak wcześniej opisane układy, także seria MAX16833 wymaga podłączenia zewnętrznego tranzystora kluczującego.

Rysunek 21. Schemat blokowy układu z serii MAX16833 (https://t.ly/xeY4E)

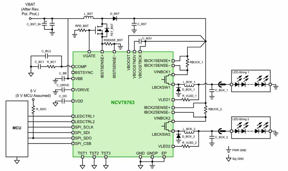
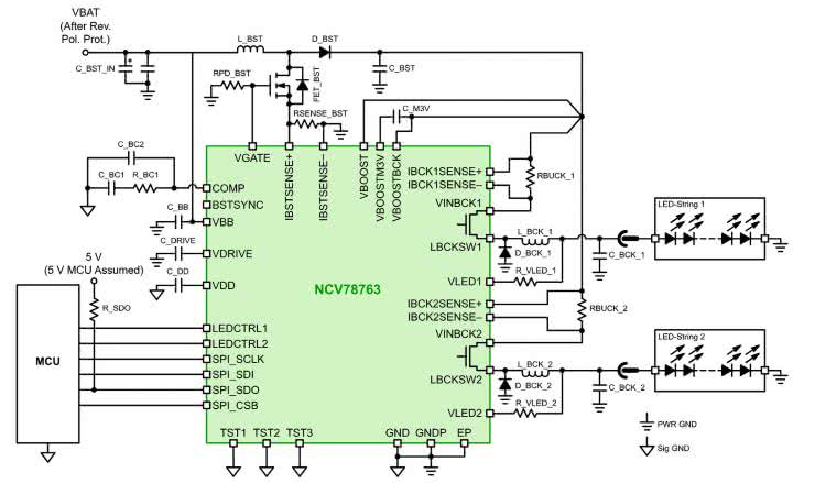
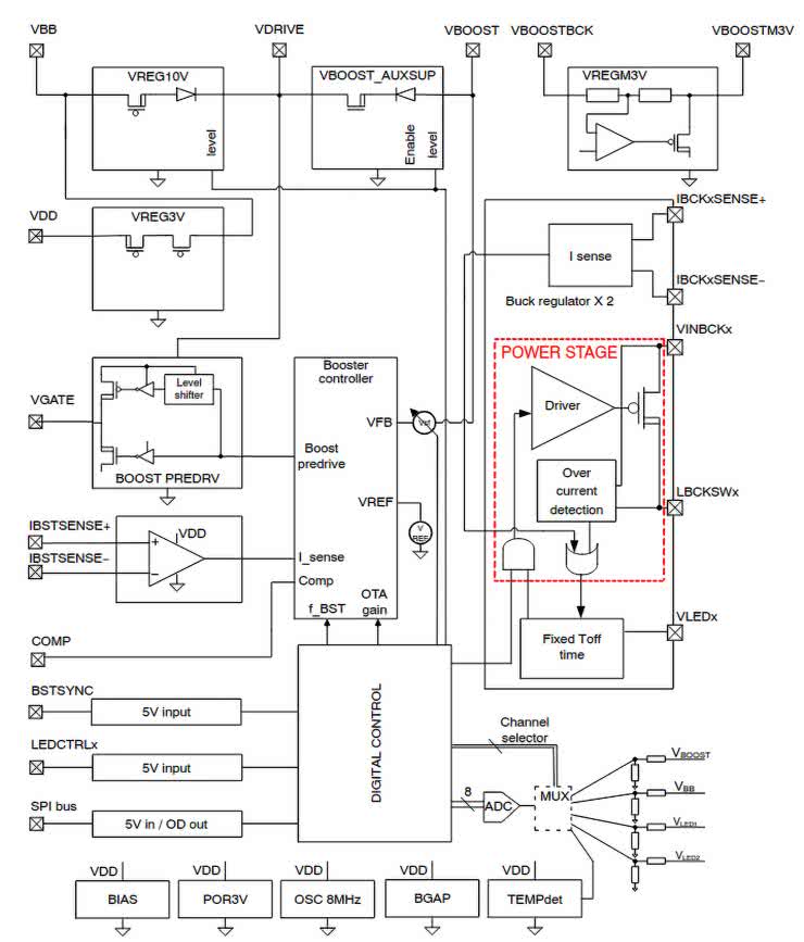
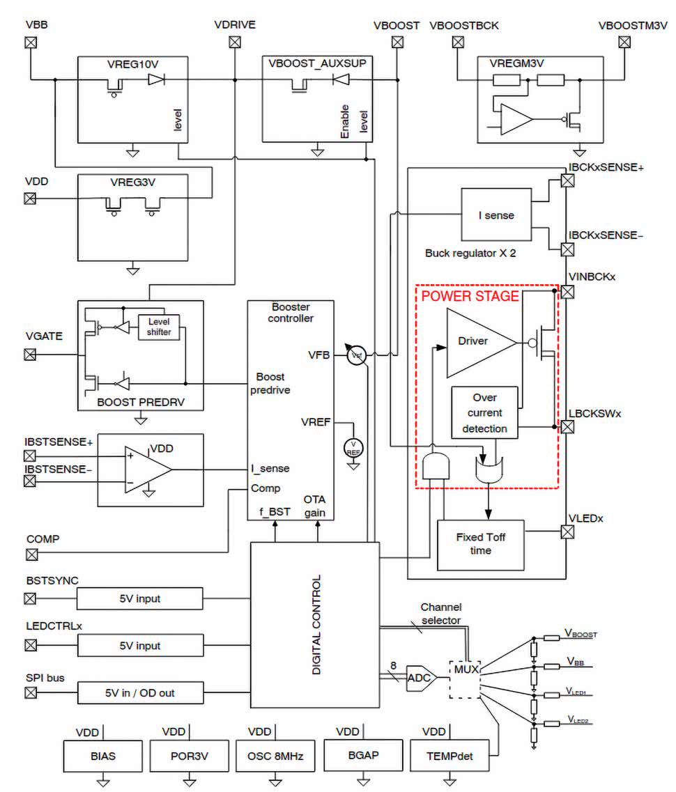
Jednym z układów o najwyższym stopniu integracji (z układowego punktu widzenia) jest sterownik NCV78763 marki onsemi (rysunek 22), który łączy w sobie konwerter podwyższający napięcie (boost), zapewniający wstępną, aktywną filtrację prądu wejściowego, a także dwa kanały buck ze zintegrowanymi tranzystorami MOSFET o prądzie drenu do 1,6 A każdy.

Rysunek 22. Schemat blokowy układu NCV78763 (https://t.ly/Bq8f8)

Dzięki temu za pomocą pojedynczego układu scalonego można sterować dwoma lampami LED (np. światłami mijania i drogowymi), monitorować parametry zasilania, komunikować się przez interfejs SPI i dynamicznie zmieniać jasność. Tego typu układy umożliwiają budowę reflektorów adaptacyjnych, które w czasie rzeczywistym regulują rozkład strumienia świetlnego. Co ważne ze względów bezpieczeństwa, układ dysponuje także funkcjami autodiagnostycznymi. Schemat aplikacyjny przetwornicy NCV78763 można zobaczyć na rysunku 23.

Rysunek 23. Schemat aplikacyjny układu NCV78763 (https://t.ly/Bq8f8)

Adresowalne diody LED – prosty sposób na sterowanie dużą liczbą punktów świetlnych

Budowa większego systemu w oparciu o wielokanałowe kontrolery diod LED wiąże się znacznym stopniem komplikacji urządzenia, gdyż nawet niewielki fragment matrycy lub innego systemu oświetleniowego musi być obsługiwany przez szereg współpracujących ze sobą układów scalonych. Układy wielokanałowe niezbyt dobrze nadają się do budowy systemów wymagających tworzenia podłużnych instalacji, w tym przede wszystkim taśm LED RGB – a jednym z głównych (obok ceny) problemów jest tutaj trudność sensownego poprowadzenia dużej liczby równoległych ścieżek na wąskim pasku 2-warstwowego podłoża FPC.

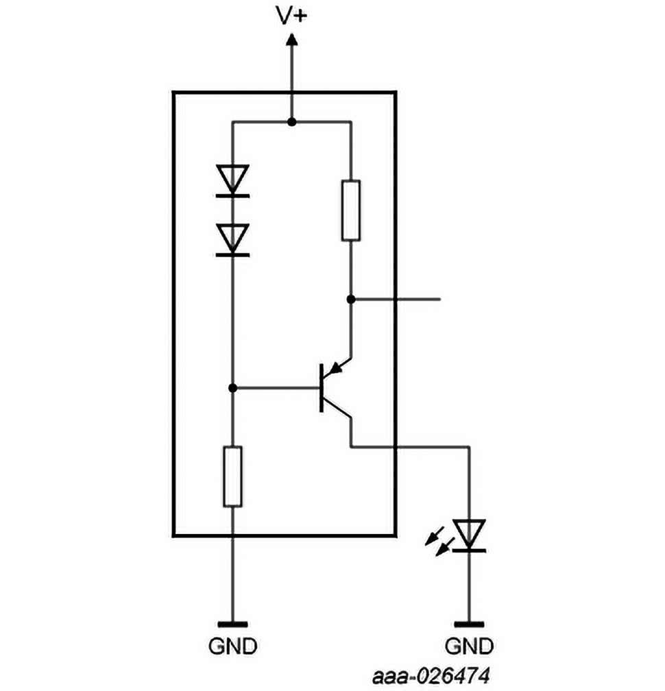
Za prawdziwą rewolucją na rynku wielobarwnych systemów oświetlenia LED stoją zatem nie rozbudowane i relatywnie drogie kontrolery, ale niewielkie i tanie diody adresowalne. Układy takie jak WS2812B, w których dioda RGB i sterownik są zintegrowane w jednym pakiecie za pomocą bezpośredniego bondingu struktur świecących z krzemowym czipem (fotografia 2), całkowicie odmieniły sposób myślenia o budowie instalacji świetlnych.

Fotografia 2. Wnętrze diody typu WS2812B (https://t.ly/kZnM2)

Dane są przesyłane cyfrowo (szeregowo) tylko do pierwszej diody połączonej z kontrolerem; od niej biegną ścieżki do kolejnych, a całość tworzy łańcuch diodowy działający nieco podobnie, jak klasyczne rejestry przesuwne. Dzięki kaskadowemu łączeniu setek takich modułów można tworzyć imponujące taśmy świetlne, wskaźniki i dekoracje bez skomplikowanego okablowania – pomiędzy każdą parą sąsiadujących diod znajdują się bowiem tylko trzy ścieżki (zasilanie oraz linia danych DIN/DOUT). Użytkownik wysyła dane do pierwszej diody, a jej sterownik „odcina” dla siebie tylko pierwsze 24 bity sygnału, po czym odsyła pozostałą część strumienia danych do następnego. Zaletą takiego rozwiązania jest fakt, że przy okazji każdego takiego transferu dane są poddawane procesowi określanemu jako reshaping, co doskonale poprawia integralność sygnałową nawet w długich łańcucach.

Fotografia 3. Pierścień LED RGB z serii NeoPixel marki Adafruit (https://t.ly/A8AfZ)
Fotografia 4. Matryca z serii DotStar marki Adafruit (https://t.ly/9hLXx)

Tego typu LED-y są podstawą systemów NeoPixel (fotografia 3) i DotStar (fotografia 4) firmy Adafruit, choć w tym drugim przypadku są stosowane także diody SK9822 lub APA102-2020 (rysunek 24, fotografia 5), w których do komunikacji jest wykorzystywana dodatkowa para wyprowadzeń zegarowych. Dzięki temu diody mogą być sterowane z wykorzystaniem sprzętowego bloku SPI dowolnego mikrokontrolera.

Rysunek 24. Sposób łączenia diod APA102-2020 (https://t.ly/3JtYD)
Fotografia 5. Diody LED RGB z serii APA102-2020 (https://t.ly/GMHQa)

Istotną wadą wszystkich diod programowalnych jest znaczny pobór prądu w stanie spoczynku – nawet, jeżeli żadna ze struktur nie jest w danym momencie włączona (zaświecona), to i tak cyfrowy sterownik musi pozostawać aktywny. Wiąże się to z zaskakująco wysokim poborem tzw. prądu statycznego – w zależności od modelu diody wynosi on przeważnie od 600 μA do 1 mA. Niby niewiele, ale trzeba uwzględnić dwa scenariusze aplikacyjne, w których takie parametry stanowią istotny problem. Po pierwsze – aplikacje ultra-low power.

Nie sposób zastosować diody WS2812B czy innego podobnego komponentu w przypadku np. urządzenia ubieralnego, które w stanie uśpienia powinno pobierać nie więcej niż kilka...kilkanaście mikroamperów prądu (a najlepiej jeszcze mniej). Oczywiście można zastosować dodatkowy tranzystor odłączający zasilanie, ale wiąże się to z koniecznością umieszczenia kolejnego komponentu na PCB, co w niektórych przypadkach jest niemożliwe ze względu na ograniczenia mechaniczne (rozmiary PCB). Drugi problematyczny scenariusz to systemy zawierające setki diod w ramach pojedynczego łańcucha lub matrycy – jeżeli każda z nich dołoży „swój” miliamper, to łączny pobór prądu wyniesie już kilkaset mA – to dość dużo, bo przy napięciu zasilania rzędu 5 V otrzymujemy spoczynkowy pobór mocy na poziomie kilku watów. Nie jest to zatem rozwiązanie szczególnie ekologiczne, jeżeli w grę wchodzi podłączenie systemu na stałe do źródła zasilania.

Podsumowanie

Wraz z rosnącymi wymaganiami pod względem oszczędności energii, ergonomii i bezpieczeństwa, oświetlenie LED stale ewoluuje. Na rynku da się zauważyć kilka głównych trendów. Pierwszy z nich to oczywiście daleko idąca integracja i miniaturyzacja – projektanci oczekują coraz mniejszej liczby elementów dyskretnych, nie tylko ze względu na prostotę aplikacyjną, ale przede wszystkim z uwagi na konieczność redukcji kosztów BOM oraz rozmiarów układu na powierzchni PCB. Wyższe zakresy napięcia zasilania i prądu pozwalają natomiast na rozszerzanie zakresu zastosowań scalonych sterowników LED na kolejne segmenty rynku – widać to chociażby w obszarze pojazdów elektrycznych, w których coraz częściej można spotkać się z napięciami rzędu 48 V – i nie chodzi tylko o najnowsze modele samochodów elektrycznych, ale także mniejsze „jednostki”, w tym chociażby hulajnogi. Za podwyższaniem napięcia przemawia dokładnie ten sam czynnik, który dawno temu doprowadził w energetyce do ekspansji linii przesyłowych wysokiego napięcia – chodzi rzecz jasna o zmniejszenie strat przesyłowych, a przez to zwiększenie wypadkowej efektywności całego systemu.

Wszechobecne zastosowania matrycowych systemów LED i efektów dynamicznych (animacji) popychają natomiast do przodu rozwój zaawansowanych sterowników w stronę implementacji wysokiej rozdzielczości sterowania PWM, szybkiego transferu danych, a nawet wbudowywania generatorów efektów w samym krzemie. Istnieją już nawet scalone sterowniki LED pozwalające w bardzo prosty sposób budować urządzenia reagujące (i to w zaskakująco efektowny sposób) na zmiany sygnału wejściowego, np. audio.

To wszystko, a także szereg innych czynników sprawia, że rynek scalonych sterowników LED jest niebywale zróżnicowany i oferuje rozwiązania dopasowane do niemal każdej aplikacji. Przy wyborze układu do projektowanego urządzenia, jak zawsze zresztą, trzeba wziąć pod uwagę nie tylko parametry techniczne, ale także jego dostępność, status rynkowy oraz cenę – dopiero uwzględnienie wszystkich czynników pozwala wybrać taki rodzaj sterownika, który nie tylko spełni wymogi funkcjonalne, ale jednocześnie nie zaważy w nadmiernym stopniu na opłacalności całego projektu.

inż. Przemysław Musz, EP

Elektronika Praktyczna Plus lipiec - grudzień 2012

Elektronika Praktyczna Plus

Monograficzne wydania specjalne

Elektronik kwiecień 2026

Elektronik

Magazyn elektroniki profesjonalnej

Raspberry Pi 2015

Raspberry Pi

Wykorzystaj wszystkie możliwości wyjątkowego minikomputera

Świat Radio maj - czerwiec 2026

Świat Radio

Magazyn krótkofalowców i amatorów CB

Automatyka, Podzespoły, Aplikacje kwiecień 2026

Automatyka, Podzespoły, Aplikacje

Technika i rynek systemów automatyki

Elektronika Praktyczna kwiecień 2026

Elektronika Praktyczna

Międzynarodowy magazyn elektroników konstruktorów

Elektronika dla Wszystkich kwiecień 2026

Elektronika dla Wszystkich

Interesująca elektronika dla pasjonatów