Transformatory do różnych aplikacji

Transformatory do różnych aplikacji

Pomimo upływu lat, w niektórych zastosowaniach transformatory wciąż są nie do zastąpienia. Czasem możemy pójść na skróty i zrezygnować z nich w niektórych typowych aplikacjach. Które z podzespołów są jednak transformatorami, choć tak nie wyglądają? Jak zrobić transformator bez drutu? I dlaczego, mimo ich ograniczeń, powinniśmy je doceniać? Zapraszam do lektury październikowej odsłony „Elektroniki w Praktyce”!

Osobiście nie lubię transformatorów i staram się ich unikać, jak tylko można. W porównaniu z pozostałymi podzespołami elektronicznymi, zwłaszcza kiedy projektuje się PCB zawierającą transformator, są one duże, ciężkie i „niezgrabne”. Trzeba przemyśleć dodatkowe mocowanie płytki w celu jej usztywnienia – tak duży element z reguły determinuje bowiem cały układ płytki. Pół biedy, kiedy jest to transformator do druku, zalany żywicą i z wygodnymi wyprowadzeniami lutowniczymi, lecz jeżeli jest to pierścień ferrytowy z luźno zwisającymi, łamliwymi drutami miedzianymi… Brr, makabra – zwłaszcza w produkcji seryjnej.

Współczesna elektronika nieco spycha opisywane elementy na margines. Przetwornice impulsowe stają się już na tyle doskonałe, że transformatory w roli konwerterów napięcia nie są już potrzebne, choć nie zawsze da się je tak łatwo zastąpić. Ponadto miniaturyzacja nie może objąć transformatorów w tak znaczącym stopniu, jak ma to miejsce w przypadku innych gałęzi elektroniki, zwłaszcza półprzewodników.

Niestety, od wielu transformatorów nie da się całkowicie uciec. Ich niepodważalna cecha, jaką jest zapewnienie izolacji galwanicznej – zdolnej do wytrzymania różnic potencjałów rzędu tysięcy woltów przy bardzo wysokiej rezystancji izolacji – to coś, czego nie da żaden tranzystor czy wzmacniacz operacyjny. Można to obejść na kilka sposobów, lecz nadal kluczowe pozostanie zapewnienie sprzężenia magnetycznego. To ono jest podstawą funkcjonowania każdego transformatora i umożliwia uzyskanie różnych właściwości, nieosiągalnych innymi metodami, na przykład konwersji napięcia przy bardzo niskich stratach mocy albo dopasowania impedancji. Warto więc znać te pożyteczne podzespoły i umieć je stosować tam, gdzie są niezbędne, gdyż – tak, jak wspominałem – w niektórych przypadkach nie da się z nich zrezygnować.

Transformatory sieciowe

Ten najpopularniejszy typ transformatora poznają już dzieci w szkołach. Mowa o transformatorze w takim wydaniu, jakie powstało jeszcze w XIX wieku i zrewolucjonizowało elektrotechnikę. Odizolowane od siebie uzwojenia, nawinięte na rdzeń (wykonany z odpowiedniej stali) i od niego również odizolowane. Do jednego z uzwojeń podłączone jest źródło napięcia sinusoidalnego o zerowej składowej stałej, co powoduje indukowanie się napięcia w pozostałych uzwojeniach. Dobra, koniec tego opisu, przecież każdy elektronik go zna!

Transformatory małej mocy (do kilkudziesięciu woltoamperów) mogą być zalane żywicą i mieć formę eleganckiej, prostopadłościennej kostki z nóżkami gotowymi do wlutowania w płytkę drukowaną. Małe transformatory trzymają się na samych wyprowadzeniach, zaś te większe – jak na fotografii 1 – mają dodatkowe uchwyty służące do przykręcenia do laminatu. Z własnego doświadczenia mówię szczerze, że nie warto pomijać przykręcenia tychże uchwytów do płytki (a jeszcze lepiej, również do obudowy), gdyż producenci wcale nie dają ich bez przyczyny. W jednym moim urządzeniu doszło do wyrwania wyprowadzeń transformatora z karkasu pod wpływem wstrząsu (nie wiem, jak silnego) podczas transportu przesyłki. Oczywiście skala zniszczeń w obudowie była znaczna, bo taki niemal kilogramowy „klocek” był w niej przerzucany prawdopodobnie przez cały czas trwania dostawy.

Fotografia 1. Transformator sieciowy do druku z dodatkowymi uchwytami [1]

Wniosek jest więc prosty: jeżeli coś ma uchwyty i jest ciężkie, lepiej tego faktu nie bagatelizować. Pod tak spore transformatory warto ponadto stosować laminat o grubości 2 mm lub większej, gdyż tak duża masa ma naprawdę spory potencjał w zakresie odkształcenia laminatu szklano-epoksydowego, co może prowadzić do pęknięć ścieżek i spoin lutowniczych SMD – zwłaszcza tych wykonanych w technologii bezołowiowej.

Z transformatorami do druku jest związany jeszcze jeden parametr – wspólny dla wszystkich transformatorów sieciowych, ale w tym wypadku (bardzo często) znaczący. Mam na myśli prąd jałowy uzwojenia pierwotnego. To prąd, który transformator pobiera cały czas i przeznacza na straty w postaci ciepła. Piszę o tym nieprzypadkowo, bowiem to właśnie małe transformatory są często używane w urządzeniach zasilanych z sieci przez cały czas, jak na przykład centralki alarmowe czy sterowniki bram garażowych. O ile nikt nie kłóci się z tym, że „duże” transformatory pobierają wysoki prąd jałowy, dlatego warto je wyłączać, kiedy nie są potrzebne, o tyle w przypadku „małych” transformatorów to już nie jest takie oczywiste. Tymczasem w przypadku transformatorów niektórych znanych marek temperatura obudowy w stanie spoczynku może sięgać 50°C! I nie dotyczy to jednostkowych egzemplarzy, które mogły być po prostu uszkodzone, ale całych serii urządzeń.

Nagrzewanie jest zjawiskiem niepożądanym z dwóch względów. Po pierwsze podnosi temperaturę w obudowie (niekiedy ciasno upakowanej), co wpływa niekorzystnie chociażby na kondensatory elektrolityczne, które przez to wysychają szybciej. Wyższa temperatura zmienia również punkt pracy elementów aktywnych. Po drugie taka pracująca bezustannie grzałka to zwyczajne marnotrawstwo energii elektrycznej. Dlatego, w przypadku stosowania transformatorów o typowym układzie wyprowadzeń, warto przetestować wyroby różnych producentów, aby wybrać taki model, który będzie grzał się w jak najmniejszym stopniu.

Większe transformatory, zarówno z rdzeniem toroidalnym, jak i kształtkowym – które żadnym sposobem nie mieszczą się na płytce – wymagają niekiedy odpowiednich urządzeń rozruchowych, zwanych potocznie soft-startami. Ich zadaniem jest ograniczenie prądu rozruchowego w momencie włączania zasilania. Bez użycia soft-startów konieczne jest zastosowanie bezpiecznika na prąd znacznie wyższy niż wynikający z nominalnego poboru mocy przez zasilane urządzenie. W skrajnych sytuacjach uruchamianie transformatora (zwłaszcza toroidalnego) bez soft-startu grozi zadziałaniem zabezpieczeń w tablicy rozdzielczej budynku, o wypalaniu styków przełącznika nie wspominając.

Przykład takiego urządzenia znajduje się na fotografii 2 – w praktyce może ono być wykonane na różne sposoby, jednak najprostszy soft-start do transformatorów sieciowych składa się z rezystorów dużej mocy, które po chwili są bocznikowane załączającymi się stykami przekaźnika. W ten sposób uzyskuje się wstępne podmagnesowanie rdzenia, a dopiero później uzwojenie pierwotne załączane jest bezpośrednio do sieci.

Fotografia 2. Prosty soft-start do urządzenia sieciowego [2]

Transformatory głośnikowe

Czytelnicy, których urządzenia lampowe zupełnie nie interesują, mogą pominąć tę część opisu, choć mogą tego później żałować.

We współczesnych wzmacniaczach mocy nie znajdziemy już transformatorów głośnikowych, co najwyżej dławiki będące częściami składowymi filtrów LC wzmacniaczy w klasie D lub pochodnej. Z jednej strony można byłoby powiedzieć: to dobrze. Były ciężkie, drogie i wprowadzały masę ograniczeń, głównie pod względem pasma przenoszenia układu i jego odpowiedzi impulsowej. Nawet wczesne wzmacniacze tranzystorowe wymagały dopasowania impedancji, co wiązało się z koniecznością zastosowania transformatora wyjściowego.

Pod względem budowy transformator głośnikowy niewiele różni się od sieciowego. To, co warto w nim zastosować, to cieńsze blachy, poprawiające przenoszenie niskich tonów (poprzez zmniejszenie strat w rdzeniu). Z tym jednak bywa problem, ponieważ liczba producentów blach transformatorowych nie rośnie – rdzenie robi się więc z tego, co jest dostępne na rynku. Transformatory lepsze niż najzwyklejsze, „podłe” sieciowce mają sekcjonowane uzwojenia – oznacza to, że naprzemiennie są nawijane części uzwojenia pierwotnego i wtórnego (rysunek 1) – po to, aby zwiększyć bezpośrednie sprzężenie między nimi, co z kolei ma pozytywny wpływ na przenoszenie wysokich tonów. Sekcjonować można również uzwojenia na transformatorach toroidalnych.

Rysunek 1. Układ uzwojeń na karkasie z dwóch wersjach sekcjonowania [3]

Co ciekawe, na portalach sprzedażowych można znaleźć gotowe transformatory głośnikowe produkcji dalekowschodniej. Są to wyroby przeznaczone do współpracy z typowymi układami lampowymi, opartymi np. na dwóch EL34 w układzie przeciwsobnym czy czterech KT88 w takiej samej konfiguracji. Cena omawianych transformatorów jest wyjątkowo atrakcyjna, zaś jak wyglądają parametry? W porównaniu ze stereotypową obiegową opinią o chińszczyźnie (w wielu dziedzinach już bardzo niesłuszną), wszystkie testowane przeze mnie transformatory trzymały zakładane parametry, a nawet były od nich lepsze. Wiele osób zarzuca tym wyrobom asymetrię rezystancji połówek uzwojenia pierwotnego (mowa o transformatorach do układów push-pull) – pragnę w tym miejscu zaznaczyć, że nawijanie bifilarne, gwarantujące równość rezystancji, stosuje niewielka liczba fabryk na świecie, zaś wynikająca z tej asymetrii różnica impedancji widzianych przez anody obu lamp jest naprawdę pomijalna, zarówno w pomiarach, jak i w odsłuchach.

Pomimo swoich wad, to transformatory nadają wzmacniaczom lampowym ich charakterystyczne brzmienie. Nie chcę tutaj zagłębiać się w rozważania dotyczące samego brzmienia, bo to kwestia subiektywna i będąca przedmiotem wielu sporów, chcę jedynie zaznaczyć, iż od transformatora zależy naprawdę dużo w kwestii ostatecznej jakości wzmacniacza.

Transformatory sygnałowe

Sygna… co? Kiedyś takie twory były stosowane między poszczególnymi stopniami wzmacniaczy małej częstotliwości, głównie w erze wczesnotranzystorowej. Bardzo szybko zostały jednak zastąpione przez sprzężenia pojemnościowe i bezpośrednie. Dzisiaj transformatory sygnałowe (przykładowy można zobaczyć na fotografii 3) są stosowane do regulacji głośności.

Fotografia 3. Transformator sygnałowy z wieloma odczepami do regulacji głośności [4]

Mają wiele odczepów, które przełącza się, dokonując odpowiedniego zredukowania (lub nawet zwiększenia o kilka decybeli) amplitudy sygnału, jak na rysunku 2.

Rysunek 2. Schemat podłączenia transformatora do regulacji głośności [4]

Służą do tego ręczne wybieraki lub układy przekaźnikowe, choćby taki, jak na fotografii 4.

Fotografia 4. Układ regulacji głośności z transformatorem obsługiwanym przez przekaźniki [5]

W tej roli częściej spotkamy autotransformatory (jako prostsze w wykonaniu), ale nie tylko. Zaletą zastosowania transformatora jest możliwość uzyskania sygnału symetrycznego (zbalansowanego) z asymetrycznego (niezbalansowanego). Owszem, to samo może wykonać nieskomplikowany obwód bazujący na wzmacniaczu operacyjnym, lecz mówimy tu o układach, w których półprzewodników w torze sygnałowym i tak nie ma zbyt wiele, bądź nie ma ich wcale. Poza tym, stosując transformator możemy rozdzielić masy sygnałowe i przerwać pętlę masy w systemie audio.

Rdzenie transformatorów mocy z reguły są wykonywane z typowej blachy prądnicowej, jednak w przypadku sygnałowych – z uwagi na fakt, że i tak stanowią swego rodzaju fanaberię – sięga się po ferromagnetyki lepszej klasy, jak chociażby permalloy czy supermalloy. Takie transformatory są z reguły zaimpregnowane próżniowo w celu ochrony przed wilgocią i zredukowania magnetostrykcji uzwojeń oraz blach rdzenia. Ponadto często spotyka się je zapakowane w estetyczną puszkę, aby stanowiły ozdobę urządzenia.

Niektórzy cenią sobie transformatory w roli przyrządu do regulacji głośności, dla mnie to kwestia gustu – niemniej jednak, aby takowy pracował poprawnie, trzeba zadbać o zerową składową stałą napięcia podawanego na taki podzespół. W przeciwnym razie podmagnesowanie rdzenia prądem stałym nasyci rdzeń, co przełoży się na drastyczne pogorszenie parametrów. Nastąpi wzrost zniekształceń i zawężenie pasma przenoszenia od dołu. Brzmi to po prostu tragicznie – a uprzedzam o tym, bo wiem, że niektóre źródła sygnału mogą dawać na wyjściu składową stałą.

Transformatory impulsowe

Tytułowe komponenty to zminiaturyzowana wersja transformatorów sieciowych, która mogła zostać pomniejszona dzięki zastosowaniu rdzenia o znacznie większej przenikalności niż w przypadku blach. Mają one też znacznie większą rezystywność niż blachy, bowiem ferryty są spiekiem bardzo drobnych ziaren, zatem straty w postaci prądów wirowych będą mniejsze niż u ich żelaznych kuzynów – i to jest główna przyczyna, dla której lubimy ferryty. Dzięki wysokiej przenikalności można było zredukować liczbę zwojów, a to z kolei umożliwiło miniaturyzację zasilaczy. Wystarczy tylko kawałek elektroniki, która prąd wejściowy wyprostuje, odfiltruje i „posieka” z częstotliwością kilkudziesięciu bądź kilkuset tysięcy herców. Transformatory impulsowe są małe, lekkie, wygodne i zapewniają izolację galwaniczną od sieci.

Gdzie jest haczyk? Nie trzeba go szukać daleko: to niska wartość indukcji nasycenia. To dlatego transformatory impulsowe z rdzeniami ferrytowymi nie nadają się do pracy z niskimi częstotliwościami, o składowej stałej nawet nie wspominając. Owszem, problem składowej stałej w niektórych topologiach przetwornic rozwiązuje się poprzez dodanie szczeliny w rdzeniu, jednak przy niskich częstotliwościach te transformatory po prostu nie działają.

Transformatory impulsowe o klasycznej budowie (rysunek 3) z reguły zamawia się pod konkretną aplikację, choć jest to uciążliwe, bowiem trzeba umieć taki transformator zaprojektować – a zadanie takie wcale nie jest proste. Czy musimy więc stosować gotowe moduły przetwornic i nic nie da się zrobić? A jeżeli taki gotowy moduł ma jakieś niekorzystne dla nas cechy, na przykład wymiary, to co wtedy?

Rysunek 3. Typowe rdzenie transformatorów ferrytowych [6]

Między innymi dla takich jak ja, którzy od czasu do czasu mają potrzebę wstawienia do swojego układu przetwornicy impulsowej, ale bez zbytniego wgryzania się w tajniki parametrów rdzeni, uzwojeń, izolacji, reluktancji i masy innych spraw okołomagnetycznych, powstały gotowe transformatory impulsowe ogólnego przeznaczenia. Nie mają one wprawdzie oszałamiających parametrów, ale można kupić kilkadziesiąt czy kilkaset sztuk o powtarzalnych parametrach, zaprojektować typowy sterownik według jego noty katalogowej i gotowe. Coś, jak elektronika dla nieelektroników, tyle że to bardziej można nazwać zasilaczem dla niezasilaczowców.

Kilku znanych producentów ma wspomniane komponenty w swojej ofercie, a ponieważ lubię wspierać krajowy biznes, to zdarza mi się korzystać z wyrobów firmy Feryster. Jak to wygląda w praktyce? Wyszukuję transformator o odpowiedniej mocy i (choćby zgrubnie) pasującym napięciu wyjściowym. Niech będzie to malutki TI-E16-1438, który można zobaczyć na fotografii 5.

Fotografia 5. Transformator impulsowy TI-E16-1438 marki Feryster [7]

Ma moc 2 W i można z niego zrobić zasilacz sieciowy o napięciu wyjściowym 15 V. W jego nocie katalogowej znajdę wszystko, co jest mi potrzebne do zaprojektowania kompletnej przetwornicy. Poza rzeczami oczywistymi, jak footprint, producent podaje mi, niczym na tacy, liczbę zwojów każdego uzwojenia i grubość użytych drutów, indukcyjność uzwojenia pierwotnego, a nawet proponowany kontroler (rysunek 4). Nie muszę się przejmować częstotliwością pracy, doborem topologii przetwornicy, rodzajem sprzężenia zwrotnego – transformator został dobrany do kontrolera, a ten z kolei determinuje tego typu cechy układowe. W ten sposób zaprojektowałem już kilka układów, które musiałem mocno zminiaturyzować, więc nie mogłem korzystać z gotowych modułów zasilaczy impulsowych. Urządzenia te przeszły pełny proces certyfikacji i są z powodzeniem produkowane od kilku lat w setkach sztuk rocznie.

Rysunek 4. Najpotrzebniejsze informacje na temat wybranego transformatora [8]

Ciekawą odmianą transformatorów impulsowych są transformatory planarne – fotografia 6.

Fotografia 6. Przykład transformatorów planarnych do montażu THT i SMD [9]

Te z fotografii służą do sterowania bramek tranzystorów MOSFET lub IGBT. W tego typu transformatorach uzwojenia są wykonywane w postaci ścieżek na płytce – uzwojenie pierwotne jest wówczas umieszczone po przeciwnej stronie laminatu, co uzwojenie pierwotne. Całość jest zamknięta ferrytowymi „okładkami”, które stanowią drogę dla pola magnetycznego, jak na rysunku 5. Można też mieć wiele uzwojeń, z których każde jest na innej warstwie typowego laminatu, najczęściej szklano-epoksydowego.

Rysunek 5. Budowa transformatora planarnego z użyciem PCB [10]

Transformatory planarne są interesujące z dwóch powodów. Po pierwsze, można je tworzyć w bardzo prosty sposób, poprzez naniesienie na PCB odpowiedniego wzoru ścieżek oraz otworów na ramiona rdzenia ferrytowego, a następnie zamknięcie rdzenia na zmontowanej już płytce. Nie musi to być odrębny podzespół (choć może), odpadają wówczas także problemy z nawijaniem drutu, montażem karkasu i lutowaniem transformatora na płytce. Po drugie takie transformatory są też bardzo powtarzalne, gdyż ludzkość ma opanowaną produkcję płytek z laminatu FR4 z dokładnością do mikrometrów – a to sprawia, że transformatory planarne są również znacznie tańsze od dotychczas stosowanych wykonań dyskretnych. Istnieją wprawdzie transformatory planarne z uzwojeniami drucianymi, ale nie są one tak interesujące, jak te tworzone na PCB.

Co ciekawe, to wcale nie jest jakaś niespotykana technologia jutra, która nie ma jeszcze praktycznego zastosowania. W pewnej aparaturze – a dokładniej w zasilaczu wielkiej mocy – poszczególne tranzystory są sterowane odrębnymi driverami, z których każdy ma doprowadzony sygnał sterujący optoizolatorem, zaś ich zasilanie jest dystrybuowane właśnie poprzez wiele takich niewielkich transformatorów planarnych. Wszystkie uzwojenia pierwotne są na jednej stronie płytki, zasilane napięciem o częstotliwości kilkuset kiloherców, a uzwojenia wtórne – znajdują się na drugiej stronie laminatu i zasilają drivery poprzez prostowniki i stabilizatory. Proste, szybkie, tanie i niezawodne. Osobiście bardzo kibicuję tej technologii, gdyż umożliwia ona odejście od nawijania drutu i problemów z tym związanych. Wymaga jedynie stosowania relatywnie wysokich częstotliwości, ponieważ uzwojenia mogą mieć niewiele zwojów (lecz w obecnych czasach to już nie jest tak duży problem, jak dawniej).

Szczególnym przypadkiem transformatorów impulsowych są (przynajmniej dla mnie) transformatory do przetworników piezoelektrycznych. Ich zadaniem jest zwiększenie amplitudy napięcia, które powoduje odkształcanie kryształu – co przekłada się na dźwięk o wyższym poziomie głośności. Ich przekładnia nie jest z reguły oszałamiająca (nie więcej niż kilka), nie jest od nich również wymagana jakaś szczególnie wytrzymała izolacja między uzwojeniami. Z reguły nawija się je na ferrytowych rdzeniach szpulkowych, jak na fotografii 7.

Fotografia 7. Transformatory do zasilania przetworników piezoelektrycznych

Widoczne na zdjęciu transformatory mają liczbę zwojów 200:1200 oraz 300:900, zatem ich przekładnia wynosi, odpowiednio, 1:6 i 1:3.

Pewnym udanym eksperymentem są autotransformatory do przetworników piezoelektrycznych – tańsze w produkcji, niż pełne transformatory, a równie dobrze spełniające swoją rolę. Nie jest tutaj przecież potrzebna izolacja galwaniczna. Dodatkiem znacznie poprawiającym kompatybilność elektromagnetyczną układu jest ferrytowy kubek ekranujący, widoczny wraz z takim autotransformatorem na fotografii 8.

Fotografia 8. Autotransformatory z ferrytowymi ekranami do zasilania przetworników piezo

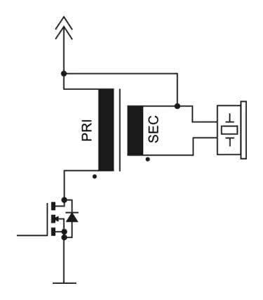
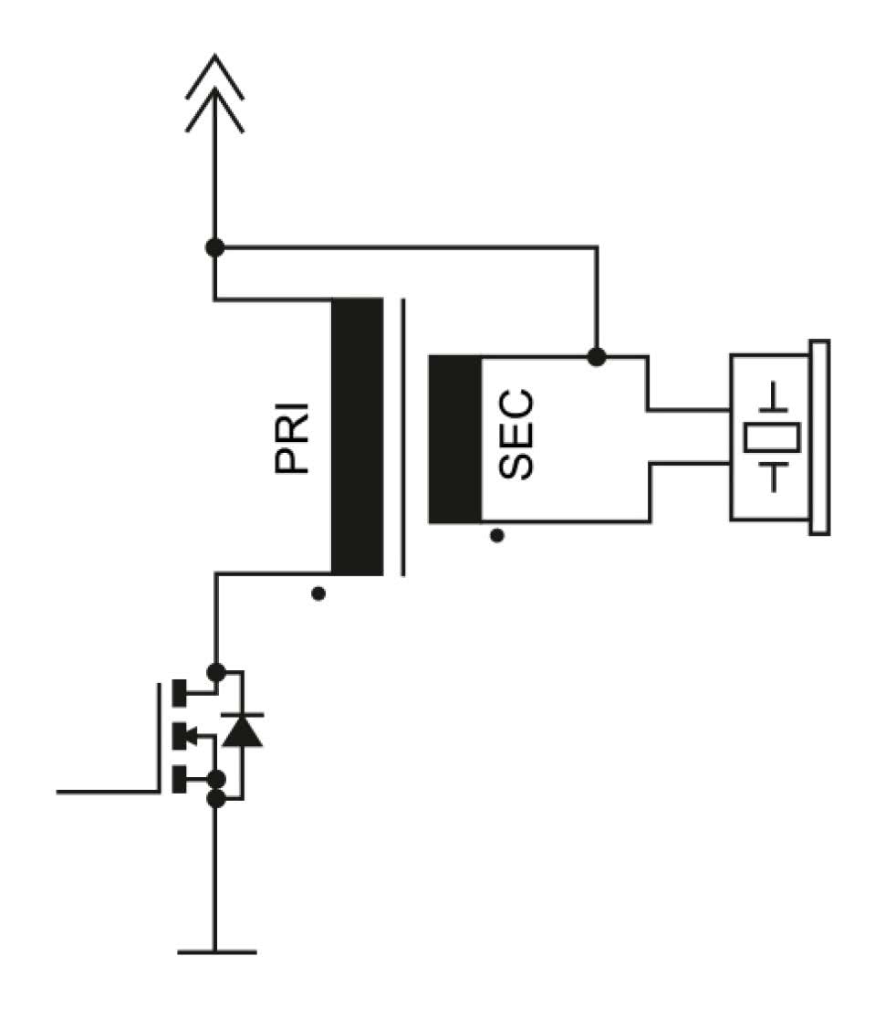
Przykładowe podłączenie opisywanego komponentu pokazano na rysunku 6. Uzwojenie pierwotne jest zasilane impulsami prądu, które dostarczają energię do rdzenia. To przekłada się na impulsy szpilkowe o bardzo wysokiej wartości szczytowej na uzwojeniu wtórnym. Układ tego typu jest niewielki i tani.

Rysunek 6. Przykładowy schemat podłączenia autotransformatora do przetwornika piezoelektrycznego

Przekładniki prądowe

Pewnym szczególnym rodzajem transformatorów, które na pierwszy rzut oka nie wyglądają zbyt okazale, są przekładniki prądowe. Przekładniki takie, jak na fotografii 9, często używam w swoich projektach publikowanych na łamach „Elektroniki Praktycznej”. Budowa jest prosta: rdzeń z nawiniętym nań uzwojeniem. W porządku, to gdzie ten transformator, który powinien mieć ma dwa uzwojenia? Ano, trzeba go sobie zrobić samemu. W tym celu przewleka się przewód z prądem, który chcemy mierzyć, przez otwór w przekładniku. Tak oto powstaje transformator mający 1 zwój uzwojenia pierwotnego oraz n zwojów uzwojenia wtórnego, wobec czego prąd indukowany w uzwojeniu wtórnym będzie n-krotnie mniejszy od „oryginalnego”, płynącego w nadzorowanym przez przekładnik obwodzie.

Fotografia 9. Przekładnik prądowy TALEMA ASM-010 [10]

Gdzie tu pułapki, gdzie są haczyki? Przekładniki bardzo dobrze odwzorowują przebieg prądu na swoim wyjściu, ale – jako, że z punktu widzenia teorii obwodów są to de facto źródła prądowe – to najlepiej im się pracuje przy zwartych zaciskach. I tutaj są dwie drogi. Jedna z nich zakłada stosowanie rezystora (o wartości zalecanej przez producenta przekładnika) i wzmacnianie odkładającego się na nim spadku napięcia (rysunek 7). Wada? Wzmacniacz musi mieć wzmocnienie rzędu 100 V/V lub więcej, więc mocno szumi. Gdyby ograniczyć jego pasmo przenoszenia, wówczas wraz z szumami zostanie ucięta wysokoczęstotliwościowa część sygnału. Ciekawszym rozwiązaniem może zatem być wzmacniacz transimpedancyjny (TIA), który od strony wejścia prezentuje sobą niemal idealne zwarcie (a w dodatku łatwiej można zapanować nad jego szumami).

Rysunek 7. Proponowany przez producenta sposób użycia przekładnika [11]

Z kolei w miejscach, w których potrzebuję jedynie zasygnalizowania przekroczenia określonego progu prądu płynącego przez przewód, używam rezystora obciążającego przekładnik o wyższej wartości, na przykład 1 kΩ. Daje to większą amplitudę napięcia na zaciskach rezystora, przez co wzmocnienie wzmacniacza napięciowego może być znacznie niższe. To zmniejsza również poziom szumów na jego wyjściu. Jest to jednak niewskazane działanie, kiedy chcemy uzyskać wysoką liniowość pracy przekładnika, więc do zastosowań pomiarowych (a nie tylko detekcyjnych) taka metoda się nie nadaje.

Podsumowanie

Transformatory są z nami już od ponad 100 lat i nic nie zapowiada, aby ich egzystencja miała zostać zakończona lub zmarginalizowana – tak, jak miało to miejsce w przypadku lamp elektronowych. Przeciwnie, transformatory cały czas ewoluują i spotykamy je w wielu zastosowaniach pod różnymi postaciami. Nie wspominałem w tym artykule chociażby o energetyce, w której transformatory wielkiej mocy będą z nami jeszcze pewnie przez wiele, wiele lat.

Za unowocześnioną ideę transformatora uważam rozwój technologii transformatorów planarnych. W dobie urządzeń coraz silniej zminiaturyzowanych jest to krok ku uproszczeniu konstrukcji i zmniejszeniu objętości tego – dotychczas mocno kłopotliwego – podzespołu. Jest to również zbieżne z innymi technologiami miniaturyzującymi nasze urządzenia, chociażby jak Chip On Board (COB). Może transformatory planarne są wstępem do Transformer On Board? Zobaczymy.

Michał Kurzela, EP

Źródła:

[1] https://www.tme.eu/pl/details/bvei6031026/transformatory-do-pcb/hahn/bv-ei-603-1026/
[2] https://adko.eu/Softstart-miekki-start-rozruch-urzadzen-230V-AC-max-16A
[3] https://pearl-hifi.com/06_Lit_Archive/02_PEARL_Arch/Vol_06/Sec_26/1555_Output_Transformers.pdf
[4] https://sacthailand.com/Transformer_Attenuator.html
[5] https://khozmo.com/product/tvc-passive-preamp-preamplifier/
[6] https://www.zettlermagnetics.eu/wp-content/uploads/2014/02/ferrite.pdf
[7] https://www.tme.eu/pl/details/ti-e16-1438/transformatory-do-pcb/feryster/
[8] https://www.tme.eu/Document/812713e3794c61cf1b90885b6ce383a2/1438.pdf
[9] https://www.vishay.com/docs/34454/mgdt.pdf
[10] https://scholarworks.bwise.kr/hanyang/bitstream/2021.sw.hanyang/189616/1/High-Frequency%20Planar%20Transformer%20Based%20on%20Interleaved%20Serpentine%20Winding%20Method%20with%20Low%20Parasitic%20Capacitance%20for%20High-Current%20Input%20LLC%20Resonant%20Converter.pdf
[11] https://www.tme.eu/pl/details/pp-asm-010/przekladniki-pradowe/talema/asm-010/
[12] https://www.tme.eu/Document/ad60966f03600d98df1982d0ee6f0dd3/ASM-Series.pdf

Artykuł ukazał się w
Elektronika Praktyczna
październik 2025
Elektronika Praktyczna Plus lipiec - grudzień 2012

Elektronika Praktyczna Plus

Monograficzne wydania specjalne

Elektronik listopad 2025

Elektronik

Magazyn elektroniki profesjonalnej

Raspberry Pi 2015

Raspberry Pi

Wykorzystaj wszystkie możliwości wyjątkowego minikomputera

Świat Radio listopad - grudzień 2025

Świat Radio

Magazyn krótkofalowców i amatorów CB

Automatyka, Podzespoły, Aplikacje listopad - grudzień 2025

Automatyka, Podzespoły, Aplikacje

Technika i rynek systemów automatyki

Elektronika Praktyczna listopad 2025

Elektronika Praktyczna

Międzynarodowy magazyn elektroników konstruktorów

Elektronika dla Wszystkich grudzień 2025

Elektronika dla Wszystkich

Interesująca elektronika dla pasjonatów