Układy analogowe w erze cyfrowej

Układy analogowe w erze cyfrowej

Dobrych kilkanaście lat temu elektronicy na całym świecie mogliby śmiało skandować: śmierć analogowi! Tylko cyfra! Precz z „analogówką”, układy cyfrowe to jest przyszłość! Minęły lata i… nic się nie zmieniło. Obie te gałęzie elektroniki mają się dobrze, a symbioza między nimi zdaje się widoczna w coraz szerszej liczbie zastosowań. Czemu tak się stało, dlaczego nie możemy się pozbyć analogowej części elektroniki z naszego życia, co ciekawego oferuje nam rynek i... dlaczego jajka nie są kwadratowe? Zapraszam do lektury!

Kiedy byłem studentem Wydziału Elektroniki i Technik Informacyjnych Politechniki Warszawskiej, dla zdecydowanej większości przyszłych inżynierów przedmioty traktujące o elektronice analogowej były znacznie trudniejsze od tych „cyfrowych”. Napięcia, prądy, zakłócenia, szumy i trzaski, wzmocnienia różnicowe... Rany, niech ktoś to wreszcie zastąpi jakimś porządnym układem cyfrowym, po co tak się męczyć?! Mielibyśmy tylko dwa stany, zero i jeden, łatwą i przyjemną algebrę Boole’a, wszystko zdeterminowane i określone, czyż życie nie byłoby piękniejsze? Jak by to ująć – naukowcy od wielu lat próbują uczynić nasze życie coraz bardziej cyfrowym, wplatając przetwarzanie cyfrowe do coraz większej liczby zastosowań. A na drodze staje nam rzeczywistość – piękna i frustrująca zarazem.

Weźmy na przykład takie jajko, uważane za przyrodniczy cud inżynieryjny. Lekkie, a zarazem wytrzymałe. Czy jego gładką, acz lekko chropowatą powierzchnię da się całkowicie odwzorować przy użyciu równań matematycznych bazujących na liczbach całkowitych? Gdyby jajko dostało ostre krawędzie, nadal jego skorupka tak dobrze pełniłaby swoją funkcję? Przecież nadtłukujemy ją właśnie po to, by łatwiej było je całkowicie rozbić. Albo odgłos spadającego liścia podczas lekkiego wiatru – przecież widmo amplitudowo-fazowe (a w zasadzie cały spektrogram) takiego dźwięku to jakiś kosmos. Możemy go przybliżać znanymi nam metodami matematycznymi, lecz to nadal będzie tylko przybliżenie, nieoddające pierwowzoru idealnie, a jedynie z jakimś akceptowalnym dla nas przybliżeniem.

Do czego dążę? Możemy mieć najdoskonalsze filtry cyfrowe, najszybsze jednostki obliczeniowe oraz najwydajniejsze układy mnożące i pamiętające, a na początku i końcu tego łańcucha zawsze stoi przyroda z całą swoją niedoskonałością. Dlatego, aby móc wprowadzić sygnał do naszego cyfrowego, idealnego świata, potrzebny jest przetwornik analogowo-cyfrowy (ADC). Zaś na końcu musimy ten sygnał uczynić zrozumiałym dla naszych zmysłów, posługując się przetwornikami cyfrowo-analogowymi (DAC) – rysunek 1. Same przetworniki to temat z pogranicza „cyfry” i „analogu”, bowiem stanowią one pomost między tymi dwoma światami, lecz nawet przy ich użyciu należy ten sygnał analogowy odpowiednio przygotować. Może on pochodzić z różnych źródeł, chociażby z czujników: natężenia światła, temperatury czy położenia.

Rysunek 1. Uproszczony schemat blokowy toru sygnałowego w nowoczesnym urządzeniu analogowo-cyfrowym [1]

Czyli co, układy analogowe wiecznie żywe? Na to wygląda. Nadal potrzebujemy multiplekserów, zdolnych do przełączania wejścia między różnymi źródłami, wzmacniaczy, którymi ten sygnał przygotujemy do obróbki lub po obróbce, a także filtry, których zadaniem jest „wygładzenie” odtworzonego po przetwarzaniu sygnału lub – wręcz przeciwnie – obrobienie go tak, by w toku przetwarzania na postać cyfrową nie wystąpiły jakieś niepożądane zjawiska. Niekiedy nawet nie opłaca się przekształcać sygnału na postać cyfrową, bo wymagana obróbka jest na tyle prosta, że wystarczy sam układ analogowy. Przykład? Przedwzmacniacz gramofonowy. Choć reszta toru audio może zawierać już przetwarzanie cyfrowe.

Coraz częściej mamy również do czynienia z integracją bloków analogowych w strukturach układów cyfrowych. Sztandarowym przykładem mogą być mikrokontrolery, mające na pokładzie z reguły ADC, DAC, jakiś multiplekser i niekiedy prosty wzmacniacz operacyjny. W tym wypadku widać wyraźną przewagę części cyfrowej nad analogową. Lecz stosunek ten bywa odwrócony: do układu stricte analogowego (na przykład wzmacniacza napięciowego) został dodany niewielki moduł cyfrowy, komunikujący się za pośrednictwem I²C (lub innego interfejsu), który umożliwia łatwą zmianę jego wzmocnienia lub wyłączenie wyjścia. Mamy układ analogowy? Mamy. Czy łatwo można nim sterować z poziomu aplikacji? Owszem.

„Analogowe” mikrokontrolery

Niemal każdy szanujący się, współczesny mikrokontroler ma w sobie coś analogowego. Różnice widać w podejściu – producent układu mógł potraktować tę część po macoszemu, a mógł też otoczyć ją szczególną opieką. To drugie podejście oferuje chociażby Analog Devices – firma wszak słynąca ze swoich cudeniek w świecie „analogu” – w postaci rodziny mikrokontrolerów określanych jako precision analog.

Na rysunku 2 znajduje się schemat blokowy mikrokontrolera ADuC7026. Od strony cyfrowej nie ma się czego przyczepić: wydajny rdzeń ARM, sporo pamięci, interfejsy sprzętowe SPI i I²C, a także timery wspierające realizację sterowników silnika. Użytkownik ma do dyspozycji nawet kawałek programowalnego układu logicznego w postaci tzw. PLA.

Rysunek 2. Schemat blokowy mikrokontrolera ADuC7026 [2]

Zaś od strony analogowej mamy wszystko, czego potrzeba do niezbyt szybkich zastosowań: przetwornik analogowo-cyfrowy z multiplekserem, stabilne źródło napięcia odniesienia (nie to, co w układach serii ATtiny…) i aż cztery (!) przetworniki cyfrowo-analogowe z wbudowanymi filtrami rekonstrukcyjnymi. Żyć, nie umierać! Ale najlepszy w tym jest błąd nieliniowości wbudowanego przetwornika analogowo-cyfrowego, szczegółowo pokazany na rysunku 3.

Rysunek 3. Wartość błędu nieliniowości ADC w układzie ADuC70xx [2]

Niemal równomiernie rozłożony na wszystkich 4096 osiągalnych przez wyjście przetwornika poziomach napięcia to coś, co niezwykle upraszcza konstruowanie układów korzystających z analogowych czujników.

W porządku, ale na tym oferta „analogowych” mikrokontrolerów wcale się nie kończy. Przykładowo ADuCM410 to prawdziwy kombajn zawierający mnóstwo analogowych cudeniek – rysunek 4.

Rysunek 4. Schemat blokowy układu ADuCM410 [3]

Prościej byłoby chyba wymienić, czego tam nie ma, bo zasoby są znaczące: dwanaście (!) przetworników cyfrowo/analogowych, wzmacniacze o programowalnym wzmocnieniu (PGA), wzmacniacze transimpedancyjne (TIA) do pomiaru natężenia prądu, szybkie komparatory… I to wszystko może zostać tak skonfigurowane, by działało nawet podczas zerowania rdzenia mikrokontrolera – tak przynajmniej zapewnia producent. Na fotografii 1 można zobaczyć płytkę ewaluacyjną z tym zacnym mikrokontrolerem, która umożliwia wypróbowanie jego możliwości. Co ważne, ten układ jest dostępny w magazynach znanych dystrybutorów, nie jest więc tylko nigdy niewidzianym w sprzedaży „wyrobem pokazowym”.

Fotografia 1. Płytka ewaluacyjna z układem ADuCM410 [4]

Analogowe otoczenie

Nie samymi mikrokontrolerami współczesna elektronika żyje, bowiem przetwarzanie sygnału niejednokrotnie musi odbywać się poza strukturami tych układów scalonych, nawet jeśli są mocno zaawansowane. Powodów jest wiele, ale z reguły należą do nich niewystarczające osiągi wbudowanych wzmacniaczy czy brak możliwości kształtowania ich charakterystyki amplitudowej. Można budować obwody wzmacniające na piechotę, używając do tego typowych wzmacniaczy operacyjnych lub innych elementów aktywnych oraz odpowiednio do nich dobranych elementów biernych, lecz z takim podejściem wiąże się kilka problemów.

Po pierwsze, trzeba mieć dobrze opanowaną sztukę projektowania takich układów, do czego potrzebny jest doświadczony elektronik w zespole – a nie zawsze jest to możliwe. Przydałyby się zatem takie gotowe „kostki”, których można byłoby użyć nieco jak czarnej skrzynki: tu wchodzi, tu wychodzi, tu się zasila, takie ma parametry… i do widzenia! Takie układy istnieją i – co ważniejsze – w odróżnieniu od projektowanych ręcznie wzmacniaczy, ich wzmocnienie można łatwo regulować. Mowa tutaj o PGA (Programmable Gain Amplifier).

Jednym z takich układów jest nowoczesny PGA849 od firmy Texas Instruments. To gotowy wzmacniacz pomiarowy (instrumentalny), który ma do wyboru aż osiem różnych wzmocnień: od 0,125 V/V do 16 V/V. Zmiany wzmocnienia dokonuje się poprzez zmianę stanów logicznych na trzech wejściach A0, A1 i A2, co powoduje przełączanie rezystorów ustalających wzmocnienie (rysunek 5).

Rysunek 5. Uproszczona aplikacja układu PGA849 [5]

Pasmo przenoszenia układu rozciąga się od składowej stałej aż do 10 MHz, więc opisywany wzmacniacz może mieć wiele zastosowań, zaś różnicowe wejście ułatwia obsługę sygnału np. z czujników tensometrycznych. Za cenę kilku dolarów mamy układ o bardzo dobrze ukształtowanej charakterystyce amplitudowej, która jest płaska w paśmie przepustowym, co udowadnia wykres na rysunku 6.

Rysunek 6. Charakterystyka amplitudowa układu PGA849 [5]

W celu przeprowadzenia testów można nawet pozyskać płytkę ewaluacyjną (fotografia 2) w niewygórowanej cenie kilkudziesięciu dolarów.

Fotografia 2. Płytka ewaluacyjna PGA849EVM z układem PGA849 [6]

Mimo że PGA są układami znanymi od dawna, piszę o nich nieprzypadkowo. Wielu elektroników, nawet doświadczonych w projektowaniu układów analogowych, nie ma zwyczajnie czasu i/lub chęci do tego, by po raz kolejny tworzyć jakiś analogowy „klocek” podczas pracy nad np. dużym, mikroprocesorowym modułem przemysłowym. To zwiększa liczbę elementów na finalnej płytce, wydłuża BOM, zwiększa koszty montażu i ryzyko pomyłki przy produkcji – słowem: same problemy. Jeżeli tylko projekt nie jest szczególnie „wyżyłowany” pod kątem finansowym, co wymuszałoby stosowanie najtańszych elementów w jak najmniejszej liczbie, sam często uciekam się do umieszczenia na płytce gotowego PGA, zwłaszcza jeżeli wzmocnienie jakiegoś stopnia nie jest dla mnie do końca znane na etapie projektowania np. prototypu. W ten sposób mały układzik w obudowie SMD, dwa kondensatory odsprzęgające zasilanie i kilka zworek SMD (lub sterowanie z mikrokontrolera) realizują to samo zadanie, co wzmacniacz operacyjny otoczony sporą liczbą elementów dyskretnych, którymi trzeba się zaopiekować na etapie projektowania i później montażu. Ot, taki elektroniczny fast food – ale od niego się nie tyje, można za to zaoszczędzić sporo czasu i nerwów.

Doprowadzenie sygnału do PGA w przypadku obsługi kilku źródeł, na przykład czujników, wymaga użycia multipleksera, jak na rysunku 7. Multipleksery analogowe, zawarte w strukturach mikrokontrolerów, bywają lepsze i gorsze, lecz czasem dokładność pomiaru wymaga użycia zewnętrznego przełącznika sygnałów analogowych. Tutaj z pomocą może przyjść chociażby układ TMUX6104, oferujący cztery wejścia i jedno wyjście. Producent chwali się, że każde wejście ma pojemność 5 pF i prąd upływu wynoszący jedynie 5 pA!

Rysunek 7. Nowoczesny tor przetwarzania analogowego z multiplekserem [7]

Przejrzenie charakterystyki z rysunku 8 potwierdza prawdziwość tych słów, ale tylko w temperaturze pokojowej lub niższej. Po silnym podgrzaniu wartość prądu upływu rośnie wielokrotnie, co nie zmienia faktu, że to nadal bardzo ciekawy układ, parametrami bijący na głowę takie starocie, jak CD4051. Te zaś nadal mają szereg zastosowań, ale psują renomę współczesnym multiplekserom w oczach wielu „starych wyjadaczy”, jakoby półprzewodnikowe przełączniki sygnałów analogowych były wolne, miały wysoki prąd upływu i wprowadzały znaczącą pojemność do toru sygnałowego. Otóż okazuje się, że w XXI wieku mamy do wyboru coś lepszego niż CD4051. Choć one nadal mają swoje zastosowania. Przykładowo w jednym z moich projektów pełną funkcję przełączników napięć stałych z przedziału 0…5 V, zwiększając dostępną liczbę wejść analogowych mikrokontrolera ATmega – i radzą sobie w tej funkcji znakomicie, kosztując przy tym kilkadziesiąt groszy za sztukę.

Rysunek 8. Zależność między prądem upływu wejścia a temperaturą układu TMUX6104 [7]

Współczesna oferta „analogowa” zawiera również wiele ciekawych wzmacniaczy operacyjnych i komparatorów. Przykładem bardzo interesującego układu jest komparator z serii TLV183x, którego schemat blokowy znajduje się na rysunku 9.

Rysunek 9. Schemat blokowy komparatora z serii TLV183x [8]

Nie jest jakiś ekstremalnie szybki, ponieważ producent deklaruje czas przełączania na poziomie dziesiątek nanosekund, ale ma kilka cech, które odróżniają go od dobrze znanych układów typu LM311 i pokrewnych:

  • napięcie zasilania z przedziału 2,7…40 V;
  • wbudowane diody zabezpieczające wejścia;
  • pobór prądu wynoszący tylko 75 μA na kanał;
  • offset napięciowy wynoszący typowo 500 μV;
  • wyjście typu push-pull (TLV184x ma wyjście typu otwarty dren), zapewniające dużą szybkość przełączania wyjścia na obu zboczach;
  • wbudowany obwód Power-ON Reset, blokujący wyjście przez 80 μs po załączeniu zasilania;
  • dostępność w wersjach: jedno-, dwu- i czterokanałowej.

Rozbudowane układy

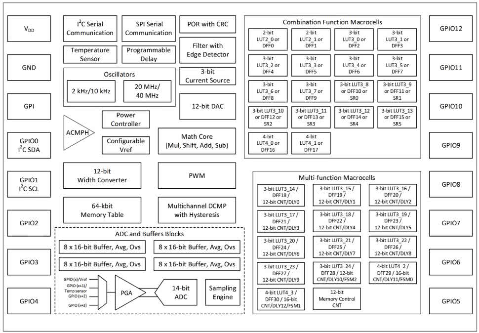
Czy chcąc przetwarzać sygnał analogowy w bardziej zaawansowany sposób, trzeba sięgać po procesor sygnałowy lub mikrokontroler? Można się posłużyć jeszcze innym „tworem”, nieklasyfikującym się do jakiejkolwiek szeroko znanej grupy. Mam na myśli układ SLG47011 firmy Renesas, która w nocie katalogowej opisuje go jako GreenPAK Programmable Mixed-Signal Matrix With Analog-to-Digital Data Acquisition System. Brzmi kusząco, ale… co to właściwie jest za „zwierzę”? Na pewno struktura blokowa tego układu, znajdująca się na rysunku 10, będzie tu pomocna.

Rysunek 10. Struktura układu SLG47011 [9]

A czego tam nie ma! 14-bitowy przetwornik A/C z PGA i multiplekserem, bufory na dane wyjściowe, arytmetyczna jednostka logiczna, źródło prądowe, dwa oscylatory, DAC, komparator o zmiennej histerezie i wzmocnieniu, liczniki, interfejsy SPI i I²C, tablice funkcji kombinacyjnych i wielofunkcyjne makrokomórki. Co ciekawe, tak zaawansowany układ ma tylko 16 wyprowadzeń, rozrysowanych na rysunku 11. Nie ma konieczności dołączania całego „stada” kondensatorów odprzęgających zasilanie, rezonatorów kwarcowych, kilku stabilizatorów napięcia i innych rzeczy, które z reguły znajdują się w otoczeniu zaawansowanych mikrokontrolerów – producent zaleca tylko kondensator 100 nF przy wyprowadzeniach zasilania. Wszystkie pozostałe wyprowadzenia można skonfigurować z dosyć dużą dowolnością, tak samo jak bloki znajdujące się wewnątrz tego układu.

Rysunek 11. Układ wyprowadzeń SLG47011 [9]

Przykładowo, zgodnie ze schematem z rysunku 12, można swobodnie utworzyć sieć połączeń bloków cyfrowych między sobą, a potem – z wyprowadzeniami układu.

Rysunek 12. Połączenia tablic konfiguracyjnych w układzie SLG47011 [9]

W ten oto sposób można stworzyć chociażby układ uśredniający 4096 próbek sygnału, pobranych przez przetwornik analogowo/cyfrowy (rysunek 13), działający w czasie niemalże rzeczywistym. Ale to nie wszystko, bowiem zebrane próbki można mnożyć, dodawać, przesuwać, skalować przez wartości zawarte w LUT, wystawiać na przetwornik cyfrowo-analogowy i wiele, wiele więcej.

Rysunek 13. Przykładowy schemat blokowy struktury uśredniającej 4096 próbek z ADC, zrealizowany w oparciu o układ SLG47011 [9]

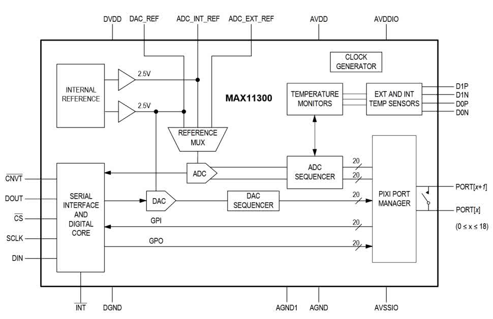
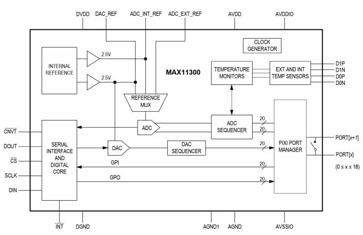
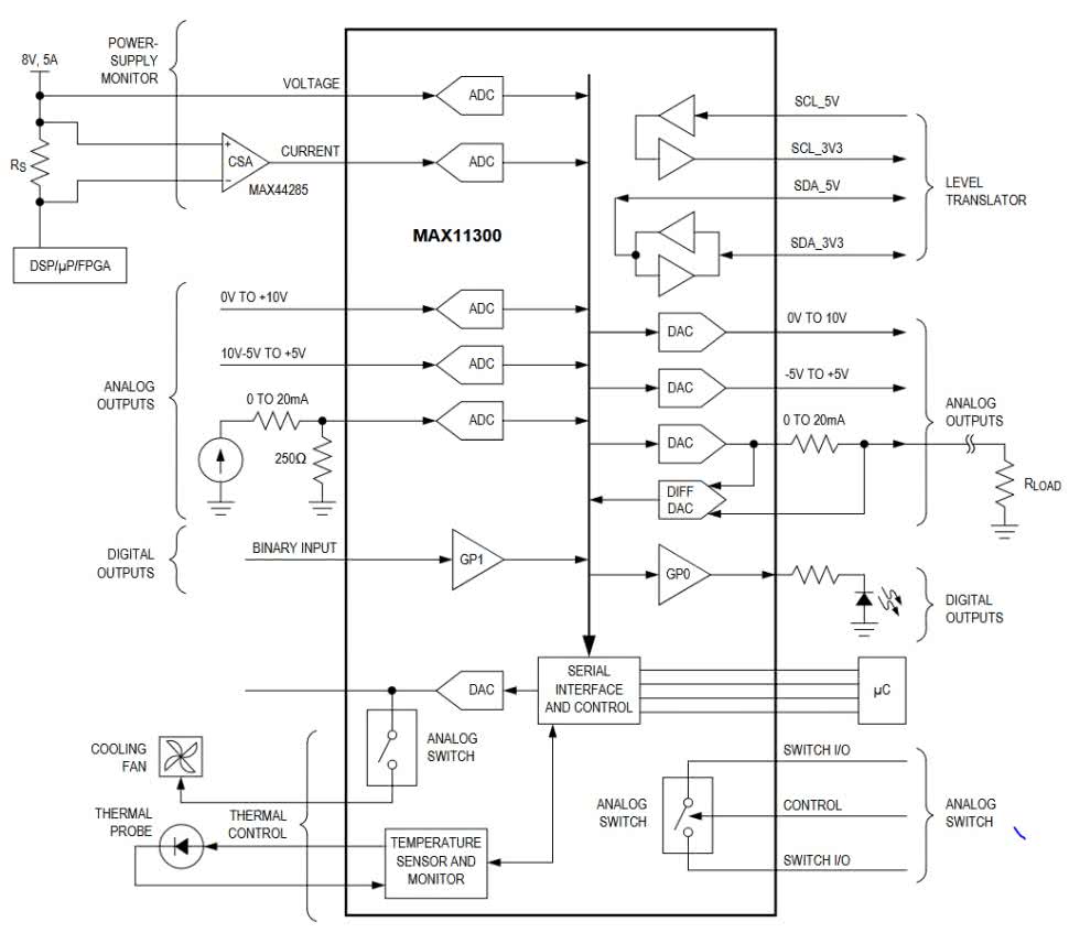
Mniej zaawansowanym układem, lecz nadal analogowym z cyfrową „przystawką”, jest MAX11300 od Maxim Integrated (obecnie część koncernu Analog Devices). Nie jest to do końca mikrokontroler, bo nie realizuje programu. Zawiera przetworniki analogowo-cyfrowy i cyfrowo-analogowy wraz z niezbędnym dla nich oprzyrządowaniem (multiplekser napięcia referencyjnego oraz samo źródło napięcia odniesienia), szeregowy interfejs cyfrowy z cyfrowym blokiem sterującym i coś, co nosi nazwę PIXI – rysunek 14. Nie ma tutaj wzmacniaczy transimpedancyjnych czy o regulowanym wzmocnieniu, lecz za to można wygodnie konfigurować liczbę próbek uśrednianych z każdego wejścia ADC, jak również zakres przetwarzania tegoż.

Rysunek 14. Schemat blokowy układu MAX11300 [10]

Wspomniany blok PIXI umożliwia konfigurację dwudziestu wyprowadzeń układu w dowolny sposób – mogą się one stać zarówno wejściami, jak i wyjściami analogowymi (każde o innym zakresie napięć) i cyfrowymi o regulowanej czułości (w przypadku wejścia) lub ustalanym napięciu wyjściowym (w przypadku wyjść). Przy użyciu wyprowadzeń tego bloku można też tworzyć konwertery poziomów logicznych. Jest to okupione koniecznością zasilania układu trzema różnymi napięciami (jedno dla części cyfrowej i dwa dla analogowej), za to jego możliwości stają się dzięki temu tak duże.

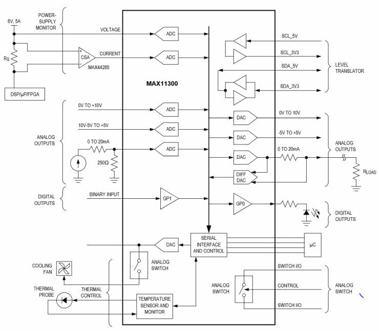
Na rysunku 15 znajduje się schemat regulatora kontrolującego temperaturę, stan wejść analogowych i cyfrowych oraz natężenie prądu. Jednocześnie ten sam układ generuje wyjściowe sygnały analogowe, na przykład na potrzeby PLC. Warto zwrócić uwagę, że zakresy przetwarzania zarówno ADC, jak i DAC, są różne dla różnych wyprowadzeń. To duża przewaga tego układu nad stopniami analogowymi budowanymi na piechotę, bowiem każdy taki przetwornik operuje w swoim zakresie i już, koniec kropka. Zmiana tego wymaga dodawania wzmacniaczy, dzielników lub przesuwników potencjału – zaś MAX11300 ma już to wszystko na pokładzie. Wszystkim może zarządzać niewielki mikrokontroler, komunikujący się z tym analogowo-cyfrowym „kombajnem” poprzez SPI.

Rysunek 15. Przykładowe zastosowanie układu MAX11300 [10]

Podsumowanie

Jeżeli ktoś liczył na to, że w 2025 roku układy analogowe odejdą do lamusa, to przykro mi bardzo, ale srogo się przeliczył. Ta gałąź elektroniki jest cały czas rozwijana, o czym świadczą nowe podzespoły wprowadzane na rynek chociażby w zeszłym roku, zaś niektóre z nich zostały opisane w niniejszym artykule.

Widać na rynku tendencję do jak największego upraszczania torów przetwarzania sygnałów analogowych, co stanowi niemałą pomoc dla konstruktorów. Pakowanie w jedną strukturę scaloną buforów, przełączników, wzmacniaczy a nawet tak – wydawałoby się – prozaicznych elementów, jak systemy zerujące podczas załączania zasilania, staje się faktem. To zwiększa cenę pojedynczego układu scalonego, w porównaniu z tak prostymi układami jak LM311, za to znacząco zmniejsza liczbę elementów dyskretnych na płytce. To z kolei skraca czas projektowania i redukuje ryzyko popełnienia błędów, więc może przełożyć się na szybsze dostarczenie produktu i jego niższą cenę.

W tym tekście nawet nie zostały wspomniane takie „scalaki” jak źródła napięcia odniesienia, przetworniki analogowo-cyfrowe i cyfrowo-analogowe, wzmacniacze mikrofalowe i inne cudeńka pracujące z sygnałami o wartościach rzeczywistych, nieskwantowanych. Niech nasz świat pozostanie analogowy – dzięki temu cały czas może nas zaskakiwać.

Michał Kurzela, EP

Źródła:
[1] https://t.ly/CVdc4
[2] https://t.ly/SkaCP
[3] https://t.ly/9ZkV7
[4] https://t.ly/lnFn1
[5] https://t.ly/O0LRE
[6] https://t.ly/ecqts
[7] https://t.ly/okhmE
[8] https://t.ly/EhDw4
[9] https://t.ly/9yczL
[10] https://t.ly/glFZ6

Artykuł ukazał się w
Elektronika Praktyczna
sierpień 2025
Elektronika Praktyczna Plus lipiec - grudzień 2012

Elektronika Praktyczna Plus

Monograficzne wydania specjalne

Elektronik listopad 2025

Elektronik

Magazyn elektroniki profesjonalnej

Raspberry Pi 2015

Raspberry Pi

Wykorzystaj wszystkie możliwości wyjątkowego minikomputera

Świat Radio listopad - grudzień 2025

Świat Radio

Magazyn krótkofalowców i amatorów CB

Automatyka, Podzespoły, Aplikacje listopad - grudzień 2025

Automatyka, Podzespoły, Aplikacje

Technika i rynek systemów automatyki

Elektronika Praktyczna listopad 2025

Elektronika Praktyczna

Międzynarodowy magazyn elektroników konstruktorów

Elektronika dla Wszystkich grudzień 2025

Elektronika dla Wszystkich

Interesująca elektronika dla pasjonatów