Przetwornice do zasilania LED w aplikacjach motoryzacyjnych i nie tylko. Przewodnik po topologiach przetwornic mocy

Przetwornice do zasilania LED w aplikacjach motoryzacyjnych i nie tylko. Przewodnik po topologiach przetwornic mocy

W wielu systemach, w tym w niezliczonych stabilizatorach stosowanych w samochodowych układach zasilania, projektowanie układów konwersji mocy jest często trudnym i złożonym zadaniem. Zaprezentowany artykuł ma na celu uproszczenie procesu wyboru poprzez wyjaśnienie korzyści, kompromisów i typowych aplikacji dla różnych topologii przetwornic impulsowych, stosowanych w sterownikach LED, w szczególności w sektorze motoryzacyjnym.

Diody LED różnią się od tradycyjnych elektrycznych źródeł oświetlenia, które wytwarzają światło przez rozgrzewanie włókna elektrycznego lub zjonizowanego gazu. Stosując złącza półprzewodnikowe wykonane z określonego materiału, producenci diod LED mogą wytwarzać diody emitujące światło o określonych kolorach obejmujące cały zakres widzialny oraz podczerwień i ultrafiolet.

W zastosowaniach motoryzacyjnych diody LED mogą zwiększyć bezpieczeństwo zarówno podczas jazdy dziennej, jak i nocnej. Zwiększona sprawność tych źródeł światła może z kolei wydłużać żywotność akumulatorów w pojazdach elektrycznych, a zastosowanie wielu równolegle połączonych diod LED w jednym systemie może wyeliminować awarie pojedynczych elementów.

Diody LED można sterować na kilka różnych sposobów, jednak elementy te różnią się od tradycyjnych obciążeń w systemie zasilania. Układ zasilania musi dostarczać prądu o dokładnie regulowanej wartości. Jego przepływ przez złącze półprzewodnikowe powoduje wytworzenie światła, natomiast względne napięcia na wyprowadzeniach diody względem masy systemu (lub karoserii w samochodzie) mogą się zmieniać. W rezultacie systemy zawierające diody elektroluminescencyjne mogą zawierać układy impulsowe w różnych topologiach.

Właściwa topologia przełączania dla samochodowych systemów LED

Wybór określonej topologii przetwornicy do pracy w systemie motoryzacyjnym jest związany z projektem całego systemu. Analizując różne topologie należy wziąć pod uwagę między innymi minimalne napięcie wejściowe, maksymalne napięcie zasilania ciągu połączonych diod LED, możliwość powrotu prądu do układu, szansę wystąpienia zwarcia na wyjściu, maksymalny prąd wejściowy diody, a także dodatkowe wymagania, np. związane z możliwością ściemniania diod za pomocą sterującego przebiegu PWM.

Przetwornice obniżające napięcie typu Buck

Sterowniki obniżające napięcie (typu buck) mogą regulować prąd w łańcuchu diod LED, jeśli doprowadzone napięcie zasilające jest wyższe niż całkowite napięcie znamionowe łańcucha LED (suma spadków napięcia na diodach). Sterowniki LED w topologii Buck można bezpiecznie zwierać do masy systemu. Mogą działać w obwodzie powrotu prądu poprzez karoserię (jeden przewód do zasilania LED wtedy wystarcza) i można je łatwo dostosować do aplikacji matrycowych lub wyświetlania animacji z pomocą wielu LED.

Rysunek 1. Schemat blokowy przetwornicy o topologii buck

Na rysunku 1 pokazano schemat blokowy przetwornicy w topologii Buck, a przykładowa aplikacja z układem LT3932 i kluczem (tranzystorem) po stronie wysokiego napięcia w celu sterowania prądem, znajduje się na rysunku 2.

Rysunek 2. Przykład przetwornicy buck na bazie kontrolera LT3932

W tabeli 1 zestawiono podstawowe cechy rozwiązania tego typu.

Kilka krytycznych cech, których należy szukać w sterownikach LED obniżających napięcie, to praca ze stałą częstotliwością, wysoka sprawność układu, dzięki doskonałej kontroli przełączania i przełącznikom o niskiej rezystancji, wysoka dokładność w całym zakresie analogowego ściemniania oraz odpowiednio zaprojektowana modulacja częstotliwości z rozproszonym widmem, co pozwala na uzyskanie doskonałych parametrów m.in. niskiego poziomu emitowanych zakłóceń elektromagnetycznych.

Przetwornice podwyższające napięcie (Step-Up) typu Boost

Sterowniki LED typu step-up (lub boost) dostarczają stabilizowanego prądu do łańcucha LED, przy napięciu wejściowym, które jest niższe niż całkowite napięcie wymagane dla danego łańcucha LED. Jest to przydatne w wielu systemach samochodowych, w których wiele diod LED musi przewodzić w jednym ciągu. Typowe systemy samochodowe 12 V mają zakresy robocze od 6 V do 18 V, co wymaga, aby sterownik LED pracował już do 6 V, zapewniając duże współczynniki zwiększenia napięcia, aby diody LED pozostawały w takim wypadku włączone.

Rysunek 3. Schemat blokowy przetwornicy o topologii boost

Na rysunku 3 został pokazany schemat blokowy przetwornicy typu step-up. Na rysunku 4 pokazano schemat przetwornicy na bazie układu LT8356. Tu również znajduje się klucz po stronie wysokiego napięcia w celu sterowania prądem diod połączonych szeregowo.

Rysunek 4. Przykład przetwornicy w topologii boost na bazie kontrolera LT8356-1

W tabeli 2 zestawiono podstawowe cechy rozwiązania tego typu.

Realizacja układu boost-buck za pomocą przetwornicy o topologii boost

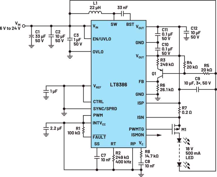
Niektóre sterowniki LED podwyższające napięcie (step-up lub boost) mogą być skonfigurowane tak, aby prąd katody LED był powrotem do zasilacza. Taka konfiguracja jest określana, jako boost-buck (rysunek 5, rysunek 6).

Rysunek 5. Schemat blokowy przetwornicy o topologii boost-buck
Rysunek 6. Przykładowa przetwornica typu boost-buck na bazie kontrolera LT8386

Całkowite napięcie wyjściowe układu to wartość VIN (VBAT), która jest dodawana do całkowitego spadku napięcia na łańcuchu diod elektroluminescencyjnych. Zaletą tej topologii jest możliwość sterowania ciągiem diod LED o napięciu pracy wyższym, niższym lub równym napięciu zasilania. Ograniczenia tej topologii są nakładane tylko przez samą przetwornicę – w dolnej części zakresu przez minimalne napięcie zasilania układu scalonego kontrolera, a w górnej części przez maksymalne napięcie wyjściowe scalonego kontrolera i/lub zastosowanych kluczy. W tabeli 3 zestawiono podstawowe cechy rozwiązania tego typu.

Realizacja pracy w trybie Buck przy użyciu przetwornicy typu boost

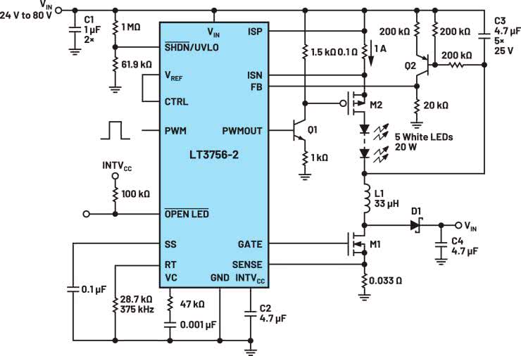
Niektóre sterowniki LED typu step-up (lub boost) mogą być skonfigurowane do obniżania napięcia z zasilania do zasilania diod (zamiast odniesienia do masy, jak w przypadku standardowej przetwornicy typu buck), tworząc konfigurację trybu buck (rysunek 7, rysunek 8).

Rysunek 7. Schemat blokowy przetwornicy o topologii buck z wyjściem bez odniesienia do masy
Rysunek 8. Przykład przetwornicy typu buck opartej na układzie LT3756-2, przeznaczonym do przetwornic boost

Takie rozwiązanie ma takie same ograniczenia jak buck, gdzie całkowity spadek napięcia na szeregowo połączonych LED musi być mniejszy niż napięcie zasilające na wejściu całego układu. W tabeli 4 zestawiono podstawowe cechy rozwiązania tego typu.

Przetwornica typu Buck-Boost

Sterowniki LED typu buck-boost regulują prąd LED z zasilania, które jest wyższe lub niższe niż całkowity spadek napięcia na połączonych szeregowo diodach. Przetwornica ta steruje kluczem po stronie wysokiego napięcia, podłączonym do napięcia wejściowego w trybie obniżania napięcia i kluczem po stronie niskiej, tj. po stronie wyjściowej w trybie zwiększania napięcia – step-up (rysunek 9).

Rysunek 9. Schemat blokowy przetwornicy o topologii buck-boost

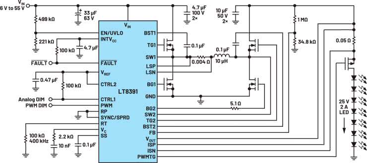
Taka topologia jest najbardziej złożona ze wszystkich zaprezentowanych w artykule (rysunek 10), ale także najbardziej elastyczna. Zakresy napięć VIN oraz VOUT są ograniczone tylko przez układ scalony kontrolera. Jest to dobry wybór do zastosowań z macierzami diod elektroluminescencyjnych.

Rysunek 10. Przykład przetwornicy typu buck-boost na scalonym kontrolerze LT8391

W tabeli 5 zestawiono podstawowe cechy rozwiązania tego typu.

Podsumowanie

Samochodowe systemy oświetleniowe zawierające diody elektroluminescencyjne mogą być sterowane za pomocą stabilizatorów impulsowych skonstruowanych na wiele różnych sposobów. W zależności od zastosowania wybór topologii i konfiguracji układu umożliwia projektantowi systemu oświetlenia tworzenie kompletnych podsystemów dla różnych wymagań oświetleniowych w całym samochodzie. Wybór odpowiedniej topologii przetwornicy impulsowej mocy dla systemu pozwala zoptymalizować szereg kwestii, takich jak złożoność układu, sprawność energetyczna, poziom emitowanych zakłóceń elektromagnetycznych, jak i oferowane w systemie zabezpieczenia.

Nikodem Czechowski, EP

Bibliografia:

  1. Joshua Caldwell „Automotive LED Driver Power Conversion Topology Guide” Analog Dialogue 56 (2022),
  2. https://www.bisinfotech.com/articlenewsletter/design-guide-automotive-led-driver-power-conversion-topology/
  3. https://www.bisinfotech.com/automotive-led-driver-power-conversion-topology-guide/
Artykuł ukazał się w
Elektronika Praktyczna
lipiec 2023
Elektronika Praktyczna Plus lipiec - grudzień 2012

Elektronika Praktyczna Plus

Monograficzne wydania specjalne

Elektronik listopad 2025

Elektronik

Magazyn elektroniki profesjonalnej

Raspberry Pi 2015

Raspberry Pi

Wykorzystaj wszystkie możliwości wyjątkowego minikomputera

Świat Radio listopad - grudzień 2025

Świat Radio

Magazyn krótkofalowców i amatorów CB

Automatyka, Podzespoły, Aplikacje listopad - grudzień 2025

Automatyka, Podzespoły, Aplikacje

Technika i rynek systemów automatyki

Elektronika Praktyczna listopad 2025

Elektronika Praktyczna

Międzynarodowy magazyn elektroników konstruktorów

Elektronika dla Wszystkich grudzień 2025

Elektronika dla Wszystkich

Interesująca elektronika dla pasjonatów