Prowadzenie masy w układach lampowych

Prowadzenie masy w układach lampowych

Nie wiem, czy w elektronice istnieje bardziej niejasne, mgliste, zawiłe i trącące wręcz ezoteryką pojęcie, niż prowadzenie masy. O ile w układach cyfrowych, zwłaszcza szybkich, prowadzi się w tym temacie badania i symulacje, o tyle układy analogowe – zwłaszcza lampowe – nie są szczególnym obiektem zainteresowania naukowców. Dlatego warto inspirować się metodami przetestowanymi w praktyce.

W najprostszym ujęciu masa – w odniesieniu do układów lampowych audio, żeby nie wprowadzać zamieszania – to węzeł o potencjale 0 V, czyli węzeł odniesienia. Spływają do niego wszystkie prądy obecne w układzie.

Nie ma tu pojęcia sztucznej masy (o wymuszonym potencjale), ponieważ w lampach sprawa potencjałów jest stosunkowo jasna: potencjał dodatni mają anody i siatki ekranujące, potencjał ujemny lub zerowy przeznaczony jest dla siatek sterujących (przy polaryzacji stałej lub automatycznej), zaś katody mają potencjał nieznacznie dodatni (przy polaryzacji automatycznej) lub zerowy (tudzież niewiele od niego wyższy), jeżeli stosujemy polaryzację stałą. Tyle w kwestii teorii, bo na papierze wszystko wygląda świetnie.

Jednak w praktyce nie należy po prostu jakkolwiek połączyć ze sobą wszystkich wyprowadzeń elementów, które mają mieć potencjał masy. Subtelna natura sygnałów analogowych natychmiast da o sobie znać w postaci buczenia, brzęczenia, skwierczenia lub piszczenia. Stanie się tak, ponieważ prądy o wysokiej amplitudzie, płynące przez masę, będą zakłócały obwody o niskich amplitudach sygnału, na przykład stopnie wejściowe.

Tymczasem lampa, jak każdy zresztą element wzmacniający, jest głupia i nie wie, czy to, co trzeba wzmocnić, pochodzi z wejścia, czy z masy, bo liczy się różnica potencjałów między wejściem a masą. Obrazowo ilustruje to rysunek 1. Po lewej stronie pokazano idealną sytuację prawidłową, w której napięciem siatka-katoda (a dokładniej jego składową zmienną) steruje wyłącznie źródło sygnału użytecznego, przyłączone do wejścia układu.

Z kolei po prawej stronie widać sytuację rzeczywistą, kiedy to na napięcie siatka-katoda ma wpływ jakiś prąd pochodzący z innej części układu, wywołujący spadek napięcia na rezystancji masy w pobliżu katody lampy – co również generuje składową zmienną napięcia siatka-katoda, tak ochoczo wzmacnianego później przez lampę.

Ten sygnał, generowany przez masę o niezerowej rezystancji, może pojawić się również na rezystorze upływowym siatki sterującej – nie ma to znaczenia. Nawiasem mówiąc, taki mechanizm (wzmacniania sygnału generowanego przez tętnienia prądu masy) jest najczęstszą przyczyną wzbudzania się układów lampowych. Rezystory antyparazytowe niewiele mogą w tej sytuacji zdziałać.

Rysunek 1. Oddziaływanie na wejście stopnia wzmacniającego: prawidłowe (po lewej) i niepożądane (po prawej)

Niepożądana sytuacja nie miałaby miejsca, gdybyśmy dysponowali połączeniami masy o idealnie zerowej rezystancji – lecz takie nie istnieją. Co robić? W tym momencie wkracza teoria, cała na czarno-biało, i prezentuje rozwiązania pokazane na rysunku 2.

Należy użyć wspólnego punktu masy lub szyny masy o bardzo, bardzo niskiej rezystancji – i już, gotowe. Pierwsza koncepcja jest kompletnie niepraktyczna, ponieważ wymusza łączenie wszystkich wyprowadzeń elementów, które mają mieć kontakt z masą, do jednego, z reguły dosyć odległego miejsca.

Druga już ma nieco racji bytu, w podobny sposób prowadzono bowiem masę w odbiornikach lampowych montowanych na metalowym chassis – było ono bardzo grubą szyną masy. Choć i takie poprowadzenie masy wymaga nieco umiejętności, na przykład przewidzenia dróg rozpływu prądów na tak dużej płaszczyźnie – aby prądy o niskiej amplitudzie nie miały wspólnej drogi z prądami o amplitudzie wysokiej.

Rysunek 2. Typowe topologie prowadzenia masy: gwiazda oraz szyna

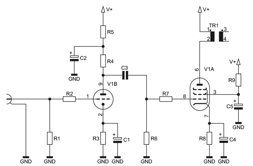
W dzisiejszych czasach układy lampowe często tworzy się na obwodach drukowanych, więc użycie wielkiego kawałka blachy jako masy jest niemożliwe. Prowadzenie wszystkich nóżek odrębnymi ścieżkami do jednego punktu też nie ma sensu. Dla ustalenia uwagi zapraszam do analizy schematu ideowego bardzo popularnego układu, jakim jest wzmacniacz SE z lampą ECL86 (rysunek 3).

Wybrałem ten właśnie układ, ponieważ było to moje pierwsze urządzenie lampowe, które dało mi sakramencko w kość podczas uruchamiania, a to właśnie z powodu uporczywego wzbudzania się. Do rzeczy: mamy gniazdo sygnału wejściowego, stopień wzmacniacza napięciowego wykonany na triodzie w układzie wspólnej katody (wraz z, co ważne, kondensatorem C2 filtrującym zasilanie tego stopnia) oraz stopień mocy z pentodą obciążoną transformatorem głośnikowym. Zasilanie jej siatki ekranującej również jest odsprzęgnięte do masy kondensatorem C5. Dla uproszczenia analizy układ nie jest objęty pętlą ujemnego sprzężenia zwrotnego.

Rysunek 3. Schemat ideowy przykładowego wzmacniacza z lampą ECL86

W tym układzie znajduje się dziewięć wyprowadzeń, które należy dołączyć do masy. Jeżeli odrzucimy już koncepcję wspólnego węzła pojmowaną wprost, podręcznikowo, to trzeba zaplanować, które z tych podzespołów powinny zostać podłączone do szyny bliżej zasilacza, a które – dalej.

Okazuje się również, że niektóre z nich można dla wygody zgrupować razem i poprowadzić do większej szyny. Szyna (w praktyce: szeroka ścieżka) ma tę przewagę nad płaszczyzną masy, że możemy dobrze kontrolować drogę przepływu konkretnego prądu.

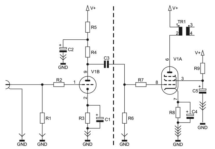
Prześledźmy teraz, korzystając z rysunku 4, które prądy mają największą amplitudę, a które najmniejszą. Celowo uwzględniłem w schemacie z rysunku 3 elementy odsprzęgające C2 i C5, ponieważ wiele osób ma z nimi istotny problem. Rysunek 4 jest modyfikacją schematu z rysunku 3 o tyle, że połączyłem na nim równolegle rezystory katodowe z towarzyszącymi im kondensatorami – w praktyce większość składowej zmiennej prądu powinna przepływać przez kondensatory, ale nie ma sensu traktować tych dwóch podzespołów odrębnie na siłę, skoro powinny znaleźć się możliwie blisko siebie w celu minimalizacji impedancji połączenia między nimi.

Rysunek 4. Zobrazowanie amplitud prądów spływających do masy

Bezdyskusyjnie największą amplitudą składowej zmiennej będzie cechować się prąd katody pentody, bowiem to on przepływa przez transformator (w dużej części) i wytwarza moc dla głośnika. Mniejszą amplitudę można przypisać prądowi, który płynie przez kondensator C5, a który to jest wytwarzany przez siatkę ekranującą pentody.

Zdecydowanie mniejsza będzie amplituda prądu rezystora upływowego siatki sterującej pentody (R6) – to będą jakieś mikroampery. I to tyle, jeżeli chodzi o pentodę i jej najbliższe otoczenie, czyli prawą część schematu.

Taki umowny podział wprowadziłem po to, by pokazać, które elementy warto utrzymać później, na płytce, możliwie blisko siebie. W części lewej mamy katodę triody jako źródło prądu zmiennego oraz, co często pomijane, kondensator C2, przez który zamyka się droga tego prądu – obydwa sygnały mają więc porównywalne amplitudy. Zdecydowanie subtelniejszy prąd płynie przez rezystor upływowy siatki sterującej tejże triody oraz przez złącze sygnału wejściowego.

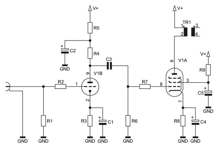
Rysunek 5. Zastosowanie wspólnej szyny masy

Postawmy teraz pytanie: jak to wszystko połączyć, żeby układ miał szansę zadziałać? Przykładowe rozwiązanie znajduje się na rysunku 5. Najbliżej zasilacza znalazła się katoda pentody, potem kondensator odsprzęgający siatkę ekranującą, za nim rezystor upływowy siatki sterującej pentody, dalej katoda triody, kondensator filtrujący zasilanie triody, rezystor upływowy triody i złącze wejściowe… Hola, hola!

Mniejsze prądy miały być dalej... Przecież w układzie jest jeszcze trioda, która generuje większy prąd tętnień, który „wymiesza się” z prądem rezystora siatki sterującej pentody. O co chodzi? Już objaśniam: w rzeczywistym układzie nie ma sensu sztucznie oddalać elementów towarzyszących danej lampie, ponieważ powiększa to pole powierzchni dla zakłóceń elektromagnetycznych – im większe pole obejmuje połączenie, tym wyższy prąd może się w nim zaindukować, co wynika wprost z równań Maxwella, a dokładniej: z prawa Ampère’a.

Dochodzi jeszcze jeden aspekt, nieco mniej istotny: prądy katod (triody i pentody) są w przeciwnych fazach względem siebie, więc lepiej ich niepotrzebnie nie mieszać, gdyż tworzy to trudne do kontrolowania sprzężenie między tymi stopniami. To, co należy do triody, zostaje przy triodzie, a to, co pentody, niech będzie przy pentodzie.

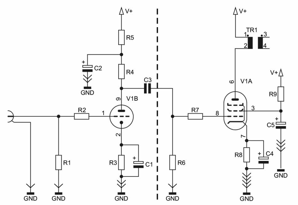
Rysunek 6. Zmniejszenie liczby połączeń ze wspólną szyną masy

Liczbę połączeń do masy można zredukować – rysunek 6. Dotyczy to (w tym wypadku) stopnia wejściowego. Prąd rezystora R1 jest tak naprawdę wytwarzany jedynie przez sygnał dołączony do złącza wejściowego, więc ich masy można bez wahania połączyć. Z kolei prąd kondensatora C2 zamyka drogę dla prądu katody triody, więc je również można potraktować wspólnie – gdyby zaszła taka konieczność podczas rozmieszczania elementów i ścieżek na laminacie, nie jest to jednak obowiązek.

Jak to teraz poukładać w rzeczywistości, na płytce? To już temat na oddzielny artykuł.

Michał Kurzela, EP

Elektronika Praktyczna Plus lipiec - grudzień 2012

Elektronika Praktyczna Plus

Monograficzne wydania specjalne

Elektronik listopad 2025

Elektronik

Magazyn elektroniki profesjonalnej

Raspberry Pi 2015

Raspberry Pi

Wykorzystaj wszystkie możliwości wyjątkowego minikomputera

Świat Radio listopad - grudzień 2025

Świat Radio

Magazyn krótkofalowców i amatorów CB

Automatyka, Podzespoły, Aplikacje listopad - grudzień 2025

Automatyka, Podzespoły, Aplikacje

Technika i rynek systemów automatyki

Elektronika Praktyczna listopad 2025

Elektronika Praktyczna

Międzynarodowy magazyn elektroników konstruktorów

Elektronika dla Wszystkich grudzień 2025

Elektronika dla Wszystkich

Interesująca elektronika dla pasjonatów