Sztuczna masa w układach audio

Sztuczna masa w układach audio

Sztuczną masę wprowadza się w miejscach, w których nie jest ona związana wprost z zasilaczem. Jakie to sytuacje i o czym warto pamiętać podczas projektowania tego obwodu?

Każdy, kto jakkolwiek jest związany z elektroniką analogową, kojarzy takie stworzenia jak wzmacniacze operacyjne. Lepsze, gorsze, szybsze, wolniejsze etc. W zdecydowanej większości przypadków wzmacniacze w elektronice audio powinny być zasilane napięciem symetrycznym po to, by prawidłowo pracowały z sygnałami mającymi zmienną polaryzację względem masy. Właśnie, tylko której?

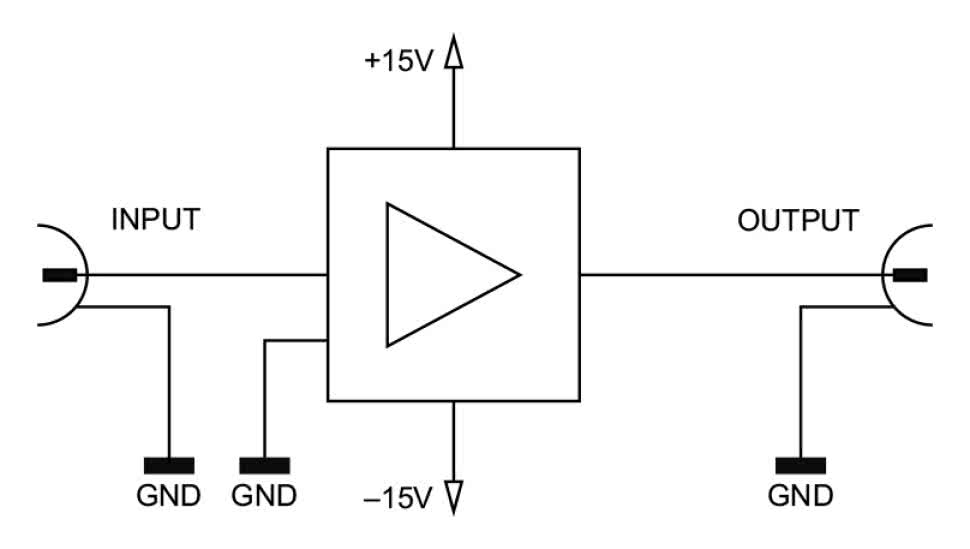
Jeżeli mamy do dyspozycji zasilacz symetryczny, który może dawać jednocześnie napięcia o wartościach, przyjmijmy, +15 V oraz –15 V, wówczas wszyscy są szczęśliwi. Masę sygnału wejściowego, sygnału wyjściowego oraz zasilacza łączymy razem (pamiętając o regułach prowadzenia masy), niemniej jednak są to punkty mające ten sam potencjał, czyli bezpośrednio połączone ze sobą. Taka sytuacja jest możliwa w wielu urządzeniach zasilanych z sieci. Ilustracja takiego układu znajduje się na rysunku 1.

Rysunek 1. Połączenie mas przy zastosowaniu zasilacza symetrycznego

Sprawa jednak staje się trudniejsza, gdy do dyspozycji mamy zasilacz niesymetryczny, na przykład o pojedynczym napięciu 24 V. Wtedy trzeba „zrobić” sobie z niego zarówno +12 V, jak i –12 V. Sztuczki na to są powszechnie znane, a najpopularniejsza polega na użyciu dzielnika oporowego, jak na rysunku 2. Dzielnik rezystancyjny ma tę przewagę, że zawsze dzieli podane napięcie na dwie równe części, z dokładnością do tolerancji użytych rezystorów, niezależnie od aktualnej wartości napięcia nań podanego. Wiąże się to jednak z koniecznością zmiany węzła odniesienia, bowiem teraz za 0 V trzeba przyjmować wyjście owego dzielnika, zaś zaciski zasilacza – za bieguny zasilacza symetrycznego.

Rysunek 2. Dzielnik rezystancyjny wytwarzający napięcie symetryczne

Teraz zaczynają się schody. Wiele osób radośnie uznaje, że przecież potencjał to potencjał i nie ma się co przejmować rezystorami tego dzielnika. Umieszczają więc tam rezystory o absurdalnie wysokich wartościach, typu 470 kΩ, argumentując to chęcią redukcji mocy pobieranej przez układ. Wszystko dobrze, tylko co się stanie, kiedy w tę sztuczną masę jakiś obwód wpuści prąd o natężeniu, załóżmy, jedynie 20 μA? Odpowiem: potencjał tejże „masy” podniesie się o 4,7 V. Zatem trudno mówić o stabilności tego potencjału w sytuacji, kiedy pobranie (lub dodanie) do węzła jakiegokolwiek prądu będzie miało na niego wpływ tak drastyczny, że może przesunąć punkty pracy podzespołów – prowadząc w skrajnym przypadku do obcinania fragmentów przenoszonego sygnału.

Można tak zrobić, ale pod dwoma warunkami. Po pierwsze, musimy mieć pewność, że sztuczną masą są polaryzowane jedynie obwody pobierające naprawdę znikomy prąd, na przykład wejścia wzmacniaczy operacyjnych z tranzystorami polowymi. Wówczas te pikoampery pobieranego przez nie prądu faktycznie można zaniedbać. Za drugi warunek uważam zbocznikowanie jednego z rezystorów dzielnika (najczęściej jest to dolny, od strony masy zasilacza) kondensatorem lub zespołem kondensatorów. Ma to na celu zmniejszenie impedancji wewnętrznej tak utworzonej „sztucznej masy” oraz zawężenie pasma szumowego – wszak rezystory są doskonałym źródłem szumu termicznego.

Nieco inaczej sprawa wygląda w sytuacji, gdy korzystamy z bardziej prądożernych wzmacniaczy operacyjnych, jest ich więcej bądź zasilane układy analogowe są zbudowane w jeszcze inny sposób, na przykład z elementów dyskretnych. Wtedy trzeba się liczyć z przepływem prądu o naprawdę niemałej wartości, co gorsza – nie wiadomo, w którą stronę. W zamierzchłych czasach, kiedy każdy element półprzewodnikowy był na wagę złota, stosowano najczęściej rezystory o mniejszych wartościach. Wiąże się to jednak ze zwiększonym poborem prądu przez układ, co jednak nie w każdej sytuacji może być tolerowane. Zwłaszcza kiedy zależy nam na stabilności tego potencjału, a prądy płynące przez rezystory mogą być znaczące.

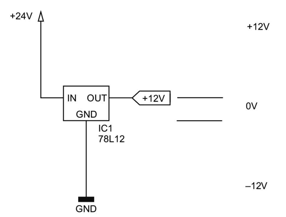
Niektórzy proponują stosowanie stabilizatora liniowego do wytworzenia tego potencjału – jak na rysunku 3. Na pierwszy rzut oka może mieć to sens, bowiem mając stabilizowane napięcie z zasilacza (np. wspomniane 24 V), użycie niewielkiego stabilizatora liniowego, pokroju 78L12, może dać potencjał równy połowie napięcia wejściowego. Wszystko fajnie, tylko jest w tym pewien szkopuł. Otóż stabilizatory liniowe napięcia dodatniego potrafią jedynie „wyrzucać” z siebie prąd, nie są w ogóle przystosowane do jego „wciągania”, gdyż to one są źródłami napięcia w danym układzie. Ponieważ jest to „sztuczna masa”, musimy mieć na uwadze, że prąd będzie mógł tam zarówno wpływać, jak i wypływać, co więcej – ten kierunek będzie mógł się co chwilę zmieniać. Więc o ile z obniżaniem potencjału tego węzła taki stabilizator sobie poradzi (po prostu „doleje” nieco prądu z zasilacza), o tyle to wobec jego podnoszenia będzie on już zupełnie bezradny, prąd ten nie będzie miał żadnego ujścia. Zatem nie polecam takiego rozwiązania. Użycie stabilizatora napięcia ujemnego również nic nie zmieni, odwróci jedynie sytuację: układ będzie mógł zareagować na wzrost potencjału węzła „sztucznej masy”, na jego spadek już nie.

Rysunek 3. Stabilizator liniowy jako „źródło” sztucznej masy

To, co się widuje najczęściej, to wzmacniacz operacyjny użyty w roli wtórnika napięciowego, jak na rysunku 4. W dzisiejszych czasach to rozwiązanie można uznać za najbardziej uzasadnione – wzmacniacze operacyjne są tanie i mają wystarczające parametry, nawet pospolity LM358 da sobie radę. Wyjście takiego wzmacniacza potrafi zarówno „wciągać”, jak i „wyrzucać” prąd, więc jego kierunek nie ma znaczenia. Trzeba jednak pamiętać o tym, by możliwie zminimalizować poziom szumu na wejściu takiego wtórnika, czyli odfiltrować go kondensatorem, a lepiej – zespołem kondensatorów.

Rysunek 4. Wzmacniacz operacyjny redukuje impedancję zasilającą sztuczną masę

Pożądane jest, kiedy można zawęzić okno szumowe również na wyjściu, dodając dolnoprzeupustowy filtr RC o niewygórowanych parametrach – rezystor o wartości kilkudziesięciu omów i kondensator o pojemności kilkudziesięciu mikrofaradów, zbocznikowany chociażby zwykłym „ceramikiem” 100 nF – szczegóły na rysunku 5.

Rysunek 5. Dodatkowa filtracja potencjału sztucznej masy

Nie spowoduje to znacznego zwiększenia impedancji wewnętrznej tak utworzonej sztucznej masy, zwłaszcza że i tak nadzoruje ją wzmacniacz operacyjny. Z mojego doświadczenia wynika, że takie działanie ma pozytywny wpływ na finalny poziom szumów w układzie. Warto zauważyć, że nie trzeba się aż tak przejmować wyrównaniem rezystancji sterującej wejściami wzmacniacza operacyjnego, ponieważ dodatkowy offset napięciowy, który wywoła ta nierówność, nie ma w tym układzie żadnego znaczenia.

Michał Kurzela, EP

Elektronika Praktyczna Plus lipiec - grudzień 2012

Elektronika Praktyczna Plus

Monograficzne wydania specjalne

Elektronik listopad 2025

Elektronik

Magazyn elektroniki profesjonalnej

Raspberry Pi 2015

Raspberry Pi

Wykorzystaj wszystkie możliwości wyjątkowego minikomputera

Świat Radio listopad - grudzień 2025

Świat Radio

Magazyn krótkofalowców i amatorów CB

Automatyka, Podzespoły, Aplikacje listopad - grudzień 2025

Automatyka, Podzespoły, Aplikacje

Technika i rynek systemów automatyki

Elektronika Praktyczna listopad 2025

Elektronika Praktyczna

Międzynarodowy magazyn elektroników konstruktorów

Elektronika dla Wszystkich grudzień 2025

Elektronika dla Wszystkich

Interesująca elektronika dla pasjonatów