Stopnie wejściowe wzmacniaczy operacyjnych

Stopnie wejściowe wzmacniaczy operacyjnych

O tym, jak działa wzmacniacz operacyjny, wie każdy elektronik poważniej związany z układami analogowymi. Dobierając układy do konkretnych zastosowań, zbyt rzadko jednak zadajemy sobie pytanie: w jaki sposób topologia tego układu wpłynie na parametry całego urządzenia? W tym artykule nieco przybliżam ten temat.

Wnętrze „magicznego trójkąta”, jak czasem bywa nazywany wzmacniacz operacyjny przez początkujących studentów, składa się z trzech podstawowych bloków – szczegóły na rysunku 1. Na samym wejściu mamy wzmacniacz różnicowy, którego głównym zadaniem jest obsługa sygnału różnicowego, czyli zredukowanie wpływu składowej sumacyjnej przy jednoczesnym uwypukleniu składowej różnicowej. Następnym blokiem jest wzmacniacz o wysokim wzmocnieniu z (najczęściej) sztucznie dodanym jednym biegunem transmitancji – dla zachowania stabilności wzmacniacza operacyjnego. Ostatnim blokiem jest stopień wyjściowy, który redukuje impedancję wyjściową do możliwie niskiej lub… konkretnie określonej wartości, na przykład w celu uzyskania dopasowania.

Rysunek 1. Uproszczony schemat blokowy typowego wzmacniacza operacyjnego [1]

Wszystkie te trzy bloki są istotne do zapewnienia prawidłowej pracy wzmacniacza operacyjnego i jego uniwersalności, jaką znamy z obecnie produkowanych modeli, lecz każdy z nich ma inny wpływ na parametry wzmacniacza. Okazuje się jednak, że – zgodnie z zasadą wzmacniania szumów w układach elektronicznych – to pierwszy stopień ma decydujący wpływ na całkowity poziom szumów układu. Poza tym producenci stosują różne rodzaje stopni wejściowych po to, by uzyskać dywersyfikację parametrów swoich wyrobów. Jeżeli chodzi o pozostałe dwa stopnie, zróżnicowanie ich konstrukcji nie jest już tak znaczące, a ogólna idea pozostała niezmieniona od dekad.

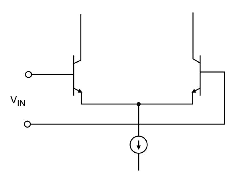
Najprostszym przykładem jest wzmacniacz różnicowy na pojedynczej parze tranzystorów bipolarnych – rysunek 2. Takie stopnie wejściowe były spotykane przede wszystkim w archaicznych wzmacniaczach operacyjnych, jak μA709, ale okazuje się, że sama idea nie została porzucona. Oprócz tranzystorów NPN, pokazanych na rysunku, stosuje się również PNP – potencjały wejść mogą wówczas osiągać wartości niższe niż potencjał ujemnej gałęzi zasilającej. Tym, co wyróżnia tę konstrukcję, jest możliwość uzyskania bardzo niskiego offsetu napięciowego (nawet 10 μA!), wysokich częstotliwości pracy oraz – co istotne z naszego punktu widzenia – bardzo niskiego napięcia szumów, rzędu nawet 1 nV/√Hz.

Rysunek 2. Najprostszy stopień wejściowy z tranzystorami bipolarnymi [1]

Nie ma się co dziwić, wszak jest to po prostu najprostszy układ ze wszystkich możliwych. Ma jednak dwie wady: pobiera stosunkowo wysoki prąd wejściowy (50 nA…10 μA) oraz jest bardzo wrażliwy na rozbieżność rezystancji sterujących wejściami, właśnie ze względu na wysoką wartość prądu polaryzacji. Niemniej jednak doświadczony projektant poradzi sobie z takim wyzwaniem. Dobra informacją jest fakt, że prądy pobierane przez bazy tranzystorów stopnia wejściowego z reguły są dobrze wyrównane. Z mojego doświadczenia wynika jeszcze, że takie wzmacniacze operacyjne bywają niemożliwe do utrzymania w stanie stabilnym przy konfiguracji w roli wtórnika napięciowego (tj. przy jednostkowym wzmocnieniu), co z reguły jest opatrywane dopiskiem w karcie katalogowej unity gain unstable.

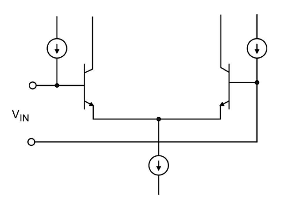
Modyfikacja tego stopnia wejściowego polega na dodaniu dwóch źródeł prądowych jak na rysunku 3. Taki układ charakteryzuje się mniejszym prądem pobieranym przez wejścia (nie więcej niż 10 nA), za to… nie da się jednoznacznie ustalić kierunku jego przepływu!

Rysunek 3. Stopień wejściowy z kompensacją prądów polaryzujących wejścia [1]

Dobrze to widać w nocie katalogowej, która podaje prąd wejściowy opatrzony znakiem „±”. Po prostu, w zależności od temperatury, prąd bazy tranzystora układu różnicowego może pobierać prąd większy lub mniejszy niż ten, który wypływa z jego źródła prądowego. Tak jest zbudowany chociażby popularny wzmacniacz OP07 o bardzo niskim offsecie napięciowym – by jednak taki efekt uzyskać, rezystancje sterujące jego wejściami muszą być dobrze dobrane (to jest relatywnie niskie), gdyż dokładna wartość prądu płynąca przez wejście nie jest możliwa do ustalenia. Większa również może być pojemność wejściowa.

Takie rozwiązanie także pozwala uzyskać niskie napięcie szumów, ponieważ różnicowy sygnał wejściowy nadal „widzi” tylko dwa złącza baza-emiter połączone szeregowo. Wzrasta jednak wartość szumu prądowego, a to z racji wstawienia dodatkowych źródeł prądowych, które wnoszą swoje szumy do układu. To jest kolejny powód, by stosować możliwie niskie impedancje w pętli ujemnego sprzężenia zwrotnego.

Część wzmacniaczy operacyjnych ma rozwiązany problem wysokiego natężenia prądu wejściowego w inny sposób – rysunek 4 to fragment schematu wewnętrznego popularnego układu LM324. Tranzystory układu różnicowego są opatrzone wtórnikami napięciowymi, które zwiększają impedancję wejściową poprzez zmniejszenie prądów wejściowych. Zalety: mniejsze natężenie prądu wejściowego oraz ustalony kierunek jego przepływu. Wady: większy offset napięciowy (wszak trzeba „upilnować” cztery złącza baza-emiter pod względem napięcia przewodzenia), wyższe napięcie szumów oraz, co szczególnie dotkliwe, bardzo… bardzo… wąskie pasmo przenoszenia. Powodem jest praca tranzystorów wejściowych ze szczególnie małym prądem. Z tego powodu takie wzmacniacze operacyjne potrafią „obcinać” słyszalnie składowe z pasma akustycznego. Nie tego oczekujemy po układach wzmacniających w XXI wieku.

Rysunek 4. Stopień wejściowy z wtórnikami napięciowymi [2]

Odrębnym tematem są wzmacniacze operacyjne z tranzystorami polowymi, na przykład JFET – rysunek 5. Ich niewątpliwą zaletą jest bardzo niski prąd wejściowy, mierzony w femtoamperach. Wiąże się z tym również niska wartość szumu prądowego. Z tego względu wzmacniacze tego typu są „wdzięczne” w aplikacjach wymagających dostosowania do wysokich impedancji, na przykład w przedwzmacniaczach gramofonowych lub mikrofonowych. Nieco gorzej wypada sprawa pasma pracy, a jeszcze trudniej o niską wartość napięcia szumów. Jak to zwykle bywa, trzeba szukać kompromisów. Utrudnienie stanowi też węższy zakres dopuszczalnych napięć wejściowych, ponieważ napięcie progowe tranzystora polowego jest wyższe niż napięcie przewodzenia złącza PN w tranzystorze bipolarnym. Układy JFET potrafią mieć wysoki slew-rate, jak popularny TL082 – co jest pożądane z punktu widzenia odpowiedzi impulsowej układu.

Rysunek 5. Wejściowy układ różnicowy z tranzystorami JFET [1]

Często spotykanym sposobem realizacji wzmacniaczy operacyjnych jest technologia CMOS, jak na rysunku 6. Pokazany na nim układ ma dwa komplementarne układy różnicowe, co umożliwia obsługę pełnego zakresu napięć wejściowych – jest to wejście typu rail-to-rail.

Rysunek 6. Uproszczony schemat wzmacniacza w technologii CMOS [3]

Efektem ich działania są cztery sygnały, które zostają połączone do dwóch przy użyciu podwójnej (również komplementarnej) kaskody. Wejścia pobierają prąd o niemal zerowym natężeniu, więc nie trzeba dbać o wyrównanie rezystancji sterujących nimi.

Takie wzmacniacze są z reguły energooszczędne i pracują z niskimi napięciami zasilania, jednak jest to okupione trzema koszmarnymi wadami, przynajmniej z punktu widzenia audio. Po pierwsze, ich pasmo rzadko przekracza 1 MHz, więc po skonfigurowaniu do pracy ze wzmocnieniem większym niż kilka V/V daje o sobie znać ograniczenie pasma pracy. Ich slew-rate również jest bardzo niski, co wynika z pracy tranzystorów z niskimi prądami. Ale najgorsze jest napięcie szumów. Ojej, jak ten wynalazek szumi! Zatem, pomimo zachęcających parametrów, warto przy tych układach przyjrzeć się ich dokumentacji, bo można srogo się zdziwić…

Michał Kurzela, EP

Źródła:
[1] https://www.analog.com/media/en/training-seminars/design-handbooks/op-amp-applications/section1.pdf
[2] https://www.ti.com/lit/ds/symlink/lm324.pdf
[3] https://www.ti.com/lit/an/slyt759/slyt759.pdf?ts=1751865976192

Elektronika Praktyczna Plus lipiec - grudzień 2012

Elektronika Praktyczna Plus

Monograficzne wydania specjalne

Elektronik listopad 2025

Elektronik

Magazyn elektroniki profesjonalnej

Raspberry Pi 2015

Raspberry Pi

Wykorzystaj wszystkie możliwości wyjątkowego minikomputera

Świat Radio listopad - grudzień 2025

Świat Radio

Magazyn krótkofalowców i amatorów CB

Automatyka, Podzespoły, Aplikacje listopad - grudzień 2025

Automatyka, Podzespoły, Aplikacje

Technika i rynek systemów automatyki

Elektronika Praktyczna listopad 2025

Elektronika Praktyczna

Międzynarodowy magazyn elektroników konstruktorów

Elektronika dla Wszystkich grudzień 2025

Elektronika dla Wszystkich

Interesująca elektronika dla pasjonatów