Wakacyjne radio UKF/FM

Wakacyjne radio UKF/FM
Pobierz PDF Download icon
Do odbioru bliskich (lokalnych) stacji UKF/FM można wykonać bardzo prosty odbiornik słuchawkowy na trzech popularnych tranzystorach, zasilany napięciem +3 VDC. Do jego budowy wystarczy kilka komponentów, nożyk i kawałek płytki drukowanej, której - co ważne - nie trzeba trawić.

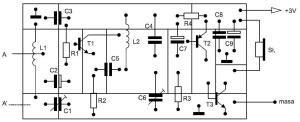
Rysunek 1. Schemat ideowy odbiornika UKF/FM

W układzie pokazanym na rysunku 1 jest zastosowany detektor synchroniczny na tranzystorze T1 (BF199), który na pierwszy rzut oka przypomina oscylator LC. W odróżnieniu od znanych powszechnie detektorów superreakacyjnych, czyli układów, w których generator pracuje z przerywanymi oscylacjami na częstotliwości odbieranej stacji FM (na zboczu krzywej rezonansowej obwodu LC), w tym rozwiązaniu generator pracuje na dwukrotnie niższej częstotliwości, niż pracująca stacja.

Jedną z właściwości detektora synchronicznego jest to, że sygnały wejściowe poniżej progu synchronizacji są ignorowane, czyli pomiędzy stacjami panuje cisza (w superreakcji słychać silny szum, podobny do gotującej się wody). Inaczej mówiąc, układ nie odbiera bardzo słabych stacji, a poziom wejściowy sygnału wpływa jedynie na zakres chwytania synchronizacji: im silniejszy sygnał, tym szerszy zakres chwytania. Dzięki temu poziom sygnału m.cz. nie zależy od poziomu sygnału w antenie.

Inną korzyścią takiego detektora jest duże tłumienie modulacji AM (w przeciwieństwie do superreakci) oraz zakłóceń, w tym sygnałów powstałych z interferencji fal (z dwóch sygnałów modulowanych o tej samej częstotliwości odbierany jest tylko silniejszy).

Ponieważ obwody antenowy i oscylatora są dostrojone do innych częstotliwości, to nie zachodzi pomiędzy nimi pasożytnicze sprzężenie zwrotne przez pojemność tranzystora. Układ nie wymaga wzmacniacza separującego antenę od detektora. W porównaniu z superreakcją jest mniej wrażliwy na zbliżanie ręki do cewki wejściowej i anteny oraz mniej promieniuje (nie wytwarza zakłóceń, nie licząc niewielkiego poziomu nośnej na dwukrotnie niższej częstotliwości).

Wykaz elementów:

R1: 120 kΩ
R2: 120 Ω
R3: 2,2 MΩ
R4: 1,5 kΩ
C1, C6: 6/25 pF
C2, C7: 4,7 µF/10 V
C3: 4,7 nF
C4, C5: 10 pF
C8: 100 nF
C9: 100 µF/10 V
L1: 220 nH (patrz tekst)
L2: 820 nH (patrz tekst)
T1: BF199
T2: BC557
T3: BC547

Sygnał z anteny teleskopowej lub odcinka przewodu (05...1 m) jest podany na obwód wejściowy z cewką L1. Jest on dostrojony kondensatorem C1 do pasma 87,5...108 MHz. Jego selektywność jest niewielka z uwagi na silnie tłumienie przez małą impedancję B-E, więc i zysk napięciowy na nim jest niewielki. Dodatnie sprzężenie zwrotne, konieczne do powstania oscylacji, zapewnia kondensator C5 pomiędzy emiterem a kolektorem. Jak podano powyżej, generator jest synchronizowany drugą harmoniczną, więc obwód LC dla obieranych stacji 87,5...108 MHz musi być przestrajany w zakresie od 43,75 do 54 MHz. Częstotliwość oscylacji wyznacza obwód L2 i kondensatory C4+C6, a także dodatkowe pojemności, łącznie z pojemnościami samego tranzystora. Odpowiednio dobrany punkt pracy generatora za pomocą rezystora R1, zapewnia duży udział drugiej harmonicznej i niewielki poziom oscylacji, aby możliwie niewielki sygnał z anteny synchronizował generator z jego druga harmoniczną. Wraz ze zmianą prądu kolektora, proporcjonalnie do chwilowej częstotliwości odbieranego sygnału, zmienia się pojemność wyjściowa tranzystora. Przy okazji zmiany punktu pracy podczas odstrajania się od stacji, następują zmiany pojemności tranzystora, które w efekcie powodują korektę częstotliwości (coś na wzór automatycznej regulacji częstotliwości - ARCZ). Spowodowane jest to także tym, że zmiany napięcia na bazie nie nadążają za zmianami sygnału modulującego.

Rysunek 2. Schemat montażowy odbiornika UKF/FM

Obwód antenowy nie bierze udziału w oscylacji i dlatego dla częstotliwości oscylatora stanowi zwarcie do masy. Zapewnia to kondensator C2 (o bardzo dużej pojemności) uziemiający bazę. Pojemność ta musi być na tyle duża, by utrzymać wartość napięcia polaryzacji bazy w granicach zmian wolniejszych, niż pasmo akustyczne.

Sygnał małej częstotliwości wydzielony na wyjściu detektora jest wzmacniany w dwustopniowym wzmacniaczu m.cz. z użyciem dwóch przeciwstawnych tranzystorów T2 i T3 (BC557 i BC547). Tranzystory są połączone galwanicznie, a ich punkt pracy ustala rezystor R3. Niskoomowe słuchawki od Walkmana są włączone wprost w obwód kolektora ostatniego stopnia.

Układ jest zmontowany na dwustronnej płytce drukowanej o wymiarach 55 mm×30 mm (rysunek 2). Wymiary te odpowiadają wielkości pojemnika na baterie 2×AA, który jest umieszczony po przeciwnej stronie płytki.

Druga strona płytki stanowi masę, do której poprzez zworki (wlutowane w otwory odcinki drutu) są podłączone "placki montażowe" masy. Oczywiście można użyć innej płytki uniwersalnej bądź samemu zaprojektować PCB.

W celu uproszczenia konstrukcji w układzie nie zastosowano potencjometru siły głosu (nie było to konieczne; w innym przypadku użycie słuchawek z potencjometrem na kablu może zapewnić niezbędną regulację). Zastosowanie gniazda słuchawkowego z wyłącznikiem umożliwi wyłączenie układu po wyjęciu wtyku Jack.

Powietrzna cewka L1 zawiera 5 zwojów drutu DNE0,6 nawiniętych na średnicy 6 mm (z odczepem na środku - 2,5 zw.), zaś cewka oscylatora L2 ma 20 zwojów DNE 0,4 nawiniętych na korpusie plastikowym o średnicy 6 mm. Można użyć korpusu po rozebranym fi ltrze p.cz.

Dostrojenie obwodów odbiornika polega na dobraniu ich częstotliwości rezonansowej (L1C1 na częstotliwość radiostacji, której chcemy słuchać; L2C6 na połowę tej wartości). Zestrojenie wymaga ustawienia trymerów albo rozciągnięcia lub ściśnięcia zwojów cewek (pierwszy przypadek daje zmniejszanie indukcyjności - wzrost częstotliwości pracy, a drugi wzrost indukcyjności - zmniejszanie częstotliwości). Wymaga to odrobiny cierpliwości i poeksperymentowania z obwodami LC. Odbiornik można stroić rdzeniem mosiężnym wprowadzonym do cewki L2 lub ustawić wspomniany trymerem C6 na jedną, silną, lokalną stację FM.

Czułość radia można oszacować na około 100 mV, co jest wartością wystarczającą do dobrego odbioru lokalnych stacji FM.

JA

Artykuł ukazał się w
Elektronika Praktyczna
sierpień 2014
DO POBRANIA
Pobierz PDF Download icon
Elektronika Praktyczna Plus lipiec - grudzień 2012

Elektronika Praktyczna Plus

Monograficzne wydania specjalne

Elektronik listopad 2025

Elektronik

Magazyn elektroniki profesjonalnej

Raspberry Pi 2015

Raspberry Pi

Wykorzystaj wszystkie możliwości wyjątkowego minikomputera

Świat Radio listopad - grudzień 2025

Świat Radio

Magazyn krótkofalowców i amatorów CB

Automatyka, Podzespoły, Aplikacje listopad - grudzień 2025

Automatyka, Podzespoły, Aplikacje

Technika i rynek systemów automatyki

Elektronika Praktyczna listopad 2025

Elektronika Praktyczna

Międzynarodowy magazyn elektroników konstruktorów

Elektronika dla Wszystkich grudzień 2025

Elektronika dla Wszystkich

Interesująca elektronika dla pasjonatów