Programowany licznik zdarzeń

Programowany licznik zdarzeń
Pobierz PDF Download icon
Układ prostego licznika impulsów pochodzących z czujników lub włączników. Licznik zlicza impulsy w górę i w dół z częstotliwością nie większą niż 10 Hz (10 imp./sek.). Pojemność licznika wynosi 99999. Dodatkowo, układ wyposażono w możliwość zapamiętania wyniku, dźwiękową sygnalizację zaliczenia impulsu oraz układ wykonawczy z przekaźnikiem z możliwością ustawienia progu jego załączenia lub przełączenia.

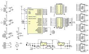
Rysunek 1. Schemat ideowy licznika

Schemat elektryczny licznika pokazano na rysunku 1. Układ powinien być zasilany napięciem stałym o wartości 12...15 V dołączonym do złącza POWER. Dioda D1 zabezpiecza układ przed niewłaściwą polaryzacją napięcia wejściowego, natomiast kondensatory C1...C8 pełnią rolę filtra zasilania.

Anody wyświetlaczy zasilane są napięciem +12 V ze stabilizatora U3, a część cyfrowa jest zasilana napięciem +5 V ze stabilizatora U2. W projekcie zastosowano wyświetlacze ze wspólną anodą. Ich katody dołączono do układu U5 (ULN2803) poprzez rezystory ograniczające R2...R9, natomiast anody dołączono do układu U6 (UDN2983). Rezystory R10...R13 podciągają wejścia licznika do +5 V.

Schemat montażowy licznika pokazano na rysunku 2. Montaż układu nie powinien przysporzyć problemów, ale należy poświęcić mu nieco uwagi, ponieważ podzespoły montowane są po obydwóch stronach płytki. W pierwszej kolejności montujemy wszystkie elementy na warstwie TOP.

Wyświetlacze montowane będą po przeciwnej stronie płytki, dlatego ich lutowania można dokonać dopiero w ostatniej fazie montażu, po upewnieniu się, że montaż wszystkich pozostałych podzespołów przebiegł prawidłowo. Do wejść oznaczonych UP, DOWN oraz RESET dołączone zostały mikroprzyciski umożliwiające bezpośrednie sterowanie pracą licznika.

Zwarcie wejścia wyzwalającego UP powoduje zwiększenie wartości, natomiast zwarcie wejścia DOWN pozwoli na jej zmniejszanie. Krótkie naciśnięcie przycisku RESET umożliwia zapis aktualnego stanu licznika do pamięci. Sytuacja ta sygnalizowana jest krótkim mignięciem wyświetlanej wartości.

Zapisany w ten sposób wynik będzie przywracany po każdorazowym włączeniu zasilania licznika. Aby wyzerować licznik należy przez około 3 sekundy przytrzymać przycisk RESET, a gdy wyświetlona zostanie wartość 0, kolejne krótkie naciśnięcie tego przycisku zapisze tą wartość do pamięci. Brzęczyk piezo pełnił rolę sygnalizatora zaliczenia impulsu oraz osiągnięcia progu zliczania.

Aby wejść w tryb programowania i ustawiania parametrów należy wcisnąć i przytrzymać przez około 3 sekundy przycisk PROG, po chwili można już przy pomocy przycisków S1 i S2 zwiększyć lub zmniejszyć wartość widoczną na wyświetlaczu.

Każdą cyfrę ustawiamy z osobna, przejście do kolejnej odbywa się po krótkim naciśnięciu przycisku PROG, natomiast migający symbol kursora informuje o tym, którą cyfrę aktualnie ustawiamy. Po ustawieniu wymaganej wartości należy zadeklarować sposób działania przekaźnika. Dokonujemy tego krótkim naciśnięciem przycisku RESET. Świecąca kropka przy ostatniej cyfrze będzie oznaczać pracę bistabilną, czyli przy każdym zliczeniu do ustalonej wartości nastąpi wyzerowanie licznika a przekaźnik zmieni stan na przeciwny.

Rysunek 2. Schemat montażowy licznika

Natomiast przy wygaszeniu kropki wyświetlacza przyciskiem RESET deklarujemy pracę monostabilną - licznik przy zliczeniu do zaprogramowanej wartości załączy przekaźnik na czas około 1 sekundy, po czym zostanie wyzerowany i rozpocznie zliczanie od początku. Dłuższe przytrzymanie przycisku RESET spowoduje ustawienie wartości 99999 czuli maksymalnej możliwej wartości do zliczenia.

Po ustawieniu wymaganych wartości przełączania oraz sposobu pracy należy ponownie wcisnąć i przytrzymać przycisk PROG - parametry zapamiętane zostaną w pamięci nieulotnej urządzenia. Od tej chwili licznik jest gotowy do pracy. Każdorazowe załączenie przekaźnika sygnalizowane zostanie dłuższym sygnałem dźwiękowym a o tym czy przekaźnik jest załączony czy nie sygnalizuje świecąca kropka ostatniej cyfry wyświetlacza.

EB

Artykuł ukazał się w
Elektronika Praktyczna
sierpień 2014
DO POBRANIA
Pobierz PDF Download icon
Materiały dodatkowe
Elektronika Praktyczna Plus lipiec - grudzień 2012

Elektronika Praktyczna Plus

Monograficzne wydania specjalne

Elektronik listopad 2025

Elektronik

Magazyn elektroniki profesjonalnej

Raspberry Pi 2015

Raspberry Pi

Wykorzystaj wszystkie możliwości wyjątkowego minikomputera

Świat Radio listopad - grudzień 2025

Świat Radio

Magazyn krótkofalowców i amatorów CB

Automatyka, Podzespoły, Aplikacje listopad - grudzień 2025

Automatyka, Podzespoły, Aplikacje

Technika i rynek systemów automatyki

Elektronika Praktyczna listopad 2025

Elektronika Praktyczna

Międzynarodowy magazyn elektroników konstruktorów

Elektronika dla Wszystkich grudzień 2025

Elektronika dla Wszystkich

Interesująca elektronika dla pasjonatów