Regulator wentylatora z silnikiem klatkowym

Regulator wentylatora z silnikiem klatkowym
Pobierz PDF Download icon
Silniki asynchroniczne bezszczotkowe, ze zwartym uzwojeniem wirnika, zwane krótko - klatkowymi, są stosowane do napędzania różnych wentylatorów. Ich zaletami są trwałość i prosta budowa. Problemy zaczynają się, gdy wymagana jest regulacja obrotów takiego silnika, ponieważ zastosowanie falownika za kilkaset złotych do wentylatora łazienkowego jest po prostu nieopłacalne. Prezentowany układ wykorzystuje pewną cechę takiego wentylatora do regulowania jego prędkości obrotowej.

Rysunek 1. Zasada pracy regulatora obrotów

Działanie oparte jest na metodzie regulacji grupowej - silnik jest zasilany napięciem sinusoidalnym 230 V AC przez kilka pełnych okresów, a następnie zasilanie jest odcinane na kolejnych kilka okresów - rysunek 1.

Czasy załączenia i wyłączenia zawierają się w przedziale od ułamka sekundy do kilku sekund a dzięki bezwładności wentylatora nie ma efektu zatrzymywania i ruszania silnika tylko efekt lekkiego "pływania" obrotów.

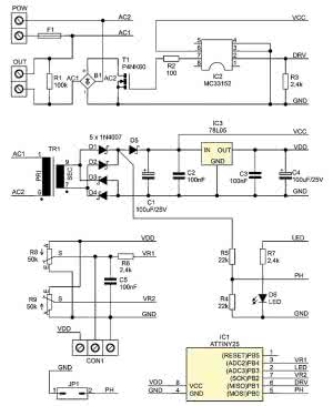
Rysunek 2. Schemat ideowy regulatora obrotów silnika klatkowego

Czas załączania jest stały natomiast poprzez zmianę czasu przerwy pomiędzy kolejnymi załączeniami regulowana jest wypadkowa moc dostarczana do odbiornika a w efekcie prędkość obrotowa silnika.

Schemat ideowy regulatora pokazano na rysunku 2. Triaki "nie lubią" obciążeń indukcyjnych, dlatego zamiast obwodu wykonawczego z triakiem zastosowano rzadko spotykany obwód z mostkiem prostowniczym i tranzystorem MOSFET (elementy B1, T1). Takie rozwiązanie jest bardziej niezawodne w tej aplikacji. Za prawidłowe przełączanie tranzystora odpowiada specjalizowany driver MC33152.

Transformator, diody i stabilizator IC3 dostarczają napięcia +5 V do zasilania mikrokontrolera. Dioda sygnalizuje działanie układu - częstotliwość migania jest proporcjonalna do ustawionej mocy, a dioda D5 i rezystory R5, R4 tworzą układ detekcji przejścia przez zero napięcia sieci energetycznej.

Po zmontowaniu układ jest od razu gotowy do pracy. Zasilanie należy dołączyć do zacisków POW, a silnik do zacisków OUT. Potencjometr duży - R8 służy do regulacji czasu przerwy, czyli prędkości obrotowej, potencjometr mały - R9 pozwala na ustawienie liczby okresów przebiegu sieci w czasie załączenia.

Rysunek 3. Schemat montażowy regulatora obrotów silnika klatkowego

Parametr ten należy ustawić eksperymentalnie, kierując się tym, aby praca silnika była jak najbardziej płynna. Dzięki grupowej metodzie regulacji układ nie generuje zakłóceń elektromagnetycznych a dołączony silnik nie "brzęczy", przy niektórych silnikach może być słyszalne tylko "pykanie".

Uwaga! Pomimo zastosowania transformatora sieciowego układ nie jest odseparowany od sieci energetycznej. Nawet po stronie wtórnej, występują napięcia niebezpieczne dla zdrowia i życia człowieka.

KS

Artykuł ukazał się w
Elektronika Praktyczna
sierpień 2014
DO POBRANIA
Pobierz PDF Download icon
Materiały dodatkowe
Elektronika Praktyczna Plus lipiec - grudzień 2012

Elektronika Praktyczna Plus

Monograficzne wydania specjalne

Elektronik listopad 2025

Elektronik

Magazyn elektroniki profesjonalnej

Raspberry Pi 2015

Raspberry Pi

Wykorzystaj wszystkie możliwości wyjątkowego minikomputera

Świat Radio listopad - grudzień 2025

Świat Radio

Magazyn krótkofalowców i amatorów CB

Automatyka, Podzespoły, Aplikacje listopad - grudzień 2025

Automatyka, Podzespoły, Aplikacje

Technika i rynek systemów automatyki

Elektronika Praktyczna listopad 2025

Elektronika Praktyczna

Międzynarodowy magazyn elektroników konstruktorów

Elektronika dla Wszystkich grudzień 2025

Elektronika dla Wszystkich

Interesująca elektronika dla pasjonatów