Moduł PWM z interfejsem RS485

Moduł PWM z interfejsem RS485
Pobierz PDF Download icon
Urządzenie to kontynuacja serii miniaturowych modułów z RS485. Dotychczas zaprezentowaliśmy AVT1705 - moduł do pomiaru temperatury i AVT1745 - moduł przekaźników. Opisywany moduł PWM może służyć do sterowania odbiornikami zasilanymi niskim napięciem i pobierającymi znaczny prąd np. silnikami DC lub źródłami światła. Pozwala on nie tylko na włączenie odbiornika, ale także regulowanie jego moc (jasność) oraz uzyskanie efektu ściemniania/ rozjaśniania/łagodnego startu. Może być sterowany przez komputer wyposażony lub dowolny system mikrokomputerowy np. Raspberry czy Arduino, wyposażony w konwerter UART/RS485.

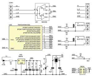
Rysunek 1. Schemat ideowy modułu PWM z interfejsem RS485

Schemat ideowy modułu PWM pokazano na rysunku 1. Budowa jest podobna do poprzednich modułów - za sterowanie odpowiada mikrokontroler Attiny24, napięcia stabilizowanego dostarcza układ 78M05, komunikacja z magistralą RS485 odbywa się poprzez układ MAX485.

Elementami wykonawczymi są dwa tranzystory MOSFET-N. Obciążalność zależy od typu zastosowanych tranzystorów. W układzie modelowym zastosowano IRL3803 o napięciu maksymalnym 30 V i bardzo dużym prądzie drenu, ale bez dodatkowego radiatora nie powinno się przekraczać 5 A.

Nic nie stoi na przeszkodzie, aby zastosować inny typ tranzystorów i uzyskać inne parametry, ale muszą to być tranzystory typu "logic-level compatible". Na rysunku 2 pokazano sposób dołączenia odbiorników do modułu PWM. Należy pamiętać, że odbiorniki o charakterze indukcyjnym np. silniki czy przekaźniki wymagają dołączenia diody (np. 1N4007) zabezpieczającej przed przepięciami, tak jak na rysunku.

Rysunek 2. Schemat montażowy modułu PWM z interfejsem RS485

Sterownie modułem odbywa się poprzez magistralę RS485 przy pomocy prostych komend. Komeda sterująca musi zaczynać się ciągiem znaków "P x x" gdzie "xx" to adres modułu w zakresie 00...99. W przypadku sterownia cyfrowego, dalsza część komendy musi przyjąć jedną z trzech opcji:

  • "= 1 <CR>" - powoduje załączenie wyjścia,
  • "= 0 <CR>" - powoduje wyłączenie wyjścia,
  • "= ? <CR>" - zwraca odpowiedź układu zawierającą aktualny stan wyjścia.

Natomiast w przypadku sterowania PWM komenda musi przyjąć postać "= vvv , ddd <CR>", gdzie: "vvv" to wartość współczynnika wypełnienia przebiegu pwm, w zakresie 0...255, "ddd" to współczynnik opóźnienia z jakim zostanie osiągnięta, podana wcześniej wartość wypełnienia. Możliwy zakres to 0...255.

Zapytanie o stan wyjścia zwraca odpowiedź w postaci P xx = vvv <CR>, gdzie "xx" to adres modułu a "vvv" to aktualna wartość współczynnika PWM. Gdy wyjście sterowane jest cyfrowo, to wartość będzie wynosiła 000 lub 255. We wszystkich przypadkach w komendach nie ma spacji a oznaczenie "<CR>" to znak końca linii - wartość ASCII równa 0x0D. Przykładowe komendy umieszczono w tabeli 1.

Układ wymaga wstępnej konfiguracji - potrzebny będzie terminal z interfejsem RS485 np. konwerter AVTMOD14 dołączony do komputera PC i programu Bray Terminal+. Założenie jumpera w pozycji 1 (rysunek 3) uruchamia automatyczne wysyłanie stanu wyjścia.

Rysunek 3. Funkcje jumperów konfigurujących

Funkcja ta może być włączona tylko w jednym module w całej magistrali i tylko wtedy, gdy nie ma urządzenia nadrzędnego. Powoduje wysyłanie na magistralę co ok. 4 sekundy komendy ze stanem wyjścia. Może być przydatna do identyfikowania modułów, ponieważ komenda zawiera adres modułu.

Założenie jumpera w pozycji 2 (rys. 3) a następnie włączenie zasilania modułu powoduje przywrócenie domyślnego adresu o wartości "00". Założenie jumpera w pozycji 3 (rys. 3) i włączenie zasilania modułu powoduje wejście w tryb zmiany adresu.

Tabela 1. Przykładowe komendy dla modułu PWM

Moduł wysyła wartość aktualnego adresu a następnie czeka na wprowadzenie nowej wartości. Po zatwierdzeniu klawiszem Enter nowa wartość zostaje zapamiętana i układ jest gotowy do pracy. Należy pamiętać, że drugie wyjście modułu automatycznie dostaje adres zwiększony o jeden, dlatego modułom należy nadawać adresy zwiększane o 2.

KS

Artykuł ukazał się w
Elektronika Praktyczna
sierpień 2014
DO POBRANIA
Pobierz PDF Download icon
Materiały dodatkowe
Elektronika Praktyczna Plus lipiec - grudzień 2012

Elektronika Praktyczna Plus

Monograficzne wydania specjalne

Elektronik listopad 2025

Elektronik

Magazyn elektroniki profesjonalnej

Raspberry Pi 2015

Raspberry Pi

Wykorzystaj wszystkie możliwości wyjątkowego minikomputera

Świat Radio listopad - grudzień 2025

Świat Radio

Magazyn krótkofalowców i amatorów CB

Automatyka, Podzespoły, Aplikacje listopad - grudzień 2025

Automatyka, Podzespoły, Aplikacje

Technika i rynek systemów automatyki

Elektronika Praktyczna listopad 2025

Elektronika Praktyczna

Międzynarodowy magazyn elektroników konstruktorów

Elektronika dla Wszystkich grudzień 2025

Elektronika dla Wszystkich

Interesująca elektronika dla pasjonatów