Minimoduł izolatora magistrali I²C dla AVTDuino... i nie tylko

Minimoduł izolatora magistrali I²C dla AVTDuino... i nie tylko
Pobierz PDF Download icon
Minimoduł umożliwia galwaniczną izolację magistrali I²C pracującej z maksymalną częstotliwością sygnału SCL 1 MHz. W module zastosowano nowoczesny układ ADM3260, z rozbudowanej rodziny izolatorów oferowanych przez Analog Devices.

Blokowy schemat wewnętrzny układu ADM3260 pokazano na rysunku 1. Oprócz izolacji magistrali, dzięki wbudowanej przetwornicy jest także możliwe dostarczanie zasilania do izolowanego układu, co znacząco uprasza aplikację. Co ważne, układ zasilania nie wymaga współpracującego transformatora izolacyjnego.

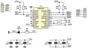
Schemat ideowy modułu jest pokazany na rysunku 2. Rozwiązanie nie odbiega od proponowanego w karcie katalogowej. Moduł jest zgodny ze standardem ARDuino I²C, sygnały magistrali i zasilanie doprowadzone są do 4-pinowego złącza typu EH - I²C oraz po stronie izolowanej I2CI. Uwaga: niektóre kable fabryczne mają przeplot 1-4, 2-3, aby je wykorzystać należy zamienić kolejność wyprowadzeń w jednym złączu EH.

Rysunek 1. Schemat wewnętrzny ADM3260 (za notą AD)

Rysunek 2. Schemat ideowy izolatora magistrali I²C

Moduł jest zasilany napięciem +5 V. Kondensatory C1...C6 filtrują zasilanie. Ich rozmieszczenie i pojemności są krytyczne dla poprawnej pracy układu, ponieważ przetwornica zasilania pracuje z częstotliwością kluczowania 125 MHz. Rezystory R1, R2 oraz R4 i R5 zasilają magistralę I²C. Dioda LD sygnalizuje obecność zasilania. Rezystory R6 i R7 ustalają napięcie wyjściowe przetwornicy.

Rysunek 3. Schemat montażowy izolatora magistrali I²C

W modelu ustalono napięcie wyjściowe na +5 V. Zmieniając rezystory R6 i R7 można ustalić je w zakresie 3,15...5,25 V umożliwiając - oprócz izolacji - także konwersję poziomów. Napięcie wyjściowe przetwornicy oblicza się ze wzoru Viso= 1,23×(R6+R7)/R6 [V].

Moduł może być zasilany także napięciem 3...3,3 V, lecz producent nie zaleca wtedy pracy przetwornicy z napięciem wyjściowym 5 V. Moc wyjściowa układu przy zasilaniu z napięcia +5 V wynosi 150 mW, przy zasilaniu 3,3 V jest ograniczona do 66 mW.

Moduł jest zmontowany na dwustronnej płytce drukowanej. Rozmieszczenie elementów przedstawia rysunek 3. Montaż jest typowy i nie wymaga opisu. Poprawnie zmontowany moduł po ustaleniu napięcia wyjściowego dzielnikiem R6/R7 nie wymaga uruchamiania i jest gotowy do pracy po podłączeniu zasilania.

Adam Tatuś, EP

Artykuł ukazał się w
Elektronika Praktyczna
sierpień 2014
DO POBRANIA
Pobierz PDF Download icon
Materiały dodatkowe
Elektronika Praktyczna Plus lipiec - grudzień 2012

Elektronika Praktyczna Plus

Monograficzne wydania specjalne

Elektronik listopad 2025

Elektronik

Magazyn elektroniki profesjonalnej

Raspberry Pi 2015

Raspberry Pi

Wykorzystaj wszystkie możliwości wyjątkowego minikomputera

Świat Radio listopad - grudzień 2025

Świat Radio

Magazyn krótkofalowców i amatorów CB

Automatyka, Podzespoły, Aplikacje listopad - grudzień 2025

Automatyka, Podzespoły, Aplikacje

Technika i rynek systemów automatyki

Elektronika Praktyczna listopad 2025

Elektronika Praktyczna

Międzynarodowy magazyn elektroników konstruktorów

Elektronika dla Wszystkich grudzień 2025

Elektronika dla Wszystkich

Interesująca elektronika dla pasjonatów