UI_Monitor - moduł do pomiaru napięcia i prądu dla AVTDuino, Raspberry PI i nie tylko

UI_Monitor - moduł do pomiaru napięcia i prądu dla AVTDuino, Raspberry PI i nie tylko
Pobierz PDF Download icon
Uniwersalny, adresowany moduł zawierający nowoczesny monitor zasilania oparty o układ ADM1191 firmy Analog Devices. Umożliwia on łatwą realizację układów, w których jest wymagany równoczesny pomiar napięcia i prądu stałego.

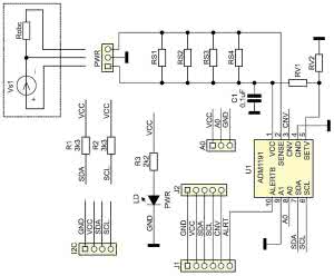
Układ ADM1191 ma konfigurowalny komparator wykrywający przekroczenie zadanej wartości prądu. Wyniki konwersji dostępne są przez interfejs I²C. Możliwość adresowania układu umożliwia rozbudowę do 16 układów pomiarowych dołączonych do pojedynczej magistrali. Schemat funkcjonalny układu przedstawia rysunek 1. Podstawowa aplikacja ADM1191 zawiera tylko jeden rezystor Rs konieczny dla pomiaru prądu. Schemat ideowy modułu pokazano na rysunku 2.

Rysunek 1. Schemat funkcjonalny ADM1191 (za notą AD)

Rysunek 2. Schemat ideowy modułu pomiarowego U/I

Napięcie zewnętrzne jest doprowadzone do wyprowadzenia 1 złącza PWR - jednocześnie zasila U1 (wyprowadzenie VCC) oraz jest mierzone poprzez wewnętrzny przetwornik A/D. Układ pobiera ok. 1,7 mA, napięcie zasilania musi zawierać się w zakresie 3,15...26 V.

Rysunek 3. Schemat montażowy modułu pomiarowego U/I

Zakres wewnętrznego przetwornika jest podzielony na dwa podzakresy 3,15...6,65 V i 3,15...26,52 V i wybierany za pomocą bitu VRANGE w rejestrze konfiguracji ADM1191. Pomiar prądu jest wykonany metodą pośrednią przez spadek napięcia na rezystorze Rs (w modelu zbudowany z Rs1...Rs4 dla rozproszenia mocy i ułatwienia doboru rezystora o niewielkiej rezystancji).

W zależności od ustawień w rejestrze konfiguracji wyniki przetwarzania dostępne są w dwóch lub trzech rejestrach, możliwe jest także pomiar tylko napięcia lub tylko prądu w trybie ciągłym lub jednokrotnym (one shoot). Układ umożliwia sygnalizację przekroczenia ustawionego progu (wyprowadzenie ALERTB) prądu poprzez dobór rezystorów RV1 i RV2 oraz aktywację funkcji w rejestrze alarmowym. W przypadku współpracy kilku układów wyprowadzenie CNV umożliwia synchroniczny start konwersji wbudowanych przetworników.

Tabela 1. Adresacja ADM1191

Moduł zmontowano na niewielkiej płytce drukowanej o wymiarach i rozstawie złącz zgodnym z pozostałymi modułami I²C. Rozmieszczenie elementów pokazano na rysunku 3. Dokładną konfigurację ADM1191 i zaawansowane funkcje przedstawia nota katalogowa.

W dalszej części wykorzystam tylko najbardziej istotne informacje potrzebne do szybkiego uruchomienia i sprawdzenia układu. Moduł ma ograniczone adresowanie do trzech możliwości ustalanych zworą A0 (tabela 1).

Rysunek 4. Rejestr kontrolny ADM1191

Przed pierwszym odczytem należy skonfigurować ADM1191, ustawiając tryb konwersji (ciągły/jednorazowy), załączyć przetwarzanie napięcia i/lub prądu. W tym celu należy do rejestru konfiguracyjnego przesłać odpowiednią wartość. Znaczenie bitów przedstawia rysunek 4.

Zapis konfiguracji wymaga przesłania dwóch bajtów:

[ADM1191_ADRES][ADM1191_CFG]
[ADM1191_ADRES] = [Start][01100] [A0][R!W][ACK_ADM]
[ADM1191_CFG] = [NC][STATUS_RD] [NC][VRANGE][I_ONCE][I_CONT][V_ ONCE][V_CONT][ACK_ADM]

Rysunek 5. Wynik działania szkicu testowego

Testowo układ skonfigurowany do ciągłej konwersji napięcia i prądu, z zakresem napięciowym 26,52 V, odczyt ich wartości wymaga odebrania trzech bajtów:

[ADM1191_ADRES][V11..A4][ACK] [I11..I4][ACK][V3..V0,I3..I0]

oraz przeliczenia wyników konwersji napięcia:

  • dla zakresu 26,52 V - U = 26,52/4096×(V11...V0) [V],
  • dla zakresu 6,65 V - U = 6,65/4096×(V11..V0) [V].

i prądu:

I = (105.48/4096)×(I11..0)/Rs

Listing 1. Szkic umożliwiający przetestowanie układu pomiarowego z ADM1191

Rs jest rezystorem pomiarowym prądu, należy zwrócić uwagę, aby dobrze dobrać kompromis pomiędzy mocą strat, a wymaganą dokładnością przetwarzania, zmniejszanie napięcia różnicowego zmniejsza dokładność pomiaru. Standardowo dla pełnego zakresu przyjmuje się spadek napięcia na Rs o wartości 50...75 mV. Ewentualny offset należy skorygować programowo.

O ile pomiar napięcia w najmniej korzystnych warunkach cechuje się dokładnością lepszą od 1,15%, to pomiar prądu obarczony w skrajnym przypadku jest błędem do 6,7%. W typowych wartościach temperatur oraz przy zakresie różnicowym 50 mV prąd mierzony jest z dokładnością lepszą od 2%. Znaczący wpływ na dokładność ma oczywiście rezystor pomiarowy.

Przykładowy prosty szkic dla Energii/Arduino (Dla środowiska Energia wymagany Launchpad z procesorem 452/553) umożliwiający sprawdzenie poprawnego działania płytki przedstawia listing 1. Program realizuje ciągłą konwersję wartości napięcia i prądu oraz na ich podstawie oblicza moc. Wyniki przesyłane są do terminala znakowego 9600,8,N,1. Wynik działania szkicu pokazano na rysunku 5.

Adam Tatuś, EP

Artykuł ukazał się w
Elektronika Praktyczna
sierpień 2014
DO POBRANIA
Pobierz PDF Download icon
Materiały dodatkowe
Elektronika Praktyczna Plus lipiec - grudzień 2012

Elektronika Praktyczna Plus

Monograficzne wydania specjalne

Elektronik listopad 2025

Elektronik

Magazyn elektroniki profesjonalnej

Raspberry Pi 2015

Raspberry Pi

Wykorzystaj wszystkie możliwości wyjątkowego minikomputera

Świat Radio listopad - grudzień 2025

Świat Radio

Magazyn krótkofalowców i amatorów CB

Automatyka, Podzespoły, Aplikacje listopad - grudzień 2025

Automatyka, Podzespoły, Aplikacje

Technika i rynek systemów automatyki

Elektronika Praktyczna listopad 2025

Elektronika Praktyczna

Międzynarodowy magazyn elektroników konstruktorów

Elektronika dla Wszystkich grudzień 2025

Elektronika dla Wszystkich

Interesująca elektronika dla pasjonatów