Barometr binarny

Barometr binarny
Pobierz PDF Download icon
W Elektronice Praktycznej 8/2012 został opublikowany projekt dwupunktowego termometru binarnego, a w numerze 12/2013 projekt higrometru pokojowego. Opisane dalej urządzenie wskazuje aktualną wartość ciśnienia atmosferycznego i wyświetla w sposób identyczny, jak wspomniane termometr i higrometr. Wszystkie razem są użytecznym i wyglądającym efektownie zestawem.

Rysunek 1. Schemat ideowy barometru binarnego

Najważniejszym podzespołem w tej konstrukcji jest czujnik ciśnienia. Wybrano do tego celu sensor typu MPL115A2 produkcji Freescale Semiconductor. Sensor ciśnienia atmosferycznego został wykonany w technologii MEMS. Pozwala ona na wykonywanie miniaturowych elementów mechanicznych, które łatwo jest zintegrować z elektronicznymi. Szczegóły dotyczącej tej interesującej technologii zawarte są w artykule "Układy MEMS" w opublikowanym Elektronice Praktycznej 2/2010. Najważniejsze parametry sensora umieszczono w tabeli 1.

Na pierwszy rzut oka można dostrzec zalety, do których należą: mały pobór prądu, standardowy interfejs komunikacyjny oraz możliwość pracy przy zasilaniu napięciem 5 V (podobnie jak pozostałe układy z wyświetlaczami binarnymi). Nie wymaga również kalibracji: jego wewnętrzne rejestry, programowane przez producenta podczas produkcji, zawierają dane kalibracyjne każdego egzemplarza.

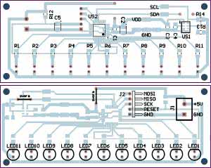
Rysunek 2. Schemat montażowy barometru binarnego

Ponadto, zachęcająca jest również niewysoka cena detaliczna - przeciętnie około 10 złotych brutto. Niestety, czujnik ten charakteryzuje się również dwiema poważnymi wadami: wyjątkowo kiepską dokładnością oraz obudową LGA8, która jest niemożliwa do przylutowania bez posiadania odpowiednich narzędzi. Obydwie te wady zostały po części wyeliminowane, o czym dalej.

Schemat ideowy elektronicznego barometru pokazano na rysunku 1. Głównym układem sterującym jest popularny mikrokontroler ATmega8. Realizuje on komunikację z układem MPL115A2, oblicza wynik końcowy oraz prezentuje go na wyświetlaczu złożonym z 11 diod LED. Otoczenie tego układu jest typowe: obwód rezystor R12 - kondensator C5 gwarantuje prawidłowe uruchomienie mikrokontrolera po załączeniu zasilania, natomiast kondensatory C1 i C2 filtrują jego zasilanie.

W układzie modelowym użyto diod świecących w kolorze białym, z racji kojarzenia tej barwy z powietrzem. Rezystory o stosunkowo dużej rezystancji wynoszącej aż 750 V ograniczają prąd płynący przez każdą z nich do wartości ok. 2 mA. Dzięki temu, światło emitowane przez te diody nie razi. Użycie diod z matowymi soczewkami dodatkowo załagodzi ten nieprzyjemny efekt.

Barometr zmontowano na jednostronnej płytce drukowanej o wymiarach 103 mm×40 mm, której schemat montażowy pokazano na rysunku 2. Szerokość płytki jest taka sama, jak płytki poprzednio opublikowanych układów, czyli termometru i higrometru.

Tabela 1. Najważniejsze parametry układu MPL115A2

Układ scalony barometru produkowany jest w bardzo kompaktowej obudowie, której przylutowanie do płytki nie jest łatwe. Dlatego zostały przewidziane na płytce pady lutownicze, do których można przylutować przewody łączące tę płytkę z gotowym modułem zawierającym już przylutowany układ MPL115A2. Połączyć należy linie SCL i SDA, masę oraz zasilanie. W przypadku modułów KAmodBAR-I2C oferowanych przez Kamami, linie sterujące funkcjonowaniem układu barometru należy zewrzeć do masy, przewodami przylutowanymi do dwóch pozostałych padów masy. Należą do nich:

  • SHDN (podanie stanu wysokiego powoduje przejście do trybu uśpienia);
  • CS_R (podanie na nią stanu wysokiego wyłącza komunikację I²C).

Fotografia 3. Prezentacja wyniku pomiaru ciśnienia atmosferycznego

Jeżeli zdecydujemy się na użycie gotowego modułu, to montaż elementów R13, R14 i C4 jest niepotrzebny.

Po prawidłowym zamontowaniu wszystkich podzespołów, następnym krokiem jest zaprogramowanie mikrokontrolera. Należy dodatkowo przestawić jego bity zabezpieczające na taktowanie wewnętrznym oscylatorem RC o częstotliwości 8 MHz. Programowania można dokonać poprzez złącze ISP, wyprowadzone na J2.

Po prawidłowym zaprogramowaniu, barometr jest natychmiast gotowy do eksploatacji, ponieważ nie wymaga od użytkownika kalibracji. Zasilanie napięciem 5 V, dobrze stabilizowanym. Pobór prądu jest silnie zależny od liczby załączonych diod i nie przekracza wartości 40 mA. Odczytywania wartości należy dokonywać w tym położeniu płytki, jaki prezentuje fotografia 3. Wartość ciśnienia atmosferycznego zakodowana jest w postaci naturalnego kodu binarnego: najbardziej na lewo znajduje się bit najstarszy (o wadze 210 = 1024), obok niego bit nieco młodszy (29 = 512) i tak dalej. LED1, umieszczona na prawo, sygnalizuje stan bitu najmłodszego (o wadze 20 = 1). Odczyt wartości (w postaci dziesiętnej) następuje poprzez zsumowanie wszystkich wag sygnalizowanym przez załączone diody. Dla przykładu ze zdjęcia, jest to: 0·210+1·29+1·28+1·27+1·26+0·25+1·24+ 1·23+1·22+0·21+1·20=512+256+12+64+ 16+8+4+1=989 hPa

Ponieważ takie operacje wykonywane w pamięci zajmują trochę czasu, odświeżanie następuje co 20s. W tym czasie, zbieranych jest dwadzieścia pomiarów, w odstępach jednosekundowych, po czym na wyświetlacz trafia ich średnia arytmetyczna. Pozwala to częściowo zniwelować niską dokładność tego czujnika.

Michał Kurzela, EP

Artykuł ukazał się w
Elektronika Praktyczna
sierpień 2014
DO POBRANIA
Pobierz PDF Download icon
Materiały dodatkowe
Elektronika Praktyczna Plus lipiec - grudzień 2012

Elektronika Praktyczna Plus

Monograficzne wydania specjalne

Elektronik listopad 2025

Elektronik

Magazyn elektroniki profesjonalnej

Raspberry Pi 2015

Raspberry Pi

Wykorzystaj wszystkie możliwości wyjątkowego minikomputera

Świat Radio listopad - grudzień 2025

Świat Radio

Magazyn krótkofalowców i amatorów CB

Automatyka, Podzespoły, Aplikacje listopad - grudzień 2025

Automatyka, Podzespoły, Aplikacje

Technika i rynek systemów automatyki

Elektronika Praktyczna listopad 2025

Elektronika Praktyczna

Międzynarodowy magazyn elektroników konstruktorów

Elektronika dla Wszystkich grudzień 2025

Elektronika dla Wszystkich

Interesująca elektronika dla pasjonatów