Zabezpieczenie głośników

Zabezpieczenie głośników
Pobierz PDF Download icon
Urządzenie jest niezbędnym dodatkiem do każdego tranzystorowego wzmacniacza mocy, w którym podczas załączania/wyłączania na wyjściu pojawiają się słyszalne zakłócenia natomiast w przypadku awarii na zaciskach głośnikowych może pojawić się składowa stała.

Rysunek 1. Schemat ideowy modułu zabezpieczenia głośników

Zabezpieczenie oparto o popularny, specjalizowany układ scalony uPC1237 firmy NEC. Jego schemat pokazano na rysunku 1. Dla większej uniwersalności jest zasilany z własnego transformatora TS. Rozwiązuje to problem dodatkowego zasilania, jeżeli zostanie wbudowany do fabrycznej końcówki mocy lub, gdy mamy zamiar zastosować go np.: w lampowej końcówce OTL, gdzie trudno o napięcie o wymaganej wartości.

Układ U1 (U1-8) jest zasilany za pomocą mostka prostowniczego z kondensatorem filtrującym CE4. Do obwodu opóźnienia DELAY (U1-7) doprowadzono zasilanie przez człon rezystor R11/kondensator CE3 odpowiadający za opóźnione dołączenie głośników po włączeniu napięcia zasilania. Eliminuje to uciążliwy stuk podczas ustalania się napięcia wyjściowego końcówki.

Rysunek 2. Schemat montażowy modułu zabezpieczenia głośników

Wyprostowane napięcie zasilania, poprzez złącze OFF 1/2, jest doprowadzone do obwodu detekcji napięcia zasilania odpowiedzialnego za szybkie odłączenie głośników po zaniku zasilania. Do złącza OFF pomiędzy wyprowadzenia 1-2 możemy włączyć szeregowo wyłącznik głośników oraz bezpiecznik termiczny (normalnie zwarty). Rozszerzy to funkcjonalność modułu o realizację zabezpieczenia termicznego końcówki.

Rozwarcie obwodu powoduje natychmiastowe wyłączenie głośników. Ostatnią funkcją układu jest zabezpieczenie głośników przed składową stałą. Z wyjścia końcówki mocy, poprzez złącza L/R-S (1) do detektora składowej stałej DCDET (U1-2), poprzez dzielniki rezystorowe R1...R9 są doprowadzone sygnały obu kanałów stereofonicznych. Jeżeli na wyjściu wzmacniacza wystąpi składowa stała, układ bezzwłocznie rozłączy styki przekaźników do czasu ustąpienia problemu.

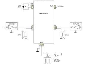
Rysunek 3. Sposób dołączenia zabezpieczenia do wzmacniacza

Układ pracuje w trybie automatycznego kasowania zabezpieczenia po ustąpieniu przyczyny RESET (U1-3). W przypadku potrzeby zatrzaskiwania stanu alarmowego, należy zewrzeć kondensator C1. Wyjście OUT (U1-6) poprzez rezystory ograniczające prąd steruje dwoma szeregowo połączonymi cewkami przekaźników odłączających głośniki. Stan pracy modułu sygnalizuje dioda podłączona do złącza LED.

Zabezpieczenie zmontowane jest na niewielkiej jednostronnej płytce drukowanej, rozmieszczenie elementów pokazano na rysunku 2. Montaż jest typowy. Moduł zmontowany ze sprawnych elementów działa po włączeniu zasilania. Dla pewności warto jednak sprawdzić działanie wszystkich funkcji. W tym celu należy zewrzeć wyprowadzenia 1-2 złącza OFF oraz zasilić układ.

Przekaźniki powinny załączyć się z pewnym opóźnieniem, rozwarcie wyprowadzeń 1-2 powinno je natychmiast rozłączyć. Do sprawdzenia działania zabezpieczenia DC jest potrzebna bateria 1,5...3 V. Po jej włączeniu (polaryzacja dowolna, warto sprawdzić obie) pomiędzy wyprowadzenie 3 złącza OFF oraz wyprowadzenie 1 złącz LR/S przekaźniki powinny zostać natychmiast rozłączone. Po odłączeniu baterii układ powinien załączyć ponownie przekaźniki. Jeżeli wszystko jest sprawne zabezpieczenie nadaje się do montażu we wzmacniaczu, zgodnie z rysunkiem 3.

Adam Tatuś, EP

Artykuł ukazał się w
Elektronika Praktyczna
sierpień 2014
DO POBRANIA
Pobierz PDF Download icon
Materiały dodatkowe
Elektronika Praktyczna Plus lipiec - grudzień 2012

Elektronika Praktyczna Plus

Monograficzne wydania specjalne

Elektronik listopad 2025

Elektronik

Magazyn elektroniki profesjonalnej

Raspberry Pi 2015

Raspberry Pi

Wykorzystaj wszystkie możliwości wyjątkowego minikomputera

Świat Radio listopad - grudzień 2025

Świat Radio

Magazyn krótkofalowców i amatorów CB

Automatyka, Podzespoły, Aplikacje listopad - grudzień 2025

Automatyka, Podzespoły, Aplikacje

Technika i rynek systemów automatyki

Elektronika Praktyczna listopad 2025

Elektronika Praktyczna

Międzynarodowy magazyn elektroników konstruktorów

Elektronika dla Wszystkich grudzień 2025

Elektronika dla Wszystkich

Interesująca elektronika dla pasjonatów