Miniaturowa latarka LED

Miniaturowa latarka LED
Pobierz PDF Download icon
Latarka o miniaturowych gabarytach i niewielkim poborze prądu, zasilana z jednej baterii AA. Prosty układ, który może przydać się każdemu urlopowiczowi: pod namiotem, na rowerze czy na żaglówce.

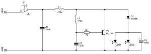
Rysunek 1. Schemat ideowy miniaturowej latarki

Schemat ideowy latarki pokazano na rysunku 1. Przedstawiony układ został oparty w całości o elementy dyskretne. Po włączeniu zasilania tranzystor T2 jest zatkany, a przez cewkę L2 płynie prąd bazy, który powoduje stopniowe otwieranie się tranzystora. Przewodzenie tranzystora powoduje zwieranie wyprowadzenia cewki do masy (przez złącze kolektor-emiter), a napięcie na kolektorze spada do minimalnej wartości.

Prąd bazy jest jeszcze przez krótki czas podtrzymywany energią zgromadzoną w L2 i C2. Tranzystor otwiera się, impuls samoindukcji z cewki L1 przechodzi przez diodę D1 i ładuje kondensator C3, z którego zasilane są diody świecące. Obwód cewka L2 - kondensator C2 gromadzi energię, znowu zaczyna płynąć prąd bazy - cykl zamyka się.

Rysunek 2. Oscylogramy napięć na kolektorze i bazie tranzystora

Wartości elementów zostały dobrane dla uzyskania możliwie dużej sprawności przy optymalnym wykorzystaniu diod. Rolą rezystora R1 jest ograniczenie prądu bazy. Parametry prądowo-napięciowe umieszczono w tabeli 1.

Układ poprawnie pracuje już przy niskim napięciach zasilania - wystarczy 0,7 V (napięcie baza-emiter, przy którym tranzystor otwiera się), by wzbudzić oscylacje. Pozwala to na pracę z mocno rozładowaną baterią, kosztem zmniejszenia jasności.

Na rysunku 2 przedstawiono przebiegi czasowe: napięcia na bazie (niebieski) oraz na kolektorze (żółty) tranzystora. Widać na nim wyraźnie, że zbocza sygnału na kolektorze są strome, co oznacza krótki czas przełączania. Jest to pożądane z uwagi na powstające w cewce napięcie samoindukcji, które jest tym wyższe, im szybsza jest zmiana prądu w niej (zgodnie ze wzorem ).

Tabela 1. Parametry elektryczne latarki

Cały układ został zmontowany na jednostronnej płytce drukowanej o wymiarach 57 mm×15 mm - są to wymiary koszyka baterii AA. Schemat montażowy pokazano na rysunku 3. Wszystkie elementy są w obudowach THT i montuje się je w tradycyjny sposób. Dławik L1 powinien mieć moż liwie niską rezystancję uzwojenia. Diody elektroluminescencyjne użyte w układzie modelowym mają oznaczenie LED F5 WW i charakteryzują się następującymi parametrami:

  • prąd nominalny: 20 mA,
  • światłość: 18 cd,
  • barwa świecenia: biała, ciepła,
  • kąt świecenia: 15°.

Rysunek 3. Schemat montażowy miniaturowej latarki

Zamontowanie dwóch diod w pewnej (ok. 35 mm) odległości od siebie powoduje, iż światło nie jest skupione w jednym punkcie - tak, jak miałoby to miejsce w przypadku jednej diody. Prawidłowo zmontowany układ nie wymaga jakichkolwiek czynności uruchomieniowych i jest natychmiast gotowy do pracy.

Należy uważać, by obydwie diody świecące funkcjonowały prawidłowo, ponieważ układ ten nie ma żadnej pętli ujemnego sprzężenia zwrotnego, które kontrolowałoby napięcie na wyjściu. Odłączenie obciążenia spowoduje wzrost napięcia, które może doprowadzić do uszkodzenia elementów.

Aby zabezpieczyć elektronikę przed działaniem wilgoci i uszkodzeniami mechanicznymi, warto wyposażyć układ w dedykowaną dlań obudowę. Na przykład, może być to odcinek rury wykonanej z przezroczystego poliwęglanu, o średnicy wewnętrznej ok. 30 mm, zaślepionej obustronnie plastikowymi zatyczkami. Wykonana w ten sposób obudowa będzie dobrze przepuszczała światło z diod, jednocześnie chroniąc elektronikę przed zalaniem.

Michał Kurzela, EP

Artykuł ukazał się w
Elektronika Praktyczna
sierpień 2014
DO POBRANIA
Pobierz PDF Download icon
Materiały dodatkowe
Elektronika Praktyczna Plus lipiec - grudzień 2012

Elektronika Praktyczna Plus

Monograficzne wydania specjalne

Elektronik listopad 2025

Elektronik

Magazyn elektroniki profesjonalnej

Raspberry Pi 2015

Raspberry Pi

Wykorzystaj wszystkie możliwości wyjątkowego minikomputera

Świat Radio listopad - grudzień 2025

Świat Radio

Magazyn krótkofalowców i amatorów CB

Automatyka, Podzespoły, Aplikacje listopad - grudzień 2025

Automatyka, Podzespoły, Aplikacje

Technika i rynek systemów automatyki

Elektronika Praktyczna listopad 2025

Elektronika Praktyczna

Międzynarodowy magazyn elektroników konstruktorów

Elektronika dla Wszystkich grudzień 2025

Elektronika dla Wszystkich

Interesująca elektronika dla pasjonatów