Automatyczny przełącznik głośników

Automatyczny przełącznik głośników
Pobierz PDF Download icon
Sytuacja, w której w pokoju stoi jedna para kolumn głośnikowych, a źródeł sygnału jest więcej niż jedno nie należy do rzadkości. Opisany projekt umożliwia przełączanie kolumn między tymi źródłami bez potrzeby ingerencji użytkownika domowego systemu audio.

Tabela 1. Reakcja układu na sygnały na wejściach

Układ ma dwie pary wejść sygnału prowadzonego na kolumny głośnikowe i jedną parę zacisków wyjściowych, do podłączenia tychże. Domyślnie na wyjścia kierowany jest sygnał z pary oznaczonej literą A. Po wykryciu sygnału na wejściu B, przekaźniki załączają się i kolumny łączone są ze wzmacniaczem dołączonym do wejścia B, wejście A jest wówczas ignorowane. Ponowne przełączenie do wyjścia A następuje samoczynnie, po upłynięciu ustalonego czasu od zaniku sygnału na wejściu B. Przekładając to na język elektroniki, wejście B zachowuje się jak "master", zaś A jak "slave". Obrazuje to tabela 1.

Wykrywanie sygnału na wejściu B następuje poprzez jego wyprostowanie, wzmocnienie i porównanie z poziomem odniesienia. Jeżeli amplituda chwilowa przekracza ustalony próg, wówczas pobudzany jest przerzutnik monostabilny, który załącza przekaźniki. Schemat działania obrazuje rysunek 1.

Na wejście podawany jest sygnał o pewnej amplitudzie (A) - z początku zerowy, potem przybiera kształt sinusoidy. W rzeczywistości jego kształt nie ma znaczenia, za to tutaj bardzo upraszcza rozważania. Zostaje on wyprostowany przez ogranicznik diodowy, zrealizowany na diodach D1 i D2 (B). Diody te nie są idealne, dlatego dolna połówka sygnału nie zostaje zrównana z zerem. Było to jednak konieczne, aby uniknąć zniszczenia wejścia wzmacniacza operacyjnego w sytuacji, gdy amplituda napięcia wejściowego byłaby większa niż napięcie zasilania (tj. przy dużym poziomie głośności).

Przepuszczone przez ogranicznik fragmenty sygnału trafiają na wzmacniacz napięciowy o wzmocnieniu regulowanym w zakresie od jedności do kilkudziesięciu (C). Wzmocnienie jest konieczne, aby komparator napięć nie pracował z małymi sygnałami. Ewentualne przesterowanie wyjścia tego członu nie niesie ze sobą żadnych negatywnych konsekwencji, komparator rozpozna to jako konieczność uaktywnienia swojego wyjścia, które wchodzi w niski stan logiczny (D) poprzez nasycenie tranzystora NPN na swoim wyjściu. Sygnał o napięciu chwilowym mniejszym od ustalonego progu nie powoduje zadziałania.

Wygenerowane ciągi impulsów prostokątnych pobudzają wejście przerzutnika monostabilnego wyzwalanego poziomem niskim. W odpowiedzi na pobudzenie, podaje on na wyjście napięcie zbliżone do zasilającego (E). Nim dopiero załączane są przekaźniki. Układ czasowy był konieczny do podtrzymania zasilania cewek w krótkotrwałych przerwach między kolejnymi impulsami - np. podczas cichych scen filmu.

Opis układu

Rysunek 1. Kolejne etapy drogi sygnału w układzie

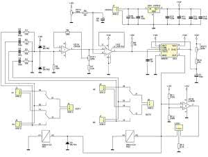
Schemat ideowy znajduje się na rysunku 2. Sygnał pochodzący z wejścia B jest sumowany (oddzielnie zaciski "1" i "2") przy użyciu elementów C1...C4 i R1...R4. Kondensatory separują składową stałą, natomiast rezystory ograniczają prąd, który może popłynąć przez diody ogranicznika przy wysokich częstotliwościach, kiedy reaktancja kondensatorów jest stosunkowo niewielka. Duża wartość rezystancji w porównaniu z niską impedancją wyjściową wzmacniacza mocy, praktycznie wyklucza możliwość powstawania przesłuchów międzykanałowych.

Wzmacniacz o regulowanym wzmocnieniu został zrealizowany na połówce układu LM358. Rezystor R5 służy do polaryzacji jego wejścia. Regulacja wzmocnienia odbywa się poprzez zmianę stosunku rezystancji na drodze wyjście - wejście odwracające - masa. Rolą rezystora R6 jest częściowa kompensacja wejściowych prądów wzmacniacza operacyjnego, aby poziom składowej stałej na jego wyjściu był możliwie mały.

W roli komparatora wartości chwilowej napięcia z ustalonym przez użytkownika progiem służy popularny układ LM311. Pracuje w otwartej pętli sprzężenia zwrotnego, ponieważ jakakolwiek histereza tego bloku nie jest konieczna. Ustalona potencjometrem POT2 wartość napięcia jest filtrowana, aby zakłócenia roznoszone po liniach zasilania (generowane zwłaszcza w momencie zmiany stanu przekaźników) nie powodowały przypadkowego zadziałania układu. Wyjście LM311 stanowi kolektor tranzystora, który sprowadza potencjał wyjścia niemal do potencjału masy.

Rysunek 2. Schemat ideowy przełącznika głośników

Wytworzony w ten sposób stan niski na wyjściu komparatora jest w stanie pobudzić do pracy przerzutnik monostabilny, zrealizowany na znanym układzie NE555 w swej typowej (dla tego zastosowania) aplikacji. Potencjometrem POT3 użytkownik ustala czas, przez jaki podtrzymywane jest załączenie przekaźników. W układzie modelowym, możliwa była jego regulacja ok. 3...30 s.

Aktualnie załączona para wejść (A lub B) sygnalizowana jest świeceniem dwubarwnej diody LED w odpowiednim kolorze. Aby możliwe było jej wysterowanie z wyjścia NE555, konieczne było dodanie inwertera, który dawałby na swoim wyjściu stan wysoki, gdy przekaźniki byłyby wyłączone, czyli przy poziomie niskim na wejściu. Zostało to zrealizowane na drugim wzmacniaczu operacyjnym z układu LM358, który pracuje jako komparator dwóch napięć: zasilania przekaźników i połowy napięcia zasilania. Dzięki takiemu rozwiązania, dioda o wspólnej katodzie świeci w jednym kolorze przy załączonych przekaźnikach (czyli aktywnym wejściu B) i w innym, gdy są one wyłączone (aktywne wejście A).

Zasilanie dla układu jest stabilizowane przez układ 7812, który zapewnia dostateczną stabilność napięcia. Jest ona potrzebna do zapewnienia niezmienności, ustalonego przez użytkownika, progu zadziałania.

Montaż i uruchomienie

Rysunek 3. Schemat montażowy przełącznika głośników

Układ automatycznego przełącznika został zmontowany na jednostronnej płytce drukowanej o wymiarach 139 mm×76 mm, której schemat montażowy pokazano na rysunku 3. Zastosowano elementy do montażu przewlekanego. Należy pamiętać o czterech zworach z cienkiego drutu i dwóch z grubszego (przy zaciskach sygnałowych) - płynie przez nie prąd ze wzmacniacza na głośniki.

Prawidłowo zmontowany układ jest gotowy do pracy po wykonaniu kilkuminutowej regulacji. Zasilanie winno odbywać się napięciem stałym, niemniejszym niż 15 V z racji konieczności zapewnienia prawidłowej pracy stabilizatora. Jeżeli jednak dostępne jest stabilizowane napięcie o wartości ok. 12 V, można je wówczas dołączyć do złącza J7, a układ stabilizatora wylutować i zworką zewrzeć skrajne otworki pod nim na płytce. Pobierany prąd zawiera się w przedziale 10...50 mA, zależnie od stanu przekaźników.

Prawidłowe wyregulowanie układu należy rozpocząć od ustawienia pokręteł POT1 (wzmocnienie) i POT3 (czas) na minimum oraz podłączenia sygnału ze wzmacniacza do wejść B. Potencjometrem POT2 (próg) regulować poziom zadziałania pamiętając jednocześnie o tym, by odczekać sekundę lub dwie po zmianie ustawienia pokrętła - jest to spowodowane koniecznością przeładowania kondensatora filtrującego C5.

Jeżeli dla żadnego z ustawień POT2 nie jest możliwe uzyskanie satysfakcjonującego działania, należy wówczas przekręcić nieco POT1 i ponownie spróbować regulacji P2. Sygnalizacją zadziałania układu jest zmiana koloru diody świecącej. Pożądane jest, aby POT1 ustawiony był na możliwie najmniejszą wartość, a POT2 na największą - wówczas szumy i zakłócenia przenoszące się po przewodach mają znikome szanse na zaburzenie pracy układu.

Kiedy próg zadziałania jest ustalony, można ustawić POT3 na pożądaną wartość opóźnienia. Im jest ono większe, tym większe będą mogły być odstępy czasowe między kolejnymi sygnałami pobudzającymi, za to zwiększy się zwłoka w przełączeniu na wejście A.

Uwaga eksploatacyjna: nie należy używać opisanego układu do przełączania kolumn głośnikowych dla wzmacniacza lampowego, ponieważ praca bez trwale dołączonego obciążenia może skończyć się zniszczeniem jego transformatora wyjściowego. Ponadto, z powodu istnienia stanów nieustalonych przy włączaniu zasilania, układ może uruchomić się z załączonymi przekaźnikami, które zostaną wyłączone po upłynięciu ustawionego czasu.

Przy podłączaniu wzmacniaczy i kolumn, warto zachować tę samą polaryzację głośników. Ułatwią to etykietki "1" i "2" przy zaciskach złącz śrubowych.

Michał Kurzela, EP

Artykuł ukazał się w
Elektronika Praktyczna
lipiec 2014
DO POBRANIA
Pobierz PDF Download icon
Materiały dodatkowe
Elektronika Praktyczna Plus lipiec - grudzień 2012

Elektronika Praktyczna Plus

Monograficzne wydania specjalne

Elektronik listopad 2025

Elektronik

Magazyn elektroniki profesjonalnej

Raspberry Pi 2015

Raspberry Pi

Wykorzystaj wszystkie możliwości wyjątkowego minikomputera

Świat Radio listopad - grudzień 2025

Świat Radio

Magazyn krótkofalowców i amatorów CB

Automatyka, Podzespoły, Aplikacje listopad - grudzień 2025

Automatyka, Podzespoły, Aplikacje

Technika i rynek systemów automatyki

Elektronika Praktyczna listopad 2025

Elektronika Praktyczna

Międzynarodowy magazyn elektroników konstruktorów

Elektronika dla Wszystkich grudzień 2025

Elektronika dla Wszystkich

Interesująca elektronika dla pasjonatów