Minimoduł STK_XMega32E5

Minimoduł STK_XMega32E5
Pobierz PDF Download icon
Moduł z najnowszym mikrokontrolerem Atmela typu XMega32E5 może być ciekawą alternatywą dla popularnych mikrokontrolerów Mega8.

Schemat blokowy mikrokontrolera XMega32E5 pokazano na rysunku 1. W ramach rodziny dostępne są także 16E5, 8E5 o zmniejszonej pamięci programu. Ich mocną stroną jest cena zbliżona do serii Mega8 przy nieco lepszym wyposażeniu.

Rysunek 1. Struktura wewnętrzna mikrokontrolera Xmega32E5

Rysunek 2. Schemat blokowy jednostki XCL

Oprócz cech charakterystycznych dla rodziny Xmega, a więc możliwości alternatywnego konfigurowania bloków funkcjonalnych, mikrokontroler 32E5 ma wbudowaną logikę programowalną XCL (Custom Logic Module) umożliwiającą realizację podstawowych funkcji logicznych sprzętowo za pomocą bramek i przerzutników wbudowanych w strukturę układu scalonego.

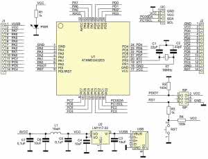
Rysunek 3. Schemat ideowy modułu x XMega32E5

Nie jest ona, co prawda, aż tak rozbudowana, jak w mikrokontrolerach firmy Cypress, ale umożliwia uproszczenie projektu urządzenia, zmniejszenie liczby komponentów i szybsze wykonywanie pewnych operacji logicznych. Budowę bloku XCL przedstawia rysunek 2.

Schemat ideowy minimodułu pokazano na rysunku 3. Układ jest banalnie prosty, moduł pozbawiony jest peryferiów, na płytce mieszczą się jedynie elementy niezbędne dla poprawnego funkcjonowania procesora. ATXMega32E5 taktowany jest kwarcem XT 16 MHz. Wszystkie wyprowadzenia procesora dostępne są na złączach J1 i J2: interfejs I²C jest dostępny na złączu I²C (po odpowiednim skonfigurowaniu mikrokontrolera). Programowanie odbywa się poprzez złącze ISP w trybie PDI.

Układ może być zasilany poprzez gniazdo USB Micro lub złącze J1/J2. Stabilizator U2 dostarcza napięcia 3,3 V do zasilania procesora. Dławik L1 i kondensatory C6 oraz C7 filtrują zasilanie części analogowej. Dioda PWR sygnalizuje załączenie zasilania. Układ uzupełnia przycisk reset RST.

Rysunek 4. Schemat montażowy modułu x XMega32E5

Rysunek 5. Prawidłowo zainstalowany moduł Xmega32E5

Moduł zmontowano na dwustronnej płytce drukowanej, której schemat montażowy pokazano na rysunku 4. Rozstaw złącz umożliwia montaż modułu na płytkach prototypowych lub stykowych o rozstawie 100 mils. Aby zachować możliwie mały rozmiar, elementy montowane są dwustronnie. Moduł zmontowany ze sprawnych elementów nie wymaga uruchamiania. Poprawnie zmontowany moduł gotowy jest do pracy i po prawidłowej detekcji w AVRStudio (programator AVRISP II, tryb PDI) możliwe jest jego oprogramowanie (rysunek 5).

Adam Tatuś, EP

Artykuł ukazał się w
Elektronika Praktyczna
lipiec 2014
DO POBRANIA
Pobierz PDF Download icon
Materiały dodatkowe
Elektronika Praktyczna Plus lipiec - grudzień 2012

Elektronika Praktyczna Plus

Monograficzne wydania specjalne

Elektronik listopad 2025

Elektronik

Magazyn elektroniki profesjonalnej

Raspberry Pi 2015

Raspberry Pi

Wykorzystaj wszystkie możliwości wyjątkowego minikomputera

Świat Radio listopad - grudzień 2025

Świat Radio

Magazyn krótkofalowców i amatorów CB

Automatyka, Podzespoły, Aplikacje listopad - grudzień 2025

Automatyka, Podzespoły, Aplikacje

Technika i rynek systemów automatyki

Elektronika Praktyczna listopad 2025

Elektronika Praktyczna

Międzynarodowy magazyn elektroników konstruktorów

Elektronika dla Wszystkich grudzień 2025

Elektronika dla Wszystkich

Interesująca elektronika dla pasjonatów