Izolator programatora JTAG AVR

Izolator programatora JTAG AVR
Pobierz PDF Download icon
W Elektronice Praktyczne nr 8/2013 opisano izolator programatora ISP dla AVR. Teraz prezentujemy izolator programatora JTAG, który w porównaniu do programatora ISP czy DebugWire jest szybszy i znacznie pewniejszy w działaniu.

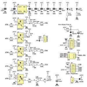
Rysunek 1. Schemat ideowy izolatora JTAG

Urządzenie jest przeznaczone dla konstruktorów pracujących z urządzeniami zasilanymi napięciem niebezpiecznym dla życia lub znajdujących się na potencjale znacznie wyższym niż potencjał ziemi. Budowa i zasada działania izolatora jest taka sama jak AVT-1770 opisanego w EP 8/2013, więc w opisie skupię się na różnicach.

Schemat ideowy izolatora pokazano na rysunku 1. W izolatorze JTAG złącze od strony programatora jest 10- a nie 6-pinowe i pasuje do wyjścia JTAG, zawierającego także linie ISP w programatorze Dragon, podobnie jak w DragonSafe (AVT-1796). Ponadto, ze względu na to, że układ bufora 74HC125 zawiera tylko cztery bramki, linia Reset nie buforowana, tylko izolowana transoptorem U7, natomiast buforowana jest linia TMS nieużywana w trybie ISP.

Ze względu na duże prędkości interfejsu JTAG zaleca się zastosowanie transoptorów 6N137-E pracujących do prędkości 10 MB/s (w AVR maksymalna prędkość JTAG wynosi teoretycznie 5 MB/s) ale godząc się z mniejszą prędkością, można zastosować transoptory 6N137 (1 MB/s). Podobnie jak w AVT-1770, użyto przetwornicy NME0505S, którą można zastąpić zasilaczem dołączonym do złącza J2.

Rysunek 2. Schemat montażowy izolatora JTAG

Izolator ma zabezpieczenia takie jak DragonSafe. Po szczegółowe informacje odsyłam do artykułu w EP 8/2013 na str. 78. Jumper J1 ustawiamy zależnie od trybu pracy w pozycji JTAG (zwarte piny 2-3) lub ISP (zwarte piny 1-2). Ustawienie zworki w pozycji JTAG, gdy pracujemy w trybie SPI, spowoduje, że linie interfejsu nie będą odłączane po zaprogramowaniu, co uniemożliwi wykorzystanie ich przez mikrokontroler do innych celów.

Schemat montażowy izolatora pokazano na rysunku 2. Montaż jest typowy i nie wymaga omawiania, trzeba tylko pamiętać o zamontowaniu pięciu zwór. Musimy także zadecydować, czy montujemy przetwornicę U6 czy zasilamy transoptor ze złącza J2. Pod układ U2 warto zastosować podstawkę. Nie polecam "zwykłych" podstawek, które z czasem tracą swoje właściwości. W swoich konstrukcjach stosuję podstawki precyzyjne, tak zwane tulipanowe. Wymiary płytki przystosowano do obudowy KM-35.

Sławomir Skrzyński, EP

Artykuł ukazał się w
Elektronika Praktyczna
maj 2014
DO POBRANIA
Pobierz PDF Download icon
Materiały dodatkowe
Elektronika Praktyczna Plus lipiec - grudzień 2012

Elektronika Praktyczna Plus

Monograficzne wydania specjalne

Elektronik listopad 2025

Elektronik

Magazyn elektroniki profesjonalnej

Raspberry Pi 2015

Raspberry Pi

Wykorzystaj wszystkie możliwości wyjątkowego minikomputera

Świat Radio listopad - grudzień 2025

Świat Radio

Magazyn krótkofalowców i amatorów CB

Automatyka, Podzespoły, Aplikacje listopad - grudzień 2025

Automatyka, Podzespoły, Aplikacje

Technika i rynek systemów automatyki

Elektronika Praktyczna listopad 2025

Elektronika Praktyczna

Międzynarodowy magazyn elektroników konstruktorów

Elektronika dla Wszystkich grudzień 2025

Elektronika dla Wszystkich

Interesująca elektronika dla pasjonatów