Konwerter poziomów 3,3/5V z zasilaczem

Konwerter poziomów 3,3/5V z zasilaczem
Pobierz PDF Download icon
Przedstawiony minimoduł, a raczej nawet mikromoduł, zawiera podwójny, dwukierunkowy konwerter poziomów 5 V/3,3 V i ma wbudowany zasilacz 3 V/250 mA.

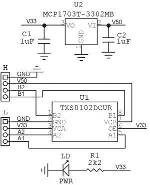
Rysunek 1. Schemat ideowy modułu konwertera 3,3 V/5 V

Przeznaczeniem modułu jest ułatwienie uruchamiania współczesnych układów komunikacyjnych, między innymi: Bluetooth, Xbee, układów z magistralą I2C lub RS zasilanymi z 3,3 V, połączonych z układami starszej generacji zasilanymi z 5 V.

Schemat modułu konwertera pokazano na rysunku 1. Do jego budowy, spośród wielu układów scalonych konwerterów poziomów, wybrałem TXS0102 (U1) firmy Texas Instruments. Charakteryzuje się on niewielkim poborem mocy, automatycznym wykrywaniem kierunku transmisji na każdej z linii I/O, brakiem efektu „zatrzaskiwania” przy nieodpowiedniej sekwencji napięć zasilania oraz niewielkimi wymiarami obudowy MSSOP-8. Oprócz konwertera na płytce zamontowano mikromocowy stabilizator 3,3 V typu MCP1703 (U2). Podczas eksperymentowania wbudowany stabilizator uwalnia nas od konieczności posiadania dodatkowego źródła zasilania, oszczędzając czas i miejsce na płytce stykowej.

Konwerter zmontowano na dwustronnej płytce drukowanej o obrysie zgodnym z obudową DIP-8. Jej schemat montażowy pokazano na rysunku 2. Podczas lutowania należy zwrócić uwagę na prawidłowość zamontowania U1 ze względu na niewielki raster wyprowadzeń. Strona, na której zamontowano złącza H i L zależy od przeznaczenia modułu: dla płytki stykowej wygodniej, gdy są wlutowane są od strony dolnej, w wypadku połączenia przewodami – od strony górnej. Jeżeli uruchamiany układ zapewnia zasilanie można pominąć montaż U2.

Rysunek 2. Schemat montażowy modułu konwertera 3,3 V/5 V

Układ U1 zapewnia konwersję w szerszym zakresie, niż przewidziano w mikromodule. Nic nie stoi na przeszkodzie, aby poprzez wymianę stabilizatora umożliwić konwersje pomiędzy systemami 3,3 V/1,8 V, która jest konieczna dla nowoczesnych FPGA lub dowolną inną. Należy tylko zachować warunek Vca<VB (L<H), przy zakresach Vca(1,65V-3.6V), Vcb(2.3V-5.5V).

Adam Tatuś, EP

Artykuł ukazał się w
Elektronika Praktyczna
marzec 2014
DO POBRANIA
Pobierz PDF Download icon
Materiały dodatkowe
Elektronika Praktyczna Plus lipiec - grudzień 2012

Elektronika Praktyczna Plus

Monograficzne wydania specjalne

Elektronik listopad 2025

Elektronik

Magazyn elektroniki profesjonalnej

Raspberry Pi 2015

Raspberry Pi

Wykorzystaj wszystkie możliwości wyjątkowego minikomputera

Świat Radio listopad - grudzień 2025

Świat Radio

Magazyn krótkofalowców i amatorów CB

Automatyka, Podzespoły, Aplikacje listopad - grudzień 2025

Automatyka, Podzespoły, Aplikacje

Technika i rynek systemów automatyki

Elektronika Praktyczna listopad 2025

Elektronika Praktyczna

Międzynarodowy magazyn elektroników konstruktorów

Elektronika dla Wszystkich grudzień 2025

Elektronika dla Wszystkich

Interesująca elektronika dla pasjonatów