XpressNet Expander

XpressNet Expander
Pobierz PDF Download icon

Do magistrali XpressNet można podłączyć do 30 manipulatorów. W praktyce, ze względu na wydajność prądową centralki, liczba manipulatorów jest ograniczona. Dzięki prezentowanemu ekspanderowi, do magistrali można dołączyć maksymalną liczbę manipulatorów. Ponadto, ekspander łatwo zamocować do modułu makiety, ponieważ jest przystosowany do umieszczenia w obudowie Z-70U.

Makiety modułowe bardzo często są wyposażone w magistralę XpressNet. Aby umożliwić używanie wielu manipulatorów na całej długości makiety używa się rozgałęźników. Niestety, stosowanie dostępnych w handlu rozgałęźników nie jest zalecane. Wskazane jest użycie rozgałęźników z jednym wejściem (w stronę centralki), jednym wyjściem (do dalszej części magistrali) oraz co najmniej 2 gniazd umożliwiających podłączenie manipulatorów. W artykule zaprezentuję rozgałęziacz umożliwiający podłączenie trzech manipulatorów oraz doprowadzenie dodatkowego zasilania, dzięki czemu można podłączyć 30 manipulatorów o dużym poborze prądu (np. z wyświetlaczem LED).

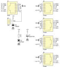
Rysunek 1. Schemat ideowy ekspandera magistrali XpressNet

Rysunek 2. Schemat włączenia ekspandera

Rysunek 3. Schemat montażowy ekspandera magistrali XpressNet

Rozgałęziacz składa się z pięciu gniazd RJ- 12. Jego schemat ideowy pokazano na rysunku 1. Linie transmisji danych oraz zasilania są połączone równolegle. W trybie pasywnym (bez przyłączonego dodatkowego zasilacza) masa wszystkich gniazd jest połączona równolegle. W takiej sytuacji wszystkie gniazda mogą pełnić dowolną funkcję. Dioda LED informuje o obecności napięcia zasilającego manipulatory. Jeśli istnieje konieczność zasilenia części manipulatorów z dodatkowego zasilacza, jego wtyczkę umieszczamy w gnieździe J2 (plus na zewnętrz). Styki tego złącza odizolują masę gniazda J1, dzięki czemu zasilacz będzie przyłączony tylko do gniazd J3...J6 i zasili manipulatory do nich przyłączone. Dioda D1 zabezpiecza magistralę przed zamieniona biegunowością zasilania na wtyczce zasilacza. Różne sposoby włączenia ekspandera pokazano na rysunku 2.

Wykaz elementów:

R1: 1 kΩ
C1: 100 µF/16 V (elektrolit.)
D1: dioda LED 5 mm
D2: 1N4007
J1, J3...J6: gniazdo RJ-12/RJ14 kątowe do druku
J2: PC: gniazdo zasilacza Jack 2,5 mm

Schemat montażowy zamieszczono na rysunku 3. Montaż jest typowy i nie wymaga szczegółowego omawiania. W celu zminimalizowania kosztów zastosowano druk jednowarstwowy, co spowodowało konieczność zamontowania kilku zworek. Ekspander nie wymaga uruchamiania i po poprawnym zmontowaniu działa zaraz po podłączeniu do XpressNet-u. Ekspander wypróbowano z NanoX (AVT-5234) oraz LokMaus2 firmy ROCO. Ekspader będzie pracował prawidłowo z centralkami i manipulatorami Lenz. Ze względu na inny rozkład sygnałów w magistrali LocoNet ekspander nie zadziała tą magistralą.

Sławomir Skrzyński, EP

Artykuł ukazał się w
Elektronika Praktyczna
luty 2014
DO POBRANIA
Pobierz PDF Download icon
Elektronika Praktyczna Plus lipiec - grudzień 2012

Elektronika Praktyczna Plus

Monograficzne wydania specjalne

Elektronik listopad 2025

Elektronik

Magazyn elektroniki profesjonalnej

Raspberry Pi 2015

Raspberry Pi

Wykorzystaj wszystkie możliwości wyjątkowego minikomputera

Świat Radio listopad - grudzień 2025

Świat Radio

Magazyn krótkofalowców i amatorów CB

Automatyka, Podzespoły, Aplikacje listopad - grudzień 2025

Automatyka, Podzespoły, Aplikacje

Technika i rynek systemów automatyki

Elektronika Praktyczna listopad 2025

Elektronika Praktyczna

Międzynarodowy magazyn elektroników konstruktorów

Elektronika dla Wszystkich grudzień 2025

Elektronika dla Wszystkich

Interesująca elektronika dla pasjonatów