Termometr XXL

Termometr XXL
Pobierz PDF Download icon

Układ prostego termometru mierzącego temperaturę w zakresie od -55do +125°C. XXL bo zastosowano w nim wyświetlacze o wysokości znaku 6 cm. Idealnie sprawdzi się jako miernik temperatury umożliwiający jej odczyt z dużych odległości np. w halach sportowych czy produkcyjnych.

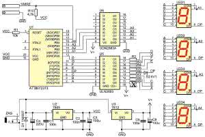
Rysunek 1. Schemat ideowy termometru XXL

Schemat elektryczny termometru pokazano na rysunku 1. Należy go zasilać napięciem stałym o wartości 13...15 V dołączonym do złącza ZAS. Dioda D1 stanowi zabezpieczenie przed niewłaściwą polaryzacją napięcia wejściowego, natomiast kondensatory C1...C6 pełnią rolę filtra zasilania.

Anody wyświetlaczy zasilane są napięciem +12 V ze stabilizatora U3, a część cyfrowa jest zasilana napięciem +5 V ze stabilizatora U2. Pracą termometru steruje mikrokontroler ATtiny2313 taktowany wewnętrznym sygnałem zegarowym, natomiast rolę czujnika temperatury pełni układ typu DS18B20.

W projekcie zastosowano wyświetlacze ze wspólną anodą. Ich katody dołączono do układu U5 (ULN2803) poprzez rezystory ograniczające R2...R9, natomiast anody do układu U6 (UDN2983). Wyświetlacze są multipleksowane, a wskazanie temperatury jest aktualizowane co 2 sekundy.

Rysunek 2. Schemat montażowy termometru XXL

Schemat montażowy termometru pokazano na rysunku 2. Montaż układu nie powinien przysporzyć problemów, ale należy poświęcić mu nieco uwagi, ponieważ podzespoły montowane są po obydwóch stronach płytki. W pierwszej kolejności montujemy wszystkie elementy na warstwie TOP.

Wyświetlacze montowane będą po przeciwnej stronie płytki, dlatego ich lutowania można dokonać dopiero w ostatniej fazie montażu, po upewnieniu się że montaż wszystkich pozostałych podzespołów przebiegł prawidłowo. Jeżeli termometr miałby być zasilany stabilizowanym napięciem o wartości 12 V, można nie montować stabilizatora U3, a jedynie zewrzeć ze sobą jego skrajne wyprowadzenia.

Czujnik temperatury należy dołączyć do płytki drukowanej łącząc jego zewnętrzne wyprowadzenia do punktu oznaczonego "GND", a środkowe wyprowadzenie do punktu oznaczonego 1 W. Jeżeli będziemy dokonywali jedynie pomiarów temperatury powietrza, to wystarczy osłonić czujnik przed ewentualnymi wpływami czynników atmosferycznych lub uszkodzeniem mechanicznym na przykład za pomocą rurki termokurczliwej.

Wykaz elementów:

R1: 10 kΩ
R2...R9: 100 kΩ
R10: 4,7 kΩ
C1, C2, C6: 100 nF
C4: 220 µF/25 V
C3, C6: 100 µF/25 V
D1: 1N4007
D2: 0,4W5V1
U1: ATtiny2313
U2: 7805
U3: 7812
U4: DS18B20
U5: ULN2803
U6: UDN2983
LED1...LED4: wyświetlacze
ZAS: Gniazdo zasilania

W wypadku pomiaru temperatury, na przykład cieczy, należy solidnie zabezpieczyć czujnik i jego styki przed wilgocią. Najłatwiej można to zrobić poprzez umieszczenie układu DS1820 w aluminiowej rurce i zalanie go żywicą epoksydową.

EB

Artykuł ukazał się w
Elektronika Praktyczna
luty 2014
DO POBRANIA
Pobierz PDF Download icon
Materiały dodatkowe
Elektronika Praktyczna Plus lipiec - grudzień 2012

Elektronika Praktyczna Plus

Monograficzne wydania specjalne

Elektronik listopad 2025

Elektronik

Magazyn elektroniki profesjonalnej

Raspberry Pi 2015

Raspberry Pi

Wykorzystaj wszystkie możliwości wyjątkowego minikomputera

Świat Radio listopad - grudzień 2025

Świat Radio

Magazyn krótkofalowców i amatorów CB

Automatyka, Podzespoły, Aplikacje listopad - grudzień 2025

Automatyka, Podzespoły, Aplikacje

Technika i rynek systemów automatyki

Elektronika Praktyczna listopad 2025

Elektronika Praktyczna

Międzynarodowy magazyn elektroników konstruktorów

Elektronika dla Wszystkich grudzień 2025

Elektronika dla Wszystkich

Interesująca elektronika dla pasjonatów