Stopień mocy z układem ULN2003

Stopień mocy z układem ULN2003
Pobierz PDF Download icon

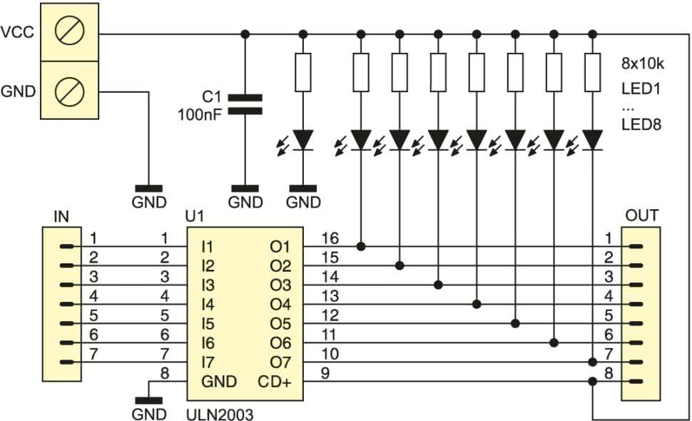
Układ prostego modułu wykonawczego z układem ULN2003. Ten popularny układ zawiera w swej strukturze 7 par tranzystorów w układzie Darlingtona, ze wspólnym emiterem. Doskonale nadaje się do sterowania silnikami lub przekaźnikami. Wyjście każdej pary tranzystorów jest zabezpieczone diodą.

Schemat elektryczny stopnia mocy pokazano na rysunku 1.

Rysunek 1. Schemat ideowy modułu z ULN2003

Za pośrednictwem układu ULN2003 można sterować obciążeniami wymagającymi prądu zasilania do 0,5 A i zasilanych ze znacznie wyższego napięcia, niż układy sterujące jego pracą. Diody LED1...LED7 zostały dołączone bezpośrednio do wyjść układu i informują o tym, które z nich jest aktualnie aktywne (przewodzi prąd). Układ należy zmontować na płytce drukowanej pokazanej na rysunku 2.

Rysunek 2. Schemat montażowy modułu z ULN2003

Montaż nie powinien sprawić problemów, a układ po poprawnym zmontowaniu nie wymaga uruchamiania i powinien od razu pracować poprawnie.

EB

Wykaz elementów:
Rezystory:
  • RP1: Rpack 8×10 kΩ
Kondensatory:
  • C1: 100 nF
Półprzewodniki:
  • PWR, LED1...LED7: dioda LED SMD
  • U1: ULN2003
Pozostałe:
  • Listwa goldpin kątowa
Elektronika Praktyczna Plus lipiec - grudzień 2012

Elektronika Praktyczna Plus

Monograficzne wydania specjalne

Elektronik styczeń 2026

Elektronik

Magazyn elektroniki profesjonalnej

Raspberry Pi 2015

Raspberry Pi

Wykorzystaj wszystkie możliwości wyjątkowego minikomputera

Świat Radio styczeń - luty 2026

Świat Radio

Magazyn krótkofalowców i amatorów CB

Automatyka, Podzespoły, Aplikacje listopad - grudzień 2025

Automatyka, Podzespoły, Aplikacje

Technika i rynek systemów automatyki

Elektronika Praktyczna grudzień 2025

Elektronika Praktyczna

Międzynarodowy magazyn elektroników konstruktorów

Elektronika dla Wszystkich styczeń 2026

Elektronika dla Wszystkich

Interesująca elektronika dla pasjonatów