Licznik impulsów

Licznik impulsów
Pobierz PDF Download icon

Licznik impulsów pochodzących na przykład z różnych czujników lub włączników. Zlicza on impulsy w górę i w dół z częstotliwością nie większa niż 10 Hz (10 impulsów na sekundę). Maksymalna pojemność licznika wynosi 9999. Dodatkowo, układ wyposażono w możliwość zapamiętania wyniku oraz sygnalizację dźwiękową.

Licznik może pracować z wyświetlaczami o dwóch wielkościach – pierwszym, miniaturowym, o wysokości cyfry 7 mm lub drugim, większym, z wyświetlaczami o wysokości 27 mm, idealnie mieszczącym się w obudowie typu KM50 (fotografia 1).

Fotografia 1. Wyświetlacz o wysokości znaków 27 mm w obudowie KM50

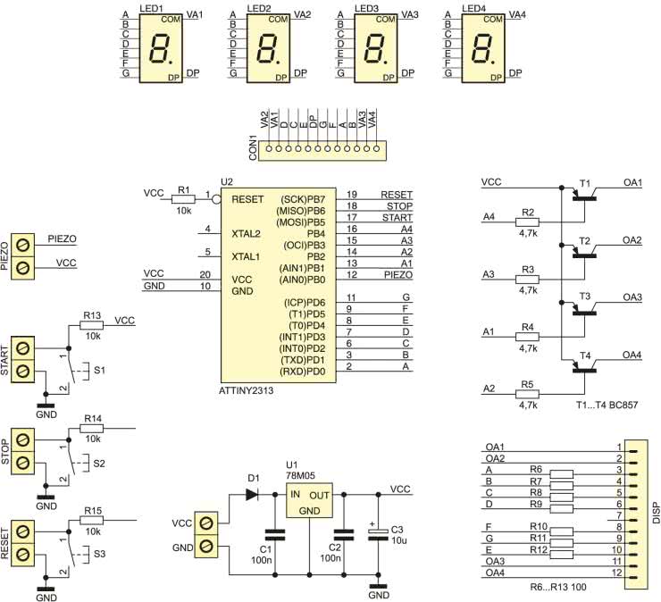
Schemat ideowy licznika pokazano na rysunku 2. Powinien on być zasilany napięciem stałym o wartości 7...15 V doprowadzonym do złącza POWER. Dioda D1 zabezpiecza układ przed niewłaściwą polaryzacją napięcia wejściowego, natomiast kondensatory C1, C2 i C3 pełnią rolę filtra zasilania. Zewnętrzne napięcie wejściowe jest podawane na stabilizator U1. Pracą licznika steruje mikrokontroler ATtiny2313 taktowany wewnętrznym sygnałem zegarowym. Wyświetlacze zostały opracowane w dwóch wersjach gabarytowych, natomiast ich sterowanie odbywa się w sposób identyczny. Anody wyświetlaczy są zasilane poprzez tranzystory T1...T4, natomiast katody bezpośrednio z portu mikrokontrolera poprzez rezystory ograniczające R6...R12. Rezystory R13...R15 podciągają wejścia licznika do +5 V.

Rysunek 2. Schemat ideowy licznika

Schemat montażowy licznika pokazano na rysunku 3. Składa się on z dwóch płytek drukowanych. Wielkość i komponenty płytki wyświetlacza zależą od wybranej wersji gabarytowej.

Rysunek 3. Schemat montażowy licznika

Montaż jest typowy i nie powinien przysporzyć problemów. Po zmontowaniu należy połączyć obydwie płytki za pomocą listwy szpilek goldpin. Do wejść oznaczonych UP, DOWN oraz RESET dołączone zostały mikroprzyciski umożliwiające bezpośrednie sterowanie pracą licznika. Impuls na wejściu wyzwalającym UP powoduje zwiększenie wartości, a impuls na wejściu DOWN powoduje jej zmniejszanie. Krótkie naciśnięcie przycisku RESET umożliwia zapis aktualnego stanu licznika do pamięci. Sytuacja ta jest sygnalizowana krótkim mignięciem wyświetlanej wartości. Zapisany w ten sposób wynik będzie przywracany po każdorazowym włączeniu zasilania licznika. Aby wyzerować licznik należy przez około 3 sekundy przytrzymać przycisk RESET, a gdy wyświetlona zostanie wartość 0, kolejne krótkie naciśnięcie tego przycisku zapisze tę wartość do pamięci. Do wyjścia oznaczonego PIEZO można dołączyć brzęczyk piezo – będzie on pełnił rolę sygnalizatora zaliczenia impulsu.

EB

Wykaz elementów:
Rezystory:
  • R1, R13...R15: 10 kΩ (SMD 0805)
  • R2...R5: 4,7 kΩ (SMD 0805)
  • R6...R12: 100 Ω (SMD 0805)
Kondensatory:
  • C1, C2: 100 nF (SMD 0805)
  • C3: 10 μF/16 V
Półprzewodniki:
  • D1: 1N4007 (MELF)
  • T1...T4: BC857 (SOT-23)
  • U1: 78M05 (TO-252)
  • U2: ATtiny2313 (SOIC20)
  • LED1...LED4: wyświetlacze 7 mm lub 25 mm (w zależności od wersji)
Pozostałe:
  • listwa goldpin kątowa 14 szpilek
  • DG381-3.5/2 – 5 szt.
  • mikroswitch 3×6 – 3 szt.
Artykuł ukazał się w
Elektronika Praktyczna
sierpień 2013
DO POBRANIA
Pobierz PDF Download icon
Materiały dodatkowe
Elektronika Praktyczna Plus lipiec - grudzień 2012

Elektronika Praktyczna Plus

Monograficzne wydania specjalne

Elektronik listopad 2025

Elektronik

Magazyn elektroniki profesjonalnej

Raspberry Pi 2015

Raspberry Pi

Wykorzystaj wszystkie możliwości wyjątkowego minikomputera

Świat Radio listopad - grudzień 2025

Świat Radio

Magazyn krótkofalowców i amatorów CB

Automatyka, Podzespoły, Aplikacje listopad - grudzień 2025

Automatyka, Podzespoły, Aplikacje

Technika i rynek systemów automatyki

Elektronika Praktyczna listopad 2025

Elektronika Praktyczna

Międzynarodowy magazyn elektroników konstruktorów

Elektronika dla Wszystkich grudzień 2025

Elektronika dla Wszystkich

Interesująca elektronika dla pasjonatów