Wzmacniacz audio o mocy 2×40 W z LM3875

Wzmacniacz audio o mocy 2×40 W z LM3875
Pobierz PDF Download icon

Układ jest uzupełnieniem przedwzmacniacza LM4562 i przetwornika DAC TDA1541. Tworzy kompletny system audio nieodbiegający od rozwiązań fabrycznych. Wzmacniacz można również stosować niezależnie, np. do sterowania aktywnego monitora dwudrożnego, współpracującego z opisaną wcześniej zwrotnicą aktywną.

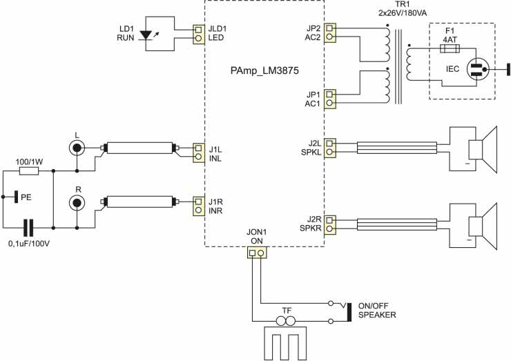
Moduł zawiera dwa kanały wzmacniacza mocy z popularnym układem LM3875, zasilacz oraz obwody zabezpieczające głośnik. Zmontowana płytka jest gotowym blokiem funkcjonalnym systemu audio. Schemat układu pokazano na rysunku 1. Wzmacniacz składa się z bloku wzmocnienia U1L/R i układu zabezpieczeń U1. Układy U1L/U1R (LM3875) pracują w konfiguracji odwracającej ze sprzężeniem stałoprądowym ze względu na niewielkie napięcie niezrównoważenia. Wzmocnienie układu ustalono na ok. 14 V/V. Można je zmieniać za pomocą rezystorów R1x/R2x, korygując przy tym R3x=R1x, R4x=R2x.

Rysunek 1. Schemat ideowy modułu wzmacniacza z LM3875

Uwaga: poniżej 10 V/V układ przestaje być stabilny. Rezystory R5x i R6x, kondensator C3x oraz cewka L1x zapewniają stabilność przy współpracy z obciążeniami o złożonym charakterze. Zasilanie układu jest symetryczne, niestabilizowane otrzymywane z prostownika D1…D8 oraz filtru CE1…CE4 o odpowiedniej dla mocy pojemności sumarycznej wynoszącej 40 mF.

Układ wykonano ze specjalizowanym układem uPC1237 firmy NEC (U1). Jego schemat blokowy pokazano na rysunku 2. Zawiera on zabezpieczenie przed składową stałą, układ detekcji napięcia zasilania, układ szybkiego wyłączenia i opóźnionego załączenia głośników, układ automatycznego zerowania oraz driver przekaźnika. Układ detektora przeciążenia jest nieaktywny ze względu na zastrzeżenia patentowe, ale w tym wzmacniaczu nie jest potrzebny, ponieważ za LM3875 jest zabezpieczony przez zwarciem na wyjściu.

Rysunek 2. Schemat blokowy uPC1237 (za notą aplikacyjną firmy NEC)

Do układu detekcji napięcia stałego, poprzez rezystory R1 i R2, doprowadzone są sygnały wyjściowe kanałów. Wystąpienie napięcia stałego na dowolnym z wyjść aktywuje zabezpieczenie – głośniki zostają odłączone za pomocą przekaźnika RL1. Obwód opóźnionego załączenia składa się z rezystora R4 i kondensatora CE7 ustalających czas opóźnienia. Dla detekcji napięcia zasilania do wejścia należy doprowadzić wyprostowane napięcie transformatora (po odpowiednim dopasowaniu zakresu napięć), które po niewielkiej filtracji kondensatorem CE6 aktywuje układ detekcji. Ze względu na rozdzielenie uzwojeń transformatora (brak masy odniesienia) układ detekcji napięcia zasilania jest rozwiązany inaczej, niż podano w nocie aplikacyjnej. Napięcie z jednego z uzwojeń transformatora poprzez prostownik D9 zasila diodę LED transoptora IS, rezystory R7…R10 ograniczają jej prąd. Tranzystor z IS kluczuje napięcie stałe zasilające wzmacniacz „udając” prostowanie jednopołówkowe. Takie rozwiązanie zapewnia szybki zanik sygnału zasilania po wyłączeniu wzmacniacza, umożliwiając prawidłową pracę układu detektora zasilania.

W obwód diody LED transoptora włączono złącze JON umożliwiające zdalne załączenie głośników lub dodatkowe zabezpieczenie termiczne układu np. poprzez włączenie szeregowo wyłącznika termicznego (normalnie zwarty) umieszczonego na radiatorze. Jeżeli funkcja nie będzie wykorzystana, złącze może zostać zastąpione zworą. Układ U1 steruje bezpośrednio cewką przekaźnika o dopuszczalnym prądzie do 80 mA. Aby ograniczyć straty mocy w cewce przekaźnika, szeregowo z nią włączono rezystor R6. Jego wartość należy dobrać, aby zapewnić znamionowe napięcie cewki w zależności od wartości napięcia zasilania końcówki mocy. Dioda D10 zabezpiecza U1 przed przepięciami przy wyłączaniu przekaźnika. W celu sygnalizacji prawidłowej pracy wzmacniacza, równolegle do cewki RL1 poprzez rezystory ograniczające prąd i złącze JLD włączona jest dioda LED.

Układ U1 m „pamięć” zadziałania zabezpieczeń. W zależności od zastosowania montujemy kondensator C1, który zapewnia zatrzaskiwanie układu zabezpieczeń po wyzwoleniu. Aby ponownie przywrócić wzmacniacz do pracy i wyzerować zabezpieczenie, należy wyłączyć zasilanie. Jeżeli jest konieczne automatyczne zerowanie po ustaniu przyczyny zadziałania, w miejsce C1 należy wlutować zworę.

Wzmacniacz zmontowano jest na dwustronnej płytce drukowanej, jej schemat montażowy pokazano na rysunku 3. Montaż jest typowy, ale warto w pierwszej kolejności zmontować i sprawdzić układ zabezpieczeń. W tym celu montujemy wszystkie elementy oprócz U1L, U1R, CE2, CE4. Zwieramy piny złącza JON, podłączamy LED do złącza JLD. Do zacisków JP1, JP2 doprowadzamy napięcia przemienne 2×26 V z uzwojeń transformatora zasilającego. Po włączeniu zasilania sprawdzamy obecność napięć zasilających – powinny wynosić ok. ±35…38 V (nie mogą przekraczać ±42 V). Układ powinien załączyć przekaźnik RL1, co jest sygnalizowane świeceniem diody LED. Rozwarcie zwory JON, powinno bezzwłocznie wyłączyć przekaźnik. Następnie zwieramy JON i wyłączamy zasilanie, RL1 powinien bezzwłocznie zostać wyłączony. Przy ponownym załączeniu zasilania powinien załączyć się ze zwłoką. Pozostaje sprawdzenie układu zabezpieczeń przed składową stałą, najlepiej w tym celu posłużyć się baterią 1,5 V, podłączamy jej minus do masy wzmacniacza, przewodem podłączonym do jej plusa dotykamy na płytce padu nr 3 U1L oraz U1R, powinno spowodować to aktywowanie układu zabezpieczeń. Jeżeli wlutowany jest C1 to konieczne jest wyłączenie wzmacniacza przed sprawdzeniem U1R, w przypadku zwory w miejscu C1, układ po odłączeniu baterii powinien załączyć automatycznie przekaźnik RL1. Zmieniamy biegunowość baterii łącząc plus z masą i przeprowadzamy test dla ujemnych napięć stałych.

Rysunek 3. Schemat montażowy modułu wzmacniacza z LM3875

Jeżeli zabezpieczenie działa, można wyłączyć układ, odczekać do rozładowania kondensatorów i przygotować radiator z wstępnie zamontowanymi U1L/R.

W zależności od wersji układu LM3875 należy zastosować podkładkę izolacyjną i pastę termoprzewodzącą. Osobiście preferuję wersję izolowaną TF, która wymaga tylko odrobiny pasty termoprzewodzącej, chociaż wiąże się to z nieco mniejszą dopuszczalną mocą strat układu. Radiator SK85, w zależności od sposobu użytkowania wzmacniacza, powinien mieć wysokość 50 mm lub 75 mm. Jeżeli planujemy długotrwałe obciążenie mocą znamionową, polecam 75 mm lub chłodzenie wymuszone. Jest to ważne, ponieważ LM3875 zawiera zabezpieczenie termiczne, które po przekroczeniu dopuszczalnej temperatury struktury układu aktywuje wyciszenie.

Przed wlutowaniem LM3875 należy stabilnie zamocować radiator do płytki drukowanej. Następnie należy przylutować układy U1L i U1R oraz dokręcić śruby mocujące. Po dokręceniu warto „odprężyć” wyprowadzenia układów poprzez ponowne przelutowanie. Po montażu LM3875 można wlutować kondensatory CE2 i CE4.

Rysunek 4. Sposób dołączenia wzmacniacza

Po zmontowaniu wzmacniacz jest gotowy do pracy po włączeniu zasilania. Uwaga! Układy z serii LM38xx są jednymi z częściej podrabianych elementów elektronicznych, więc dla uniknięcia problemów warto zaopatrywać się w nie w pewnych źródłach. Sposób dołączenia wzmacniacza pokazano na rysunku 4.

Adam Tatuś, EP

Wykaz elementów:
Rezystory:
  • R1, R2, R4: 56 kΩ (SMD 1206)
  • R3, R5, R7…R10, R12, R13, R1L, R1R, R3L, R3R: 15 kΩ (SMD 1206)
  • R6: 680 Ω/1 W (zależnie od prądu i cewki przekaźnika)
  • R11, R2L, R2R, R4L, R4R: 220 kΩ (SMD 1206)
  • R5L, R5R: 2,7 Ω/1 W
  • R6L, R6R: 10 Ω/1 W
Kondensatory:
  • C1, C1L, C1R, C2L, C2R: 0,1 μF/50 V (SMD 1206)
  • C3L, C3R: 0,1 μF/100 V (R=5 mm)
  • CE1…CE4: 10 mF/50 V (elektrolit. SNAP-IN 30×50)
  • CE5: 220 μF/50 V (elektrolit. R=7,5 mm)
  • CE6, CE7, CE1L, CE1R, CE2L, CE2R : 10 μF/50 V (elektrolit. R=5 mm)
Półprzewodniki:
  • D1…D8: MUR860 (TO-220D)
  • D9, D10: S1J (MELF)
  • U1: uPC1237 (SIL-8)
  • U1L, U1R: LM3875TF
Pozostałe:
  • RL1: RM84-2P/24 przekaźnik miniaturowy
  • HT: radiator SK85/50 mm
  • IS: LTV356T (transoptor SMD)
  • J1L, J1R, J2L, J2R, JLD, JON, JP1, JP2: złącze ARK2/R=5 mm
  • TS1: transformator 2×26 V/180 VA
  • L1R, L1R: cewka 8…12 zwojów DNE 0,8…1 mm na korpusie R6L/R6R
Artykuł ukazał się w
Elektronika Praktyczna
sierpień 2013
DO POBRANIA
Pobierz PDF Download icon
Materiały dodatkowe
Elektronika Praktyczna Plus lipiec - grudzień 2012

Elektronika Praktyczna Plus

Monograficzne wydania specjalne

Elektronik listopad 2025

Elektronik

Magazyn elektroniki profesjonalnej

Raspberry Pi 2015

Raspberry Pi

Wykorzystaj wszystkie możliwości wyjątkowego minikomputera

Świat Radio listopad - grudzień 2025

Świat Radio

Magazyn krótkofalowców i amatorów CB

Automatyka, Podzespoły, Aplikacje listopad - grudzień 2025

Automatyka, Podzespoły, Aplikacje

Technika i rynek systemów automatyki

Elektronika Praktyczna listopad 2025

Elektronika Praktyczna

Międzynarodowy magazyn elektroników konstruktorów

Elektronika dla Wszystkich grudzień 2025

Elektronika dla Wszystkich

Interesująca elektronika dla pasjonatów