Miniaturowy moduł przekaźników z RS485

Miniaturowy moduł przekaźników z RS485
Pobierz PDF Download icon

Pojedynczy moduł pozwala na niezależne sterowanie dwoma miniaturowymi przekaźnikami, których styki zwierne wyprowadzone są na złącza śrubowe CON3 i CON4. Za pomocą prostych poleceń, można włączyć, wyłączyć lub odczytać aktualny stan danego wyjścia.

Do jednej magistrali można dołączyć do 31 takich modułów i urządzenie sterujące np. konwerter USB<=>RS485 tworząc w ten sposób rozległą sieć sterującą aż 62 urządzeniami. Każde wyjście jest identyfikowane za pomocą dwucyfrowego adresu (00...99). Do połączenia modułów jest potrzebna 4-przewodowa skrętka (2 pary przewodów). Na złączach CON1 i CON2 znajdują się linie zasilania oraz sygnały magistrali RS485. Całość zaprojektowano w taki sposób, aby moduł zamontować przelotowo w miejscu przecięcia skrętki. Miniaturowa konstrukcja swobodnie mieści się w puszce elektroinstalacyjnej.

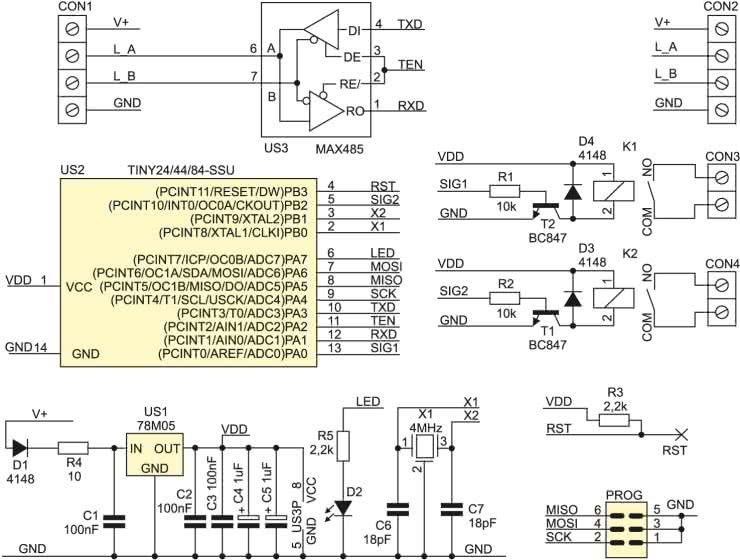
Rysunek 1. Schemat ideowy modułu przekaźników z RS485

Pracą układu steruje mikrokontroler ATtiny24, który zapewnia odpowiednią liczbę linii I/O i jest dostępny w małej obudowie SO14. Interfejs UART został zrealizowany programowo i pracuje z parametrami: 9600, n, 8, 1. Schemat ideowy modułu pokazano na rysunku 1, natomiast montażowy na rysunku 2. Rolę wyjść pełnią przekaźniki o obciążalności styków do 3 A, (do 230 V AC lub 30 V DC). Moduł powinien być zasilany z napięcia 7...15 V DC, maksymalny pobór prądu wynosi ok. 60 mA.

Rysunek 2. Schemat montażowy modułu przekaźników z RS485

Moduł dołączony do magistrali czeka na odebranie właściwej komendy. Jego aktywność jest sygnalizowana krótkim mignięciem diody LED. Komenda musi zaczynać się ciągiem znaków „R x x”, gdzie „xx” to adres modułu w zakresie 00...99. Jako kolejny podawany jest następujący parametr:

  • „= 1”<CR> – powoduje załączenie wyjścia,
  • „= 0”<CR> – powoduje wyłączenie wyjścia,
  • „= ?”<CR> – zwraca odpowiedź układu zawierającą aktualny stan wyjścia.

Przykładowa komenda „R23=1”<CR> w postaci wartości szesnastkowych ma postać: 0x52 0x32 0x33 0x3D 0x31 0x0D. Odebranie komendy z adresem odpowiadającym adresowi modułu powoduje odpowiednią reakcję układu, a dla trzeciego przypadku powoduje wysłanie informacji o stanie wyjścia w postaci np R23=1<CR>, czyli wyjście załączone.

Układ wymaga wstępnej konfiguracji – potrzebny będzie terminal z interfejsem RS485 np. konwerter AVTMOD14 dołączony do komputera PC i programu Bray Terminal+. Założenie jumpera w pozycji 1 (rysunek 3) uruchamia automatyczne wysyłanie stanu wyjścia. Funkcja ta może być włączona tylko w jednym module w całej magistrali i tylko wtedy, gdy nie ma urządzenia nadrzędnego. Powoduje wysyłanie na magistralę co ok. 4 s ramki stanu wyjścia. Może być przydatna do identyfikowania modułów, ponieważ ramka zawiera adres modułu.

Rysunek 3. Zworka konfiguracyjna

Założenie jumpera w pozycji 2 (rysunek 3) a następnie włączenie zasilania modułu powoduje przywrócenie domyślnego adresu o wartości „00”. Założenie jumpera w pozycji 3 (rysunek 3) i włączenie zasilania modułu powoduje wejście w tryb zmiany adresu. Moduł wysyła wartość aktualnego adresu a następnie czeka na wprowadzenie nowej wartości. Po zatwierdzeniu znakiem „Enter” nowa wartość zostaje zapamiętana i układ jest gotowy do pracy. Należy pamiętać, że drugie wyjście modułu automatycznie dostaje adres zwiększony o jeden, dlatego modułom należy nadawać adresy zwiększane o 2.

AS

Wykaz elementów:
Rezystory:
  • R1, R2: 10 kΩ (SMD 0805)
  • R3, R5: 2,2 kΩ (SMD 0805)
  • R4: 1 Ω (SMD 0805)
Kondensatory:
  • C1…C3: 100 nF (SMD 0805)
  • C4, C5: 10 µF (SMD 0805)
  • C6, C7: 18 pF (SMD 0805)
Półprzewodniki:
  • D1, D3, D4: LL4148
  • D2: LED F3 przewlekana
  • T1, T2: BC847
  • X1: 4 MHz (SMD)
  • US1: 78M05 (SMD)
  • US2: ATtiny24(lub 44)
  • US3: MAX485 (SMD)
  • K1, K2: HF49F-5V
Pozostałe:
  • CON1…4: DG 3.5/2
  • PROG, RST: goldpin 1×7+zworka
Artykuł ukazał się w
Elektronika Praktyczna
lipiec 2013
DO POBRANIA
Pobierz PDF Download icon
Materiały dodatkowe
Elektronika Praktyczna Plus lipiec - grudzień 2012

Elektronika Praktyczna Plus

Monograficzne wydania specjalne

Elektronik listopad 2025

Elektronik

Magazyn elektroniki profesjonalnej

Raspberry Pi 2015

Raspberry Pi

Wykorzystaj wszystkie możliwości wyjątkowego minikomputera

Świat Radio listopad - grudzień 2025

Świat Radio

Magazyn krótkofalowców i amatorów CB

Automatyka, Podzespoły, Aplikacje listopad - grudzień 2025

Automatyka, Podzespoły, Aplikacje

Technika i rynek systemów automatyki

Elektronika Praktyczna listopad 2025

Elektronika Praktyczna

Międzynarodowy magazyn elektroników konstruktorów

Elektronika dla Wszystkich grudzień 2025

Elektronika dla Wszystkich

Interesująca elektronika dla pasjonatów