AVTduino miniLCD - miniaturowy panel operatora do Arduino

AVTduino miniLCD - miniaturowy panel operatora do Arduino
Pobierz PDF Download icon

Moduł jest nakładką na płytkę bazową Arduino lub AVTduino. Oprócz niewielkiego wyświetlacza LCD i kilku przycisków, moduł wyposażono w dodatkowe peryferia, dzięki którym każdy może bez większych problemów zbudować i przetestować praktycznie dowolne urządzenie prototypowe.

Schemat ideowy modułu pokazano na rysunku 1, natomiast montażowy na rysunku 2.

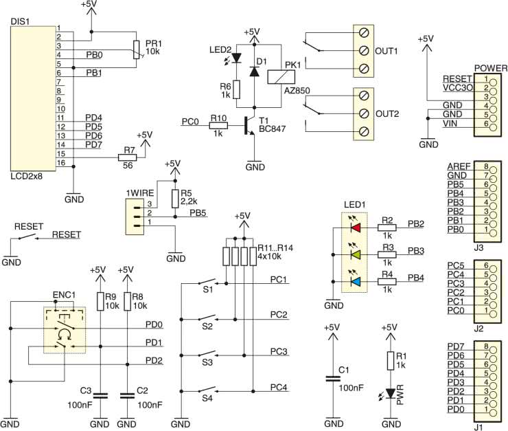
Rysunek 1. Schemat ideowy modułu AVTduino miniLCD

Linie danych wyświetlacza LCD o organizacji 2×8 znaków dołączono do wyprowadzeń PD4...PD7. Regulowanie kontrastu jest możliwe dzięki potencjometrowi PR1. Rezystor R7 ogranicza prąd podświetlenia wyświetlacza. Jako dodatkowy element sygnalizacyjny na płytce modułu umieszczono diodę LED RGB (LED1) z rezystorami ograniczającymi jej prądy zasilające (R2…R4). Anody diody dołączono do wyprowadzeń PB2...PB4. Na potrzeby interfejsu użytkownika płytkę wyposażono w 4 przyciski oznaczone jako S1…S4 oraz enkoder ze zintegrowanym przyciskiem. Sygnały z przycisków doprowadzono do linii PC1...PC4. Poziomem aktywnym jest zwarcie do masy. Impulsator wraz z przyciskiem dołączono do doprowadzeń PD0...PD2.

Rysunek 2. Schemat montażowy modułu AVTduino miniLCD

Na płytce umieszczono również złącze oznaczone 1WIRE. Jest ono przeznaczone do dołączenia na przykład popularnych termometrów DS18B20. Sygnał z tego złącza doprowadzono do portu PB5. Linia PB5 jest podciągnięta do +zasilania za pomocą rezystora R5.

Kolejnym elementem modułu jest miniaturowy przekaźnik uruchamiany za pośrednictwem tranzystora T1 bezpośrednio z portu PC0. Wszystkie styki przekaźnika zostały doprowadzone do miniaturowych złącz śrubowych umieszczonych na krawędzi płytki. Załączenie przekaźnika sygnalizuje dioda LED oznaczona jako LED2. Dioda oznaczona PWR informuje o obecności napięcia zasilania płytki modułu.

EB

Wykaz elementów:
Rezystory: (SMD 0805)
  • R1...R4, R6: 1 kΩ
  • R5: 2,2 kΩ
  • R7: 56 Ω
  • R8...R14: 10 kΩ
  • PR1: 10 kΩ (pot. montażowy RM63)
Kondensatory:
  • C1...C3: 100 nF (SMD 0805)
Półprzewodniki:
  • LED1: dioda LED RGB (5060)
  • LED2, PWR: diody LED (1206)
  • T1: BC847
  • D1: 1N4148
Pozostałe:
  • ENC1: impulsator ze zintegrowanym przyciskiem
  • S1...S4, RESET: przycisk miniaturowy
  • PK1: przekaźnik AZ850-5
  • LCD: wyświetlacz LCD 2×8 znaków
  • OUT1, OUT2: złącza śrubowe, raster 2,54 mm
  • J1...J3, POWER, POWER: listwa goldpin
ZOBACZ WIDEO DO TEGO PROJEKTU
AVT1722 - AVTDUINO MINILCD - MINIATUROWY PANEL OPERATORA DLA ARDUINO
Play btn
AVT1722 - AVTDUINO MINILCD - MINIATUROWY PANEL OPERATORA DLA ARDUINO
Artykuł ukazał się w
Styczeń 2013
DO POBRANIA
Pobierz PDF Download icon
Materiały dodatkowe
Elektronika Praktyczna Plus lipiec - grudzień 2012

Elektronika Praktyczna Plus

Monograficzne wydania specjalne

Elektronik listopad 2025

Elektronik

Magazyn elektroniki profesjonalnej

Raspberry Pi 2015

Raspberry Pi

Wykorzystaj wszystkie możliwości wyjątkowego minikomputera

Świat Radio listopad - grudzień 2025

Świat Radio

Magazyn krótkofalowców i amatorów CB

Automatyka, Podzespoły, Aplikacje listopad - grudzień 2025

Automatyka, Podzespoły, Aplikacje

Technika i rynek systemów automatyki

Elektronika Praktyczna listopad 2025

Elektronika Praktyczna

Międzynarodowy magazyn elektroników konstruktorów

Elektronika dla Wszystkich grudzień 2025

Elektronika dla Wszystkich

Interesująca elektronika dla pasjonatów