Wężyk spustowy do aparatu cyfrowego FujiFilm

Wężyk spustowy do aparatu cyfrowego FujiFilm
Pobierz PDF Download icon

Wydawać by się mogło, że dysponując czterema rezystorami i trzema przyciskami nie uda się nam zrobić żadnego ciekawego układu. A tymczasem! Prezentowany układ zaskoczy swoją prostotą wielu fotografów.

Wężyk spustowy służy do przewodowego wyzwalania aparatu fotograficznego. Dzięki zastosowaniu wężyka uniknąć można rozmazanych zdjęć robionych aparatem umieszczonym na statywie. Po dołączonemu do aparatu „wężyk” do aparatu działa on dokładnie tak samo jak spust w aparacie. Jedyną różnicą jest to, że zastosowano osobny przycisk do ustawienia ostrości oraz wyzwolenia migawki. Trzeci przycisk wyzwala migawkę błyskawicznie.

Wężyk współpracuje poprawnie z aparatami produkowanymi przez firmę FujiFilm:

  • FinePix HS20EXR
  • FinePix HS22EXR
  • FinePix S205EXR
  • FinePix S200EXR
  • FinePix S200EXR
  • FinePix S205EXR
  • FinePix S100FS
  • FinePix S100FS
  • FinePix S9000
  • FinePix S9100
  • FinePix S9500
  • FinePix S9600
  • FUJIFILM IS-1
  • FUJIFILM S20

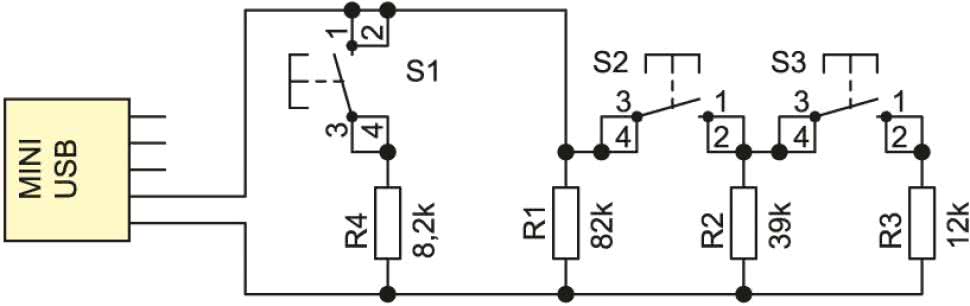
Obsługa wężyka jest bardzo prosta. Przycisk S2 służy do ustawienia ostrości, a dodatkowe przyciśnięcie przycisku S3 wyzwala migawkę. Przycisk S1 przeznaczony jest do błyskawicznego wyzwolenia migawki. Należy pamiętać, aby zrobić zdjęcie przyciskiem S3 trzeba trzymać przycisk S2. Aparat nie zareaguje na wciśnięcie tylko przycisku S3.

Wężyk został przetestowany z aparatem FujiFilm FinePix HS20EXR. Podłączając wężyk, aparat widzi go jako rezystancję. Testy wykazały, że jeśli rezystancja mieści się w granicach 40 kΩ...180 kΩ, to aparat odłącza spust na body aparatu i uaktywnia sterowanie z wężyka.

Kiedy rezystancja osiągnie wartość z przedziału 14 kΩ...40 kΩ, aparat ustawia ostrość. W momencie, gdy rezystancja spadnie poniżej 14 kΩ, aparat robi zdjęcie.

Przyciski zwierają ze sobą trzy rezystancje, tak aby ich wypadkowa wartość mieściła się w danym zakresie. W układzie dobrano rezystory tak, że ich wypadkowa rezystancja wynosi ok. 80 kΩ dla uaktywnienia wyzwalania z wężyka, 26 kΩ dla ustawienia ostrości i 8 kΩ dla wyzwolenia wykonania zdjęcia.

Na rysunku 1 pokazano schemat ideowy wężyka, natomiast na rysunku 2 jego schemat montażowy.

Rysunek 1. Schemat ideowy wężyka
Rysunek 2. Schemat montażowy wężyka

Dwa przewody wychodzące z płytki należy podłączyć do 4 i 5 pinu we wtyku mini USB. Na płytce przewidziano miejsce dla gniazda mini USB. Wężyk nie wymaga dodatkowego zasilania.

AW

Wykaz elementów:
Rezystory:
  • R1: 82 kΩ
  • R2: 39 kΩ
  • R3: 12 kΩ
  • R4: 8,2 kΩ
Kondensatory:
Półprzewodniki:
Pozostałe:
  • S1...S3: przycisk microswitch
  • wtyk miniUSB
  • przewód 2-żyły (ok. 1 m)
  • gniazdo miniUSB
Artykuł ukazał się w
Elektronika Praktyczna
sierpień 2012
DO POBRANIA
Pobierz PDF Download icon
Materiały dodatkowe
Elektronika Praktyczna Plus lipiec - grudzień 2012

Elektronika Praktyczna Plus

Monograficzne wydania specjalne

Elektronik listopad 2025

Elektronik

Magazyn elektroniki profesjonalnej

Raspberry Pi 2015

Raspberry Pi

Wykorzystaj wszystkie możliwości wyjątkowego minikomputera

Świat Radio listopad - grudzień 2025

Świat Radio

Magazyn krótkofalowców i amatorów CB

Automatyka, Podzespoły, Aplikacje listopad - grudzień 2025

Automatyka, Podzespoły, Aplikacje

Technika i rynek systemów automatyki

Elektronika Praktyczna listopad 2025

Elektronika Praktyczna

Międzynarodowy magazyn elektroników konstruktorów

Elektronika dla Wszystkich grudzień 2025

Elektronika dla Wszystkich

Interesująca elektronika dla pasjonatów