Przedwzmacniacz gramofonowy MM RIAA

Przedwzmacniacz gramofonowy MM RIAA
Pobierz PDF Download icon

„Czarny krążek” powraca do łask i coraz częściej w domowych systemach audio gości gramofon. Niestety, nie wszystkie współczesne wzmacniacze wyposażone są w wejście współpracujące z dynamiczną wkładką gramofonową. Przedstawiony układ pełni funkcję przedwzmacniacza do wkładki z ruchomym magnesem MM i współpracuje z wejściem liniowym każdego wzmacniacza audio.

Większość gramofonów dobrej klasy jest wyposażona we wkładkę magnetyczną. Uzyskiwany z niej sygnał ma małą amplitudę, rzędu pojedynczych miliwoltów. Ponadto, odczytany sygnał jest proporcjonalny do prędkości ruchu igły poruszającej się w rowku płyty. Oznacza to, że im wyższa częstotliwość, tym jest większy sygnał z wkładki. Dlatego musi on być silnie wzmocniony, a wzmacniacz powinien mieć charakterystykę częstotliwościową, która przywróci prawidłowe proporcje sygnałów o niskich i wysokich częstotliwościach. Taki przedwzmacniacz silnie uwypukla niskie częstotliwości, a znacznie słabiej wysokie. Nie można jednak zrobić tego dowolnie, według własnego uznania. Dlatego od 1953 r. płyty winylowe są nagrywane w taki sposób, aby przy odtwarzania prawidłowo współpracowały ze wzmacniaczem o charakterystyce ustalonej przez amerykańskie stowarzyszenie RIAA (Recording Industries Association of America).W 1976 r. europejska organizacja IEC wprowadziła modyfikację, polegającą na obniżeniu wzmocnienia dla (różnych zakłócających) przebiegów o częstotliwościach poniżej 20 Hz. Zmodyfikowana charakterystyka nosi nazwę RIAA-IEC. Różni się ona od oryginalnej RIAA tylko w zakresie najniższych tonów i w praktyce ta różnica nie ma żadnego znaczenia.

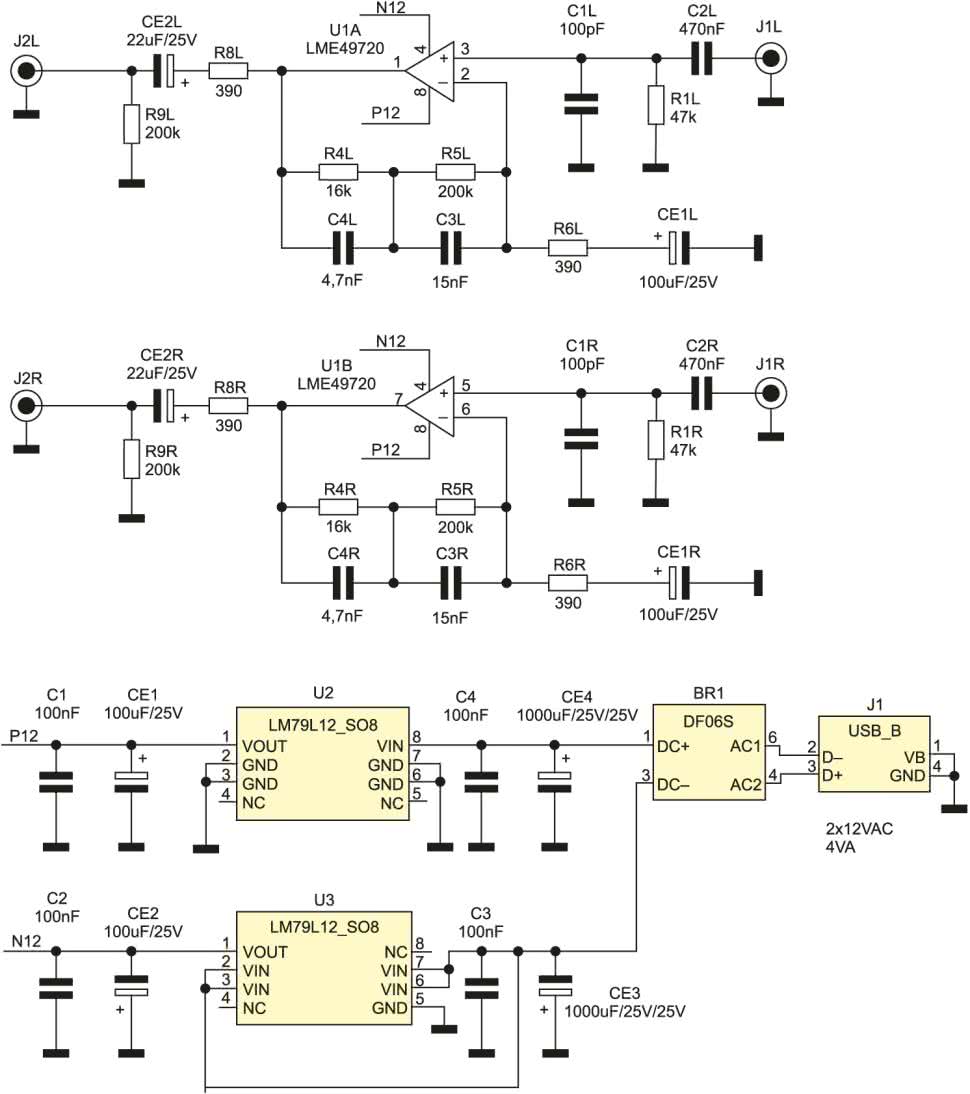
Przedwzmacniacz wykonano z użyciem wzmacniacza operacyjnego o wysokiej jakości, przeznaczonego głównie do aplikacji audio – LME49720 (TI). Schemat przedwzmacniacza korekcyjnego jest wzorowany na notach aplikacyjnych producenta. Pokazano go na rysunku 1.

Rysunek 1. Schemat ideowy przedwzmacniacza gramofonowego z korekcją RIAA

Sygnał wejściowy z gniazd J1L/R jest doprowadzony do wzmacniacza U1, w którego pętli sprzężenia zwrotnego realizowana jest korekcja RIAA (rezystor R4L i kondensator C4L oraz rezystor R5L i kondensator C3L). Układ jest zasilany ze zintegrowanego zasilacza ±12 V opartego o stabilizatory scalone U2 i U3. Ze względu na chęć zachowania niewielkich wymiarów i dla celu eliminowania zakłóceń, transformator zasilający (4 VA, 2×12 V) umieszczono w obudowie zasilacza wtyczkowego i podłączono do płytki za pomocą kabla USB z wtykiem B.

W zależności od zastosowanej wkładki MM, warto dopasować impedancję wejściową do parametrów podanych przez producenta. O ile rezystancja obciążenia wkładki MM wynosi przeważnie 47 kΩ (wyjątkiem są wkładki MC-HO z ruchomą cewką, ale o wysokim poziomie wyjściowym, wymagające czasem Rwe=1 kΩ lub zbliżonej), to pojemność obciążenia zmienia się w szerokich granicach 100…470 pF i w takim wypadku należy skorygować wartości kondensatorów C1L/C1R.

Przedwzmacniacz zmontowano na jednostronnej płytce drukowanej. Rozmieszczenie elementów przedstawia rysunek 2. Sposób montażu jest typowy i nie wymaga opisu. Należy tylko zadbać o dokładny dobór elementów odpowiadających za kształtowanie charakterystyki.

Rysunek 2. Schemat montażowy przedwzmacniacza gramofonowego z korekcją RIAA

Poprawnie zmontowany układ nie wymaga uruchamiania. Całość mieści się w niewielkiej typowej aluminiowej obudowie. Należy pamiętać o wyprowadzeniu pola masy z płytki przedwzmacniacza, np. pod śrubę obudowy i dołączeniu jej do masy gramofonu. W przeciwnym wypadku będzie słyszalny przydźwięk sieciowy.

Adam Tatuś, EP

Wykaz elementów:
Rezystory: (SMD 1206, 1%)
  • R1L, R1R: 47 kΩ
  • R4L, R4R: 16 kΩ
  • R5L, R5R, R9L, R9R: 200 kΩ
  • R6L, R6R, R8L, R8R: 390 Ω
Kondensatory:
  • C1…C4: 100 nF (SMD 1206)
  • C1L, C1R: 100 pF (SMD 1206)
  • C2L, C2R: 470 nF (kondensator foliowy R=5 mm, 1%)
  • C3L, C3R: 15 nF (kondensator foliowy R=5 mm, 1%)
  • C4L, C4R: 4,7 nF (kondensator foliowy R=5 mm, 1%)
  • CE1, CE2, CE1L, CE1R: 100 μF/25 V
  • CE3, CE4: 1000 μF/25 V
  • CE2L, CE2R: 22 μF/25 V
Półprzewodniki:
  • BR1:mostek prostowniczy DF06S (SMD)
  • U1: LME49720 (DIP8)
  • U2: LM78L12 (SO8)
  • U3: LM79L12 (SO8)
Pozostałe:
  • J1: gniazdo USB B do druku
  • TR: transformator 230/2×12 VAC, 4 VA (w obudowie wtyczkowej)
  • J1L, J1R, J2L, J2R: gniazdo RCA CC134 czerwone/czarne
Artykuł ukazał się w
Elektronika Praktyczna
sierpień 2012
DO POBRANIA
Pobierz PDF Download icon
Materiały dodatkowe
Elektronika Praktyczna Plus lipiec - grudzień 2012

Elektronika Praktyczna Plus

Monograficzne wydania specjalne

Elektronik listopad 2025

Elektronik

Magazyn elektroniki profesjonalnej

Raspberry Pi 2015

Raspberry Pi

Wykorzystaj wszystkie możliwości wyjątkowego minikomputera

Świat Radio listopad - grudzień 2025

Świat Radio

Magazyn krótkofalowców i amatorów CB

Automatyka, Podzespoły, Aplikacje listopad - grudzień 2025

Automatyka, Podzespoły, Aplikacje

Technika i rynek systemów automatyki

Elektronika Praktyczna listopad 2025

Elektronika Praktyczna

Międzynarodowy magazyn elektroników konstruktorów

Elektronika dla Wszystkich grudzień 2025

Elektronika dla Wszystkich

Interesująca elektronika dla pasjonatów