Elektroniczny selektor wejść audio

Elektroniczny selektor wejść audio
Pobierz PDF Download icon

Każdy wzmacniacz audio wymaga zastosowania przełącznika źródeł. Co oczywiste, umożliwia on doprowadzenie sygnałów z różnych urządzeń do końcówki mocy i wybranie jednego z nich.

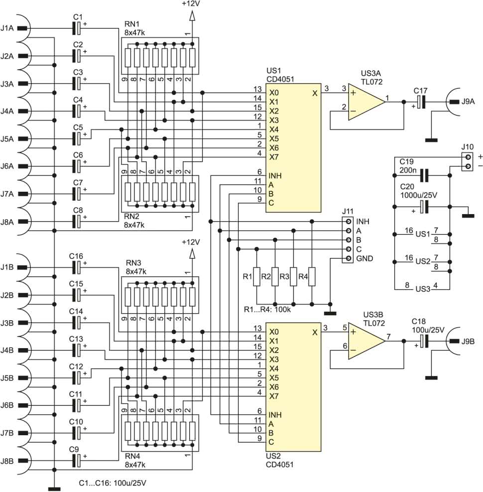
Stereofoniczne sygnały audio są doprowadzone do złącz J1…J9. Kondensatory C1…C16 oddzielają składową stałą, która jest dodawana za pomocą rezystorów z drabinek RN1…RN4. W ten sposób, potencjał takiej ścieżki z sygnałem ustalany jest na około połowę napięcia zasilającego. Około, bowiem zależy nam na tym, by zarówno dodatnie, jak i ujemne fragmenty sygnału zostały poprawnie przeniesione przez klucze elektroniczne, które generalnie nie radzą sobie z przepuszczaniem napięć ujemnych względem masy. Dodanie stosunkowo wysokiej, w porównaniu z amplitudą sygnału (1…2 V), składowej stałej (ok. 6 V) daje gwarancję, że napięcie wejściowe nie będzie mniejsze niż 0 V.

Rysunek 1. Schemat ideowy elektronicznego przełącznika wejść audio

Multipleksowania sygnałów dokonują układy CMOS typu CD4051. Każdy z nich steruje odrębnym kanałem. Ich wyjścia prowadzą na wtórniki napięciowe, zbudowane na wzmacniaczu operacyjnym US3. Ponieważ w doprowadzonym do niego sygnale nadal występuje składowa stała, realizuje on jednocześnie „pozorną masę” dla wzmacniaczy operacyjnych. Dodanie wtórników na wyjściu uniezależnia impedancję wewnętrzną aktualnie dołączonego urządzenia od impedancji obciążenia. Kondensatory C17 i C18 usuwają dodaną wcześniej składową stałą, zaś C19 i C20 filtrują napięcie zasilające.

Sterowanie przełącznikami elektronicznymi odbywa się przy pomocy czterech wejść dołączonych do złącza J11. Kombinacje sterujące wybieraniem wejść zamieszczono w tabeli 1.

Rezystory R1…R4 wymuszają na wejściach poziom niski, aby zapobiec gromadzeniu się na doprowadzeniach ładunków elektrostatycznych. Ustawienie wejścia INH powoduje natychmiastowe rozłączenie wszystkich ścieżek połączeniowych. Na koniec, jeszcze jedna uwaga: multipleksery nie mają żadnych zatrzasków czy pamięci dla wejść informacyjnych. Odpowiednie poziomy logiczne muszą być utrzymywane przez cały czas działania wybranego wejścia, co może być realizowane np. z użyciem mikrokontrolera z odpowiednimi tranzystorami wyjściowymi lub mechanicznym przełącznikiem z wyjściami od razu w kodzie binarnym.

Układ selektora został zmontowany na dwustronnej płytce drukowanej o wymiarach 210 mm×50 mm, a jego schemat montażowy pokazano na rysunku 2. Montaż przeprowadzany jest typowy: od elementów najniższych po najwyższe. Pod układy scalone warto zastosować podstawki. Po zmontowaniu, układ nie wymaga żadnych czynności uruchomieniowych i jest od razu gotów do pracy.

Rysunek 2. Schemat montażowy elektronicznego przełącznika wejść audio

Przy jednej z dłuższych krawędzi znajduje się miejsce na dziewięć podwójnych, pionowych gniazd typu Cinch. Przy ostatnim gnieździe, oznaczonym jako J9, które jest wyjściem dla przełączanego sygnału, umieszczone zostały trzy otworki. Mogą one służyć do wprowadzenia sygnału przewodem ekranowanym do wnętrza obudowy (np. wzmacniacza) zamiast wystawieniu go na zewnątrz. Nic jednak nie stoi na przeszkodzie, by opisany selektor, wraz z odpowiednim zasilaczem, był suwerennym urządzeniem. Jeżeli jest to możliwe, warto ten układ zaekranować blachą stalową lub aluminiową. Wystarczającym dlań ekranowaniem winien być pasek blachy umieszczony pod spodem (trzeba zachować odpowiedni dystans, by nie zewrzeć ze sobą jakichś lutów) oraz dołączony do masy. Podczas łączenia płytki układu z innymi należy pamiętać, by nie zrobić przypadkowo tzw. pętli masy, czyli zamkniętego „oczka”, przez które będzie płynął prąd masy. Jest ono bardzo podatne na zbieranie różnorakich zakłóceń i wprowadzanie ich d układu.

W przypadku, gdy zachodzi potrzeba przełączania więcej niż dwóch kanałów, nic nie stoi na przeszkodzie, by większą ilość opisanych wyżej modułów połączyć ze sobą równolegle, tj. połączyć ich wejścia informacyjne (złącze J11) i sterować je wspólnie. Pobór prądu przez jeden taki moduł wynosi ok. 10 mA przy zasilaniu napięciem 12 V. Zasilanie napięciem stałym, dobrze filtrowanym, niekoniecznie stabilizowanym z przedziału 10…15 V.

Michał Kurzela, EP

Wykaz elementów:
Rezystory:
  • R1…R4: 100 kΩ/0,25 W
  • RN1…RN4: drabinka 8×47 kΩ
Kondensatory:
  • C1…C18: 100 μF/25 V (elektrolityczny)
  • C19: 1000 μF/25 V (elektrolityczny)
  • C20: 220 nF
Półprzewodniki:
  • US1, US2: CD4051
  • US3: LM358 lub TL072
Pozostałe:
  • J1…J9: gniazdo żeńskie RCA podwójne, pionowe
  • J10: złącze ARK2 (3,5 mm)
  • J11: goldpin 5 pin
  • Dwie podstawki DIL16
  • Jedna podstawka DIL8
Artykuł ukazał się w
Elektronika Praktyczna
sierpień 2012
DO POBRANIA
Pobierz PDF Download icon
Materiały dodatkowe
Elektronika Praktyczna Plus lipiec - grudzień 2012

Elektronika Praktyczna Plus

Monograficzne wydania specjalne

Elektronik listopad 2025

Elektronik

Magazyn elektroniki profesjonalnej

Raspberry Pi 2015

Raspberry Pi

Wykorzystaj wszystkie możliwości wyjątkowego minikomputera

Świat Radio listopad - grudzień 2025

Świat Radio

Magazyn krótkofalowców i amatorów CB

Automatyka, Podzespoły, Aplikacje listopad - grudzień 2025

Automatyka, Podzespoły, Aplikacje

Technika i rynek systemów automatyki

Elektronika Praktyczna listopad 2025

Elektronika Praktyczna

Międzynarodowy magazyn elektroników konstruktorów

Elektronika dla Wszystkich grudzień 2025

Elektronika dla Wszystkich

Interesująca elektronika dla pasjonatów