Elektroniczny, stereofoniczny potencjometr audio

Elektroniczny, stereofoniczny potencjometr audio
Pobierz PDF Download icon

Potencjometry mechaniczne mają tę wadę, że zużywają się i zaczynają wywoływać trzaski w czasie regulacji. Ponadto, ich sterowanie przy użyciu np. mikrokontrolera nastręcza wiele trudności i wymaga zastosowania napędu. Prezentowany układ w prosty sposób eliminuje te niedogodności, a dodatkowo umożliwia regulację balansu.

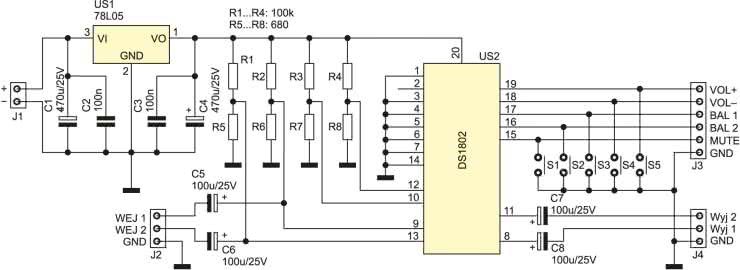
Schemat ideowy potencjometru pokazano na rysunku 1. Napięcie zasilające, podawane na złącze J1, jest filtrowane za pomocą kondensatorów C1…C4 i stabilizowane przez układ US1. Ze stereofonicznego sygnału wejściowego doprowadzonego przez złącze J2 jest usuwana składowa stała (kondensatory C1 i C2), natomiast dzielnikami rezystorowymi R1/R2 oraz R3/R4 dodaje się własną o napięciu 2,5 V. Tak przygotowany sygnał wchodzi na wejścia „górnych” odczepów potencjometrów znajdujących się wewnątrz układu US2 – nóżki 10 i 13.

Rysunek 1. Schemat ideowy potencjometru elektronicznego

Ich „dolne” odczepy również umieszczone są na potencjale 2,5 V, dzięki czemu przez ścieżkę oporową nie przepływa prąd. Kondensatory C7 i C8 odcinają składową stałą kierując sygnał do wyjścia, czyli złącza J4.

Po co takie pozornie niepotrzebne komplikowanie aplikacji? Otóż, na drodze eksperymentalnej zostało potwierdzone, że potencjometry cyfrowe źle radzą sobie z sygnałami, w których prąd nie płynie jedynie od wejścia do wyjścia, a również od wyjścia ku wejściu. Taka sytuacja ma miejsce, kiedy napięcie jest ujemne. Objawia się to zniekształceniami nieliniowymi, a przy dużych amplitudach wręcz słyszalnym charczeniem. Najprostszym i zarazem skutecznym lekarstwem, jest „przesunięcie” całego sygnału, tak aby cały „zmieścił się” w dodatniej połówce. Zostało to zrealizowane poprzez dodanie składowej stałej, która jest „niewidoczna” dla samego potencjometru. „Górny” i „dolny” odczep potencjometru są na tym samym potencjale, więc przez ścieżkę oporową nie płynie żaden prąd.

Sterowanie zrealizowane jest pięcioma przyciskami S1…S5:

  • S1 (MUTE): tłumienie sygnału wyjściowego,
  • S2 (BAL2): zmniejszanie tłumienia WEJ2 i zwiększanie na wejściu WEJ1,
  • S3 (BAL1): zmniejszanie tłumienia WEJ1 i zwiększanie na wejściu WEJ2,
  • S4 (VOL –): równomierne tłumienie obydwu wejść,
  • S5 (VOL +): równomierne zmniejszanie tłumienia obydwu wejść.

Układ DS1802 ma w swojej strukturze odpowiednie rezystory podciągające oraz obwody eliminujące drganie styków. Wyprowadzenia umożliwiające sterowanie potencjometrem zostały przyłączone do złącza J3 i umożliwiają użycie klawiatury lub mikrokontrolera – podanie poziomu niskiego jest równoważne naciśnięciu przycisku. Przy omawianiu sterowania trzeba dodać, że opcję MUTE załącza się jedynie klawiszem S1, lecz wyłącza naciśnięciem któregokolwiek.

Potencjometr, jak jego odpowiednik mechaniczny, jedynie wprowadza tłumienie. Sterowanie głośnością odbywa się w 65 krokach; każdy z nich dodaje tłumienie na poziomie 1 dB, a ostatni wycisza. MUTE nie wyłącza sygnału całkowicie (tłumienie musiałby dążyć do nieskończoności) – w głośnikach podłączonych do czułego wzmacniacza można usłyszeć dźwięk, lecz jest on na tyle wyciszony, że z pewnością nie będzie stanowił przeszkody w np. prowadzeniu rozmowy telefonicznej.

Jako pojedynczy impuls traktowane jest zwarcie styków na czas do 1 s, ale nie krótszy niż 1 ms. Każdy kolejny impuls musi następować z interwałem nie mniejszym niż 1 ms, w przeciwnym razie impulsy mogą zostać odebrane jako pojedynczy. Wciśnięcie i przytrzymanie przycisku na dłużej niż sekundę spowoduje „przeskok” o jedną pozycję co każde 100 ms.

Potencjometr nie ma pamięci nieulotnej i po wyłączeniu oraz ponownym włączeniu zasilania uruchamia się z ustawieniami domyślnymi. Zmontowano go na dwustronnej płytce drukowanej o wymiarach 37 mm×70 mm. Schemat montażowy pokazano na rysunku 2.

Rysunek 2. Schemat montażowy potencjometru elektronicznego

Montaż jest wykonywany typowo: od elementów najniższych do najwyższych. Pod układ scalony US2 warto zastosować podstawkę. W potencjometrze modelowym, pięć przycisków zostało przylutowanych od spodu, co zapewnia dobry dostęp do złącz, które są wówczas wyprowadzone do wewnątrz obudowy. Poprawnie zmontowane urządzenie nie wymaga żadnych czynności uruchomieniowych. Zasilane jest napięciem nie mniejszym niż 8 V, ze względu na znajdujący się na płytce stabilizator. Można również usunąć układ US1, a otworki po skrajnych nóżkach zewrzeć zworką i zasilić potencjometr z zewnętrznego źródła napięcia +5 V. Pobór prądu wynosi ok. 10 mA.

Michał Kurzela, EP

Wykaz elementów:
Rezystory: (wszystkie o mocy 0,25 W)
  • R1…R4: 100 kΩ
  • R5…R8: 680 Ω
Kondensatory:
  • C1, C4: 470 μF/25 V
  • C2, C3: 100 nF/50 V
  • C5…C8: 100 μF/25V
Półprzewodniki:
  • US1: LM78L05
  • US2: DS1802
Pozostałe:
  • J1: goldpin 2 pin
  • J2, J4: goldpin 3 pin
  • J3: goldpin 6 pin
  • S1…S5: przycisk 6 mm×6 mm
  • Podstawka DIP20
Artykuł ukazał się w
Elektronika Praktyczna
sierpień 2012
DO POBRANIA
Pobierz PDF Download icon
Materiały dodatkowe
Elektronika Praktyczna Plus lipiec - grudzień 2012

Elektronika Praktyczna Plus

Monograficzne wydania specjalne

Elektronik listopad 2025

Elektronik

Magazyn elektroniki profesjonalnej

Raspberry Pi 2015

Raspberry Pi

Wykorzystaj wszystkie możliwości wyjątkowego minikomputera

Świat Radio listopad - grudzień 2025

Świat Radio

Magazyn krótkofalowców i amatorów CB

Automatyka, Podzespoły, Aplikacje listopad - grudzień 2025

Automatyka, Podzespoły, Aplikacje

Technika i rynek systemów automatyki

Elektronika Praktyczna listopad 2025

Elektronika Praktyczna

Międzynarodowy magazyn elektroników konstruktorów

Elektronika dla Wszystkich grudzień 2025

Elektronika dla Wszystkich

Interesująca elektronika dla pasjonatów